
СЕРИЯ 2000
2335
2375
2425
КАТАЛОГ ДЕТАЛЕЙ И СБОРОЧНЫХ ЕДИНИЦ
Ростов-на-Дону. 2008 г.
6.1. Силовая установка универсального трактора 2335, 2375 - L4WD.............131
6.2. Силовая установка универсального трактора 2425 - L4WD......................147
|
04A01 Мост ведущих колес | ||||
|
Поз |
Чертежный номер |
Наименование |
Description |
Кол- во |
|
1 |
86011950 |
Дифференциал в сборе 22130 |
DIFFERENTIAL ASSY, 22130 R/H Spiral |
1 |
|
1 |
86011951 |
Дифференциал в сборе 22130 |
DIFFERENTIAL ASSY, 22130 L/H Spiral |
1 |
|
1 |
86011952 |
Дифференциал в сборе 22430 |
DIFFERENTIAL ASSY, 22430 R/H Spiral |
1 |
|
1 |
86011953 |
Дифференциал в сборе 22430 |
DIFFERENTIAL ASSY, 22430 L/H Spiral |
1 |
|
1 |
86011954 |
Дифференциал 23130 правый |
DIFF ASSY 23130 RH |
1 |
|
1 |
86011955 |
Дифференциал 23130 левый |
DIFF ASSY 23130 LH |
1 |
|
1 |
86011956 |
Водило правое |
DIFFERENTIAL - CARRIER ASSY 23430, R/H W12Spd / Diff-Lk |
1 |
|
1 |
86011957 |
Водило левое |
DIFFERENTIAL - CARRIER ASSY 23430 L/H Spiral |
1 |
|
1 |
86011958 |
Дифференциал 23130 RHSPR SP |
DIFF ASSY 23130 RHSPR SP |
1 |
|
1 |
86011959 |
Дифференциал |
DIFFERENTIAL - CARRIER ASSY, FRONT |
1 |
|
04A01 Мост ведущих колес | ||||
|
Поз |
Чертежный номер |
Наименование |
Description |
Кол- во |
|
L/H Spiral | ||||
|
1 |
86011960 |
Водило правое косозубое |
DIFFERENTIAL - CARRIER ASSY, 23430 R/H Spiral |
1 |
|
1 |
86011961 |
Водило левое косозубое |
DIFFERENTIAL - CARRIER ASSY, 23430 L/H Spiral |
1 |
|
2 |
9704725 |
Корпус дифференциала |
HOUSING, DIFFERENTIAL MACHINING |
1 |
|
2 |
9705803 |
Корпус дифференциала L4WD |
HOUSING - DIFFERNTIAL, Light Duty AXLES L4WD |
1 |
|
3 |
9705804 |
Водило в сборе |
CARRIER ASSEMBLY |
4 |
|
3 |
9706080 |
Водило в сборе |
PLANNET-CARRIER ASSY L4WD |
4 |
|
4 |
86023755 |
Опора планетарной шестерни |
PLANET CARRIER |
2 |
|
4 |
9705795 |
Водило |
PLANET CARRIER |
2 |
|
5 |
9672293 |
Шестерня Z=29 планетарного редуктора |
GEAR- PLANET, 29 Teeth - (Axles and Planet Carrier) |
6 |
|
5 |
9672588 |
Шестерня 34T |
GEAR - PLANETARY, 34 TOOTH, AXLE ASSY |
6 |
|
6 |
V63259 |
Шайба планетарной шестерни |
WASHER, THRUST PLANETARY GEAR |
12 |
|
6 |
V63697 |
Шайба планетарной шестерни |
WASHER, THRUST PLANETARY GEAR |
12 |
|
7 |
9672294 |
Палец планетарной передачи |
PIN-STEEL, Dia-2.062in Lth-4.0in, PLANET GEAR ASSY |
6 |
|
7 |
9672590 |
Палец планетарной шестерни |
PIN, PLANET GEAR |
6 |
|
8 |
87406 |
Пружинный штифт диам.0.25, длина 1.5 |
PIN - ROLL SPRING, Dia-0.250in Lth-1.50in |
6 |
|
8 |
9672411 |
Штифт диам.8мм длина 40мм |
PIN-SPRING, Dia-8mm Lth-40mm |
6 |
|
9 |
9672296 |
Игла подшипника 6.35DIAX25.40LG |
BEARING-NEEDLE Roller Dia-6.35mm Lth-25.4mm |
348 |
|
9 |
9672586 |
Игольчатый подшипник, внутр. O 7,94, длина 27 |
NEEDLE - ROLLER, 7.94 dia x 27.00l g |
348 |
|
10 |
86012473 |
Прокладка внутр o 69,0, внешн o 81,30, толщина 6,7 |
SPACER 69.0IDX81.30ODX6.75THK |
6 |
|
10 |
9672297 |
Прокладка 2.067 X 2.500 X 0.055 |
SPACER-STEEL OD-2.50in Thk-0.057in, AXLE BEARING |
6 |
|
11 |
14460080 |
Уплотнительное кольцо |
O-RING |
6 |
|
11 |
374545 |
Кольцо уплотнительное 1.862 IDX0.103 THK BUNA |
O-RING ID-1.862in Thk-0.070in, PLANET CARRIER |
6 |
|
12 |
86541153 |
Уплотнение |
GASKET |
7 |
|
13 |
9848947 |
Пробка 1.0 x 18 |
PLUG - HEXHEAD 1.0 x 18 NS MAGNETIC |
7 |
|
14 |
44183 |
Шайба 13.00X24.00X2.5 HDN PL |
WASHER - STEEL Flat Hrd, Id-13.0 Od-24.0 Thk-2.5 Pl |
32 |
|
15 |
337563 |
Болт шестигранный M12 X 40 10.9PL |
CAPSCREW - HexHead Cl-10.9, M10 x 1.75 x 40 |
32 |
|
16 |
86050186 |
Шайба диам.внутр.0.50, сталь |
WASHER - THRUST, STEEL Id-0.500 |
2 |
|
16 |
9672581 |
Шайба полуоси |
WASHER, THRUST AXLE SHAFT |
2 |
|
17 |
27503 |
Стопорное кольцо диам.46.99 |
RING, RETAINING EXT 46.99DIA |
2 |
|
17 |
86050337 |
Стопорное кольцо o 2,31 |
RETAINING RING EXT 2.31 DIA |
2 |
|
18 |
86000858 |
Шестерня солнечная Z=16 |
GEAR-SUN, 16 TOOTH, PLANETARY AXLE HUB |
2 |
|
18 |
86011198 |
Шестерня солнечная z=21 |
GEAR SUN 21T |
2 |
|
04A01 Мост ведущих колес | ||||
|
Поз |
Чертежный номер |
Наименование |
Description |
Кол- во |
|
18 |
9672589 |
Шестерня солнечная, 21 зуб |
GEAR-SUN, 21 TOOTH |
2 |
|
19 |
9673129 |
Шайба толщина 11 мм, сталь |
WASHER - AXLE TUBE, Steel Machined Thk-11.0mm |
2 |
|
19 |
V68773 |
Шайба |
WASHER, AXLE TUBE |
2 |
|
20 |
86010576 |
Зубчатое кольцо 90Т |
GEAR RING 90T |
2 |
|
20 |
9672292 |
Коронная шестерня Z=74 |
GEAR, RING 74 TOOTH | |
|
21 |
9704946 |
Ступица шестерни коронной |
HUB RING GEAR |
2 |
|
21 |
9706078 |
Ступица коронной шестерни |
HUB-RING GEAR, 12 SPEED |
2 |
|
21 |
9706079 |
Ступица венцовой шестерни |
HUB RING GEAR |
2 |
|
22 |
86010923 |
Стопорное кольцо |
RETAINING RING GEAR |
6 |
|
23 |
86000226 |
Болт 0.375NFX0.750 P&O |
BOLT JOURNAL 0.375NFX0.750 P&O |
12 |
|
24 |
9704727 |
Ступица L4wd |
HUB - WHEEL Casting Machined L4wd |
2 |
|
24 |
9705805 |
Ступица L4WD |
HUB - WHEEL, MACHINED CASTING, (L4WD) |
2 |
|
24 |
V78136 |
Ступица L4WD |
HUB-WHEEL, Machined Casting L4WD |
2 |
|
25 |
86050185 |
Кольцо подшипника наружное ID-127.0mm OD-182.5mmTh |
BEARING-CUP Sgl Taper ID-127.0mm OD-182.5mmThk-39.6mm |
4 |
|
25 |
9672524 |
Кольцо подшипника наружное 225.42ODX42.8THK |
BRG CUP 225.42ODX42.8THK |
4 |
|
26 |
86050184 |
Подшипник конический однорядный ID-127.0mm Thk-38 |
BEARING-CONE Sgl Taper ID-127.0mm Thk-38.1mm |
4 |
|
26 |
9672525 |
Подшипник конический 165.10IDX42.8THK |
BRG CONE 165.10IDX42.8THK |
4 |
|
27 |
9780074 |
Болт колеса |
BOLT WHEEL SERR SHANK |
32 |
|
28 |
9672314 |
Уплотнение ступицы колеса |
SEAL WHEEL HUB |
2 |
|
28 |
9672579 |
Уплотнение масляное внут. O7,84 х внеш. O10,23 х 0 |
SEAL OIL 7.84IDX10.23ODX0.61W |
2 |
|
29 |
86011281 |
Корпус полуоси, серия 80/82/84 + BVI |
TUBE-AXLE, CASTING, 80-82-84 & BVI Series, Low Hs/Pwr |
4 |
|
29 |
86012399 |
Корпус полуоси, 4WD |
TUBE-AXLE, STEEL MACHINED 4WD, Low-HorsePwr Only |
4 |
|
29 |
86012400 |
Корпус полуоси, длина 737мм, L4WD |
TUBE - AXLE, STEEL-Machined Lth-737.0mm, L4WD |
4 |
|
29 |
9704726 |
Труба полуоси |
AXLE TUBE |
4 |
|
29 |
9705792 |
Корпус полуоси, длина 675.5мм, L4WD |
TUBE - AXLE, CASTING-Machined Lth-675.5mm, L4WD |
4 |
|
30 |
86000859 |
Мост L4WD |
AXLE, MACHINED SHAFT L4WD |
4 |
|
30 |
86032703 |
Полуось короткая |
AXLE SHAFT HD SHORT |
4 |
|
30 |
86033782 |
Полуось, L4WD |
SHAFT - AXLE (Machined), L4WD |
4 |
|
30 |
9704957 |
Полуось, длина 1141мм L4WD |
SHAFT-AXLE, Lth-1141mm L4WD |
4 |
|
30 |
9706083 |
Полуось, длина 1080мм L4WD |
SHAFT-AXLE, Lth-1080mm L4wd; USE Prior to SN-301839 / 06-JAN-05 |
4 |
|
31 |
9672419 |
Шайба 16.00 x 28.00 x 3.00, Hdn, Bl, сталь |
WASHER - FLAT Steel, 16.00 x 28.00 x 3.00 Hdn Bl |
12 |
|
32 |
86050189 |
Винт 5/8"-11UNCх1.75 |
SCREW |
8 |
|
33 |
86002544 |
Маслоуказатель |
SIGHT GAGE LIQUID LEVEL |
1 |
|
34 |
14457281 |
Кольцо уплотнительное, |
O-RING,SEAL |
2 |
|
04A01 Мост ведущих колес | ||||
|
Поз |
Чертежный номер |
Наименование |
Description |
Кол- во |
|
внут.диам.15.54 толщина2.62 | ||||
|
35 |
44139 |
Винт с гексагональной головкой M30 x 120 10.9PL |
CAPSCREW, HexHd M30 x 120 10.9PL |
16 |
|
36 |
86015466 |
Шайба 1.25 X 2.25 X 0.156 |
WASHER 1.25 X 2.25 X 0.156 HDN |
32 |
|
37 |
86509266 |
Гайка шестигранная M30 класс 10 PL |
NUT HEX M30 CLASS 10 PL |
32 |
|
38 |
86050187 |
Контргайка полуоси |
WASHER LOCK AXLE TUBE SPL |
2 |
|
38 |
V60072 |
Шайба фиксирующая, |
WASHER-LOCK, HUB, AXLE TUBE |
2 |
|
39 |
86024124 |
Контргайка трубчатой балки оси |
LOCKNUT AXLE TUBE |
2 |
|
39 |
86050188 |
Контргайка |
NUT-LOCK, AXLE TUBE ASSY L4WD |
2 |
|
40 |
88557 |
Болт шестигранный 0.75 X 2.00GR5 PL |
BOLT HEX 0.75 X 2.00GR5 PL |
24 |
|
41 |
88556 |
Болт 0.62x2.25 Gr-5 Pl |
CAPSCREW - HexHead 0.62 x 2.25 Gr-5 Pl |
4 |
|
42 |
86002544 |
Маслоуказатель |
SIGHT GAGE LIQUID LEVEL |
1 |
|
42 |
9706802 |
Датчик уровня масла с фильтром |
GAGE-OIL LEVEL, With FILTER |
1 |
|
43 |
20864 |
Фитинг 5/16 х 1/8 |
COUPLING HOSE 5/16 X 1/8FNPT |
2 |
|
44 |
V100406 |
Рукав 0.312x680 |
HOSE, 0.312x680 |
1 |
|
45 |
20864 |
Фитинг 5/16 х 1/8 |
COUPLING HOSE 5/16 X 1/8FNPT |
2 |
|
46 |
229144 |
Фитинг 90°, 1/4NPT |
ELBOW, 90 STREET 1/4NPT |
1 |
|
47 |
86002555 |
Сапун 1/4 NPT |
VENT 1/4 NPT |
1 |
46
|
04B01 Крепление дифференциала в сборе | ||||
|
Поз |
Чертежный номер |
Наименование |
Description |
Кол- во |
|
1 |
86011964 |
Вилка 8С |
YOKE AND SLINGER ASSY 8C |
1 |
|
1 |
86025749 |
Вилка 1610 |
YOKE AND SLINGER ASSEMBLY 1610 |
1 |
|
2 |
86025293 |
Гайка шестигранная M42 x 1.5 -5H |
NUT-HEX PINION, M42 x 1.5 - 5H, DIFFERENTIAL ASSY |
1 |
|
3 |
86013419 |
Уплотнения и стопоры |
Seal and Retainer Assy. |
1 |
|
4 |
V107601 |
Болт |
CAPSCREW |
6 |
|
5 |
9672374 |
Шайба |
LOCKWASHER - CAGE Assy, DIFFERENTIAL CARRIER |
6 |
|
6 |
86025281 |
Дифференциал корпуса и колпачка в сборе |
DIFEERENTIAL - CAGE & CUP ASSY |
1 |
|
7 |
9672384 |
Кольцо подшипника наружное 140.03 OD X 23.52 THK |
BRG CUP 140.03 OD X 23.52 THK |
1 |
|
8 |
9672383 |
Кольцо подшипника наружное 123.8OD X 25.4THK |
BRG CUP 123.8OD X 25.4THK |
1 |
|
9 |
9672367 |
Прокладка шестерни |
SPACER PINION SHAFT BRG |
1 |
|
04B01 Крепление дифференциала в сборе | ||||
|
Поз |
Чертежный номер |
Наименование |
Description |
Кол- во |
|
10 |
9672376 |
Подшипник конический 53.92ID X 32.84 THK |
BRG CONE 53.92ID X 32.84 THK |
1 |
|
11 |
V57378 |
Комплект прокладок |
KIT - WASHER / SPACERS Includes V57383, V57384 & V57385 |
1 |
|
12 |
9672366 |
Подшипник конический 53.9ID X 32.77THK |
BRG CONE 53.9ID X 32.77THK |
1 |
|
13 |
86025262 |
Набор коронных шестерен и ведущих шестерен левый |
SET - DRIVE PINION & RING GEAR, LH Pinion Spiral |
1 |
|
13 |
86025263 |
Набор коронных шестерен и ведущих шестерен |
RING GEAR & DRIVE PINION SET |
1 |
|
13 |
86025264 |
Набор коронных шестерен и ведущих шестерен |
RING GEAR & DRIVE PINION SET |
1 |
|
13 |
86539514 |
Набор коронных шестерен и ведущих шестерен правый |
SET - DRIVE PINION & RING GEAR, RH Pinion Spiral, 41-Spline |
1 |
|
14 |
9672364 |
Подшипник 34.92IDX90.0OD |
BRG ASSY 34.92IDX90.0OD |
1 |
|
15 |
86013899 |
Опора |
KIT,CARRIER |
1 |
|
16 |
86516466 |
Обойма подшипника наружная |
BEARING, CUP |
1 |
|
17 |
708846 |
Обойма подшипника внутренняя |
BEARING-CONE, RH DIFF CARRIER ASSY |
1 |
|
18 |
9672362 |
Регулятор подшипника корпуса дифференциала л/п |
ADJUSTER, BEARING R/H, DIFF CARRIER |
1 |
|
19 |
86015880 |
Регулятор |
ADJUSTER |
1 |
|
20 |
V57453 |
Обойма подшипника внутренняя |
BEARING-CONE, LH DIFF CARRIER ASSY |
1 |
|
21 |
V57454 |
Обойма подшипника наружная |
BEARING-CUP, LH DIFF CARRIER ASSY |
1 |
|
22 |
V57455 |
Регулятор |
ADJUSTER |
1 |
|
23 |
9672358 |
Шплинт |
COTTERPIN, SPLIT LOCK, DIFFERENTIAL CARRIER |
2 |
|
24 |
NS |
Левая боковина в сборе |
Side Assembly - L.H., Years: 01/01/1981-12/31/1984 |
2 |
|
25 |
V57459 |
Ось |
SHAFT |
1 |
|
26 |
V57456 |
Палец |
PIN |
1 |
|
26A |
NSS |
Отдельно не продается |
Not Sold Separately |
1 |
|
26B |
NSS |
Отдельно не продается |
Not Sold Separately |
1 |
|
27 |
597961 |
Пружина |
SEAL SPRING ASSY |
1 |
|
28 |
V109639 |
Болт |
STUD |
2 |
|
29 |
V57457 |
Пробка |
PLUG |
1 |
|
30 |
513362 |
Заглушка |
Plug - Expansion Lower, Years: 01/01/1981-12/31/1984 |
1 |
|
31 |
NS |
Левая боковина в сборе |
Side Assembly - L.H., Years: 01/01/1981-12/31/1984 |
2 |
|
32 |
9672356 |
Шайба упорная |
WASHER-THRUST, SIDE GEAR |
2 |
|
33 |
9672355 |
Болт |
CAPSCREW - DIFFERENTIAL CASE ASSY |
12 |
|
34 |
9673054 |
Комплект корпуса дифференциала L4WD |
KIT-DIFFERENTIAL, CASE & SCREWS L4WD |
1 |
|
35 |
NS |
Левая боковина в сборе |
Side Assembly - L.H., Years: 01/01/1981-12/31/1984 |
4 |
|
36 |
9672353 |
Шайба |
WASHER - THRUST, SIDE PINION, DIFF |
4 |
|
04B01 Крепление дифференциала в сборе | ||||
|
Поз |
Чертежный номер |
Наименование |
Description |
Кол- во |
|
CARRIER | ||||
|
37 |
NS |
Левая боковина в сборе |
Side Assembly - L.H., Years: 01/01/1981-12/31/1984 |
1 |
|
38 |
NS |
Левая боковина в сборе |
Side Assembly - L.H., Years: 01/01/1981-12/31/1984 |
1 |
|
39 |
V57449 |
Шайба |
WASHER |
1 |
|
40 |
V57450 |
Болт |
CAPSCREW |
2 |
|
41 |
V57451 |
Регулятор |
ADJUSTER |
1 |
|
42 |
V57452 |
Полуось |
CLUTCH |
1 |
|
43 |
V57464 |
Привод |
PLATE |
1 |
|
44 |
V57465 |
Кольцо |
RING |
1 |
|
45 |
86000654 |
Комплект пружин |
KIT,SPRING |
1 |
|
46 |
86000656 |
Болт и гайка |
KIT,BOLTS |
1 |
|
47 |
V57468 |
Диск прижимной |
PLATE |
1 |
|
48 |
V57469 |
Корпус |
Case, Support, Gear |
1 |
|
49 |
86000655 |
Комплект фрикционных дисков |
KIT, FRICTION PLATE |
1 |
|
50 |
50456 |
Гайка G5 7|16''-20 |
NUT, HEX 0.438NF GR5 PL |
2 |
|
51 |
V109640 |
Шайба |
WASHER |
2 |
|
52 |
V109638 |
Втулка |
BUSHING-DOWEL, DIFF CARRIER ASSY |
2 |
|
53 |
86025292 |
Шайба |
WASHER - PINION NUT, DIFFERENTIAL ASSY |
1 |
|
54 |
9672369 |
Прокладка толщина 0,020 |
SHIM 0.020 IN THICK |
AR |
|
54 |
9672370 |
Прокладка толщина 0,010 |
SHIM 0.010 IN THICK |
AR |
|
54 |
9672371 |
Прокладка толщина 0,005 |
SHIM 0.005 IN THICK |
AR |
|
54 |
9672372 |
Прокладка толщина 0,003 |
SHIM 0.003 IN THICK |
AR |
|
55 |
86013444 |
Болт |
CAPSCREW - CARRIER CUP RETAINER, DIFFERENTIAL |
4 |
|
56 |
V78648 |
Комплект шестерен полуосей и сателлитов |
KIT, SIDE GEARS & PINION OPERATOR, DIFF |
AR |
|
57 |
86000678 |
Набор боковых шестерен дифференциала |
KIT, DIFF L SIDE GEARS |
AR |
|
58 |
86000677 |
Ремонтный комплект дифференциала |
KIT - BASIC OVERHAUL, DIFFERENTIAL |
AR |
|
59 |
V19557 |
Шайба плоская |
WASHER-FLAT, DIFFERENTIAL CARRIER |
4 |
|
61 |
86025319 |
Комплект уплотнений |
KIT, OIL SEAL |
AR |
|
62 |
V57472 |
Кольцо |
RING |
1 |
|
63 |
86013900 |
Комплект фрикционных дисков |
KIT,FRICTION PLT |
AR |
|
86011956 |
Водило правое |
DIFFERENTIAL - CARRIER ASSY 23430, R/H W12Spd / Diff-Lk | ||
|
86011957 |
Водило левое |
DIFFERENTIAL - CARRIER ASSY 23430 L/H Spiral | ||
|
86011960 |
Водило правое косозубое |
DIFFERENTIAL - CARRIER ASSY, 23430 R/H Spiral | ||
|
86011961 |
Водило левое косозубое |
DIFFERENTIAL - CARRIER ASSY, 23430 L/H Spiral | ||
|
UNKNOWN |
Главный тормозной цилиндр |
Master Brake Cylinder - See Breakdown This Section 1.5 OD, Years: 01/01/1982-12/31/1984 | ||
|
04B02 Главная передача ведущего моста | ||||
|
Поз |
Чертежный номер |
Наименование |
Description |
Кол- во |
|
1 |
86025293 |
Гайка шестигранная M42 x 1.5 -5H |
NUT-HEX PINION, M42 x 1.5 - 5H, DIFFERENTIAL ASSY |
1 |
|
2 |
86011964 |
Вилка 8С |
YOKE AND SLINGER ASSY 8C |
1 |
|
2 |
86025749 |
Вилка 1610 |
YOKE AND SLINGER ASSEMBLY 1610 |
1 |
|
3 |
86013419 |
Уплотнения и стопоры |
Seal and Retainer Assy. |
1 |
|
4 |
9672376 |
Подшипник конический 53.92ID X 32.84 THK |
BRG CONE 53.92ID X 32.84 THK |
1 |
|
5 |
86025281 |
Дифференциал корпуса и колпачка в сборе |
DIFEERENTIAL - CAGE & CUP ASSY |
1 |
|
6 |
9672383 |
Кольцо подшипника наружное 123.8OD X 25.4THK |
BRG CUP 123.8OD X 25.4THK |
1 |
|
7 |
9672384 |
Кольцо подшипника наружное 140.03 OD X 23.52 THK |
BRG CUP 140.03 OD X 23.52 THK |
1 |
|
8 |
9672366 |
Подшипник конический 53.9ID X 32.77THK |
BRG CONE 53.9ID X 32.77THK |
1 |
|
9 |
V57378 |
Комплект прокладок |
KIT - WASHER / SPACERS Includes V57383, V57384 & V57385 |
1 |
|
10 |
V107601 |
Болт |
CAPSCREW |
6 |
|
11 |
9672374 |
Шайба |
LOCKWASHER - CAGE Assy, DIFFERENTIAL CARRIER |
6 |
|
12 |
86025262 |
Набор коронных шестерен и ведущих шестерен левый |
SET - DRIVE PINION & RING GEAR, LH Pinion Spiral |
1 |
|
04B02 Главная передача ведущего моста | ||||
|
Поз |
Чертежный номер |
Наименование |
Description |
Кол- во |
|
12 |
86025263 |
Набор коронных шестерен и ведущих шестерен |
RING GEAR & DRIVE PINION SET |
1 |
|
12 |
86025264 |
Набор коронных шестерен и ведущих шестерен |
RING GEAR & DRIVE PINION SET |
1 |
|
12 |
86539514 |
Набор коронных шестерен и ведущих шестерен правый |
SET - DRIVE PINION & RING GEAR, RH Pinion Spiral, 41-Spline |
1 |
|
13 |
9672364 |
Подшипник 34.92IDX90.0OD |
BRG ASSY 34.92IDX90.0OD |
1 |
|
14 |
86013016 |
Опора с крышкой |
KIT - CARRIER & CAPS, DIFFERENTIAL ASSY |
1 |
|
15 |
NSS |
Отдельно не продается |
Not Sold Separately |
4 |
|
16 |
9672353 |
Шайба |
WASHER - THRUST, SIDE PINION, DIFF CARRIER |
4 |
|
17 |
NSS |
Отдельно не продается |
Not Sold Separately |
2 |
|
18 |
9672356 |
Шайба упорная |
WASHER-THRUST, SIDE GEAR |
2 |
|
19 |
NSS |
Отдельно не продается |
Not Sold Separately |
1 |
|
20 |
9672577 |
Корпус дифференциала |
KIT-DIFFERENTIAL SPIDER CASE ASSY |
1 |
|
21 |
9672355 |
Болт |
CAPSCREW - DIFFERENTIAL CASE ASSY |
12 |
|
22 |
9672362 |
Регулятор подшипника корпуса дифференциала л/п |
ADJUSTER, BEARING R/H, DIFF CARRIER |
1 |
|
23 |
9672346 |
Регулятор дифференциального подшипника левого |
ADJUSTER - DIFFERENTIAL BREARING LH L4WD |
1 |
|
24 |
86015880 |
Регулятор |
ADJUSTER |
2 |
|
25 |
86013444 |
Болт |
CAPSCREW - CARRIER CUP RETAINER, DIFFERENTIAL |
4 |
|
26 |
V19557 |
Шайба плоская |
WASHER-FLAT, DIFFERENTIAL CARRIER |
4 |
|
27 |
NSS |
Отдельно не продается |
Not Sold Separately |
2 |
|
28 |
86516466 |
Обойма подшипника наружная |
BEARING, CUP |
1 |
|
29 |
708846 |
Обойма подшипника внутренняя |
BEARING-CONE, RH DIFF CARRIER ASSY |
1 |
|
30 |
9672348 |
Подшипник конический 85.66ID X 41.3THK |
BRG CONE 85.66ID X 41.3THK |
1 |
|
31 |
9672347 |
Кольцо подшипника наружное 146.05OD X 31.64THK |
BRG CUP 146.05OD X 31.64THK |
1 |
|
32 |
86000657 |
Комплект болтов и гаек |
KIT - BOLT W/ Nuts, GEAR to CASE, DIFFERENTIAL |
1 |
|
33 |
9672358 |
Шплинт |
COTTERPIN, SPLIT LOCK, DIFFERENTIAL CARRIER |
2 |
|
34 |
9672367 |
Прокладка шестерни |
SPACER PINION SHAFT BRG |
1 |
|
35 |
9672369 |
Прокладка толщина 0,020 |
SHIM 0.020 IN THICK |
AR |
|
35 |
9672370 |
Прокладка толщина 0,010 |
SHIM 0.010 IN THICK |
AR |
|
35 |
9672371 |
Прокладка толщина 0,005 |
SHIM 0.005 IN THICK |
AR |
|
35 |
9672372 |
Прокладка толщина 0,003 |
SHIM 0.003 IN THICK |
AR |
|
36 |
V109638 |
Втулка |
BUSHING-DOWEL, DIFF CARRIER ASSY |
2 |
|
37 |
V78649 |
Комплект шестерен полуосей, сателлитов |
KIT-DIFFERENTIAL, W/ PINION, SPIDER,SIDE GEARS |
AR |
|
38 |
86000678 |
Набор боковых шестерен дифференциала |
KIT, DIFF L SIDE GEARS |
AR |
|
39 |
86025291 |
Набор для ремонта шестерен и опор |
KIT PINION & CARRIER OVERHAUL |
AR |
|
40 |
86025294 |
Болт |
SCREW |
1 |
|
04B02 Главная передача ведущего моста | ||||
|
Поз |
Чертежный номер |
Наименование |
Description |
Кол- во |
|
41 |
86025311 |
Гайка М24х2 |
NUT - JAM M24 - 2, DIFFERENTIAL CARRIER ASSY |
1 |
|
43 |
86025292 |
Шайба |
WASHER - PINION NUT, DIFFERENTIAL ASSY |
1 |
|
86011954 |
Дифференциал 23130 правый |
DIFF ASSY 23130 RH | ||
|
86011955 |
Дифференциал 23130 левый |
DIFF ASSY 23130 LH | ||
|
86011958 |
Дифференциал 23130 RHSPR SP |
DIFF ASSY 23130 RHSPR SP | ||
|
86011959 |
Дифференциал |
DIFFERENTIAL - CARRIER ASSY, FRONT L/H Spiral | ||
|
86025288 |
Комплект уплотнений и прокладок |
KIT,SEAL & SH |
AR | |
|
UNKNOWN |
Главный тормозной цилиндр |
Master Brake Cylinder - See Breakdown This Section 1.5 OD, Years: 01/01/1982-12/31/1984 | ||
|
07A04 Привод механизма отбора мощности, МКПП | ||||
|
Поз |
Чертежный номер |
Наименование |
Description |
Кол- во |
|
1 |
86000300 |
Муфта в сборе |
PTO Clutch Assy (See Fig. 07B02 for breakdown) - BLUE |
1 |
|
1 |
86027878 |
Муфта в сборе |
PTO Clutch Assy (See Fig. 07B02 for breakdown) - RED |
1 |
|
2 |
86028081 |
Редуктор в сборе, L4WD |
DROPBOX - PTO ASSY, L4WD (Red) |
1 |
|
2 |
9707396 |
Редуктор |
PTO Drop Box Assy - BLUE (See Fig. 07B03 for breakdown) |
1 |
|
3 |
86000226 |
Болт 0.375NFX0.750 P&O |
BOLT JOURNAL 0.375NFX0.750 P&O |
16 |
|
4 |
86001006 |
Вал карданный в сборе, серия 1550 |
DRIVESHAFT ASSY, 1550 Series (Old Blue) |
1 |
|
4 |
86027864 |
Вал карданный в сборе, серия 1550 |
DRIVESHAFT ASSY, 1550 Series RED |
1 |
|
07A04 Привод механизма отбора мощности, МКПП | ||||
|
Поз |
Чертежный номер |
Наименование |
Description |
Кол- во |
|
5 |
86001007 |
Вал карданный в сборе, серия 1550 |
DRIVESHAFT ASSY, 1550 Series (Old Blue) |
1 |
|
5 |
86027865 |
Вал карданный в сборе, длина 1108мм, серия 1550 |
DRIVESHAFT ASSY, Install Lth-1108mm, 1550 Series RED |
1 |
|
6 |
86000302 |
Кронштейн |
BRACKET - PTO SHIELD MOUNT , CLUTCH |
1 |
|
6 |
86027879 |
Кронштейн |
BRACKET PTO SHIELD MT CLUTCH |
1 |
|
7 |
86000301 |
Кронштейн |
BRACKET - PTO SHIELD MOUNT - 12 SPEED |
1 |
|
7 |
86028113 |
Кронштейн |
Bracket, PTO Shield Mount - RED |
1 |
|
8 |
86000288 |
Защитный кожух |
SHIELD - PTO, DRIVELINE |
1 |
|
8 |
86030715 |
Защитный кожух |
SHIELD - PTO DRIVELINE, W/A , RED |
1 |
|
9 |
86027869 |
Экран |
Shield, Front, PTO Box - RED |
1 |
|
9 |
9700780 |
Экран |
SHIELD, PTO DROP BOX WA |
1 |
|
10 |
86027870 |
Экран |
Shield, PTO Drop Box - RED |
1 |
|
10 |
9700783 |
Экран |
SHIELD - PTO DROPBOX, BLUE |
1 |
|
11 |
86000290 |
Экран |
SHIELD, PTO DRIVELINE |
1 |
|
11 |
86030358 |
Щит |
PLATE-SHIELD, PTO DRIVELINE |
1 |
|
12 |
9672504 |
Кольцо диам.наруж. 50.8 внутр.25.4 толщина 20.3 |
SPACER - STEEL, PTO MOUNT Id-25.4 Od-50.8 Thk-20.3 |
3 |
|
13 |
9701273 |
Шайба 0.10 |
SHIM, 0.10 TRANSFER CASE MOUNTING |
AR |
|
13 |
9701274 |
Шайба 0.25 |
SHIM, 0.25 TRANSFER CASE MOUNTING |
AR |
|
13 |
9701275 |
Шайба 0.50 |
SHIM, 0.5000 TRANSFER CASE MOUNTING |
AR |
|
14 |
9673032 |
Информационная табличка |
DECAL - PTO CAUTION |
1 |
|
15 |
86512261 |
Болт M12x60PL |
BOLT, HEX FLG USR M12x60PL |
1 |
|
16 |
9804268 |
Болт M12x40 Cl-8.8 |
CAPSCREW - HexHead Flanged, M12 x 40mm Cl-8.8 Pl |
4 |
|
17 |
43776 |
Болт CL 8.8, M12 x 1.75 x 30 |
Screw, Cap, Flg Hd, CL 8.8, M12 x 1.75 x 30 |
2 |
|
18 |
274247 |
Болт M10x16 |
CAPSCREW - HexHead Flanged, Usr M10 x 16 Pl |
4 |
|
19 |
51026 |
Болт M8x12 Cl-8.8 |
CAPSCREW - HexHead Flange, M8 x 12 Cl-8.8 Pl |
4 |
|
20 |
86012006 |
Контргайка с нейлоновой вставкой M12 класс 10 P |
NUT LOCK NYLON M12 CLASS10 P |
3 |
|
21 |
9672526 |
Контргайка 1.00NC GR5 PL |
NUT, LOCK NYLON 1.00NC GR5 PL |
3 |
|
22 |
9672325 |
Шайба, 0.530x2.000x0.120 PL |
WASHER, 0.530x2.000x0.120 PL |
2 |
|
23 |
87367 |
Шайба плоская герметизирующая |
WASHER - FLAT STEEL, Id-1.00 x Od-2.00 x Thk- 0.134in |
3 |
|
24 |
V79284 |
Шайба |
WASHER |
2 |
|
25 |
9672925 |
Накладка подшипника |
STRAP BEARING 1480 AND 1550 |
8 |
|
26 |
9706529 |
ВИЛКА РЫЧАГА СЕРИИ 1550 |
YOKE, END 1550 SERIES |
1 |
|
27 |
86001381 |
Прокладка внеш. O 2.90 X внутр. O 1.01 X 10.00LG |
SPACER 56.00ODX17.5IDX10.00LG |
1 |
|
28 |
V106543 |
Болт Gr-5, 0.625"-18UNFx1.25" |
CAPSCREW - HexHead Flange Gr-5, 0.625in - 18UNF x 1.25in |
1 |
|
29 |
44183 |
Шайба 13.00X24.00X2.5 HDN PL |
WASHER - STEEL Flat Hrd, Id-13.0 Od-24.0 Thk-2.5 Pl |
1 |
28
29
|
07A06a Задняя часть 1407 АКПП | ||||
|
Поз |
Чертежный номер |
Наименование |
Description |
Кол- во |
|
1 |
86026261 |
Клапан, 1407 КПП |
VALVE, PROPORTIONAL CARTRIDGE (1407 TRANS) |
10 |
|
2 |
86025926 |
Коллектор, 1407 КПП |
COLLECTOR Assy - OIL, PTO LUBE -1407 TRANSMISSION |
1 |
|
3 |
86025930 |
Уплотнение, 1407 КПП |
GASKET - COLLECTOR, PTO LUBE -1407 TRANSMISSION |
1 |
|
4 |
88206 |
Болт 0.38-16x1.00 Gr5 Pl |
CAPSCREW - HexHead, 0.38 - 16 x 1.00 Gr5 Pl |
32 |
|
5 |
9706040 |
Пробка 1/16 |
PLUG - PIPE 1/16, PwrShift TRANSMISSION Assy |
1 |
|
6 |
86026128 |
Хомут жгута |
STRAP - HARNESS to INPUT |
1 |
|
07A06a Задняя часть 1407 АКПП | ||||
|
Поз |
Чертежный номер |
Наименование |
Description |
Кол- во |
|
COLLECTOR, PwrShift TRANS | ||||
|
7 |
214389 |
Пробка 7/8, 3/4'' 16unf-2A |
PLUG, 7/8-HexHead 3/4in -16unf-2A |
1 |
|
8 |
128825 |
Кольцо уплотнительное 0.644 IDX0.087 THK BUNA |
O-RING Buna, Id-0.644 Thk-0.087 |
1 |
|
9 |
9706053 |
Болт 5/16 - 18 x 2.25 |
SCREW - Hex Socket Head 5/16 - 18 x 2.25 |
8 |
|
10 |
86025925 |
Пластина |
PLATE - DITCH, REGULATOR VALVE -PwrShift TRANS |
1 |
|
11 |
86025924 |
Уплотнение, АКПП |
GASKET - DITCH PLATE, PwrShift TRANSMISSION |
1 |
|
12 |
86025921 |
Крышка |
COVE - VALVE BODY, PwrShift TRASNMISSION L4WD |
1 |
|
13 |
86025922 |
Уплотнение крышки клапана, 1407 АКПП |
GASKET - VALVE BODY COVER -1407 PwrShift TRANS |
1 |
|
14 |
82039 |
Болт 3/8''-16x1.25 |
CAPSCREW - Hex Socket Head, 3/8 - 16 x 1.25 |
8 |
|
15 |
84882 |
Пробка 9/16 - 18 |
PLUG - HexHead, O-RING BOSS 9/16 -18 |
2 |
|
16 |
9617873 |
Кольцо уплотнительное 9/16 IDX11/16 THK NITRI |
O-RING, 90-Duro Id-0.468 Thk-0.078in |
4 |
|
17 |
86025920 |
Клапан-регулятор, 1407 АКПП |
VALVE - REGULATOR, 1407 PwrShift TRANSMISSION |
1 |
|
18 |
86025923 |
Уплотнение корпуса клапана, 1407 АКПП |
GASKET - VALVE BODY 1407-PwrShift TRANSMISSION |
1 |
|
19 |
87872 |
Болт 5/16''-18x0.75'' Gr-5 |
CAPSCREW - HexHead, 5/16 - 18 x 0.75 Gr-5 Pl |
8 |
|
20 |
86026130 |
Хомут жгута |
STRAP - HARNESS to 86026130 COLLECTOR, PwrShift TRANS |
1 |
|
21 |
V73962 |
Пробка 7/16-20 |
PLUG - PIPE, 7/16 - 20 |
2 |
|
22 |
165202 |
Кольцо уплотнительное вн. O 0.351 X толщина 0.072 |
O RING 0.351 IDX0.072 THK BUNA |
2 |
|
22 |
165202 |
Кольцо уплотнительное вн. O 0.351 X толщина 0.072 |
O RING 0.351 IDX0.072 THK BUNA |
5 |
|
23 |
86025931 |
Клапан гидравлический 1407 АКПП |
VALVE - HYDRAULIC Fema Assy, 1407 PwrShift TRANSMISSION |
1 |
|
24 |
86025929 |
Уплотнение клапана, 1407 АКПП |
GASKET - Fema VALVE Assy 86025931, 1407 PwrShift TRANS |
1 |
|
25 |
280259 |
Болт 3/8-16x2.50 |
CAPSCREW - HexHead 3/8 - 16 x 2.50 |
5 |
|
26 |
9672438 |
Пробка 7/16 - 20 |
PLUG - HexHead 7/16 - 20 |
3 |
|
27 |
V73950 |
Пробка 9/16 - 18 |
PLUG, 9/16 - 18 |
2 |
|
28 |
9672939 |
Пробка 1.625-12 |
PLUG - HexHead, W/ O-RING BOSS 1.625 - 12 |
2 |
|
29 |
570186 |
Кольцо уплотнительное 1.60 IDX1.88 THK NITR |
O-RING - NITRILE ID-1.475in Thk-0.118in 90 Duro |
2 |
|
30 |
9673109 |
Болт 1/2-13х2.75 |
CAPSCREW - 12Pt-Head, 1/2 - 13 x 2.75 |
4 |
|
31 |
272380 |
Уплотнительное кольцо, внут.диам.1.859'' толщина 0.14'' |
O-RING, Type-225 70-Nbr Id-1.859 Thk-0.14 |
1 |
|
32 |
86025918 |
Всасывающий патрубок, 1407 АКПП |
TUBE - SUCTION, LUBE SYSTEM - 1407 PwrShift TRANS |
1 |
|
07A06a Задняя часть 1407 АКПП | ||||
|
Поз |
Чертежный номер |
Наименование |
Description |
Кол- во |
|
33 |
86025937 |
Стекло смотровое уровня масла 1407 КПП |
GAUGE - SIGHT GLASS, LIQUID LEVEL (1407 Transmission) |
1 |
|
34 |
86025928 |
Сальник коллектора для 86025927 1407 силовой тран |
GASKET - for 86025927 COLLECTOR, 1407 PwrShift TRANS |
1 |
|
35 |
86025927 |
Коллектор масляный в сборе, 1407, трансмиссия |
COLLECTOR Assy - OIL, 1407 TRANSMISSION |
1 |
|
36 |
167268 |
Кольцо уплотнительное HYD/F 1.171ID X 0.116TH |
O-RING, HYDRAULIC FITTINGS, Id-1.171in Thk-0.116in |
1 |
|
37 |
273916 |
Пробка 1 5/16-12 1407 КПП |
PLUG - VALVE 1 5/16 - 12 (1407 TRANSMISSION) |
1 |
|
38 |
86025930 |
Уплотнение, 1407 КПП |
GASKET - COLLECTOR, PTO LUBE -1407 TRANSMISSION |
2 |
|
39 |
86026080 |
Коллектор, 1407 КПП |
COLLECTOR Assy - 1407 TRANSMISSION |
1 |
|
40 |
86026093 |
Переноска |
PICK UP ASSY MAGNETIC |
2 |
|
41 |
86025936 |
Колпачок, 1407 АКПП |
GUARD - MAGNETIC PICKUP, 1407 PwrShift TRANS |
1 |
|
42 |
88574 |
Болт 5/16-18x0.50 |
CAPSCREW - HexHead 5/16 - 18 x 0.50 |
2 |
|
43 |
86026129 |
Хомут жгута |
STRAP - HARNESS to MAGNETIC PICKUP GUARD, 1407 TRANS |
1 |
For repair or replacement contact:
Palmer Johnson Distributors Inc. 4410 Duraform Lane Windsor Wl 53590
Service Manager: Joe Swarts Tel: (608)846-9208 Fax: (608) 846-9255
TO
FRONT
AXLE
|
07A08 Привод 1407 АКПП | ||||
|
Поз |
Чертежный номер |
Наименование |
Description |
Кол- во |
|
1 |
86017552 |
1407 АКПП |
TRANSMISSION ASSY, 1407 Power Shift With 1610 |
1 |
|
2 |
86017513 |
Фланец DYNAFLEX 600 SER |
COUPLING ASSY DYNAFLEX 600 SER |
1 |
|
2 |
86017514 |
Фланец DYNAFLEX 400 SER |
COUPLING ASSY DYNAFLEX 400 SER |
1 |
|
2 |
86017515 |
Фланец |
COUPLING - DYNAFLEX 600-Series, Mdl 2240 |
1 |
|
3 |
86027862 |
Вал карданный, серия 1610 |
DRIVESHAFT ASSY 1610 SERIES |
1 |
|
4 |
86028084 |
Карданный вал, серия 1610 |
DRIVESHAFT - 1610 SERIES |
1 |
|
5 |
86027858 |
Вал карданный, серия 1610 |
DRIVESHAFT ASSY 1610 SERIES |
1 |
|
6 |
86029973 |
Вал карданный в сборе, длина 840мм, серия 1610 |
DRIVESHAFT ASSY 1610 Series, Installed Lth-840mm ( Red ) |
1 |
|
7 |
9706530 |
СКОБА |
СКОБА |
1 |
|
07A08 Привод 1407 АКПП | ||||
|
Поз |
Чертежный номер |
Наименование |
Description |
Кол- во |
|
8 |
V88469 |
Кронштейн карданного вала 1610 |
STRAP-STEEL, YOKE-BEARING RETAINER, 1610 DRIVELINES |
12 |
|
9 |
86000226 |
Болт 0.375NFX0.750 P&O |
BOLT JOURNAL 0.375NFX0.750 P&O |
24 |
|
10 |
86030729 |
Кронштейн |
BRACKET - LOWER TRANS MOUNT FRONT (1407 PS) |
1 |
|
11 |
86030730 |
Кронштейн |
BRACKET - LOWER TRANS MOUNT REAR (1407 PS) |
1 |
|
12 |
9704762 |
Кольцо |
SPACER |
2 |
|
13 |
9704764 |
Втулка внутр.диам. 25.4мм, длина 43.0, резина |
SLEEVE - RUBBER, Id-25.4 Lth-43.0mm, TRANS MOUNTING |
2 |
|
14 |
86027871 |
Кронштейн, L4WD |
BRACKET W/A - MOUNT, TRANSMISSION (Red) L4WD |
1 |
|
15 |
86018363 |
Уплотнитель, креп.4 болтами, внутр. O 55,50 |
BRG ASSY 4 BOLT FLG 55.50 ID |
1 |
|
16 |
9704761 |
Резиновая прокладка крепления трансмиссии |
PAD - RUBBER, TRANSMISSION MOUNT |
4 |
|
17 |
V60614 |
Изолятор |
ISOLATOR - RUBBER, TRANSMISSION MOUNT |
4 |
|
18 |
V106543 |
Болт Gr-5, 0.625"-18UNFx1.25" |
CAPSCREW - HexHead Flange Gr-5, 0.625in - 18UNF x 1.25in |
1 |
|
19 |
280410 |
Винт с гексагональной головкой 0.44 x 1.00 Gr8 Pl |
CAPSCREW - HexHead, 0.44 x 1.00 Gr8 Pl |
8 |
|
20 |
88062 |
Болт Gr-5 0.625"-11x1.50" |
CAPSCREW - HexHead Gr-5 Pl 0.625in -11 x 1.50in |
10 |
|
21 |
280210 |
Болт G5 3/4"-10x4" |
CAPSCREW - HexHead 0.75 x 4.00 Gr-5 Pl |
6 |
|
22 |
120091 |
Болт M16x2x60 Cl-8.8 |
CAPSCREW - HexHead, Cl-8.8 M16 x 2 x 60 Pl |
4 |
|
23 |
280853 |
Болт G8 0.50х1.25 |
CSHH G8 P .50X1.25 86505346 |
8 |
|
24 |
86534279 |
Гайка шестигранная FLG 0.75 10 GR8 PL |
NUT HEX FLG 0.75 10 GR8 PL |
6 |
|
25 |
86012007 |
Контргайка с нейлоновой вставкой M16 CLASS10 P |
NUT LOCK NYLON M16 CLASS10 P |
4 |
|
26 |
44183 |
Шайба 13.00X24.00X2.5 HDN PL |
WASHER - STEEL Flat Hrd, Id-13.0 Od-24.0 Thk-2.5 Pl |
8 |
|
27 |
V44253 |
Шайба 17.00 x 30.00 x 3.00 Hdn Pl, сталь |
WASHER - FLAT Steel, 17.00 x 30.00 x 3.00 Hdn Pl |
14 |
|
28 |
44183 |
Шайба 13.00X24.00X2.5 HDN PL |
WASHER - STEEL Flat Hrd, Id-13.0 Od-24.0 Thk-2.5 Pl |
8 |
|
29 |
9671405 |
ШАЙБА |
ШАЙБА |
1 |
|
30 |
86503612 |
Шайба 21.00X37.00X3.00 HDN |
WASHER 21.00X37.00X3.00 HDN |
6 |
|
31 |
86050249 |
Стальная шайба 0.781 |
WASHER STEEL 0.781 |
12 |
|
32 |
9706859 |
Кольцо уплотнительное |
GUARD - DRIVELINE, TRANSMISSION INPUT (Black) L4WD |
1 |
|
33 |
9706860 |
Опора карданного вала |
STRAP - GUARD, DRIVELINE ( Black ) |
1 |
|
34 |
86512260 |
Болт шестигранный FLG USR M12 X 50 PL |
BOLT HEX FLG USR M12 X 50 PL |
4 |
|
35 |
43436 |
Гайка M12 Usr Pl |
NUT - Hex Flange M12 Usr Pl |
4 |
|
36 |
9672899 |
Диск тормозной 508x19 |
ROTOR, DISC BRAKE 508x19 |
1 |
|
37 |
87689 |
Болт шестигранный 0.50 X 1.50GR5 |
BOLT HEX 0.50 X 1.50GR5 PL |
8 |
|
07A08 Привод 1407 АКПП | ||||
|
Поз |
Чертежный номер |
Наименование |
Description |
Кол- во |
|
PL | ||||
|
38 |
86002135 |
Масляный насос КПП |
PUMP - TRANSMISSION LUBRICATION, PwrShift |
1 |
|
39 |
866855 |
Комплект уплотнений |
Kit, Seals, Trans. Lubrication Pump |
AR |
|
40 |
86025918 |
Всасывающий патрубок, 1407 АКПП |
TUBE - SUCTION, LUBE SYSTEM - 1407 PwrShift TRANS |
1 |
|
42 |
86026773 |
Комплект уплотнений |
KIT, O-RING, SOLENOID VALVE |
9 |
|
43 |
9700053 |
Раздаточная коробка 1402 АКПП |
TRANSFER CASE - W/Pto Assy, 1402 PwrShift |
1 |
|
44 |
9700784 |
Уплотнение |
GASKET, PTO TRANSFER CASE |
1 |
|
45 |
274251 |
Болт шестигранный FLG USR M10 X 25 PL |
BOLT HEX FLG USR M10 X 25 PL |
6 |
|
46 |
86025937 |
Стекло смотровое уровня масла 1407 КПП |
GAUGE - SIGHT GLASS, LIQUID LEVEL (1407 Transmission) |
1 |
|
86026261 |
Клапан, 1407 КПП |
VALVE, PROPORTIONAL CARTRIDGE (1407 TRANS) |
9 | |
ТО FRONT AXLE 12 11
9703503
9704301
86000306
86000387
|
07A12 Привод 12 МКПП | ||||
|
Поз |
Чертежный номер |
Наименование |
Description |
Кол- во |
|
1 |
86025252 |
МКПП с ВОМ L4WD |
TRANSMISSION-W/Pto, 5th-Gen Type-2, SYNCHRO L4WD |
1 |
|
1 |
86025253 |
МКПП без ВОМ L4WD |
TRANSMISSION-Less/Pto, 5th-Gen Type-2, SYNCHRO L4WD |
1 |
|
1 |
86032586 |
Коробка передач в сборе SYN TM78 12-ти скоростная |
TRANS ASSY 12SPD SYN TM78 |
1 |
|
2 |
86017513 |
Фланец DYNAFLEX 600 SER |
COUPLING ASSY DYNAFLEX 600 SER |
1 |
|
2 |
86017514 |
Фланец DYNAFLEX 400 SER |
COUPLING ASSY DYNAFLEX 400 SER |
1 |
|
2 |
86017515 |
Фланец |
COUPLING - DYNAFLEX 600-Series, Mdl 2240 |
1 |
|
3 |
9706530 |
СКОБА |
СКОБА |
1 |
|
4 |
86001004 |
Карданный вал в сборе, серия 1610 (синий) |
DRIVESHAFT ASSY, 1610 Series (Blue) |
1 |
|
07A12 Привод 12 МКПП | ||||
|
Поз |
Чертежный номер |
Наименование |
Description |
Кол- во |
|
4 |
86027862 |
Вал карданный, серия 1610 |
DRIVESHAFT ASSY 1610 SERIES |
1 |
|
5 |
86028084 |
Карданный вал, серия 1610 |
DRIVESHAFT - 1610 SERIES |
1 |
|
5 |
9707104 |
Карданный вал в сборе, серия 1610 неокрашенный |
DRIVESHAFT ASSY - 1610 Series, Unpainted |
1 |
|
6 |
86027858 |
Вал карданный, серия 1610 |
DRIVESHAFT ASSY 1610 SERIES |
1 |
|
6 |
9704379 |
Карданный вал в сборе, серия 1610 |
DRIVESHAFT - ASSY, 1610 SERIES |
1 |
|
7 |
86027856 |
Вал карданный в сборе, серия 1610 |
DRIVESHAFT ASSY 1610 Series (RED) |
1 |
|
7 |
86027866 |
Вал карданный в сборе, длина 637мм, серия 1610 |
DRIVESHAFT ASSY, Install Lth 637mm, 1610 Series RED |
1 |
|
7 |
86029957 |
Вал карданный, серия 1610 535М |
DRIVESHAFT ASSY 1610 SER 535 M |
1 |
|
7 |
9704294 |
Карданный вал в сборе 1610 SERIES |
DRIVESHAFT ASSY 1610 Series (BLUE) |
1 |
|
8 |
9706530 |
СКОБА |
СКОБА |
1 |
|
9 |
9707250 |
Вилка рычага серии 1610 |
YOKE END 1610 SERIES |
1 |
|
10 |
86030622 |
Вилка карданного вала серии 1610 |
YOKE FLG BRAKEDISC 1610 SERIES |
1 |
|
11 |
V88469 |
Кронштейн карданного вала 1610 |
STRAP-STEEL, YOKE-BEARING RETAINER, 1610 DRIVELINES |
10 |
|
12 |
86000226 |
Болт 0.375NFX0.750 P&O |
BOLT JOURNAL 0.375NFX0.750 P&O |
24 |
|
13 |
9705891 |
Кронштейн КПП L4WD |
BRACKET - SIDE MOUNT, TRANSMISSION (Blue) L4WD |
1 |
|
14 |
9705231 |
Кронштейн |
BRACKET, TRANSMISSION MOUNT, LOWER (Blue) |
2 |
|
15 |
9704762 |
Кольцо |
SPACER |
2 |
|
16 |
9704764 |
Втулка внутр.диам. 25.4мм, длина 43.0, резина |
SLEEVE - RUBBER, Id-25.4 Lth-43.0mm, TRANS MOUNTING |
2 |
|
17 |
V88469 |
Кронштейн карданного вала 1610 |
STRAP-STEEL, YOKE-BEARING RETAINER, 1610 DRIVELINES |
2 |
|
18 |
86018363 |
Уплотнитель, креп. 4 болтами, внутр. O 55,50 |
BRG ASSY 4 BOLT FLG 55.50 ID |
1 |
|
19 |
9704761 |
Резиновая прокладка крепления трансмиссии |
PAD - RUBBER, TRANSMISSION MOUNT |
4 |
|
20 |
V60614 |
Изолятор |
ISOLATOR - RUBBER, TRANSMISSION MOUNT |
4 |
|
21 |
V106543 |
Болт Gr-5, 0.625"-18UNFx1.25" |
CAPSCREW - HexHead Flange Gr-5, 0.625in - 18UNF x 1.25in |
4 |
|
22 |
88747 |
Болт G5 3/4"-10x3.25" |
CAPSCREW - HexHead, Gr-5 Pl 0.75in - 10 x 3.25in |
2 |
|
23 |
88062 |
Болт Gr-5 0.625"-11x1.50" |
CAPSCREW - HexHead Gr-5 Pl 0.625in - 11 x 1.50in |
8 |
|
24 |
280210 |
Болт G5 3/4"-10x4" |
CAPSCREW - HexHead 0.75 x 4.00 Gr-5 Pl |
4 |
|
25 |
120091 |
Болт M16x2x60 Cl-8.8 |
CAPSCREW - HexHead, Cl-8.8 M16 x 2 x 60 Pl |
4 |
|
26 |
280853 |
Болт G8 0.50х1.25 |
CSHH G8 P .50X1.25 86505346 |
8 |
|
27 |
9707515 |
Болт G5 5/16"-18x1-3/4" |
CAP SCREW |
2 |
|
28 |
86534279 |
Гайка шестигранная FLG 0.75 10 GR8 PL |
NUT HEX FLG 0.75 10 GR8 PL |
6 |
|
29 |
86012007 |
Контргайка с нейлоновой вставкой M16 |
NUT LOCK NYLON M16 CLASS10 P |
4 |
|
07A12 Привод 12 МКПП | ||||
|
Поз |
Чертежный номер |
Наименование |
Description |
Кол- во |
|
CLASS10P | ||||
|
30 |
44183 |
Шайба 13.00X24.00X2.5 HDN PL |
WASHER - STEEL Flat Hrd, Id-13.0 Od-24.0 Thk-2.5 Pl |
17 |
|
31 |
V44253 |
Шайба 17.00 x 30.00 x 3.00 Hdn Pl, сталь |
WASHER - FLAT Steel, 17.00 x 30.00 x 3.00 Hdn Pl |
12 |
|
32 |
9671405 |
ШАЙБА |
ШАЙБА |
4 |
|
33 |
86503612 |
Шайба 21.00X37.00X3.00 HDN |
WASHER 21.00X37.00X3.00 HDN |
8 |
|
34 |
86050249 |
Стальная шайба 0.781 |
WASHER STEEL 0.781 |
10 |
|
35 |
9706859 |
Кольцо уплотнительное |
GUARD - DRIVELINE, TRANSMISSION INPUT (Black) L4WD |
1 |
|
36 |
9706860 |
Опора карданного вала |
STRAP - GUARD, DRIVELINE ( Black ) |
1 |
|
37 |
86512260 |
Болт шестигранный FLG USR M12 X 50 PL |
BOLT HEX FLG USR M12 X 50 PL |
4 |
|
38 |
43436 |
Гайка M12 Usr Pl |
NUT - Hex Flange M12 Usr Pl |
4 |
|
39 |
9672899 |
Диск тормозной 508x19 |
ROTOR, DISC BRAKE 508x19 |
1 |
|
40 |
87689 |
Болт шестигранный 0.50 X 1.50GR5 PL |
BOLT HEX 0.50 X 1.50GR5 PL |
8 |
|
41 |
86035430 |
Указатель уровня жидкости |
GAGE LIQUID LEVEL SIGHT |
1 |
|
41 |
9705718 |
Стекло смотровое уровня масла |
GAUGE - SIGHT, LIQUID LEVEL |
1 |
|
42 |
V55699 |
Датчик нейтрального положения рыгала переключения передач |
SWITCH - NEUTRAL SAFETY, 9/16-18NF |
2 |
|
07A14 Привод механизма отбора мощности, АКПП | ||||
|
Поз |
Чертежный номер |
Наименование |
Description |
Кол- во |
|
1 |
86000300 |
Муфта в сборе |
PTO Clutch Assy (See Fig. 07B02 for breakdown) - BLUE |
1 |
|
1 |
86027878 |
Муфта в сборе |
PTO Clutch Assy (See Fig. 07B02 for breakdown) - RED |
1 |
|
2 |
86028081 |
Редуктор в сборе, L4WD |
DROPBOX - PTO ASSY, L4WD (Red) |
1 |
|
2 |
9707396 |
Редуктор |
PTO Drop Box Assy - BLUE (See Fig. 07B03 for breakdown) |
1 |
|
3 |
86000226 |
Болт 0.375NFX0.750 P&O |
BOLT JOURNAL 0.375NFX0.750 P&O |
16 |
|
4 |
86001006 |
Вал карданный в сборе, серия 1550 |
DRIVESHAFT ASSY, 1550 Series (Old Blue) |
1 |
|
4 |
86027864 |
Вал карданный в сборе, серия 1550 |
DRIVESHAFT ASSY, 1550 Series RED |
1 |
|
5 |
86001007 |
Вал карданный в сборе, серия 1550 |
DRIVESHAFT ASSY, 1550 Series (Old Blue) |
1 |
|
5 |
86027865 |
Вал карданный в сборе, длина |
DRIVESHAFT ASSY, Install Lth-1108mm, |
1 |
|
07A14 Привод механизма отбора мощности, АКПП | ||||
|
Поз |
Чертежный номер |
Наименование |
Description |
Кол- во |
|
1108мм, серия 1550 |
1550 Series RED | |||
|
6 |
86000302 |
Кронштейн |
BRACKET - PTO SHIELD MOUNT , CLUTCH |
1 |
|
6 |
86027879 |
Кронштейн |
BRACKET PTO SHIELD MT CLUTCH |
1 |
|
7 |
86000369 |
Кронштейн |
BRACKET - PTO SHIELD MOUNT |
1 |
|
7 |
86030705 |
Кронштейн |
BRACKET - PTO SHIELD MOUNT (Red) |
1 |
|
8 |
86000288 |
Защитный кожух |
SHIELD - PTO, DRIVELINE |
1 |
|
8 |
86030715 |
Защитный кожух |
SHIELD - PTO DRIVELINE, W/A , RED |
1 |
|
9 |
86027869 |
Экран |
Shield, Front, PTO Box - RED |
1 |
|
9 |
9700780 |
Экран |
SHIELD, PTO DROP BOX WA |
1 |
|
10 |
86027870 |
Экран |
Shield, PTO Drop Box - RED |
1 |
|
10 |
9700783 |
Экран |
SHIELD - PTO DROPBOX, BLUE |
1 |
|
11 |
86000290 |
Экран |
SHIELD, PTO DRIVELINE |
1 |
|
11 |
86030358 |
Щит |
PLATE-SHIELD, PTO DRIVELINE |
1 |
|
12 |
9672504 |
Кольцо диам.наруж. 50.8 внутр.25.4 толщина 20.3 |
SPACER - STEEL, PTO MOUNT Id-25.4 Od-50.8 Thk-20.3 |
3 |
|
13 |
9701273 |
Шайба 0.10 |
SHIM, 0.10 TRANSFER CASE MOUNTING |
AR |
|
13 |
9701274 |
Шайба 0.25 |
SHIM, 0.25 TRANSFER CASE MOUNTING |
AR |
|
13 |
9701275 |
Шайба 0.50 |
SHIM, 0.5000 TRANSFER CASE MOUNTING |
AR |
|
14 |
9673032 |
Информационная табличка |
DECAL - PTO CAUTION |
1 |
|
15 |
86512261 |
Болт M12x60PL |
BOLT, HEX FLG USR M12x60PL |
1 |
|
16 |
9804268 |
Болт M12x40 Cl-8.8 |
CAPSCREW - HexHead Flanged, M12 x 40mm Cl-8.8 Pl |
4 |
|
17 |
43776 |
Болт CL 8.8, M12 x 1.75 x 30 |
Screw, Cap, Flg Hd, CL 8.8, M12 x 1.75 x 30 |
2 |
|
18 |
274247 |
Болт M10x16 |
CAPSCREW - HexHead Flanged, Usr M10 x 16 Pl |
4 |
|
19 |
51026 |
Болт M8x12 Cl-8.8 |
CAPSCREW - HexHead Flange, M8 x 12 Cl-8.8 Pl |
4 |
|
20 |
86012006 |
Контргайка с нейлоновой вставкой M12 класс 10 P |
NUT LOCK NYLON M12 CLASS10 P |
3 |
|
21 |
9672526 |
Контргайка 1.00NC GR5 PL |
NUT, LOCK NYLON 1.00NC GR5 PL |
3 |
|
22 |
9672325 |
Шайба, 0.530x2.000x0.120 PL |
WASHER, 0.530x2.000x0.120 PL |
2 |
|
23 |
87367 |
Шайба плоская герметизирующая |
WASHER - FLAT STEEL, Id-1.00 x Od-2.00 x Thk- 0.134in |
3 |
|
24 |
V79284 |
Шайба |
WASHER |
2 |
|
25 |
9672925 |
Накладка подшипника |
STRAP BEARING 1480 AND 1550 |
8 |
|
26 |
9706529 |
ВИЛКА РЫЧАГА СЕРИИ 1550 |
YOKE, END 1550 SERIES |
1 |
|
27 |
9672504 |
Кольцо диам.наруж. 50.8 внутр.25.4 толщина 20.3 |
SPACER - STEEL, PTO MOUNT Id-25.4 Od-50.8 Thk-20.3 |
1 |
|
28 |
V106543 |
Болт Gr-5, 0.625"-18UNFx1.25" |
CAPSCREW - HexHead Flange Gr-5, 0.625in - 18UNF x 1.25in |
1 |
|
29 |
44183 |
Шайба 13.00X24.00X2.5 HDN PL |
WASHER - STEEL Flat Hrd, Id-13.0 Od-24.0 Thk-2.5 Pl |
1 |
9700053
|
07B01 Раздаточная коробка механизма отбора мощности, АКПП | ||||
|
Поз |
Чертежный номер |
Наименование |
Description |
Кол- во |
|
1 |
9700054 |
Крышка левая |
HOUSING-L/H HALF, PTO TRANSFER CASE |
1 |
|
2 |
9700058 |
Шестерня, 35 зубьев |
GEAR 35 TOOTH, INPUT, PTO DROPBOX ASSY |
1 |
|
3 |
V16259 |
Подшипник шариковый диам.внутр.65 наруж.120 толщина 23мм |
BEARING-BALL, ID-65.0mm OD-120.0mm Thk-23mm |
4 |
|
4 |
9706544 |
Стопорное кольцо диам.4.75'' |
RING-RETAINING Int Dia-4.75in, FRONT AXLE SUPPORT |
1 |
|
5 |
9700587 |
Стопорное кольцо диам.1.76 |
RING, RETAINING EXT 1.76DIA |
1 |
|
6 |
9700057 |
Шестерня, 36 зубьев |
GEAR 36 TOOTH, OUTPUT, PTO DROPBOX ASSY |
1 |
|
7 |
9700284 |
Вторичный вал |
SHAFT - OUTPUT, PTO DROPBOX ASSY |
1 |
|
8 |
9780003 |
Штифт 8x40мм |
PIN, DOWEL 8x40mm HRD&GRD |
2 |
|
07B01 Раздаточная коробка механизма отбора мощности, АКПП | ||||
|
Поз |
Чертежный номер |
Наименование |
Description |
Кол- во |
|
9 |
9700283 |
Корпус, правая часть |
HOUSING R/H HALF |
1 |
|
10 |
9804265 |
Болт M10x1.5x60 Cl 8.8 |
CAPSCREW - HexHead FLANGE Cl-8.8 M10 x 1.50 x 60 Pl |
15 |
|
11 |
9704842 |
Шайба 0.25мм L4WD |
SHIM 0.25mm , END CAP, TRANSFER CASE L4WD |
2 |
|
11 |
9704843 |
Шайба 0.10мм L4WD |
SHIM 0.10mm , END CAP, TRANSFER CASE L4WD |
2 |
|
11 |
9704844 |
Шайба 0.05мм L4WD |
SHIM 0.05mm , END CAP, TRANSFER CASE L4WD |
2 |
|
12 |
9700422 |
Стакан |
CAP - END, TRANSFER CASE |
1 |
|
13 |
9804258 |
Болт M8x20 Cl-8.8 |
CAPSCREW, Hex-Head FLANGE, Cl-8.8 M8 x 20 Pl |
4 |
|
14 |
9790021 |
Сальник вилки |
SEAL-OIL, END YOKE, PTO TRANSFER CASE L4WD |
1 |
|
15 |
9700235 |
Вилка серия 1550 |
YOKE END, 1550 SERIES |
1 |
|
16 |
9702382 |
Шайба 0.10 |
SHIM, 0.100 YOKE MOUNT |
2 |
|
16 |
9702383 |
Шайба 0.25 |
SHIM, 0.25 YOKE MOUNT |
2 |
|
16 |
9702384 |
Шайба 0.10 |
SHIM .1000 YOKE MOUNT |
2 |
|
17 |
9671405 |
ШАЙБА |
ШАЙБА |
1 |
|
18 |
V106543 |
Болт Gr-5, 0.625"-18UNFx1.25" |
CAPSCREW - HexHead Flange Gr-5, 0.625in - 18UNF x 1.25in |
1 |
14
86027878
|
07B02 Муфта механизма отбора мощности | ||||
|
Поз |
Чертежный номер |
Наименование |
Description |
Кол- во |
|
1 |
86000299 |
Корпус муфты |
HOUSING, PTO CLUTCH MTG |
1 |
|
2 |
9700392 |
Втулка механизма отбора мощности |
SPACER - PTO Clutch |
1 |
|
3 |
9780033 |
Подшипник шариковый диам.внутр.55 наруж.100 толщина 21мм |
BEARING, BALL 55.00IDx100.0ODx21.00 |
2 |
|
4 |
86002003 |
Муфта |
CLUTCH - HYDRAULIC ASSY, 5.25 - 12 Plate |
1 |
|
5 |
9704845 |
Шайба 0.25мм L4WD |
SHIM 0.25mm , END CAP, PTO CLUTCH ASSY L4WD |
2 |
|
5 |
9704846 |
Шайба 0.10мм L4WD |
SHIM 0.10mm , END CAP, PTO CLUTCH ASSY L4WD |
2 |
|
5 |
9704847 |
Шайба 0.05мм L4WD |
SHIM 0.05mm , END CAP, PTO CLUTCH ASSY L4WD |
2 |
|
6 |
9700391 |
Крышка |
CAP - END PTO CLUTCH |
1 |
|
7 |
9790022 |
Сальник вилки |
SEAL-OIL, END YOKE, PTO CLUTCH ASSY L4WD |
2 |
|
07B02 Муфта механизма отбора мощности | ||||
|
Поз |
Чертежный номер |
Наименование |
Description |
Кол- во |
|
8 |
9671714 |
Болт шестигранный FLG M 8 X 25 8.8PL |
CAPSCREW - HexHead Flange 8.8Pl M8 x 25 |
4 |
|
9 |
9700254 |
Вилка серия 1500 |
YOKE END, 1500 SERIES |
2 |
|
10 |
510207 |
Уплотнительное кольцо внут.диам.1 3/4 толщина 3/16 |
O RING, 1 3/4IDx3/16THK |
2 |
|
11 |
9702382 |
Шайба 0.10 |
SHIM, 0.100 YOKE MOUNT |
AR |
|
11 |
9702383 |
Шайба 0.25 |
SHIM, 0.25 YOKE MOUNT |
AR |
|
11 |
9702384 |
Шайба 0.10 |
SHIM .1000 YOKE MOUNT |
AR |
|
12 |
9671405 |
ШАЙБА |
ШАЙБА |
2 |
|
13 |
V106543 |
Болт Gr-5, 0.625"-18UNFx1.25" |
CAPSCREW - HexHead Flange Gr-5, 0.625in - 18UNF x 1.25in |
2 |
|
14 |
9704873 |
Уплотнение муфты |
GASKET, PTO CLUTCH HOUSING |
1 |
|
15 |
9700055 |
Корпус муфты |
HOUSING - Machine Casting, PTO CLUTCH Assy |
1 |
|
16 |
9804262 |
Болт M10x30 Cl-8.8 |
CAPSCREW - HexHead Flanged, M10 x 30 Cl-8.8 Pl |
10 |
|
17 |
81834 |
Стержень 0.25x1.50 |
PIN, DOWEL 0.25x1.50 |
4 |
|
18 |
44468 |
Шарик диам.0.375'' |
BALL - STEEL Dia-0.375in Rc-60/65 |
4 |
|
19 |
9780004 |
Подшипник шариковый диам.внутр.55 наруж.100 толщина 21мм |
BEARING, BALL 55.00IDx100.0ODx21.00 |
1 |
|
20 |
9790531 |
Стопорное кольцо диам.2.16 |
RING, RETAINING EXT 2.16 DIA |
1 |
|
21 |
9704872 |
Уплотнение |
GASKET, PTO MANIFOLD |
1 |
|
22 |
9700360 |
Корпус коллектора |
HOUSING, PTO MANIFOLD |
1 |
07В03 Редуктор механизма отбора мощности. Model:2335 Универсальный полноприводный трактор - красными2/02
\ 6
|
07B03 Редуктор механизма отбора мощности | ||||
|
Поз |
Чертежный номер |
Наименование |
Description |
Кол- во |
|
1 |
9707397 |
Корпус редуктора |
HOUSING |
1 |
|
2 |
9672497 |
Шпилька, диам.1.0'', длина 4.50'' |
STUD-STEEL Threaded 8Unc-2A 2-Ends, Dia-1.0in Lth-4.50in |
3 |
|
3 |
86505943 |
Пробка 3/4NPTF |
PLUG, HEX 3/4NPTF |
1 |
|
4 |
163410 |
Пробка 1-1/16orb |
PLUG - HexHead With 167266 O-RING, 1-1/16orb |
1 |
|
5 |
86030726 |
Крышка редуктора нижняя |
COVER Weld Assy, BOTTOM PTO DROPBOX |
1 |
|
6 |
9706726 |
Болт 3/8''x16x1'' |
CAPSCREW - FLANGE LOCK, USR 3/8in x 16 x 1in |
18 |
|
7 |
9672327 |
Вторичный вал |
SHAFT-OUTPUT, PTO DROPBOX ASSY |
1 |
|
8 |
V48241 |
Шестерня, 43 зуба |
GEAR, SPUR 43 Tooth, PTO DROPBOX ASSY |
2 |
|
9 |
17370 |
Обойма подшипника наружная |
Cup, Bearing |
2 |
|
10 |
529523 |
Обойма внутренняя конического подшипника, диам.внут.1.75'' толщина 0.99'' |
CONE - BEARING Roller Taper Single, Id-1.75 Thk-0.99 |
2 |
|
11 |
9702538 |
Шайба 0.50 |
SHIM, 0.50 OUTPUT SHAFT |
2 |
|
11 |
9702539 |
Шайба 0.25 |
SHIM, 0.250 OUTPUT SHAFT |
2 |
|
07B03 Редуктор механизма отбора мощности | ||||
|
Поз |
Чертежный номер |
Наименование |
Description |
Кол- во |
|
11 |
9702541 |
Шайба 0.05 |
SHIM, 0.05 OUTPUT SHAFT |
2 |
|
11 |
9702542 |
Шайба 0.075 |
SHIM, 0.075 OUTPUT SHAFT |
2 |
|
12 |
9702535 |
Крышка |
COVER - CAP, OUTPUT SHAFT, PTO DROPBOX |
1 |
|
13 |
9790555 |
Шайба 0.469X0.750X0.095 HDN |
WASHER 0.469X0.750X0.095 HDN |
28 |
|
14 |
280410 |
Винт с гексагональной головкой 0.44 x 1.00 Gr8 Pl |
CAPSCREW - HexHead, 0.44 x 1.00 Gr8 Pl |
24 |
|
15 |
16275 |
Сальник |
Seal, Oil |
1 |
|
16 |
9702534 |
Крышка вторичного вала КПП |
COVER, CAP |
1 |
|
17 |
86028077 |
Экран |
SHIELD - PTO DROPBOX DRIVE (Red) |
1 |
|
18 |
280244 |
Болт Gr-5 7/16''-14x3/4 |
CAPSCREW - HexHead Gr-5, 7/16 x 14 x 3/4 Pl |
4 |
|
19 |
9672326 |
Вал промежуточный |
COUNTERSHAFT, PTO DROPBOX ASSY |
1 |
|
20 |
517511 |
Кольцо подшипника наружное 4.13ODX0.94THK |
BRG CUP 4.13ODX0.94THK |
4 |
|
21 |
9672496 |
Подшипник конический 44.45IDX30.16THK |
BRG CONE 44.45IDX30.16THK |
4 |
|
22 |
9672498 |
Прокладка крышки, 0.003'' |
GASKET - Shim Stock Steel 0.003, PTO DROPBOX BOX |
4 |
|
22 |
9672499 |
Прокладка крышки, 0.005'' |
GASKET - Shim Stock Steel 0.005, PTO DROPBOX BOX |
4 |
|
22 |
V48609 |
Прокладка крышки, 0.01'' |
GASKET, PTO BOX 0.01 |
4 |
|
22 |
V48610 |
Прокладка крышки, 0.02'' |
GASKET- STEEL, Shim Stock, PTO BOX Thk-0.020 mil tol |
4 |
|
23 |
9672486 |
Крышка |
CAP - COUNTERSHAFT |
2 |
|
24 |
9702537 |
Крышка подшипника |
CAP-BEARING, PTO DROPBOX |
1 |
|
25 |
9672438 |
Пробка 7/16 - 20 |
PLUG - HexHead 7/16 - 20 |
1 |
|
26 |
V48242 |
Первичный вал |
SHAFT-INPUT, PTO DROPBOX ASSY |
1 |
|
27 |
V48240 |
Шестерня, 21 зуб |
GEAR, SPUR 21 Tooth, PTO DROPBOX ASSY |
1 |
|
28 |
86508488 |
Уплотнение масляное внут. O2,38 х внеш. O3,35 х 0, |
SEAL OIL 2.38IDX3.35ODX0.44W |
4 |
|
29 |
9672485 |
Крышка подшипника |
BEARING - CAP PTO INPUT |
1 |
|
30 |
9700670 |
ВИЛКА РЫЧАГА СЕРИИ 1550 |
YOKE, END 1550 SERIES |
1 |
|
31 |
86050252 |
Шайба 1.312 x 2.250 x 0.12 Pl |
WASHER 1.312 x 2.250 x 0.12 Pl |
1 |
|
32 |
165916 |
Корончатая гайка 1.25 18unef |
NUT, SLOT HEX 1.25 18unef |
1 |
|
33 |
86523957 |
Шплинт 5/32х2'' |
PIN - COTTER SPLIT, 5/32 x 2in |
1 |
|
34 |
9672320 |
Заглушка 1/2'' |
PLUG - EXPANSION CONCAVE SPECIAL 1/2in |
4 |
|
35 |
9701035 |
Экран |
SHIELD, PTO DROP BOX |
1 |
|
36 |
9701033 |
Крышка редуктора |
COVER - TOP, PTO DROPBOX |
1 |
|
37 |
80463 |
Контргайка 0.38NC GR5 PL |
NUT, LOCK NYLON 0.38NC GR5 PL |
2 |
|
38 |
9672414 |
Шайба 13.00x24.00x0.95 HDN BI |
WASHER, 13.00x24.00x0.95 HDN BI |
1 |
|
39 |
50213 |
Пробка |
Plug, Pipe, Hex Soc |
1 |
|
07B04 Муфта сцепления механизма отбора мощности, 5-1/4"", 12-ти дисковая | ||||
|
Поз |
Чертежный номер |
Наименование |
Description |
Кол- во |
|
1 |
86002003 |
Муфта |
CLUTCH - HYDRAULIC ASSY, 5.25 - 12 Plate |
1 |
|
1A |
86002004 |
Адаптер |
DRUM, ADAPTER |
1 |
|
2 |
NSS |
Отдельно не продается |
Not Sold Separately |
1 |
|
3 |
NSS |
Отдельно не продается |
Not Sold Separately |
1 |
|
3A |
86002006 |
Комплект дисков муфты |
CLUTCH, PACK |
1 |
|
4 |
9703182 |
Вал муфты |
CLUTCH SHAFT |
1 |
|
5 |
NSS |
Отдельно не продается |
Not Sold Separately |
1 |
|
6 |
V48531 |
Диск |
PLATE - SEPARATOR, PTO CLUTCH Assy L4wd |
1 |
|
7 |
9672475 |
Кольцо диам.внутр.55.63мм толщина 1.32мм |
RING-SNAP, EXTERNAL Id-55.63mm Thk-1.32mm |
2 |
|
8 |
NSS |
Отдельно не продается |
Not Sold Separately |
1 |
|
07B04 Муфта сцепления механизма отбора мощности, 5-1/4"", 12-ти дисковая | ||||
|
Поз |
Чертежный номер |
Наименование |
Description |
Кол- во |
|
9 |
NSS |
Отдельно не продается |
Not Sold Separately |
1 |
|
10 |
V55426 |
Палец |
PIN |
1 |
|
11 |
NSS |
Отдельно не продается |
Not Sold Separately |
1 |
|
12 |
86012300 |
Уплотнительное кольцо, внут.диам.5.7'' толщина 0.125'' |
O-RING NITRILE, Id-5.7in Thk-0.125in |
1 |
|
13 |
9703184 |
Кожух |
PISTON HOUSING |
1 |
|
14 |
9672495 |
Уплотнительное кольцо 5.25 |
SEAL - RING Hook Type, 5.25 PTO CLUTCH PISTON Assy |
1 |
|
15 |
9672476 |
Уплотнительное кольцо, полиуретан |
SEAL - RING Polyacrylate, PTO CLUTCH PISTON Assy |
1 |
|
16 |
9703183 |
Поршень |
PISTON CLUTCH |
1 |
|
17 |
9672477 |
Стопорное кольцо |
RING - SNAP INTERNAL |
1 |
|
18 |
9672482 |
Кольцо |
RING |
4 |
|
19 |
9672483 |
Стопорное кольцо |
RING, SNAP |
1 |
|
19A |
86002005 |
Ступица муфты |
CLUTCH HUB |
1 |
|
20 |
9703186 |
Узел муфты |
HUB |
1 |
|
21 |
NSS |
Отдельно не продается |
Not Sold Separately |
1 |
|
22 |
NSS |
Отдельно не продается |
Not Sold Separately |
1 |
|
23 |
NSS |
Отдельно не продается |
Not Sold Separately |
1 |
|
24 |
NSS |
Отдельно не продается |
Not Sold Separately |
6 |
|
25 |
9672479 |
Кольцо |
PLATE |
1 |
|
26 |
9672480 |
Стопорное кольцо |
RING |
1 |
|
27 |
9672481 |
Кольцо |
RING |
1 |
|
28 |
9702491 |
Диск фрикционный |
CLUTCH,PLAT |
13 |
|
29 |
9672478 |
Диск муфты |
PLATE - CLUTCH, (steel) |
12 |
|
30 |
127819 |
Стопорное кольцо диам.2.375'' |
Ring, Snap, Ext, 2.375" |
1 |
|
31 |
9703192 |
Роликовый подшипник |
ROLLER BEARING |
1 |
|
32 |
9703193 |
Ось |
SHAFT |
1 |
|
33 |
9703195 |
Уплотнительное кольцо |
SEAL RING |
3 |
|
33A |
9702038 |
Узел тормозной |
HUB,BRAKE |
1 |
|
34 |
9702491 |
Диск фрикционный |
CLUTCH,PLAT |
3 |
|
35 |
9672484 |
Диск |
PLATE, CLUTCH |
2 |
|
36 |
9703188 |
Диск |
PLATE |
1 |
|
37 |
9703191 |
Шайба |
WASHER |
1 |
|
38 |
9703190 |
Кольцо |
SPACER |
1 |
|
39 |
UNKNOWN |
Главный тормозной цилиндр |
Master Brake Cylinder - See Breakdown This Section 1.5 OD, Years: 01/01/1982-12/31/1984 |
1 |
|
40 |
9703187 |
Ступица |
BRAKE HUB |
1 |
|
41 |
9673111 |
Палец |
SPRING PIN |
2 |
49
|
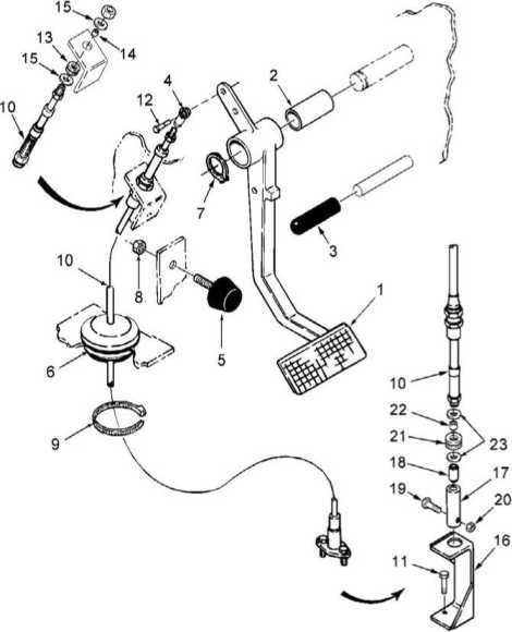
07C01 Пульт управления МКПП | ||||
|
Поз |
Чертежный номер |
Наименование |
Description |
Кол- во |
|
1 |
9706938 |
Рычаг переключения (красный) |
KNOB - SHIFTING LEVER (Red) L4wd |
2 |
|
2 |
43435 |
Гайка M10 Usr Pl |
NUT - Hex Flange M10 Usr Pl |
1 |
|
3 |
86017928 |
Панель боковая L4WD |
DECAL, SIDE CONSOLE L4WD |
1 |
|
4 |
327919 |
Штифт, тип А M5 x 30 |
PIN-GROOVE TYPE A M5 x 30 |
2 |
|
5 |
86017930 |
Панель в сборе l4wd |
CONSOLE, WA SIDE l4wd |
1 |
|
6 |
86020409 |
Контргайка с нейлоновой вставкой 0.375NF GR5PL |
NUT LOCK NYLON 0.375NF GR5PL |
4 |
|
7 |
274251 |
Болт шестигранный FLG USR M10 X 25 PL |
BOLT HEX FLG USR M10 X 25 PL |
8 |
|
8 |
86020209 |
Кронштейн для крепления переключателя передач |
BRACKET WA GEARSHAFT MTG |
1 |
|
9 |
86548493 |
Коннектор |
CONNECTOR - BALL END, CONTORL CABLE LINKAGE |
8 |
|
10 |
87307 |
Гайка 5/16 Pl |
NUT - HEX JAM 5/16 Pl |
4 |
|
11 |
86018556 |
Кронштейн |
BRACKET, WA CABLE MTG |
1 |
|
07C01 Пульт управления МКПП | ||||
|
Поз |
Чертежный номер |
Наименование |
Description |
Кол- во |
|
11 |
86029302 |
Кронштейн крепления кабеля |
BRACKET WA CABLE MTG |
1 |
|
12 |
86017933 |
Провод механизма переключения передач длинна 1500м |
CABLE - GEARSHIFT Assy, Lth-1500mm, 5/16-24unf-2A Typ |
2 |
|
12 |
86034107 |
Трос рычага коробки передач |
CABLE GEARSHIFT |
2 |
|
13 |
86017934 |
Кабель переключателя в сборе |
CABLE ASSY RANGESHIFT |
2 |
|
14 |
86019053 |
U-образный болт 0.25X25.40X14.22X16.0 |
U BOLT 0.25X25.40X14.22X16.0 |
4 |
|
15 |
86018138 |
Поворотный рычаг |
ROD PIVOT |
2 |
|
16 |
86018159 |
Кронштейн |
BRACKET - PIVOT (Blue), Synchro SHIFT LINKAGE |
1 |
|
16 |
86029299 |
Кронштейн шарнира |
BRACKET PIVOT |
1 |
|
17 |
86018875 |
Специальный наконечник с шипом |
ROD END WITH STUD SPECIAL |
4 |
|
18 |
9626558 |
Гайка G5 1/4''-20 |
NUT - HEX LOCK Flanged 0.25 Gr-5 |
8 |
|
19 |
86017944 |
Узел |
CROSS AND BRG ASSY |
2 |
|
20 |
86020753 |
Штифт переключателя |
PIN SWITCH |
1 |
|
21 |
86018620 |
Накладка пластины переключателя передач |
PLATE GEAR SHIFT |
1 |
|
22 |
86017935 |
Нижняя вилка |
JOINT LOWER MTG |
2 |
|
23 |
86020827 |
Кронштейн переключателя |
BRACKET SWITCH |
1 |
|
24 |
86017938 |
Рычаг переключения передач |
LEVER GEARSHIFT |
1 |
|
25 |
86017936 |
Верхняя вилка |
JOINT UPPER MTG |
2 |
|
26 |
86018627 |
Накладка пластины переключателя передач |
PLATE GEAR RANGESHIFT |
1 |
|
27 |
86017940 |
Рычаг переключения передач |
LEVER RANGESHIFT |
1 |
|
28 |
9804276 |
Гайка M6 Cl-8 Pl |
NUT - HEX FLANGE, M6 Cl-8 Pl |
4 |
|
29 |
86017942 |
Уплотняющая пластина |
PLATE GROMMET |
1 |
|
30 |
412356 |
Болт М6х20мм |
CAPSCREW - Flanged HEX M6 x 20mm |
2 |
|
31 |
V55699 |
Датчик нейтрального положения рыгала переключения передач |
SWITCH - NEUTRAL SAFETY, 9/16-18NF |
1 |
|
32 |
86019263 |
Канал |
CHANNEL ASSEMBLY, CONSOLE MTG |
1 |
|
33 |
86019320 |
Кронштейн троса |
BRACKET ASSY, CABLE GEARSHIFT |
1 |
|
33 |
86029301 |
Кронштейн крепления кабеля |
BRACKET WA GEARSHIFT CABLE |
1 |
|
34 |
86528128 |
Уплотняющее кольцо, внутр. о 1,00, 1/4GT, внеш. o |
GROMMET 1.00IDX1/4GTX1 3/4OD |
4 |
|
35 |
86012106 |
Шайба специальная 19.5MM |
WASHER SPECIAL 19.5MM |
8 |
|
36 |
86017980 |
Прокладка компрессора |
SPACER COMPRESSION CONTROL |
4 |
|
37 |
86531356 |
Контргайка стальная 0.313NF GRBPL |
NUT LOCK STEEL 0.313NF GRBPL |
8 |
|
38 |
87310 |
Гайка 0.56Unf Gr-2 Pl |
NUT - HEX JAM, 0.56Unf Gr-2 Pl |
1 |
|
39 |
V84360 |
Винт №10 x 3.8 |
SCREW - HexHead SLOTTED, Self-Tap #10 x 3.8 Type-AB |
3 |
|
40 |
86505834 |
Болт шестигранный 0.44 X 1.25GR8 PL |
BOLT HEX 0.44 X 1.25GR8 PL |
8 |
|
41 |
9804258 |
Болт M8x20 Cl-8.8 |
CAPSCREW, Hex-Head FLANGE, Cl-8.8 M8 x 20 Pl |
3 |
|
42 |
9804277 |
Гайка M8 Cl-8 Pl |
NUT - HEX FLANGE, M8 Cl-8 Pl |
4 |
|
43 |
9671714 |
Болт шестигранный FLG M 8 X 25 8.8PL |
CAPSCREW - HexHead Flange 8.8Pl M8 x 25 |
2 |
|
44 |
9804262 |
Болт M10x30 Cl-8.8 |
CAPSCREW - HexHead Flanged, M10 x |
4 |
|
07C01 Пульт управления МКПП | ||||
|
Поз |
Чертежный номер |
Наименование |
Description |
Кол- во |
|
30 Cl-8.8 Pl | ||||
|
45 |
9707360 |
Защитный рукав, ширина 92мм, длина 700мм, нейлон |
SLEEVE-NYLON, PROTECTIVE Wth-92mm x Lth-700mm |
1 |
|
46 |
86012470 |
Изолирующая трубка, длина 44,0 |
INSULATION HOSE 44.0LG |
1 |
|
47 |
2747 |
Накладка соединительная, нейлоновая, регулируемая |
STRAP-TIE, NYLON, 4.00in ADJUSTABLE |
5 |
|
48 |
9790555 |
Шайба 0.469X0.750X0.095 HDN |
WASHER 0.469X0.750X0.095 HDN |
8 |
|
49 |
9672981 |
Шайба 10.00х15.80х1.14 |
WASHER - FLAT HARDENED, 10.00 X 15.80 X 1.14 |
4 |
|
50 |
86020476 |
Гайка M18 Gr-8 Cl-4 |
NUT - Hex JAM M-18 Gr-8 Cl-4 |
8 |
|
07C02 Педаль муфты сцепления - 12 МКПП | ||||
|
Поз |
Чертежный номер |
Наименование |
Description |
Кол- во |
|
1 |
86025887 |
Педаль сцепления L4WD |
PEDAL, L4WD CLUTCH |
1 |
|
1 |
86034630 |
Педаль сцепления |
PEDAL CLUTCH |
1 |
|
1 |
9706304 |
Педаль сцепления |
PEDAL,CLUTCH |
1 |
|
2 |
515308 |
Втулка бронзовая, диам.внутр.1.003 наруж. 1.128 длина 1.0'' |
BUSHING - Bronze Id-1.003 Od-1.128 Lth-1.00in |
2 |
|
3 |
9703405 |
Фиксатор педали сцепления/тормоза |
STOP - Rubber Sleeve, CLUTCH / BRAKE PEDAL |
1 |
|
4 |
234542 |
Вилка 1/4-24 |
ROD END, 1/4-24 Fm W STUD |
1 |
|
5 |
86000735 |
Крепление бампера |
BUMPER SUPPORT |
1 |
|
6 |
9706284 |
Кольцо уплотнительное, диам.внут. 0.37 наруж. 1.75 толщина 0.64'' |
GROMMET / SNAP-IN Polyurethane, Od-1.75 Id-0.37 Thk-0.64in |
1 |
|
7 |
25121 |
Стопорное кольцо диам.1.00'' |
RING - RETAINING External Dia-1.00in |
2 |
|
8 |
12628 |
Гайка Gr-5 Pl UNF 0.31 |
NUT - HEX Gr-5 Pl UNF 0.31 |
1 |
|
9 |
2747 |
Накладка соединительная, нейлоновая, регулируемая |
STRAP-TIE, NYLON, 4.00in ADJUSTABLE |
2 |
|
07C02 Педаль муфты сцепления - 12 МКПП | ||||
|
Поз |
Чертежный номер |
Наименование |
Description |
Кол- во |
|
10 |
86012097 |
Трос трансмиссии |
CABLE ASSY SYNCHRO TRANS |
1 |
|
11 |
43118 |
Болт M6x1.0x40.0 Cl 8.8 |
CAPSCREW - HexHead Cl 8.8 M6 x 1.0 x 40.0 |
1 |
|
12 |
86012224 |
Болт |
BOLT - CABLE END, CLUTCH PEDAL Assy |
1 |
|
12 |
86034631 |
Контргайка с нейлоновой вставкой 3/8UNF GR5 P |
NUT LOCK NY INS 3/8UNF GR5 P |
1 |
|
12 |
V50079 |
Болт 0.375x24unf x1.75 Gr-5 |
CAPSCREW - HexHead, 0.375 x 24unf x 1.75 Gr-5 Pl |
1 |
|
13 |
86012618 |
Уплотняющее кольцо, внутр. o 3/4, 3/16GT, внеш. o |
GROMMET 3/4IDX3/16GTX1 5/8OD |
1 |
|
14 |
86012579 |
Прокладка внешн o 19,05, внутр o 16,00, длини 8,50 |
SPACER 19.05ODX16.00IDX8.50LG |
1 |
|
15 |
80299 |
Шайба диам.внутр.0.688 наруж.1.75 толщина 0.134'', сталь Pl |
WASHER - FLAT Steel, Id-0.688 Od-1.750 Thk-0.134in Pl |
2 |
|
16 |
86012102 |
Опора изолятор |
Support W/A Isolator. |
1 |
|
16 |
86029298 |
Сварной кронштейн изолятора |
ISOLATOR SUPPORT WA |
1 |
|
17 |
86012099 |
Изоляционная втулка сцепления |
CASING CLUTCH CABLE ISOLATOR |
1 |
|
18 |
86012098 |
Муфта со втулкой |
BUSHING LORD |
1 |
|
19 |
43118 |
Болт M6x1.0x40.0 Cl 8.8 |
CAPSCREW - HexHead Cl 8.8 M6 x 1.0 x 40.0 |
1 |
|
20 |
86514335 |
Контргайка с нейлоновой вставкой M6 класс 10 PL |
NUT LOCK NYLON M6 CLASS10 PL |
1 |
|
21 |
86528128 |
Уплотняющее кольцо, внутр. o 1,00, 1/4GT, внеш. o |
GROMMET 1.00IDX1/4GTX1 3/4OD |
1 |
|
22 |
86012057 |
Прокладка компрессора |
SPACER COMPRESSION CONTROL |
1 |
|
23 |
87381 |
Шайба Sae P .75 Na2032 |
WASHER - Sae P .75 Na2032 |
2 |
ООО (=-
|
07C03 Пульт управления АКПП | ||||
|
Поз |
Чертежный номер |
Наименование |
Description |
Кол- во |
|
1 |
86018989 |
Панель в сборе |
CONSOLE ASSEMBLY, SIDE WA |
1 |
|
2 |
86024940 |
Плита для установки боковой консоли |
CHANNEL WA CONSOLE MTG |
1 |
|
3 |
86014227 |
Регулирование смещения трансмиссии |
CONTROL-SHIFT ASSY, (1402 & Genesis) PwrSHIFT TRANS |
1 |
|
4 |
86018990 |
Панель боковая АКПП |
DECAL, SIDE CONSOLE PS |
1 |
|
5 |
86050005 |
Болт шестигранный FLG HVY M 6 X1.00 X 3 |
BOLT HEX FLG HVY M 6 X1.00 X 3 |
2 |
|
6 |
43435 |
Гайка M10 Usr Pl |
NUT - Hex Flange M10 Usr Pl |
2 |
|
7 |
274251 |
Болт шестигранный FLG USR M10 X 25 PL |
BOLT HEX FLG USR M10 X 25 PL |
9 |
|
8 |
104409 |
Гайка M10 x 1.5 |
NUT - U/CLIP, M10 x 15 |
9 |
|
9 |
86026653 |
Кронштейн PS модуля |
Bracket, PS Module |
1 |
|
10 |
86514335 |
Контргайка с нейлоновой вставкой M6 класс 10 PL |
NUT LOCK NYLON M6 CLASS10 PL |
4 |
|
11 |
86018994 |
Кронштейн |
BRACKET, CONTROLLER MOUNTING |
1 |
|
12 |
86029977 |
Кронштейн бокового пульта |
Bracket, Side Console |
1 |
|
13 |
86017942 |
Уплотняющая пластина |
PLATE GROMMET |
1 |
|
07C05 Педаль муфты сцепления - 1407 АКПП | ||||
|
Поз |
Чертежный номер |
Наименование |
Description |
Кол- во |
|
1 |
86025887 |
Педаль сцепления L4WD |
PEDAL, L4WD CLUTCH |
1 |
|
2 |
515308 |
Втулка бронзовая, диам.внутр.1.003 наруж. 1.128 длина 1.0'' |
BUSHING - Bronze Id-1.003 Od-1.128 Lth-1.00in |
2 |
|
3 |
25121 |
Стопорное кольцо диам.1.00'' |
RING - RETAINING External Dia-1.00in |
2 |
|
4 |
9703405 |
Фиксатор педали сцепления/тормоза |
STOP - Rubber Sleeve, CLUTCH / BRAKE PEDAL |
1 |
|
5 |
86000735 |
Крепление бампера |
BUMPER SUPPORT |
1 |
|
6 |
12628 |
Гайка Gr-5 Pl UNF 0.31 |
NUT - HEX Gr-5 Pl UNF 0.31 |
2 |
|
7 |
86024297 |
Пружина растяжения 31.7 внешн. диам., 125 длина |
SPRING EXT 31.7ODX125LG |
1 |
|
8 |
9821734 |
Потенциометр |
POTENTIOMETER |
1 |
|
9 |
86500303 |
Рычаг потенциометра |
LEVER - POTENTIOMETER, CONTROL PEDAL Assy |
1 |
|
10 |
86500304 |
Фиксатор |
CLIP - CONTROL ROD END, INCH PEDAL ASSY |
2 |
|
11 |
86025890 |
Тяга |
ROD - LINK Steel, CONTROL PEDAL |
1 |
|
07C05 Педаль муфты сцепления - 1407 АКПП | ||||
|
Поз |
Чертежный номер |
Наименование |
Description |
Кол- во |
|
LINKAGE | ||||
|
12 |
86025889 |
Тяга пружины потенциометра |
ROD - POTENTIOMETER SPRING, CONTROL PEDAL Assy |
1 |
|
13 |
86511996 |
Контргайка М5 |
LOCKNUT - Nylon M5 Cl-8 Pl |
2 |
|
14 |
264036 |
Втулка диам.внутр.27 наруж. 35 длина 28мм |
BUSHING-NYLON ID-27mm x OD-35mm x Lg-28mm |
1 |
|
15 |
9706684 |
Пружина диам.наруж. 0.469'' длина 1.00'' |
SPRING Od-0.469in x Lth-1.00in |
1 |
|
16 |
9824326 |
Шайба плоская диам.внут.5.48, наруж.10.0, толщина 1.0, Pl сталь |
WASHER - Steel Flat, Id-5.48 Od-10.00 Thk-1.00 Pl |
1 |
|
17 |
280236 |
Шплинт 0.06х0.50 |
PIN - COTTER 0.06 x 0.50 Pl |
1 |
|
18 |
86511315 |
Шайба 8.62X16.00X1.60 PL |
WASHER 8.62X16.00X1.60 PL |
1 |
|
19 |
9670023 |
Контргайка с нейлоновой вставкой M8 класс 8 PL |
NUT - LOCK HEX, Nylon M8 Class8 Pl |
1 |
|
20 |
86025888 |
Кронштейн переключателя |
BRACKET - SWITCH MOUNT, CLUTCH PEDAL Assy |
1 |
|
21 |
86511841 |
Болт M8 x 16, 8.8 |
SCREW - HexHead Flange, M8 x 16 8.8Pl |
1 |
|
22 |
9843787 |
Переключатель с сердечником |
SWITCH- NC PLUNGER, BRAKE CONTROL |
1 |
|
23 |
86511042 |
Крепежный винт с плоскоконической головкой M4 X 16 |
SCREW MACH M4 X 16 PAN HEAD PL |
1 |
|
24 |
86029828 |
Контргайка с нейлоновой вставкой M4 |
NUT LOCK NYLON M4 |
1 |
|
07D01 КПП 12 скоростей | ||||
|
Поз |
Чертежный номер |
Наименование |
Description |
Кол- во |
|
1 |
86019019 |
Штуцер |
CASE |
1 |
|
2 |
86019046 |
Крышка |
COVER |
1 |
|
2 |
86025271 |
Крышка |
COVER - Machined Casting, GEAR / RANGE SHIFT Assy |
1 |
|
3 |
86019040 |
Балка контрпривода |
RAIL - C SHIFT, RANGES L & M |
1 |
|
4 |
86019043 |
Уплотнение |
CAP-SEALING, DUST PLUG, TRANSMISSION ASSY |
1 |
|
5 |
86019039 |
Направляющая пластина |
PLATE - BAFFLE, SHIFTER COVER ASSY, TRANSMISSION |
1 |
|
6 |
86025254 |
Переключатель в сборе, МКПП |
TRANSLATOR-SHIFTER Assy, SYNCHRO TRANSMISSION |
2 |
|
7 |
86019038 |
Болт |
BOLT - SEMI REAMER, TRANSLATOR Assy, TRANSMISSION |
8 |
|
8 |
9804268 |
Болт M12x40 Cl-8.8 |
CAPSCREW - HexHead Flanged, M12 x 40mm Cl-8.8 Pl |
6 |
|
9 |
86019034 |
Крышка механизма переключения, 12КПП, L4WD |
COVER - SHIFTER ASSY, TRANSMISSION 12 SPD, L4WD |
1 |
|
07D01 КПП 12 скоростей | ||||
|
Поз |
Чертежный номер |
Наименование |
Description |
Кол- во |
|
10 |
86019006 |
Втулка балки трансмиссии с'емная |
BUSHING SHIFT RAIL TRANSMISSIO |
8 |
|
11 |
336199 |
Болт M8x1.25x12 Cl-8.8 |
CAPSCREW - HexHead WASHER, Cl-8.8 M8 x 1.25 x 12 |
2 |
|
12 |
86019037 |
Вилка переключения передач А и В |
FORK A.& B. SHIFT GEAR |
2 |
|
13 |
86019042 |
Вилка переключения передач С и D |
FORK C.& D. SHIFT |
2 |
|
14 |
86019035 |
Балка переключения А (шестерни 1 и 2) |
RAIL - SHIFTING A, Gears 1 & 2, TRANSMISSION ASSY L4WD |
1 |
|
15 |
86019036 |
Балка переключения В (шестерни 3 и 4) |
RAIL - SHIFTING B, Gears 3 & 4, TRANSMISSION ASSY L4WD |
1 |
|
16 |
86019041 |
Шток вилки переключения диапазонов |
RAIL D SHIFT RANGES H & R |
1 |
|
17 |
86001253 |
Кронштейн |
PLATE - TOP LIFT, TRANSMISSION ASSY, L4WD |
2 |
|
18 |
9804266 |
Болт M12x25 8.8PL |
BOLT, HEX FLG M12x25 8.8PL |
4 |
|
19 |
273916 |
Пробка 1 5/16-12 1407 КПП |
PLUG - VALVE 1 5/16 - 12 (1407 TRANSMISSION) |
1 |
|
20 |
86508737 |
Пробка 7/8 - 14unf |
PLUG - Hex Socket Orb, 7/8 - 14unf |
1 |
|
21 |
86512512 |
Пробка с шестигранной головкой |
PLUG - HexHead, Straight Thread With 167269 O-Ring, 7/8 - 14 x 1in |
1 |
|
22 |
86019045 |
Крышка штоков переключения |
COVER - RAIL, 12- SPD TRANSMISSION |
1 |
|
23 |
86508495 |
Штифт 12.0x24.0 |
PIN - DOWEL 12 x 24, Hdn & Grd |
3 |
|
24 |
88350 |
Фиксатор 0.15х1.50'' |
PIN - COTTER Plt 0.15in x 1.50in |
2 |
|
25 |
511112 |
Шарик стальной Ш 13/32'' |
BALL - STEEL Dia-13/32in, LOCATING / LOCKING |
10 |
|
26 |
86001288 |
Пружина направляющей механизма переключения передач, длина 42мм |
SPRING - SHIFT RAIL Lth-42mm, TRANSMISSION |
4 |
|
27 |
86001282 |
Болт M10 x 1.5 x 10 |
SCREW - SET, Socket M10 x 1.5 x 10 |
4 |
|
28 |
86020168 |
Набор уплотнений и прокладок |
SHIM KIT SEALS AND SHIMS |
1 |
|
29 |
86019044 |
Набор болтов M12 x 1.25 |
SCREW - SET M12 x 1.25 |
2 |
|
30 |
9670066 |
Болт M12x1.75x30 Cl-8.8 |
CAPSCREW - HexHead Flanged, Cl-8.8 M12 x 1.75 x 30 Pl |
4 |
|
31 |
86020170 |
Пробка |
PLUG - TRANS. 12 SPD |
1 |
|
32 |
86020171 |
Прокладка, 12 КПП |
GASKET - TRANS. 12 SPD |
1 |
|
33 |
86021653 |
Болт М12 |
STUD - M12, INPUT CLUTCH HOUSING Assy |
2 |
|
34 |
337475 |
Гайка И12х1.75 |
NUT, HEX M12 CLASS 10PL |
2 |
|
07D02 Вал КПП вторичный | ||||
|
Поз |
Чертежный номер |
Наименование |
Description |
Кол- во |
|
1 |
86019031 |
Кожух в сборе выходного вала трансмиссии |
COVER - ASSY, TRANSMISSION OUTPUT SHAFT |
1 |
|
2 |
86509604 |
Винт с гексагональной головкой с фланцами M12 x 75 |
CAPSCREW - HexHead, Flanged M12 x 75mm Cl-8.8 Pl |
8 |
|
3 |
86508488 |
Уплотнение масляное внут. 02,38 х внеш. 03,35 х 0, |
SEAL OIL 2.38IDX3.35ODX0.44W |
2 |
|
4 |
86001316 |
Манжета |
COLLAR |
2 |
|
5 |
86509335 |
Штифт |
DOWEL PIN |
2 |
|
6 |
86509786 |
Подшипник 65.0IDX120.00DX32.75 |
BRG ASSY 65.0IDX120.0ODX32.75 |
1 |
|
7 |
NSS |
Отдельно не продается |
Not Sold Separately |
1 |
|
8 |
NSS |
Отдельно не продается |
Not Sold Separately |
1 |
|
07D02 Вал КПП вторичный | ||||
|
Поз |
Чертежный номер |
Наименование |
Description |
Кол- во |
|
9 |
86019023 |
Колесо зубчатое z=47 |
GEAR, 47 T |
1 |
|
10 |
86019030 |
Втулка переключателя передач |
SLEEVE, RANGE SHIFT |
2 |
|
11 |
86029116 |
Вал входной |
SHAFT OUTPUT |
1 |
|
12 |
86029117 |
Кольцо стопорное |
RING, RETAINING, 1 PCE |
5 |
|
13 |
86019024 |
Шестерня Z=37 выходного вала трансмиссии |
GEAR -37 Teeth, OUTPUT SHAFT, TRANSMISSION ASSY |
1 |
|
14 |
86001315 |
Прокладка центрального выходного вала трансмиссии |
SPACER CENTER TRANS OUTPUT SHA |
1 |
|
15 |
86019029 |
Ступица переключения передач |
HUB, RANGE SHIFT |
2 |
|
16 |
86019027 |
Колесо зубчатое на вых. валу трансмиссии z=25 |
GEAR 25 T TRANS OUTPUT SHAFT |
1 |
|
17 |
86019028 |
Колесо зубчатое z=38 |
GEAR,38T |
1 |
|
18 |
86017340 |
Корпус подшипника конического 65.0IDX140.0OD |
BRG TAPER ASSY 65.0IDX140.0OD |
1 |
|
19 |
86011715 |
Крышка вторичного вала, задняя |
COVER-REAR, OUTPUT SHAFT, TRANSMISSION |
1 |
|
20 |
86001320 |
Дроссель M^1.5 диам.2.8 |
ORIFICE - M10 X 1.5 X 2.8 DIA, TRANS. LUBE SYSTEM |
1 |
|
21 |
86001299 |
Кольцо уплотнительное вн. O 151.99 X толщина 3.53 |
O RING 151.99ID X 3.53THK |
1 |
|
22 |
86001298 |
Набор прокладок для трансмиссии |
SHIM KIT TRANSMISSION |
1 |
|
23 |
9670066 |
Болт M12x1.75x30 Cl-8.8 |
CAPSCREW - HexHead Flanged, Cl-8.8 M12 x 1.75 x 30 Pl |
6 |
|
24 |
86001321 |
Пробка 1/8 |
PLUG-HEX SOCKET 1/8 NPTF |
2 |
|
25 |
86020168 |
Набор уплотнений и прокладок |
SHIM KIT SEALS AND SHIMS |
1 |
|
86050345 |
Стопорное кольцо диам.3.0'' |
RING - RETAINING, 2 Piece, Ext 3.0 SHAFT |
5 | |
|
UNKNOWN |
Главный тормозной цилиндр |
Master Brake Cylinder - See Breakdown This Section 1.5 OD, Years: 01/01/1982-12/31/1984 | ||
|
UNKNOWN |
Главный тормозной цилиндр |
Master Brake Cylinder - See Breakdown This Section 1.5 OD, Years: 01/01/1982-12/31/1984 |
3 | |
VWPT.O.
|
07D03 Вал КПП первичный | ||||
|
Поз |
Чертежный номер |
Наименование |
Description |
Кол- во |
|
1 |
86001277 |
Крышка муфты сцепления |
COVER - With ORIFICE, INPUT CLUTCH Assy |
1 |
|
2 |
86508488 |
Уплотнение масляное внут. 02,38 х внеш. 03,35 х 0, |
SEAL OIL 2.38IDX3.35ODX0.44W |
1 |
|
3 |
9670066 |
Болт M12x1.75x30 Cl-8.8 |
CAPSCREW - HexHead Flanged, Cl-8.8 M12 x 1.75 x 30 Pl |
6 |
|
4 |
86001347 |
Дроссель М8х1.25 - 8 диам.1.8 |
ORIFICE Dia-1.8, THREADED M8 x 1.25 - 8 |
1 |
|
5 |
86001318 |
Кольцо уплотнительное JIS G130 |
O-RING JIS G130 |
1 |
|
6 |
86001275 |
Манжета |
COLLAR - INPUT BRG, MASTER CLUTCH, 12-Speed Synchro |
1 |
|
7 |
86001274 |
Кольцо уплотнительное JIS G45 сцепления |
O-RING, JIS G45, MASTER CLUTCH INPUT ASSY |
1 |
|
8 |
86509787 |
Подшипник шариковый 55.00IDX120.0ODX29.0 |
BRG BALL 55.00IDX120.0ODX29.0 |
1 |
|
9 |
9670066 |
Болт M12x1.75x30 Cl-8.8 |
CAPSCREW - HexHead Flanged, Cl-8.8 M12 x 1.75 x 30 Pl |
2 |
|
10 |
86001253 |
Кронштейн |
PLATE - TOP LIFT, TRANSMISSION ASSY, L4WD |
2 |
|
07D03 Вал КПП первичный | ||||
|
Поз |
Чертежный номер |
Наименование |
Description |
Кол- во |
|
11 |
86001276 |
Корпус муфты |
HOUSING, MASTER CLUTCH |
1 |
|
12 |
86508495 |
Штифт 12.0x24.0 |
PIN - DOWEL 12 x 24, Hdn & Grd |
4 |
|
13 |
9670066 |
Болт M12x1.75x30 Cl-8.8 |
CAPSCREW - HexHead Flanged, Cl-8.8 M12 x 1.75 x 30 Pl |
7 |
|
14 |
86509603 |
Болт M12x1.75x65 Cl-8.8 |
CAPSCREW - HexHead Flange, M12 x 1.75 x 65, Cl-8.8 Pl |
1 |
|
15 |
86002437 |
Фланец входного вала сцепления трансмиссии |
FLANGE - INPUT SHAFT CLUTCH, TRANSMISSION ASSY |
1 |
|
16 |
86001325 |
Втулка |
BUSHING-DRIVE, TRANSMISSION INPUT SHAFT |
2 |
|
17 |
327911 |
Стопорное кольцо М55 |
RING - RETAINER, EXTERNAL OUTPUT SHAFT |
1 |
|
18 |
86002435 |
Муфта фрикционная, дисковая |
CLUTCH - MASTER, DISK / PLATE SUB ASSY L4WD |
1 |
|
19 |
86509788 |
Подшипник шариковый 105.00IDX145.00DX20.0 |
BRG BALL 105.00IDX145.0ODX20.0 |
1 |
|
20 |
86001322 |
Плита с пробкой и отверстием |
SUB PLATE WITH PLUGS & ORIFICE |
1 |
|
21 |
86001272 |
Кольцо уплотнительное |
SEAL RING HOOK TYPE |
2 |
|
22 |
86001321 |
Пробка 1/8 |
PLUG-HEX SOCKET 1/8 NPTF |
4 |
|
23 |
86001271 |
Ввертыш М8х1.25 внут.диам.4 |
ORIFICE ORIFICE - ORIFICE - M8 X 1.25 X 4 DIA, TRANS. LUBE SYSTEM |
1 |
|
24 |
86509784 |
Подшипника 55.0IDX120.0ODX31.50 |
BRG ASSY 55.0IDX120.0ODX31.50 |
2 |
|
25 |
NSS |
Отдельно не продается |
Not Sold Separately |
2 |
|
26 |
NSS |
Отдельно не продается |
Not Sold Separately |
2 |
|
27 |
86001330 |
Прокладка |
SPACER |
1 |
|
28 |
86001327 |
Колесо зубчатое z=34 |
GEAR 34 T |
1 |
|
29 |
86001056 |
Кольцо стопорное |
RETAINING RING EXT |
2 |
|
30 |
86000964 |
Синхронизатор ZF D 135 AND 128 |
SYNCHRO ASSY ZF D 135 AND 128 |
2 |
|
31 |
86000965 |
Втулка синхронизатора скользящая ZF-D 135/128 |
SLEEVE-SLIDE SHIFT, SYNCHRON ASSY ZF-D 135/128 |
1 |
|
32 |
86001031 |
Корпус синхронизатора трансмиссии в сборе |
BODY-SYNCHRONIZER, TRANSMISSION ASSY |
1 |
|
33 |
V96294 |
Пружина синхронизатора |
SPRING - PRESSURE, SYNCHRONIZER -TRANSMISSION |
3 |
|
34 |
86001035 |
Фиксатор шестерни синхронизатора |
PIECE, PRESSURE |
3 |
|
35 |
86001032 |
Элемент - муфта синхронизатора трансмиссии |
ELEMENT - COUPLING, TRANSMISSION SYNCHRONIZER |
3 |
|
36 |
86001030 |
Кольцо внешнее |
RING-OUTER, SYNCHRONIZER BODY, TRANSMISSION |
2 |
|
37 |
86001029 |
Кольцо промежуточной шестерни |
RING-INTERMEDIATE GEAR, SYNCHRONIZER TRANS |
2 |
|
38 |
86001028 |
Кольцо внутреннее |
RING, INTERNAL |
2 |
|
39 |
86001027 |
Диск муфты сцепления |
CLUTCH DISC |
2 |
|
40 |
86001326 |
Колесо зубчатое z=31 |
GEAR 31 T |
1 |
|
41 |
86001324 |
Вал входной с втулкой |
SHAFT INPUT WITH BUSHINGS |
1 |
|
42 |
86001329 |
Колесо зубчатое z=40 |
GEAR 40 T |
1 |
|
07D03 Вал КПП первичный | ||||
|
Поз |
Чертежный номер |
Наименование |
Description |
Кол- во |
|
43 |
86001328 |
Колесо зубчатое z=37 |
GEAR 37 T |
1 |
|
44 |
86001331 |
Манжета зубчатого колеса Z=40 входного вала транс |
COLLAR - 40-T GEAR, INPUT SHAFT ASSY, TRANSMISSION |
1 |
|
45 |
86011514 |
Вал насоса и механизма отбора мощности |
SHAFT - PUMP & PTO, TRANS. |
1 |
|
46 |
86011515 |
Муфта привода насоса |
COUPLING - PUMP DRIVE, TRANS OUTPUT SHAFT |
1 |
|
47 |
300645 |
Стопорное кольцо диам.М42 |
RING - SNAP RETAINING, Internal M42 |
1 |
|
48 |
86001334 |
Колесо зубчатое |
COUPLING-PUMP |
1 |
|
49 |
412335 |
Стопорное кольцо |
RING - RETAINING, INTERNAL SNAP-IN |
1 |
|
50 |
86011727 |
Набор прокладок |
SHIM KIT INPUT |
1 |
|
51 |
86001337 |
Кольцо уплотнительное JIS G115 |
O-RING JIS G115 |
1 |
|
51 |
86011727 |
Набор прокладок |
SHIM KIT INPUT |
1 |
|
52 |
86011726 |
Адаптер дворников |
ADAPTER - PUMP, With ORIFICE, TRANSMISSION |
1 |
|
54 |
86001053 |
Прокладка |
KIT - SHIM, TOP SHAFT With PTO |
1 |
|
56 |
86001054 |
Прокладка |
KIT - SHIM, TRANSFER CASE LOW PADS |
1 |
|
57 |
9804268 |
Болт M12x40 Cl-8.8 |
CAPSCREW - HexHead Flanged, M12 x 40mm Cl-8.8 Pl |
8 |
|
58 |
86011730 |
Набор прокладок и уплотнений трансмиссии |
KIT - SHIMS & SEALS, TRANSMISSION ASSY |
1 |
|
59 |
86020168 |
Набор уплотнений и прокладок |
SHIM KIT SEALS AND SHIMS |
1 |
|
60 |
9671487 |
Болт M 12х1.75х50 Cl-8.8 |
CAPSCREW - FlangeHead M 12 x 1.75 x 50 Cl-8.8 |
2 |
|
61 |
86014737 |
Вал входной |
SHAFT INPUT SUB ASSY |
1 |
|
62 |
86021653 |
Болт М12 |
STUD - M12, INPUT CLUTCH HOUSING Assy |
2 |
|
52a |
86011725 |
Корпус подшипника |
RETAINER - I/S BRG, TRANS. INPUT SHAFT |
1 |
|
63 |
337475 |
Гайка И12х1.75 |
NUT, HEX M12 CLASS 10PL |
2 |
|
63 |
86011223 |
Раздаточная коробка, 12МКПП |
KIT-PTO, TRANSFER CASE, (Old-Blue) 12-Spd Synchro |
1 |
|
63 |
86029089 |
Раздаточная коробка 12МКПП L4WD |
TRANSFER CASE - PTO, 12-Spd Synchro (Red)-L4WD |
1 |
|
63 |
86032549 |
Раздаточная коробка 12МКПП HHP-L4WD |
TRANSFER CASE - PTO Assy, 12-Spd Synchro (Red), HHP-L4wd |
1 |

|
07D04 Вал промежуточный 1-ый | ||||
|
Поз |
Чертежный номер |
Наименование |
Description |
Кол- во |
|
1 |
86011719 |
Корпус муфты |
COVER, CLUTCH BRAKE W ORIFICE |
1 |
|
1 |
86025268 |
Крышка |
COVER with ORIFICE, 1st COUNTERSHAFT Assy |
1 |
|
2 |
86001347 |
Дроссель М8х1.25 - 8 диам.1.8 |
ORIFICE Dia-1.8, THREADED M8 x 1.25 -8 |
1 |
|
3 |
86001297 |
Стопор внеш. 1-го промежуточного вала |
RING - QUADRANT, OUTER, 1st COUNTERSHAFT Assy |
1 |
|
4 |
86001296 |
Стопор внут. 1-го промежуточного вала |
RING - QUADRANT, INNER, 1ST COUNTER SHAFT |
1 |
|
5 |
86001352 |
Поршень тормоза сцепления |
PISTON - CLUTCH BRAKE, 12-Speed Synchro Transmission Assy |
1 |
|
5 |
86025269 |
Поршень |
PISTON - CLUTCH BRAKE, 1st COUNTERSHAFT Assy |
1 |
|
6 |
86001348 |
Стержень |
PIPE - CLUTCH BRAKE Sub-Assy, 1st COUNTERSHAFT |
1 |
|
7 |
86001298 |
Набор прокладок для трансмиссии |
SHIM KIT TRANSMISSION |
1 |
|
07D04 Вал промежуточный 1-ый | ||||
|
Поз |
Чертежный номер |
Наименование |
Description |
Кол- во |
|
8 |
86001351 |
Пластина стальная ''В'' фрикционная пластина |
PLATE - STEEL "B", FRICTION PLATE -CLUTCH ASSY |
2 |
|
9 |
86001295 |
Возвратная пружина тормозной муфты,15мм |
SPRING - RETAINING 15mm, CLUTCH BRAKE |
4 |
|
9 |
86025270 |
Возвратная пружина 2мм |
SPRING - RETURN 2mm, COMPRESSION |
4 |
|
10 |
86001349 |
Диск фрикционный |
DISK FRICTION |
4 |
|
11 |
86001350 |
Пластина стальная ''А'' тормоза сцепления |
PLATE - STEEL "A", CLUTCH BRAKE Assy, TRANSMISSION |
3 |
|
12 |
86001057 |
Стопорное кольцо |
RING - RETAINER, CLUTCH BRAKE Assy, TRANSMISSION |
1 |
|
13 |
86001299 |
Кольцо уплотнительное вн. O 151.99 X толщина 3.53 |
O RING 151.99ID X 3.53THK |
1 |
|
15 |
86509784 |
Подшипника 55.0IDX120.0ODX31.50 |
BRG ASSY 55.0IDX120.0ODX31.50 |
2 |
|
16 |
86500890 |
Подшипник 55.00IDX1000DX35.0 |
BRG ASSY 55.00IDX100ODX35.0 |
2 |
|
17 |
86020166 |
Вал промежуточный 1-ый |
COUNTERSHAFT(1st ) & GEARS ASSY, TRANSMISSION |
1 |
|
17 |
86025265 |
Контрпривод (первый) и зубчатые колеса в сборе |
COUNTERSHAFT (1st) & GEARS S/ASSY, TRANSMISSION |
1 |
|
17A |
86001345 |
Ступица тормоза сцепления |
HUB CLUTCH BRAKE |
1 |
|
17A |
86025266 |
Ступица тормоза сцепления для 86032767 |
HUB - CLUTCH BRAKE for 86032767 1st COUNTERSHAFT |
1 |
|
18 |
86001342 |
Шестерня 1-го промежуточного вала, 42 зуба |
GEAR - 42 TEETH, 1ST COUNTER SHAFT, TRANSMISSION |
1 |
|
18 |
86032766 |
Колесо зубчатое z=42 |
GEAR - 42T |
1 |
|
19 |
86020167 |
Колесо зубчатое с антикор. покрытием z=25 |
GEAR 25 T HARD SHOT PEENED |
1 |
|
20 |
86001343 |
Шестерня 1-го промежуточного вала, 39 зубьев |
GEAR - 39 TEETH, 1ST COUNTER SHAFT, TRANSMISSION |
1 |
|
20 |
86032765 |
Колесо зубчатое z=39 |
GEAR - 39T |
1 |
|
21 |
86001340 |
Колесо зубчатое z=48 |
GEAR 48 TEETH |
1 |
|
22 |
86011718 |
Колесо зубчатое z=45 |
GEAR 45 T |
1 |
|
23 |
86011717 |
Вал трансмиссии первичный |
SHAFT 1ST COUNTER |
1 |
|
23 |
86032767 |
Вал трансмиссии первичный |
SHAFT 1ST COUNTER |
1 |
|
24 |
86001269 |
Набор уплотнений тормоза сцепления |
SEAL KIT CLUTCH BRAKE |
AR |
|
25 |
86020168 |
Набор уплотнений и прокладок |
SHIM KIT SEALS AND SHIMS |
1 |
(INCLUDED WITH SEAL KIT 66001269) 2

|
07D06 Система смазывания КПП | ||||
|
Поз |
Чертежный номер |
Наименование |
Description |
Кол- во |
|
1 |
86001335 |
Переходник |
PLATE - ADAPTER, GEAR PUMP to TRANSMISSION |
1 |
|
2 |
86019984 |
Насос |
PUMP ASSY 3.2 CIR PR PLATE |
1 |
|
3 |
86001254 |
Коллектор |
BLOCK - LUBE, TRANSMISSION LUBE SYSTEM (Synchro) |
1 |
|
4 |
86018366 |
Клапан контрольный системы смазывания МКПП |
VALVE-SYNCHRO CONTROL, TRANSMISSION LUBE SYST |
1 |
|
4A |
9617020 |
Пробка 1/4-18 |
PLUG - PIPE, HEX 1/4 - 18 NPTF |
1 |
|
4B |
9625178 |
Пробка 9/16'', сталь |
PLUG-STEEL, HexSocket 9/16in ORB |
1 |
|
4C |
9617873 |
Кольцо уплотнительное 9/16 IDX11/16 THK NITRI |
O-RING, 90-Duro Id-0.468 Thk-0.078in |
1 |
|
4D |
86002987 |
Дроссель 1/4 - 18 NPTF, диам.5.1 |
ORIFICE -1/4 - 18 NPTF, X 5.1 DIA, TRANS. LUBE SYSTEM |
1 |
|
4E |
86017354 |
Золотник контрольного клапана |
SPOOL-C, MC LUBE, TRANSMISSION CONTROL VALVE |
1 |
|
5 |
86001347 |
Дроссель И8х1.25 - 8 диам.1.8 |
ORIFICE Dia-1.8, THREADED M8 x 1.25 -8 |
1 |
|
6 |
86001271 |
Ввертыш М8х1.25 внут.диам.4 |
ORIFICE ORIFICE - ORIFICE - M8 X 1.25 X 4 DIA, TRANS. LUBE SYSTEM |
1 |
|
07D06 Система смазывания КПП | ||||
|
Поз |
Чертежный номер |
Наименование |
Description |
Кол- во |
|
7 |
86001046 |
Дроссель М8х1.25 диам.2.5 |
ORIFICE - M8 X 1.25 X 2.5 DIA, LUBE SYSTEM |
1 |
|
8 |
86001255 |
Трубка масляная 3/4, КПП |
TUBE - HYDRAULIC ASSY, 3/4 Lube, TRANSMISSION |
1 |
|
9 |
86001256 |
Трубка масляная 5/8, КПП |
TUBE - HYDRAULIC ASSY, 5/8 Mc Apply, TRANSMISSION |
1 |
|
10 |
86001257 |
Трубка масляная 5/8, КПП |
TUBE - HYDRAULIC ASSY, 5/8 Mc Lube, TRANSMISSION |
1 |
|
11 |
86001258 |
Трубка масляная 3/8, КПП L4WD |
TUBE - HYDRAULIC ASSY, 3/8 Lube IS, TRANSMISSION L4WD |
1 |
|
12 |
86001259 |
Трубка масляная 3/8 |
TUBE ASSEMBLY, 3/8 Lube Input |
1 |
|
13 |
86001260 |
Трубка масляная 3/8, задняя, КПП |
TUBE - HYDRAULIC ASSY, 3/8 Lube I/S-RrTube, TRANSMISSION |
1 |
|
14 |
86011722 |
Трубка масляная 3/8, КПП L4WD |
TUBE - HYDRAULIC ASSY, 3/8 Oslb, TRANSMISSION L4WD |
1 |
|
15 |
86001262 |
Трубка масляная 3/8, 1-го промежуточного вала КПП |
TUBE - HYDRAULIC ASSY, 3/8 Lube 1st-CS, TRANSMISSION |
1 |
|
16 |
86019050 |
Трубка гидравлическая |
TUBE - HYDRAULIC Assy, MC BRAKE SOLENOID, TRANSMISSION |
1 |
|
17 |
76350 |
Штуцер 9/16mjic x 9/16morb |
CONNECTOR - STRAIGHT Hydraulic, 9/16mjic x 9/16morb |
7 |
|
18 |
76344 |
Фитинг 90°, 9/16mjic x 9/16orb -18unf |
ELBOW - HYDRAULIC CONNECTOR, 90Deg 9/16mjic x 9/16orb - 18unf |
3 |
|
19 |
322894 |
Фитинг 90°, 1-1/16 Jic x 1-1/16 Orb |
ELBOW - Hydraulic 90-Deg, 1-1/16 Jic x 1-1/16 Orb |
2 |
|
20 |
164910 |
Патрубок 90 7/8MJIC X 7/8ORB |
ELBOW 90 7/8MJIC X 7/8ORB |
4 |
|
21 |
163335 |
Тройник 9/16''-18UNF |
T-Branch, 9/16"-18UNF |
1 |
|
22 |
86001267 |
Уплотнение |
KIT - O'RING VALVE MOUNT, TRANS. LUBE SYST |
1 |
|
23 |
86001338 |
Уплотнительное кольцо JIS B2401 G100 |
O-RING Nitrile JIS B2401 G100 |
1 |
|
24 |
V86576 |
Хомут 0.625 |
CLAMP, P-Clip Plastic Coat, Dia-0.625 |
1 |
|
25 |
86050346 |
P-образный зажим с покрытием, o 0.38 |
P CLIP COATED 0.38 DIA |
1 |
|
26 |
86516151 |
Штифт 8х16 |
PIN - SPRING, 8 x 16 JIS B2808 |
2 |
|
27 |
9824259 |
Шайба диам.внут.6.62, наруж.12.0, толщина 1.6мм, сталь |
WASHER - STEEL, Id-6.62mm Od-12.0mm Thk-1.60 |
2 |
|
28 |
378056 |
Болт M6x1.0x10.0 Cl 8.8 |
CAPSCREW HexHead Cl 8.8 M6 x 1.0 x 10.0 |
2 |
|
29 |
378244 |
Шайба М10 |
WASHER-STEEL, FLAT M10 |
7 |
|
30 |
120074 |
Болт M10x1.50x90 Cl-8.8 Pl |
CAPSCREW - HexHead M10 x 1.50 x 90 Cl-8.8 Pl |
5 |
|
31 |
43144 |
Болт CL8.8, M10 x 1.5 x 70 |
Screw, Cap, HH, CL8.8, M10 x 1.5 x 70 |
2 |
|
32 |
9670066 |
Болт M12x1.75x30 Cl-8.8 |
CAPSCREW - HexHead Flanged, Cl-8.8 M12 x 1.75 x 30 Pl |
4 |
|
33 |
86509605 |
Болт М12х1.75х85 |
BOLT |
2 |
|
34 |
76349 |
Пробка 9/16 ORB |
PLUG, HEXHD 9/16 ORB |
1 |
|
35 |
86050012 |
Рукав гидравлический в сборе 100R1 ID-1.00in Lg- |
HOSE - HYDRAULIC, 100R1 ID-1.00in Lg-610mm |
1 |
|
07D06 Система смазывания КПП | ||||
|
Поз |
Чертежный номер |
Наименование |
Description |
Кол- во |
|
36 |
9790711 |
Рукав 1/4''x400 100R1 |
HOSE ASSEMBLY, 1/4x400 100R1 |
1 |
|
37 |
86020168 |
Набор уплотнений и прокладок |
SHIM KIT SEALS AND SHIMS |
1 |
|
38 |
86019051 |
Трубка тормоза КПП |
TUBE - HYDRAULIC Assy, MC BRAKE, TRANSMISSION |
1 |
|
39 |
86019052 |
Корпус |
BODY - VALVE, TRANS. LUBE SYSTEM |
1 |
|
40 |
86508618 |
Болт M10 X 45 |
SCREW - HEX HEAD, 10.9 P M10 X 45 |
2 |
|
41 |
86018786 |
Клапан контейнерный |
VALVE, CARTRIDGE |
1 |
|
42 |
86020169 |
Уплотнительное кольцо, нитрил JIS B2401 P10A |
O-RING, Nitrile JIS B2401 P10A |
1 |
|
43 |
76344 |
Фитинг 90°, 9/16mjic x 9/16orb -18unf |
ELBOW - HYDRAULIC CONNECTOR, 90Deg 9/16mjic x 9/16orb - 18unf |
1 |
|
44 |
76350 |
Штуцер 9/16mjic x 9/16morb |
CONNECTOR - STRAIGHT Hydraulic, 9/16mjic x 9/16morb |
1 |
|
45 |
9672438 |
Пробка 7/16 - 20 |
PLUG - HexHead 7/16 - 20 |
1 |
|
46 |
9706729 |
Винт с гексагональной головкой 0.44 x 1.00 Gr-5 Pl |
CAPSCREW - HexHead, 0.44 x 1.00 Gr-5 Pl |
2 |

|
07D05 Вал промежуточный 2-ой | ||||
|
Поз |
Чертежный номер |
Наименование |
Description |
Кол- во |
|
1 |
9670066 |
Болт M12x1.75x30 Cl-8.8 |
CAPSCREW - HexHead Flanged, Cl-8.8 M12 x 1.75 x 30 Pl |
4 |
|
2 |
86509785 |
Подшипник 60.0IDX130.00DX48.50 |
BRG ASSY 60.0IDX130.0ODX48.50 |
1 |
|
3 |
86017341 |
Подшипник 55.0IDX120.00DX45.50 |
BRG ASSY 55.0IDX120.0ODX45.50 |
1 |
|
4 |
86020163 |
Вал и шестерня в сборе, L4WD |
SHAFT & CLUSTER GEAR ASSY, Generation-4, L4WD |
1 |
|
5 |
86011721 |
Кольцо уплотнительное J15 G125 |
O RING J15 G125 |
1 |
|
6 |
86019020 |
Крышка 2-го промежуточного вала L4WD |
COVER - 2nd COUNTERSHAFT, L4WD |
1 |
|
7 |
86001307 |
Кольцо промежуточной шестерни |
SPACER - GEAR IDLER, 2nd COUNTERSHAFT ASSY, L4WD |
1 |
|
07D05 Вал промежуточный 2-ой | ||||
|
Поз |
Чертежный номер |
Наименование |
Description |
Кол- во |
|
8 |
86001305 |
Колесо зубчатое на валу трансмиссии z=22 |
GEAR 22T 2ND CSHAFT TRANS |
1 |
|
9 |
86509781 |
Подшипник игольчатый 13DIAX1.00THK |
BRG NEEDLE 2.13DIAX1.00THK |
2 |
|
10 |
86001304 |
Ось L4WD |
PIN - REVERSE, 2nd COUNTERSHAFT Assy L4WD |
1 |
|
11 |
271622 |
Кольцо уплотнительное 2.609IDX0.139THK NITR |
O-RING Nitrile. Id-2.609in Thk-0.139in |
1 |
|
12 |
86020168 |
Набор уплотнений и прокладок |
SHIM KIT SEALS AND SHIMS |
1 |
|
13 |
86019021 |
Набор прокладок |
SHIM , KIT |
1 |
|
14 |
86020164 |
Вал-шестерня, 21-30 зубьев |
SHAFT - CLUSTER GEAR 21-30 Tooth, |
1 |
|
15 |
86020165 |
Колесо зубчатое коробки передач z=42 |
GEAR 42 22T GEAR CLUSTER |
1 |
86019032
86002435
|
07D07 Муфта сцепления в сборе | ||||
|
Поз |
Чертежный номер |
Наименование |
Description |
Кол- во |
|
1 |
86002436 |
Диск |
PLATE-DRUM, MASTER CLUTCH ASSY L4WD |
1 |
|
2 |
9804262 |
Болт M10x30 Cl-8.8 |
CAPSCREW - HexHead Flanged, M10 x 30 Cl-8.8 Pl |
8 |
|
3 |
86509334 |
Штифт 10.0x20.0мм |
PIN - DOWEL 10.0 x 20.0mm |
2 |
|
4 |
86001232 |
Диск фрикционный 11 внутр. |
DISK FRICTION 11 IN |
6 |
|
5 |
86001231 |
Диски сцепления стальные |
PLATE CLUTCH STEEL |
5 |
|
6 |
86001234 |
Стержень |
PIN - RETURN SPRING GUIDE, MASTER CLUTCH ASSY |
16 |
|
7 |
86001235 |
Пружина муфты сцепления, 71мм |
SPRING - 71mm, RETURN GUIDE MASTER CLUTCH ASSY |
12 |
|
8 |
86001230 |
Ступица главной фрикционной |
HUB-CLUTCH MASTER ASSEMBLY L4WD |
1 |
|
07D07 Муфта сцепления в сборе | ||||
|
Поз |
Чертежный номер |
Наименование |
Description |
Кол- во |
|
муфты | ||||
|
9 |
86001225 |
Диск |
PLATE - RETURN, INPUT CLUTCH Assy |
1 |
|
10 |
86001228 |
Поршень ведущей муфты |
PISTON, MASTER CLUTCH |
1 |
|
11 |
86001229 |
Кольцо внешнее |
RING - PISTON OUTER, MASTER CLUTCH SEAL |
1 |
|
12 |
86001227 |
Кольцо внутреннее |
RING - PISTON, INNER, MASTER CLUTCH ASSY |
1 |
|
13 |
86017400 |
Штифт |
PIN,GUIDE |
1 |
|
14 |
86001224 |
Барабан муфты сцепления |
DRUM - MASTER CLUTCH ASSY |
1 |
|
15 |
86001268 |
Комплект уплотнений |
KIT-SEAL, MASTER CLUTCH ASSY |
1 |
|
16 |
86019033 |
Пружина разделитель |
SPRING - MC SEPARATOR, CLUTCH PLATE HUB Assy |
24 |
|
07D08 Части всасывающей линии 12 МКПП | ||||
|
Поз |
Чертежный номер |
Наименование |
Description |
Кол- во |
|
1 |
86019049 |
Экран защитный |
GUARD - SCREEN, SUCTION COMPONENTS |
1 |
|
2 |
86001249 |
Кронштейн |
BRACKET |
1 |
|
3 |
86001246 |
Фильтр всасывания |
SCREEN SUCTION |
1 |
|
4 |
86019048 |
Всасывающий патрубок, нижний |
TUBE - ASSY, SUCTION LOWER |
1 |
|
5 |
86019047 |
Трубка |
TUBE |
1 |
|
6 |
86001250 |
Хомут |
BRACKET-PIPE SUPPORT |
1 |
|
7 |
86001245 |
Патрубок |
HOSE - SUCTION, TRANSMISSION LUBE SYSTEM |
1 |
|
8 |
86050202 |
Зажим 2.5 |
CLAMP HOSE 2.5 |
4 |
|
9 |
86001247 |
Кольцо уплотнительное JIS P50, трансмиссия |
O -ring, JIS P50, Trans, Lower Suction Screen |
1 |
|
10 |
86001244 |
Уплотнительное кольцо JIS P44 |
O-RING, JIS P44, TRANS. UPPER SUCTION TUBE |
1 |
|
11 |
86001252 |
Шайба уплотнительная |
GASKET - WASHER, SUCTION SCREEN GUARD Assy |
2 |
|
12 |
140046 |
Шайба стопорная M12 PL |
WASHER - LOCK Belleville, M12 Pl |
3 |
|
07D08 Части всасывающей линии 12 МКПП | ||||
|
Поз |
Чертежный номер |
Наименование |
Description |
Кол- во |
|
13 |
337475 |
Гайка M12X1.75 |
NUT, HEX M12 CLASS 10PL |
4 |
|
14 |
9670066 |
Болт M12x1.75x30 Cl-8.8 |
CAPSCREW - HexHead Flanged, Cl-8.8 M12 x 1.75 x 30 Pl |
2 |
|
15 |
9670066 |
Болт M12x1.75x30 Cl-8.8 |
CAPSCREW - HexHead Flanged, Cl-8.8 M12 x 1.75 x 30 Pl |
1 |
|
16 |
86509604 |
Винт с гексагональной головкой с фланцами M12 x 75 |
CAPSCREW - HexHead, Flanged M12 x 75mm Cl-8.8 Pl |
4 |
|
17 |
280410 |
Винт с гексагональной головкой 0.44 x 1.00 Gr8 Pl |
CAPSCREW - HexHead, 0.44 x 1.00 Gr8 Pl |
4 |
|
18 |
V109029 |
Подогреватель |
KIT- DIA. TRANSMISSION HEATER |
1 |
|
18A |
86509503 |
Адаптер гидросистемы .825 Od |
Adapter Hydraulictube .825 Od |
1 |
|
19 |
9626929 |
Кольцо уплотнительное вн. O 1.048 X толщина 0.116 |
O RING 1.048 IDX0.116 THK |
1 |
|
20 |
86001373 |
Подогреватель масла в картере КПП |
HEATER,TRANSMISSION |
1 |
|
21 |
510185 |
Уплотнительное кольцо |
O-RING |
1 |
|
22 |
9705727 |
Трубка-фильтр КПП |
TUBE - FILLER, TRANSMISSION |
1 |
|
23 |
9705728 |
Колпачок патрубка наливного |
CAP FILLER TUBE |
1 |
|
24 |
44183 |
Шайба 13.00X24.00X2.5 HDN PL |
WASHER - STEEL Flat Hrd, Id-13.0 Od-24.0 Thk-2.5 Pl |
4 |
|
25 |
87689 |
Болт шестигранный 0.50 X 1.50GR5 PL |
BOLT HEX 0.50 X 1.50GR5 PL |
4 |
|
26 |
86511892 |
Болт шестигранный FLG USR M 6 X 16 PL |
BOLT HEX FLG USR M 6 X 16 PL |
1 |
|
27 |
86514335 |
Контргайка с нейлоновой вставкой M6 класс 10 PL |
NUT LOCK NYLON M6 CLASS10 PL |
1 |
|
28 |
27286 |
Уплотнительное кольцо внут. O 0,984, толщина 0,139 |
O-RING ID-0.984in Thk-0.139in |
1 |
|
29 |
9862010 |
Рукав 3/4''х515мм 100R1 |
HOSE - HYDRAULIC ASSY, Id-3/4in Lth-515mm 100R1 |
1 |
|
30 |
9670285 |
Болт Gr8 3/8"16x1" |
CAPSCREW - HexHd Gr8 Plt 0.38 x 1.00 |
4 |
|
31 |
9790708 |
Хомут |
CLAMP |
2 |
|
32 |
86020168 |
Набор уплотнений и прокладок |
SHIM KIT SEALS AND SHIMS |
1 |
8S013591 /30013569
|
07E07 Вал кард |
анный в сборе | |||
|
Поз |
Чертежный номер |
Наименование |
Description |
Кол- во |
|
1 |
86029957 |
Вал карданный, серия 1610 535М |
DRIVESHAFT ASSY 1610 SER 535 M |
1 |
|
2 |
UNKNOWN |
Главный тормозной цилиндр |
Master Brake Cylinder - See Breakdown This Section 1.5 OD, Years: 01/01/1982-12/31/1984 |
1 |
|
3 |
86000276 |
Уплотнение |
SEAL, SLIP w/ZERK |
1 |
|
4 |
86000275 |
Фланец карданного вала, 30 шлицев, 8 отверстий |
FLANGE - SLIP 30-Spline 8-Hole, 1610 DRIVELINE Assy |
1 |
|
5 |
V107232 |
Крестовина карданного вала |
Крестовина карданного вала |
2 |
36013591 /00013589
|
07E03 Вал карданный в сборе | ||||
|
Поз |
Чертежный номер |
Наименование |
Description |
Кол- во |
|
1 |
86029973 |
Вал карданный в сборе, длина 840мм, серия 1610 |
DRIVESHAFT ASSY 1610 Series, Installed Lth-840mm ( Red ) |
1 |
|
2 |
NSS |
Отдельно не продается |
Not Sold Separately |
1 |
|
3 |
86000276 |
Уплотнение |
SEAL, SLIP w/ZERK |
1 |
|
4 |
86000275 |
Фланец карданного вала, 30 шлицев, 8 отверстий |
FLANGE - SLIP 30-Spline 8-Hole, 1610 DRIVELINE Assy |
1 |
|
5 |
V107232 |
Крестовина карданного вала |
Крестовина карданного вала |
2 |
|
07E09 Вал карданный в сборе | ||||
|
Поз |
Чертежный номер |
Наименование |
Description |
Кол- во |
|
1 |
86027858 |
Вал карданный, серия 1610 |
DRIVESHAFT ASSY 1610 SERIES |
1 |
|
1 |
9704379 |
Карданный вал в сборе, серия 1610 |
DRIVESHAFT - ASSY, 1610 SERIES |
1 |
|
2 |
9673093 |
ВИЛКА , КАРДАННЫЙ ВАЛ |
YOKE-SLIP, DRIVESHAFT |
1 |
|
3 |
9672382 |
ВИЛКА ШЛИЦЕВАЯ, КАРДАННЫЙ ВАЛ |
YOKE - SPLINED, DRIVESHAFT Assy |
1 |
|
4 |
86015399 |
Колпачок пылезащитный |
CAP-DUST, DRIVELINE SPLINE COLLAR |
1 |
|
5 |
V107232 |
Крестовина карданного вала |
Крестовина карданного вала |
2 |
|
07E10 Вал карданный в сборе | ||||
|
Поз |
Чертежный номер |
Наименование |
Description |
Кол- во |
|
1 |
86001004 |
Карданный вал в сборе, серия 1610 (синий) |
DRIVESHAFT ASSY, 1610 Series (Blue) |
1 |
|
1 |
86027862 |
Вал карданный, серия 1610 |
DRIVESHAFT ASSY 1610 SERIES |
1 |
|
2 |
V17478 |
Вилка с трубой |
YOKE, SLIP - DRIVESHAFT ASSY (L4WD) |
1 |
|
3 |
V102766 |
Вилка с валом |
YOKE SHAFT - DRIVELINE ASSEMBLY |
1 |
|
4 |
86015399 |
Колпачок пылезащитный |
CAP-DUST, DRIVELINE SPLINE COLLAR |
1 |
|
5 |
V107232 |
Крестовина карданного вала |
Крестовина карданного вала |
2 |
|
07E13 Вал карданный в сборе | ||||
|
Поз |
Чертежный номер |
Наименование |
Description |
Кол- во |
|
1 |
86028084 |
Карданный вал, серия 1610 |
DRIVESHAFT - 1610 SERIES |
1 |
|
1 |
9707104 |
Карданный вал в сборе, серия 1610 неокрашенный |
DRIVESHAFT ASSY - 1610 Series, Unpainted |
1 |
|
2 |
NSS |
Отдельно не продается |
Not Sold Separately |
1 |
|
3 |
V107232 |
Крестовина карданного вала |
Крестовина карданного вала |
2 |
66027865/86001007
|
07E17 Вал карданный в сборе | ||||
|
Поз |
Чертежный номер |
Наименование |
Description |
Кол- во |
|
1 |
86001007 |
Вал карданный в сборе, серия 1550 |
DRIVESHAFT ASSY, 1550 Series (Old Blue) |
1 |
|
1 |
86027865 |
Вал карданный в сборе, длина 1108мм, серия 1550 |
DRIVESHAFT ASSY, Install Lth-1108mm, 1550 Series RED |
1 |
|
2 |
9702674 |
Шарнир с трубой |
YOKE,TUBE |
1 |
|
3 |
86001104 |
Шарнир с трубой,серия 1550 |
YOKE, SLIP 1550 SERIES |
1 |
|
4 |
9673095 |
Пыльник |
KIT - DUST CAP for SLIP YOKE, DRIVELINES Assy |
1 |
|
5 |
86001098 |
Вилка U-образная 1550 PERM |
U JOINT KIT 1550 PERM LUBE |
2 |
66027865/86001007
|
07E18 Вал карданный в сборе | ||||
|
Поз |
Чертежный номер |
Наименование |
Description |
Кол- во |
|
1 |
86001006 |
Вал карданный в сборе, серия 1550 |
DRIVESHAFT ASSY, 1550 Series (Old Blue) |
1 |
|
1 |
86027864 |
Вал карданный в сборе, серия 1550 |
DRIVESHAFT ASSY, 1550 Series RED |
1 |
|
2 |
9673101 |
Вилка с трубой |
TUBE YOKE |
1 |
|
3 |
9673096 |
Вилка с трубой |
SLIP YOKE |
1 |
|
4 |
9673095 |
Пыльник |
KIT - DUST CAP for SLIP YOKE, DRIVELINES Assy |
1 |
|
5 |
86001098 |
Вилка U-образная 1550 PERM |
U JOINT KIT 1550 PERM LUBE |
2 |
|
07G01 Преобразователь в сборе | ||||
|
Поз |
Чертежный номер |
Наименование |
Description |
Кол-во |
|
1 |
86017925 |
Транслятор |
TRANSLATOR |
1 |
|
1A |
NSS |
Отдельно не продается |
Not Sold Separately |
1 |
|
2 |
NSS |
Отдельно не продается |
Not Sold Separately |
1 |
|
3 |
NSS |
Отдельно не продается |
Not Sold Separately |
1 |
|
4 |
NSS |
Отдельно не продается |
Not Sold Separately |
1 |
|
5 |
NSS |
Отдельно не продается |
Not Sold Separately |
1 |
|
6 |
120100 |
Болт M30x1.0x20 Cl-8.8 |
CAPSCREW, HexHd Cl-8.8 M30 X 1.0 x 20 Pl |
4 |
|
7 |
86517328 |
Шайба М6 |
WASHER LOCK M6 |
4 |
|
8 |
43248 |
Болт M10x40 10.9PL |
BOLT, HEX M10x40 10.9PL |
1 |
|
9 |
NSS |
Отдельно не продается |
Not Sold Separately |
1 |
|
10 |
NSS |
Отдельно не продается |
Not Sold Separately |
1 |
|
11 |
NSS |
Отдельно не продается |
Not Sold Separately |
2 |
|
12 |
NSS |
Отдельно не продается |
Not Sold Separately |
1 |
|
07F01 Насос шестеренчатый в сборе | ||||
|
Поз |
Чертежный номер |
Наименование |
Description |
Кол- во |
|
1 |
86019984 |
Насос |
PUMP ASSY 3.2 CIR PR PLATE | |
|
2 |
NSS |
Отдельно не продается |
Not Sold Separately |
2 |
|
3 |
NSS |
Отдельно не продается |
Not Sold Separately |
2 |
|
4 |
NSS |
Отдельно не продается |
Not Sold Separately |
2 |
|
5 |
NSS |
Отдельно не продается |
Not Sold Separately |
2 |
|
6 |
NSS |
Отдельно не продается |
Not Sold Separately |
1 |
|
7 |
NSS |
Отдельно не продается |
Not Sold Separately |
1 |
|
8 |
NSS |
Отдельно не продается |
Not Sold Separately |
2 |
|
9 |
NSS |
Отдельно не продается |
Not Sold Separately |
2 |
|
10 |
NSS |
Отдельно не продается |
Not Sold Separately |
1 |
|
11 |
NSS |
Отдельно не продается |
Not Sold Separately |
1 |
|
07F01 Насос шестеренчатый в сборе | ||||
|
Поз |
Чертежный номер |
Наименование |
Description |
Кол- во |
|
12 |
86000923 |
Крышка |
COVER |
1 |
|
13 |
86000924 |
Фланец шестеренчатого насоса |
FLANGE, MOUNTING |
1 |
|
14 |
20304 |
Болт G5 3/8''-16 x 5-1/2" |
Screw, Cap, HH, G5, 3/8"-16 x 5-1/2", Years: 01/01/1983-12/31/1984 |
8 |
|
15 |
80680 |
Шайба 0.375'', Pl |
WASHER-LOCK 0.375in Pl |
8 |
|
16 |
NSS |
Отдельно не продается |
Not Sold Separately |
1 |
|
17 |
86000927 |
Уплотнение |
KIT - SEALS for 86000398 GEAR PUMP L4WD |
AR |
|
18 |
86000928 |
Ремонтный комплект |
KIT-REPAIR for 86000398 LUBE PUMP, Bushings & Gears |
AR |
|
07G02 Преобразователь в сборе - трансмиссия серии 9L7520 и ON | ||||
|
Поз |
Чертежный номер |
Наименование |
Description |
Кол- во |
|
1 |
86025254 |
Переключатель в сборе, МКПП |
TRANSLATOR-SHIFTER Assy, SYNCHRO TRANSMISSION |
1 |
|
2 |
NSS |
Отдельно не продается |
Not Sold Separately |
1 |
|
3 |
86023614 |
Пробка |
Plug Expansion |
1 |
|
4 |
86023613 |
Втулка преобразователя в сборе, трансмиссия |
BUSHING - TRANSLATOR Assy, TRANSMISSION |
2 |
|
5 |
86023616 |
Сальник |
SEAL - OIL, SHIFT TRANSLATOR Assy, TRANSMISSION |
1 |
|
6 |
86023617 |
Фиксатор |
COLLAR - FINGER, SHIFT RAIL LEVER, TRANSMISSION |
1 |
|
7 |
120069 |
Болт M10x1.5x50 Cl-8.8 |
CAPSCREW HexHead Cl-8.8 Pl, M10 x 1.5 x 50 |
1 |
|
8 |
86023618 |
Шпонка |
KEY-SINK, COLLAR - SHIFT LEVER ASSY, TRANSLATOR |
1 |
|
07G02 Преобразователь в сборе - трансмиссия серии 9L7520 и ON | ||||
|
Поз |
Чертежный номер |
Наименование |
Description |
Кол- во |
|
9 |
86023619 |
Рычаг механизма переключения |
LEVER, SHIFT |
1 |
|
10 |
86023620 |
Втулка, рычаг переключения передач |
BUSHING - SHIFT LEVER, TRANSLATOR Assy, TRANSMISSION |
2 |
|
11 |
86023621 |
Масляное уплотнение рычага переключения |
OIL SEAL - SHIFT LEVER, TRANSLATOR Assy, TRANSMISSION |
2 |
|
12 |
86023622 |
Шайба уплотнительная |
WASHER - SEAL, SHIFT TRANSLATOR Assy, TRANSMISSION |
1 |
|
13 |
86505662 |
Гайка M6 |
NUT - HEX M6 Class 8 Pl |
1 |
|
14 |
NSS |
Отдельно не продается |
Not Sold Separately |
1 |
14А02 Капот, радиаторная решетка и боковые щитки, Model:2335 Универсальный полноприводный трактор - красный!

9703147
9705951
9705950
|
14A02 Капот, радиаторная решетка и боковые щитки | ||||
|
Поз |
Чертежный номер |
Наименование |
Descriptionl |
Кол- во |
|
1 |
86025798 |
Капот, центральная часть, L4WD |
HOOD - MOLDED SMC, TOP CENTER (New Blue) L4WD |
1 |
|
1 |
86027797 |
Верхняя центральная часть капота, красная |
HOOD TOP CENTER RED |
1 |
|
2 |
86025800 |
Экран левый боковой |
SHIELD - SMC Mold, SIDE LH, L4WD HOOD ASSY (New Blue) |
1 |
|
2 |
86027799 |
Левая боковина облицовки, красная |
SHIELD LH SIDE RED |
1 |
|
3 |
86025799 |
Экран правый боковой |
SHIELD - SMC Mold, SIDE RH, L4WD HOOD ASSY (New Blue) |
1 |
|
3 |
86027798 |
Правая боковина облицовки, красная |
SHIELD RH SIDE RED |
1 |
|
4 |
86025795 |
Гнездо фонаря |
POCKET-MOLDED SMC / Poly-Plastic, HEADLIGHT (N-Blue) |
1 |
|
4 |
86027796 |
Гнездо фонаря |
POCKET-MOLDED SMC / Poly-Plastic, HEADLIGHT (Red) |
1 |
|
14A02 Капот, радиаторная решетка и боковые щитки | ||||
|
Поз |
Чертежный номер |
Наименование |
Descriptionl |
Кол- во |
|
5 |
9707657 |
Кронштейн левый |
PLATE - BACKING LH, SIDE SHLIED / HOOD Assy |
1 |
|
5 |
9707658 |
Кронштейн правый |
PLATE - BACKING RH, SIDE SHLIED / HOOD Assy |
1 |
|
6 |
9703149 |
Пружина пневматическая |
GAS SPRING |
2 |
|
7 |
9704028 |
Втулка |
BUSHING - SNAP IN |
4 |
|
8 |
9706873 |
Отбойник |
BUMPER - ADJUSTABLE, HOOD SIDE SHIELDS |
6 |
|
9 |
86050274 |
Гайка FLG USR 0.313NF |
NUT USR FLG 0.313NF |
12 |
|
10 |
87653 |
Гайка №8 Nc Gr-5 Pl |
NUT - HEX #8 Nc Gr-5 Pl |
2 |
|
11 |
86034025 |
Уплотнительная накладка нижней части капота, 900 м |
SEAL HOOD LOWER, 900MM |
2 |
|
11 |
86050007 |
Уплотнение |
MOULDING, NEOPE W FLEX STEEL |
2 |
|
12 |
86001197 |
Кронштейн ограничителя хода буфера |
BRACKET BUMPER STOP |
2 |
|
13 |
274257 |
Винт с гексагональной головкой с фланцами M12 x 1. |
CAPSCREW - HexHead Flg USR M12 x 1.75 x 40 Pl |
4 |
|
14 |
43436 |
Гайка M12 Usr Pl |
NUT - Hex Flange M12 Usr Pl |
4 |
|
15 |
86505868 |
Гайка шестигранная USR M 8 PL |
NUT HEX FLG USR M 8 PL |
40 |
|
16 |
86050286 |
Болт шестигранный FLG HVY M10 X1.5 X 20 |
BOLT HEX FLG HVY M10 X1.5 X 20 |
2 |
|
17 |
43435 |
Гайка M10 Usr Pl |
NUT - Hex Flange M10 Usr Pl |
2 |
|
18 |
86001198 |
Кронштейн, L4WD |
BRACKET, PADDLE LATCH, HOODS / GRILLE ASSY L4WD |
2 |
|
19 |
86505866 |
Болт шестигранный FLG M6 X 20 PLBL |
BOLT HEX FLG M6 X 20 PLBL |
8 |
|
20 |
9706870 |
Подкладка |
LATCH, PADDLE HANDLE |
2 |
|
21 |
86029951 |
Крепление левой боковины облицовки |
BRACE SIDE SHIELD LH |
1 |
|
21 |
86029952 |
Крепление правой боковины облицовки |
BRACE SIDE SHIELD RH |
1 |
|
22 |
86013811 |
Шаровый палец |
BALL STUD |
4 |
|
25 |
9824259 |
Шайба диам.внут.6.62, наруж.12.0, толщина 1.6мм, сталь |
WASHER - STEEL, Id-6.62mm Od-12.0mm Thk-1.60 |
8 |
|
26 |
86514335 |
Контргайка с нейлоновой вставкой M6 класс 10 PL |
NUT LOCK NYLON M6 CLASS10 PL |
8 |
|
27 |
9706913 |
Кронштейн левого заднего шарнира |
BRACKET, HINGE SIDE SHIELD RH REAR |
1 |
|
27 |
9706944 |
Кронштейн левого заднего шарнира |
BRACKET, HINGE SIDE SHIELD LH REAR |
1 |
|
28 |
86001136 |
Кронштейн шарнира, двигатель Qsm-11 |
BRACKET - HINGE, SIDE SHIELD LH Front (Qsm-11 Engine) |
1 |
|
28 |
86001137 |
Кронштейн навески первого переднего щита |
HINGE BRKT SIDE SHIELD RH FRT |
1 |
|
28 |
86030324 |
Кронштейн навески левой передней боковины |
HINGE BRKT SIDE SHIELD LH FRT |
1 |
|
28 |
86030325 |
Кронштейн навески правой передней боковины |
HINGE BRKT SIDE SHIELD RH FRT |
1 |
|
29 |
PL |
Топливный цилиндр |
Purchase Locally - Part Not Sold Seperately |
2 |
|
14A02 Капот, радиаторная решетка и боковые щитки | ||||
|
Поз |
Чертежный номер |
Наименование |
Descriptionl |
Кол- во |
|
30 |
86000098 |
Опора пружины регулятора газа |
BRACKET GAS SPRING MTG |
2 |
|
31 |
86000152 |
Уплотненитель гнезда фары |
SEAL HEADLIGHT POCKET |
1 |
|
32 |
274249 |
Болт шестигранный USR M10 X 20 PL |
CAPSCREW - HexHead Flanged, M10 x 1.50 x 20 Pl |
4 |
|
33 |
86050279 |
Гайка шестигранная M10 класс 10 PL |
NUT HEX FLG M10 CLASS 10 PL |
4 |
|
34 |
86000247 |
Фиксатор радиаторной решетки |
STOP - STRIP W/Assy (Black), FRONT GRILL |
1 |
|
35 |
86000267 |
Шайба 8 x 20 3-Ply |
WASHER - FLAT Belt-Fiber, 8 x 20 3-Ply |
1 |
|
36 |
9670023 |
Контргайка с нейлоновой вставкой M8 класс 8 PL |
NUT - LOCK HEX, Nylon M8 Class8 Pl |
1 |
|
37 |
9706883 |
Уплотнение решетки радиатора, длина 1820мм, резина |
SEAL - RUBBER, FRONT GRILL SCREEN Lth-1820mm |
1 |
|
38 |
9706882 |
Нижнее уплотнение решетки радиатора |
SEAL, GRILL SCREEN BOTTOM |
1 |
|
39 |
86023948 |
Решетка радиатора |
GRILL Weld-Assy (Black) Small-Holes, 8.3ltr / M11 / N14 Engines |
1 |
|
39 |
86029879 |
Решетка радиатора |
GRILLE WA |
1 |
|
40 |
86021834 |
Затвор решетки |
GRILL ROTOR LATCH |
1 |
|
41 |
86050281 |
Болт шестигранный FLG USR M 6 X 30 PL |
BOLT HEX FLG USR M 6 X 30 PL |
2 |
|
42 |
86511444 |
Гайка шестигранная FLG USR M 6 PL |
NUT HEX FLG USR M 6 PL |
1 |
|
43 |
9707332 |
Кнопка "решетка + капот'' |
KNOB - GRILLE & HOOD Assy, L4wd |
2 |
|
44 |
86511915 |
Крепежный винт с плоскоконической головкой #8 X 1. |
SCREW MACH #8 X 1.00 PANHD PL |
1 |
|
45 |
86511315 |
Шайба 8.62X16.00X1.60 PL |
WASHER 8.62X16.00X1.60 PL |
4 |
|
46 |
86010612 |
Эмблема |
MOULDING, VINYL STEEL CORE |
2 |
|
47 |
86025972 |
Болт |
STUD |
20 |
|
48 |
9841568 |
Шпилька M8 X 15 PL, специальная |
STUD M8 X 15 PL SPECIAL |
16 |
|
49 |
86000188 |
Болт 5/16-14х3/4" |
SCREW |
6 |
|
86050277 |
Гайка 5/16-18 |
NUT,5/16-18 |
4 | |
|
86511315 |
Шайба 8.62X16.00X1.60 PL |
WASHER 8.62X16.00X1.60 PL |
4 | |
9703162
|
14B02 Крылья и родственные элементы | ||||
|
Поз |
Чертежный номер |
Наименование |
Descriptionl |
Кол- во |
|
1 |
86027801 |
Ограждающий щиток левый задний |
FENDER REAR LH RED |
1 |
|
2 |
86027802 |
Ограждающий щиток правый задний |
FENDER REAR RH RED |
1 |
|
3 |
86027931 |
Крепление заднего правого щитка, красное |
SUPPORT RH REAR FENDER (RED) |
1 |
|
4 |
86027930 |
Крепление заднего левого щитка, красное |
SUPPORT LH REAR FENDER (RED) |
1 |
|
5 |
86030106 |
Крыло переднее правое, L4WD |
FENDER - FRONT R/H Weld-Assy, (Black) L4WD |
1 |
|
5 |
86035134 |
Правый оградительный щиток |
FENDER WA RH |
1 |
|
6 |
9704084 |
Крыло переднее левое, L4WD |
FENDER - FRONT Steel, LH - L4WD |
1 |
|
7 |
86030127 |
Задний упор капота, двигатель QSM-11 L4WD |
SUPPORT-REAR HOOD W/Assy (ReWorked), QSM-11 Engines L4WD |
1 |
|
7 |
86032948 |
Опора капота задняя, двигатель |
SUPPORT - REAR HOOD Weld-Assy, Qsm-11 |
1 |
|
14B02 Крылья и родственные элементы | ||||
|
Поз |
Чертежный номер |
Наименование |
Descriptionl |
Кол- во |
|
Qsm-11 Tier-III, L4WD |
Tier-III, L4WD | |||
|
8 |
9707659 |
Уголок |
ANGLE |
2 |
|
9 |
86000286 |
Перегородка для проводов ламп переднего щитка |
SHIELD WRKLAMP WIRE FRT FENDER |
2 |
|
10 |
120074 |
Болт M10x1.50x90 Cl-8.8 Pl |
CAPSCREW - HexHead M10 x 1.50 x 90 Cl-8.8 Pl |
8 |
|
11 |
412141 |
Контргайка M10 Cl-8 Pl |
NUT - LOCK Nylon M10 Cl-8 Pl |
8 |
|
12 |
86012007 |
Контргайка с нейлоновой вставкой M16 CLASS10 P |
NUT LOCK NYLON M16 CLASS10 P |
8 |
|
13 |
43776 |
Болт CL 8.8, M12 x 1.75 x 30 |
Screw, Cap, Flg Hd, CL 8.8, M12 x 1.75 x 30 |
8 |
|
14 |
9804268 |
Болт M12x40 Cl-8.8 |
CAPSCREW - HexHead Flanged, M12 x 40mm Cl-8.8 Pl |
4 |
|
15 |
43436 |
Гайка M12 Usr Pl |
NUT - Hex Flange M12 Usr Pl |
12 |
|
16 |
87365 |
Шайба диам.внут.5/8'', наруж.1.31'', толщина 0.095'' |
WASHER, 5/8 ID 1.31OD 0.095"THK |
8 |
|
17 |
86511847 |
Болт шестигранный M16 X 90 8.8PL |
BOLT HEX FLG M16 X 90 8.8PL |
8 |
|
18 |
9804271 |
Болт M16x2x40 Cl-8.8 |
CAPSCREW - HexHead Flanged, M16 x 2.00 x 40 Cl-8.8 |
4 |
|
19 |
86512498 |
Гайка шестигранная FLG M16 класс 10 PL |
NUT HEX FLG M16 CLASS 10 PL |
4 |
|
20 |
86505938 |
Шайба 0.406X1.375X0.083 PL |
WASHER 0.406X1.375X0.083 PL |
16 |
|
21 |
86000534 |
Прокладка внешн o 32,00, внутр. O 11,00, длина 15, |
SPACER 32.00ODX11.00IDX15.00LG |
8 |
|
22 |
86511084 |
Уплотнительное кольцо, нитриловое, внутр. O 3/8, т |
O RING 3/8 IDX1/16 THK NITRILE |
8 |
|
86029136 |
Втулка UHMW |
SPACER - UHMW ( Black ), TAIL LIGHT MOUNTING |
AR | |
|
15A01 Рама в сборе и поворотные элементы | ||||
|
Поз |
Чертежный номер |
Наименование |
Descriptionl |
Кол- во |
|
1 |
86026116 |
Рама передняя L4WD |
FRAME - FRONT Weld Assy (New Blue) L4WD |
1 |
|
1 |
86029911 |
Передняя рама WA |
FRONT FRAME WA |
1 |
|
2 |
86026117 |
Рама поворотная |
FRAME-SWING Weld-Assy (New Blue) |
1 |
|
2 |
86027814 |
Подвижная рама WA |
SWING FRAME WA |
1 |
|
3 |
86024644 |
Тяга |
LINK-DRAG (Blue), FRAMES ARTICULATION ASSY |
2 |
|
3 |
86027921 |
Узел тяги |
DRAG LINK ASSY |
2 |
|
4 |
86026119 |
Рама задняя L4WD |
FRAME - REAR Weld Assy (New Blue) L4WD |
1 |
|
4 |
86027815 |
Задняя рама WA |
FRAME WA REAR |
1 |
|
5 |
9704416 |
Втулка внутр O 50 внешн O 55 длинна 40 |
BUSHING 50IDX55ODX40LG |
2 |
|
6 |
9704417 |
ШАЙБА |
ШАЙБА |
2 |
|
7 |
9671405 |
ШАЙБА |
ШАЙБА |
9 |
|
15A01 Рама в сборе и поворотные элементы | ||||
|
Поз |
Чертежный номер |
Наименование |
Descriptionl |
Кол- во |
|
8 |
86029303 |
Фиксатор шарнирного соединения |
PIN ARTICULATION LOCK |
1 |
|
8 |
V69146 |
Палец |
PIN, ARTICULATION |
1 |
|
9 |
9705768 |
Палец тяги передний |
PIN DRAG LINK FRT |
2 |
|
10 |
9707199 |
Уплотнитель пальца тяги передний |
SPACER FRONT DRAG LINK PIN |
2 |
|
11 |
86001127 |
Уплотнитель тяги передней |
SEAL FRT DRAG LINK |
4 |
|
12 |
9705720 |
Прокладка пальца рулевого цилиндра |
SPACER STRG CYLINDER PIN |
4 |
|
13 |
9704415 |
ПАЛЕЦ |
ПАЛЕЦ |
1 |
|
14 |
V75112 |
Уплотнение диам.наруж.120 толщина 35мм |
SEAL-EPDM Foam, Od-120 Thk-35mm, TOP OSCILATION PIN |
1 |
|
15 |
86029312 |
Планка стопорная |
PLATE BRG RETAINER |
1 |
|
15 |
9704929 |
ПЛАСТИНА УДЕРЖИВАЮЩАЯ |
ПЛАСТИНА УДЕРЖИВАЮЩАЯ |
1 |
|
16 |
V75111 |
Уплотнение диам.наруж.120 толщина 32мм |
SEAL-EPDM Foam, Od-120 Thk-32mm, BTM OSCILATION |
1 |
|
17 |
274251 |
Болт шестигранный FLG USR M10 X 25 PL |
BOLT HEX FLG USR M10 X 25 PL |
4 |
|
18 |
9790655 |
ШАЙБА |
ШАЙБА |
1 |
|
19 |
9706872 |
ГАЙКА |
ГАЙКА |
1 |
|
20 |
9704865 |
ПАЛЕЦ |
ПАЛЕЦ |
1 |
|
21 |
9704866 |
КОЛЬЦО |
КОЛЬЦО |
1 |
|
22 |
9672932 |
Подшипник SPHR 60.0IDX105.00DX63.0 |
BRG SPHR 60.0IDX105.0ODX63.0 |
1 |
|
23 |
9705770 |
ПАЛЕЦ РУЛЕВОГО ЦИЛИНДРА |
ПАЛЕЦ РУЛЕВОГО ЦИЛИНДРА |
4 |
|
24 |
9704348 |
Уплотнитель пальца задней части тяги |
SPACER REAR DRAG LINK PIN |
2 |
|
25 |
9705769 |
Палец тяги задний |
PIN DRAG LINK REAR |
2 |
|
26 |
V75117 |
Уплотнение диам.наруж.100 толщина 25мм |
SEAL-EPDM Foam, Od-100 Thk-25mm, BTM DRAG LINK |
4 |
|
27 |
V106543 |
Болт Gr-5, 0.625"-18UNFx1.25" |
CAPSCREW - HexHead Flange Gr-5, 0.625in - 18UNF x 1.25in |
9 |
|
28 |
9704349 |
Уплотнение цилиндра рулевого |
SEAL STRG CYLINDER PIN |
8 |
|
29 |
9673090 |
Рукав гидравлический в сборе Id-0.13 x 1200mm |
HOSE - HYDRAULIC Assy, Id-0.13 x 1200mm |
1 |
|
30 |
9672621 |
Рукав 13х800мм |
HOSE - HYDRAULIC Assy, Id-13mm Lth-800mm |
2 |
|
31 |
9670768 |
Рукав гидравлический в сборе Id-3/16in Lth-305mm |
HOSE-HYDRUALIC ASSY, Id- 3/16in Lth-305mm |
1 |
|
32 |
86050275 |
Штуцер для подвода смазки 1/8NPTF |
LUBRICATION FITTING 1/8NPTF |
4 |
|
33 |
17498 |
Фитинг 90°, латунь |
Elbow, 90°, Street, Brass |
4 |
|
34 |
80710 |
Штуцер для подвода смазки 1/8-27NPT |
FITTING-GREASE Lf P 8-27 Extra Short |
4 |
|
35 |
86511323 |
Шайба 10.77X20.00X2.00 PL |
WASHER 10.77X20.00X2.00 PL |
4 |
|
36 |
9707528 |
Пластина L4WD |
PLATE-STEEL, SPACER ARTICULATION STOP L4WD |
AR |
|
37 |
86027831 |
Упор шкворня шарнирного соединения, красн. |
STOP ARTICULATION (RED) |
AR |
|
37 |
9704130 |
Упор шарнирного соединения |
BLOCK - STOP, ARTICULATION |
AR |
|
38 |
412185 |
Болт M16x50 8.8PL |
BOLT, SQHD M16x50 8.8PL |
AR |
|
15A01 Рама в сборе и поворотные элементы | ||||
|
Поз |
Чертежный номер |
Наименование |
Descriptionl |
Кол- во |
|
39 |
9804280 |
Гайка M16 Cl-8 Pl |
NUT - HEX Flange M16 Cl-8 Pl |
AR |
|
40 |
80719 |
Масленка 1/8 - 90 NPT |
FITTING-LUBRICATION, 1/8 - 90 NPT |
2 |
|
41 |
86000739 |
Втулка сферическая 50.8 внутр O 80.96 внешн O 44.5 |
BUSH SPHER 50.8IDX80.96ODX44.5 |
2 |
|
42 |
9703670 |
Блок колебательный |
BLOCK OSCILLATION |
1 |
|
43 |
9703302 |
Опора пальца, передняя рама L4wd |
SUBFRAME Rear Pivot WeldAssy -FRONT FRAME L4wd |
1 |
|
44 |
9705955 |
Набор осей качания рамы |
KIT OSCILLATION PIN FRAME |
1 |
|
15A02 Лестница и поручни | ||||
|
Поз |
Чертежный номер |
Наименование |
Descriptionl |
Кол- во |
|
1 |
86026027 |
Левый кронштейн подножки L4WD |
SIDE, SERVICE LADDER LH SIDE ( INI-Blue ) L4WD |
1 |
|
1 |
86027804 |
Левый кронштейн подножки L4WD |
SIDE, SERVICE LADDER LH SIDE (Red) L4WD |
1 |
|
2 |
86015582 |
Подножка |
STEP LOWER |
8 |
|
3 |
86026034 |
Правый кронштейн подножки L4WD |
SIDE, SERVICE LADDER RH SIDE ( N-Blue ) L4WD |
1 |
|
3 |
86027811 |
Правый кронштейн подножки L4WD |
SIDE, SERVICE LADDER RH SIDE (Red) L4WD |
1 |
|
4 |
86026033 |
Боковина лестницы, ширина 102мм длина 900мм |
RAIL - SIDE, STEEL Wth-102mm Lth-900mm LADDER ( N-Blue ) |
2 |
|
4 |
86027810 |
Боковые поручни основной лестницы, красные |
RAIL SIDE MAIN LADDER (RED) |
2 |
|
15A02 Лестница и поручни | ||||
|
Поз |
Чертежный номер |
Наименование |
Descriptionl |
Кол- во |
|
5 |
86026032 |
Поручень основной, диам. 31.75мм |
HANDRIAL - MAIN LADDER, STEEL Dia-31.75mm ( N-Blue ) |
1 |
|
5 |
86027809 |
Перила основные красные |
HANDRAIL MAIN RED |
1 |
|
6 |
86026031 |
Поручень левый, диам. 19.05мм |
HANDLE - GRAB, STEEL Dia-19.05mm, LH ( N-Blue ) |
1 |
|
6 |
86027808 |
Поручень левый красный |
HANDLE GRAB LH RED |
1 |
|
7 |
86026030 |
Поручень правый, диам. 19.05мм |
HANDLE - GRAB, STEEL Dia-19.05mm, RH ( N-Blue ) |
1 |
|
7 |
86027807 |
Поручень правый, диам. 19.05мм |
HANDLE - GRAB, STEEL Dia-19.05mm, RH (Red) |
1 |
|
8 |
9706446 |
Подножка |
SAFETY WALK, LH FUEL TANK |
1 |
|
9 |
9707285 |
Ступенька задней рамы |
STEP, SAFETY WALK REAR FRAME |
1 |
|
10 |
86017296 |
Накладка алюминиевая |
TREAD PLATE ALUMINUM |
2 |
|
11 |
86026029 |
Кронштейн подножки |
BRACKET - LOWER SIDE STEP, TREAD PLATE ( N-Blue ) |
1 |
|
11 |
86027806 |
Крепление подножки (красн.) |
BRACKET STEP LOWER (RED) |
1 |
|
12 |
86026028 |
Щит L4WD |
COVER-REAR FRAME ASSY (Blue) L4WD |
1 |
|
12 |
86027805 |
Щит L4WD |
COVER-REAR FRAME ASSY (Red) L4WD |
1 |
|
13 |
9707314 |
Поручень L4WD |
HANDLE - Steel Machined, SAFETY GRAB (L4WD) |
4 |
|
14 |
43168 |
Болт M16x40.8 Cl-8.8 |
CAPSCREW HexHead Cl-8.8 Pl M16 x 40.8 |
6 |
|
15 |
9804280 |
Гайка M16 Cl-8 Pl |
NUT - HEX Flange M16 Cl-8 Pl |
6 |
|
16 |
9840672 |
Болт M10x1.50x30 |
CAPSCREW - HexHead Flanged, USR M10 1.50 x 30 |
39 |
|
17 |
9804264 |
Винт с гексагональной головкой с фланцами Cl-8.8 P |
CAPSCREW - HexHead Flng Cl-8.8 Pl M10 x 1.5 x 50 |
2 |
|
18 |
9672413 |
Контргайка металлическая М10 |
NUT - HEX LOCK Flanged, Steel M10 x 1.5 |
33 |
|
19 |
9670288 |
Болт M12x35 |
CAPSCREW, HexHd 8.8Pl Flg M12 x 35 |
4 |
|
20 |
86512497 |
Гайка M12 Gr10 Plt |
NUT-HEX, FLANGE M12 Gr10 Plt |
4 |
|
21 |
140020 |
Шайба |
WASHER |
2 |
|
22 |
9707226 |
Противоскользящая накладка на задней раме |
STRIP - FRICTION SHEET, SAFETY WALK, REAR FRAME |
1 |
|
23 |
9804263 |
Винт с гексагональной головкой с фланцами M10 x 40 |
CAPSCREW - HexHead Flanged M10 x 40 x 1.5 Cl-8.8 |
4 |
|
24 |
86511323 |
Шайба 10.77X20.00X2.00 PL |
WASHER 10.77X20.00X2.00 PL |
2 |
|
25 |
86001386 |
Подножка задней рамы |
SAFETY WALK REAR FRAME STEP |
2 |
|
26 |
86034844 |
Квадратная трубка для крепления правой ступени |
TUBE STEP FUEL TANK RH PAINT |
2 |
|
27 |
9804265 |
Болт M10x1.5x60 Cl 8.8 |
CAPSCREW - HexHead FLANGE Cl-8.8 M10 x 1.50 x 60 Pl |
4 |
|
28 |
9671487 |
Болт M 12х1.75х50 Cl-8.8 |
CAPSCREW - FlangeHead M 12 x 1.75 x 50 Cl-8.8 |
4 |
|
29 |
86032187 |
Ступенька красная |
STEP STAMPED PAINT RED |
1 |
03A01 Цилиндр рулевой в сборе, Model:2335 Универсальный полноприводный трактор -красный(12/02 -)

|
03A01 Цилиндр рулевой в сборе | ||||
|
Поз |
Чертежный номер |
Наименование |
Descriptionl |
Кол- во |
|
1 |
9704350 |
Цилиндр гидравлический рулевого управления L4WD |
CYLINDER-HYD ASSY, STEERING (BLUE) L4WD |
1 |
|
2 |
NSS |
Отдельно не продается |
Not Sold Separately |
1 |
|
3 |
86002392 |
ПОДШИПНИК |
ПОДШИПНИК |
2 |
|
4 |
86000661 |
Кольцо стопорное внутреннее диаметр2.69 |
RING, RETAINING RING INT 2.69DIA |
2 |
|
5 |
86000452 |
Шток рулевого гидроцилиндра в сборе |
ROD - WELD ASSY, HYDRAULIC STEERING CYLINDER |
1 |
|
6 |
NSS |
Отдельно не продается |
Not Sold Separately |
1 |
|
7 |
NSS |
Отдельно не продается |
Not Sold Separately |
1 |
|
8 |
86000451 |
Поршень |
PLATE - STEERING CYLINDER HEAD |
1 |
|
03A01 Цилиндр рулевой в сборе | ||||
|
Поз |
Чертежный номер |
Наименование |
Descriptionl |
Кол- во |
|
9 |
NSS |
Отдельно не продается |
Not Sold Separately |
1 |
|
10 |
NSS |
Отдельно не продается |
Not Sold Separately |
1 |
|
11 |
NSS |
Отдельно не продается |
Not Sold Separately |
2 |
|
12 |
86000652 |
Поршень |
PISTON - STEERING CYLINDER ASSY |
1 |
|
13 |
NSS |
Отдельно не продается |
Not Sold Separately |
1 |
|
14 |
9703782 |
Контргайка 1-14 |
NUT - LOCK, STEERING CYLINDER |
1 |
|
15 |
86000454 |
Набор уплотнений |
SEAL KIT |
1 |
|
03B01 Крепление рулевой колонки | ||||
|
Поз |
Чертежный номер |
Наименование |
Descriptionl |
Кол- во |
|
1 |
9703248 |
Панель |
CONSOLE |
1 |
|
2 |
274249 |
Болт шестигранный USR M10 X 20 PL |
CAPSCREW - HexHead Flanged, M10 x 1.50 x 20 Pl |
4 |
|
3 |
86002528 |
Рулевая колонка L4WD |
COLUMN - STEERING ASSEMBLY L4WD |
1 |
|
3 |
86034393 |
Реулнвая колонка в сборе |
STEERING COLUMN ASSY |
1 |
|
4 |
86508097 |
Нарезной болт M10 X 1.5 X 25 12.9 |
BOLT SCKT M10 X 1.5 X 25 12.9 |
4 |
|
5 |
43435 |
Гайка M10 Usr Pl |
NUT - Hex Flange M10 Usr Pl |
4 |
|
6 |
9823775 |
Верхняя крышка рулевой колонки |
COVER - TILT STEERING C0LOMN, UPPER |
1 |
|
03B01 Крепление рулевой колонки | ||||
|
Поз |
Чертежный номер |
Наименование |
Descriptionl |
Кол- во |
|
7 |
9828793 |
Нижняя крышка рулевой колонки |
COVER - TILT STEERING COLUMN, LOWER |
1 |
|
8 |
281076 |
Болт М6х5/8" |
SCREW, SELFTAP 6x5/8 PHIL SER |
4 |
|
9 |
9845883 |
Переключатель сигнала поворота |
SWITCH - TURN SIGNAL ASSY 12-Volt |
1 |
|
10 |
9828837 |
Крышка телескопа |
COVER, TELESCOPIC STEERING COLUM ASSY |
1 |
|
11 |
9705810 |
Колесо рулевое |
WHEEL,STRNG. |
1 |
|
12 |
NS |
Левая боковина в сборе |
Side Assembly - L.H., Years: 01/01/1981-12/31/1984 |
1 |
|
13 |
9705811 |
Кольцо |
RING, LOCKING W/D D FLAT DRIVE |
1 |
|
14 |
9670023 |
Контргайка с нейлоновой вставкой M8 класс 8 PL |
NUT - LOCK HEX, Nylon M8 Class8 Pl |
1 |
|
15 |
86000878 |
Центральный колпачек клапана рулевого управления |
CAP CENTRE STRG VALVE |
1 |
|
16 |
86002530 |
Короткая рулевая колонка |
STEERING COLUMN SHORT |
1 |
|
17 |
9706689 |
Болт G5 3/8"-16x1-3/4" |
CAPSCREW HexHD G5 0.375in x 16 x 1.75in |
4 |
|
18 |
9706460 |
Агрегат рулевой |
STEERING CONTROL UNIT |
1 |
|
19 |
9707640 |
Втулка, нейлон |
BEARING-NYLON MATERIAL, STEERING COLUMN ASSY |
1 |
|
20 |
9707532 |
Чехол |
BOOT-NEOPRENE, STEERING COLUMN ASSY |
1 |
|
21 |
86050276 |
Болт шестигранный M 5 X 16 8.8PL |
BOLT HEX M 5 X 16 8.8PL |
2 |
|
22 |
43416 |
Гайка M5 |
NUT - HEX Flange USR M-5 Pl |
2 |
|
23 |
272220 |
Уплотнительное кольцо, внут.диам.0.862'' толщина 0.103'' |
O-RING - 90 DURO, .862" X .103" THK |
2 |
|
24 |
86012248 |
Шайба диам.внутр.10.2 наруж.28.4 толщина 3.0мм, сталь |
WASHER - FLAT Steel Od-28.4 Id-10.2 Thk-3mm |
4 |
|
25 |
86012203 |
Изолятор |
MOUNT ISOLATOR |
4 |
|
26 |
86012247 |
Прокладка рулевого механизма |
SPACER STRG MT |
4 |
|
27 |
86027519 |
Кнопка звукового сигнала с логотипом BVI |
HORN BUTTON WITH BVI LOGO |
1 |
93530
|
03B02 Клапан рулевого управления | ||||
|
Поз |
Чертежный номер |
Наименование |
Descriptionl |
Кол- во |
|
1 |
9706460 |
Агрегат рулевой |
STEERING CONTROL UNIT |
1 |
|
2 |
NS |
Левая боковина в сборе |
Side Assembly - L.H., Years: 01/01/1981-12/31/1984 |
1 |
|
3 |
86012449 |
Фиксатор |
RETAINER, FRONT BEARING Assy, STEERING CONTROL UNIT |
1 |
|
4 |
142089 |
Упорный подшипник |
RACE-THRUST BEARING, STEERING CONTROL DRIVE Assy |
1 |
|
5 |
142090 |
Подшипник упорный |
BEARING - THRUST NEEDLE, STEERING CONTROL DRIVE Assy |
1 |
|
6 |
NS |
Левая боковина в сборе |
Side Assembly - L.H., Years: 01/01/1981-12/31/1984 |
1 |
|
7 |
NS |
Левая боковина в сборе |
Side Assembly - L.H., Years: 01/01/1981-12/31/1984 |
1 |
|
8 |
NS |
Левая боковина в сборе |
Side Assembly - L.H., Years: 01/01/1981-12/31/1984 |
1 |
|
03B02 Клапан рулевого управления | ||||
|
Поз |
Чертежный номер |
Наименование |
Descriptionl |
Кол- во |
|
9 |
NS |
Левая боковина в сборе |
Side Assembly - L.H., Years: 01/01/1981-12/31/1984 |
1 |
|
10 |
NS |
Левая боковина в сборе |
Side Assembly - L.H., Years: 01/01/1981-12/31/1984 |
1 |
|
11 |
278787 |
Стопорное кольцо |
RING - RETAINER LOCKING, STEERING CONTROL DRIVE |
1 |
|
12 |
9673104 |
Вал приводной |
SHAFT - DRIVE Assy, STEERING CONTROL UNIT |
1 |
|
13 |
86012439 |
Блок |
PLATE - WEAR, GEROTOR Assy, STEERING CONTROL UNIT |
1 |
|
14 |
NS |
Левая боковина в сборе |
Side Assembly - L.H., Years: 01/01/1981-12/31/1984 |
3 |
|
15 |
9673107 |
Диск кулачковый с проставкой в сборе |
GEROTOR DRIVE Assy, STEERING CONTROL UNIT |
1 |
|
16 |
9673106 |
Крышка |
CAP - END, STEERING CONTROL UNIT |
1 |
|
17 |
9673108 |
Болт |
CAPSCREW, 12-Pnt Drive, END CAP, STEERING CONTROL UNIT |
7 |
|
18 |
86000730 |
Палец |
PIN - LOCKING, DRIVE SHAFT, STEERING CONTROL UNIT |
1 |
|
19 |
86012442 |
Шарик |
BALL-LOCATOR, DRIVE SHAFT, STEERING CONTROL |
4 |
|
20 |
86012448 |
Обойма упорного подшипника |
PLATE-RACE BEARING, STEERING CONTROL UNIT |
1 |
|
22 |
86029738 |
Набор уплотнений клапана, рулевое управление |
KIT STEERING VALVE SEAL |
1 |
|
23 |
86013088 |
Набор центрирующих пружин |
KIT - CENTERING SPRING, STEERING VALVE ASSY |
1 |
|
86012454 |
Уплотнительное кольцо |
O-RING |
1 | |
9706027
|
03B03 Рулевая колонка в сборе | ||||
|
Поз |
Чертежный номер |
Наименование |
Descriptionl |
Кол- во |
|
1 |
86002528 |
Рулевая колонка L4WD |
COLUMN - STEERING ASSEMBLY L4WD |
1 |
|
1 |
86034393 |
Реулнвая колонка в сборе |
STEERING COLUMN ASSY |
1 |
|
2 |
86502832 |
Вал рулевой |
KIT - SHAFT ASSY, STEERING COLUMN L4WD |
1 |
|
3 |
86000889 |
Ось |
SHAFT,LOWER |
1 |
|
4 |
NSS |
Отдельно не продается |
Not Sold Separately |
1 |
|
5 |
NSS |
Отдельно не продается |
Not Sold Separately |
1 |
|
6 |
NSS |
Отдельно не продается |
Not Sold Separately |
1 |
|
7 |
9670023 |
Контргайка с нейлоновой вставкой M8 класс 8 PL |
NUT - LOCK HEX, Nylon M8 Class8 Pl |
1 |
|
8 |
86502831 |
Упор колонки рулевой пневматический |
GAS SPRING ASSY |
1 |
|
8A |
86020096 |
Детали рычага |
KIT - TILT LEVER, STEERING COLUMN |
1 |
|
03B03 Рулевая колонка в сборе | ||||
|
Поз |
Чертежный номер |
Наименование |
Descriptionl |
Кол- во |
|
L4WD | ||||
|
9 |
NSS |
Отдельно не продается |
Not Sold Separately |
1 |
|
10 |
NSS |
Отдельно не продается |
Not Sold Separately |
2 |
|
11 |
NSS |
Отдельно не продается |
Not Sold Separately |
2 |
|
12 |
86002352 |
Рулевой вал, 9-ти шлицевой |
KIT - RAG-JOINT ( 9-Spline), STEERING SHAFT ASSY |
1 |
|
12 |
86034434 |
Рулевой вал, 6-ти шлицевой |
KIT - RAG-JOINT ( 6-Spline), STEERING SHAFT ASSY |
1 |
|
13 |
NSS |
Отдельно не продается |
Not Sold Separately |
1 |
|
14 |
NSS |
Отдельно не продается |
Not Sold Separately |
1 |
|
15 |
86000849 |
Стакан с подшипником в сборе |
TUBE - & BEARING ASSY |
1 |
|
16 |
86502838 |
Рулевая колонка |
KIT - REPAIR HARDWARE, STEERING COLUMN ASSY |
1 |
|
05A03 Гидравлика рулевого управления | ||||
|
Поз |
Чертежный номер |
Наименование |
Descriptionl |
Кол- во |
|
1 |
9706460 |
Агрегат рулевой |
STEERING CONTROL UNIT |
1 |
|
2 |
9704350 |
Цилиндр гидравлический рулевого управления L4WD |
CYLINDER-HYD ASSY, STEERING (BLUE) L4WD |
2 |
|
3 |
86513026 |
Тройник с боковым отводом 7/8JIC X 7/8ORB |
TEE BRN 7/8JIC X 7/8ORB |
2 |
|
4 |
164910 |
Патрубок 90 7/8MJIC X 7/8ORB |
ELBOW 90 7/8MJIC X 7/8ORB |
2 |
|
5 |
9790694 |
ГИДРОШЛАНГ |
ГИДРОШЛАНГ |
2 |
|
6 |
9790690 |
ГИДРОШЛАНГ |
ГИДРОШЛАНГ |
1 |
|
7 |
9790691 |
ГИДРОШЛАНГ |
ГИДРОШЛАНГ |
1 |
|
8 |
86507102 |
Переходник рулевого управления 7/8JIC X1 1/16ORB |
ADAPTOR STR 7/8JIC X1 1/16ORB |
2 |
|
9 |
86011577 |
Рукав 3/4''x400 |
HOSE ASSEMBLY |
1 |
|
10 |
86050336 |
Фиксатор 15/16'' |
CLIP,P COATED,ZN PLT,15/16 |
7 |
|
11 |
43140 |
Болт M10x30 Cl-8.8 |
CAPSCREW - HexHead Cl-8.8 M10 x 30 |
1 |
|
12 |
43435 |
Гайка M10 Usr Pl |
NUT - Hex Flange M10 Usr Pl |
4 |
|
13 |
43138 |
Болт M10x1.5x20 Cl 8.8 |
CAPSCREW - HexHead CL8.8 M10 -1.50 x 20 |
5 |
|
14 |
V33721 |
Хомут 7/8'' |
P-CLIP COATED 7/8 DIA |
4 |
|
05A03 Гидравлика рулевого управления | ||||
|
Поз |
Чертежный номер |
Наименование |
Descriptionl |
Кол- во |
|
15 |
167269 |
Кольцо уплотнительное вн. O 0.8 X толщина 0.09 N |
O RING 0.80 IDX0.09 THK NITR |
6 |
|
16 |
86512926 |
Штуцер 1 5/16JICX1 1/16ORB |
CONNECTOR 1 5/16JICX1 1/16ORB |
1 |
|
17 |
219604 |
Тройник со штуцером под 37° |
Tee - Straight 37° w/O-Ring, Years: 01/01/1983-12/31/1984 |
1 |
|
18 |
167266 |
Кольцо уплотнительное вн. O 0.924 X толщина 0.116 |
O RING 0.924 IDX0.116 THK |
1 |
|
19 |
167268 |
Кольцо уплотнительное HYD/F 1.171ID X 0.116TH |
O-RING, HYDRAULIC FITTINGS, Id-1.171in Thk-0.116in |
1 |
|
20 |
86014394 |
Шланг в сборе 3/4 X 1470 100R17 |
HOSE ASSY 3/4 X 1470 100R17 |
1 |
|
21 |
86013064 |
Шланг в сборе 1.00 X 450 100R17 |
HOSE ASSY 1.00 X 450 100R17 |
1 |
02А01 Механизм тормозной. Model:2335 Универсальный полноприводный трактор - красный(12/02 -)
/а
9702979
|
02A01 Механизм тормозной | ||||
|
Поз |
Чертежный номер |
Наименование |
Descriptionl |
Кол- во |
|
1 |
9704710 |
Цилиндр тормозной главный |
MASTER CYLINDER BRAKE |
1 |
|
2 |
9840672 |
Болт M10x1.50x30 |
CAPSCREW - HexHead Flanged, USR M10 1.50 x 30 |
3 |
|
3 |
43435 |
Гайка M10 Usr Pl |
NUT - Hex Flange M10 Usr Pl |
7 |
|
4 |
9706372 |
Педаль тормоза |
PEDAL, BRAKE |
1 |
|
5 |
25121 |
Стопорное кольцо диам.1.00'' |
RING - RETAINING External Dia-1.00in |
2 |
|
02A01 Механизм тормозной | ||||
|
Поз |
Чертежный номер |
Наименование |
Descriptionl |
Кол- во |
|
6 |
86024297 |
Пружина растяжения 31.7 внешн. диам., 125 длина |
SPRING EXT 31.7ODX125LG |
1 |
|
6 |
9790661 |
Пружина диам.наруж. 1.25'' длина 4.92'', педаль сцепления/тормоза |
SPRING, OD-1.25in Lg-4.92in CLUTCH / BRAKE PEDAL |
1 |
|
7 |
9703405 |
Фиксатор педали сцепления/тормоза |
STOP - Rubber Sleeve, CLUTCH / BRAKE PEDAL |
1 |
|
8 |
9704613 |
Бачок |
RESERVOIR, BRAKE FLUID SYSTEM |
1 |
|
9 |
9706150 |
Хомут |
BRACKET, BRAKE RESERVOIR MTG |
1 |
|
10 |
9705927 |
Суппорт тормоза |
CALIPER BRAKE DISC 0.075 THICK |
1 |
|
11 |
86011737 |
Наконечник 3/8 24UNF |
ROD END 3/8 24UNF |
1 |
|
12 |
V14841 |
Втулка диам.внутр.0.509'' |
BUSHING - NYLON, FLANGED ID-0.509in |
4 |
|
13 |
9706258 |
Тяга регулируемая |
ROD,BRAKE |
1 |
|
14 |
9706260 |
Рычаг коленчатый |
BELL CRANK |
1 |
|
15 |
515308 |
Втулка бронзовая, диам.внутр.1.003 наруж. 1.128 длина 1.0'' |
BUSHING - Bronze Id-1.003 Od-1.128 Lth-1.00in |
2 |
|
16 |
9706251 |
Чехол |
BOOT-NEOPRENE, BRAKE LINKAGE ROD |
1 |
|
17 |
87308 |
Гайка 3/8''-24 |
NUT-JAM Gr-2 Unf 0.38 |
1 |
|
18 |
V20453 |
Вилка штока тормозной тяги |
YOKE - END 1/2-20 Unc, BRAKE LINKAGE ROD ASSY |
1 |
|
19 |
86511477 |
Болт шестигранный FLG USR M 5 X 16 PL |
BOLT HEX FLG USR M 5 X 16 PL |
4 |
|
20 |
43416 |
Гайка M5 |
NUT - HEX Flange USR M-5 Pl |
4 |
|
21 |
244358 |
Хомут |
CLAMP HOSE 6.0 SAE |
2 |
|
22 |
9706262 |
Трубка 6.3ммx546мм |
HOSE - Multi Purpose 250-PSI, Id-6.3mm Lth-546 |
1 |
|
23 |
9706263 |
Трубка тормозная |
TUBE ASSY BRAKE |
1 |
|
24 |
87309 |
Гайка G2, 1/2''-20 |
NUT, JAM |
1 |
|
25 |
20446 |
Палец 1/2'' |
Pin, Clevis, 1/2" |
2 |
|
26 |
130004 |
Скрепка 3.2x25мм |
PIN - COTTER, 3.2 x 25mm Pl |
2 |
|
27 |
V75121 |
Крышка подшипника диам.внут.7/8'' |
BEARING-SPHERICAL ID-7/8in, With SIDE FLANGE ASSY |
2 |
|
28 |
274249 |
Болт шестигранный USR M10 X 20 PL |
CAPSCREW - HexHead Flanged, M10 x 1.50 x 20 Pl |
4 |
|
29 |
9706898 |
Кронштейн переключателя L4WD |
BRACKET - STEEL, BRAKE SWITCH MOUNT L4WD |
1 |
|
30 |
V33491 |
Кольцо уплотнительное, диам.внут. 5/8 наруж. 1/4 толщина 3/16'' |
GROMMET, Id-5/8 Od-1/4 Thk-3/16in |
1 |
|
31 |
86021838 |
Рычаг стояночного тормоза |
LEVER ASSY PARK BRAKE |
1 |
|
31 |
86030463 |
Рычаг стояночного тормоза |
LEVER ASSY PARK BRAKE |
1 |
|
32 |
9704828 |
Трос стояночного тормоза |
CABLE, PARK BRAKE |
1 |
|
33 |
86002348 |
Кронштейн |
BRACKET - PARK BRAKE SYNCHRO (CNH-Blue) |
1 |
|
33 |
86002420 |
Кронштейн |
BRACKET |
1 |
|
34 |
86027817 |
Кронштейн тормозного привода (красный) |
BRACKET BRAKE LINK (RED) |
1 |
|
35 |
86505259 |
Болт M12x70 10.9 Pl |
CAPSCREW - HexHead M12 x 70 10.9 Pl |
2 |
|
02A01 Механизм тормозной | ||||
|
Поз |
Чертежный номер |
Наименование |
Descriptionl |
Кол- во |
|
36 |
9670023 |
Контргайка с нейлоновой вставкой M8 класс 8 PL |
NUT - LOCK HEX, Nylon M8 Class8 Pl |
6 |
|
37 |
9671714 |
Болт шестигранный FLG M 8 X 25 8.8PL |
CAPSCREW - HexHead Flange 8.8Pl M8 x 25 |
4 |
|
38 |
9511051 |
Штифт 6.0х30мм |
PIN - SPRING, SLOT Dia-6.0 Lth-30mm |
2 |
|
39 |
86502785 |
Рычажные зубья |
LEVER TEETH |
1 |
|
40 |
86000769 |
Ось стояночного тормоза WA |
SHAFT WA PARK BRAKE |
1 |
|
41 |
86000763 |
Кронштейн рычага стояночного тормоза, L4WD |
BRACKET Weld Assy, PARK BRAKE MOUNT L4WD |
1 |
|
42 |
V44253 |
Шайба 17.00 x 30.00 x 3.00 Hdn Pl, сталь |
WASHER - FLAT Steel, 17.00 x 30.00 x 3.00 Hdn Pl |
2 |
|
43 |
9627896 |
Болт G5 5/8"-11 x 1-3/4'' |
Screw, Cap, HH, G5, 5/8"-11 x 1-3/4" |
4 |
|
44 |
86511842 |
Болт M8x1.25x40 Cl 8.8 |
CAPSCREW - HexHead Flange M8 x 1.25 x 40 CL-8.8 Pl |
2 |
|
45 |
86000001 |
Фиксатор кабеля 12.8 |
CLAMP CABLE MTG 12.8 |
1 |
|
46 |
86000002 |
Стыковая прокладка |
SPACER LINK |
1 |
|
47 |
277604 |
Шайба стальная |
WASHER, STEEL |
1 |
|
48 |
9804272 |
Болт M16x2x50 Cl-8.8 |
CAPSCREW - HexHead Flanged, M16 x 50 Cl-8.8 Pl |
2 |
11
86602788
|
02A03 Рычаг тормозной в сборе | ||||
|
Поз |
Чертежный номер |
Наименование |
Descriptionl |
Кол- во |
|
1 |
86021838 |
Рычаг стояночного тормоза |
LEVER ASSY PARK BRAKE |
1 |
|
1 |
86030463 |
Рычаг стояночного тормоза |
LEVER ASSY PARK BRAKE |
1 |
|
2 |
NSS |
Отдельно не продается |
Not Sold Separately |
1 |
|
3 |
86021837 |
Рукоятка рычага стояночного тормоза |
GRIP - PARK BRAKE HANDLE Assy |
1 |
|
4 |
86021836 |
Кнопка |
BUTTON - RELEASE, BRAKE HANDLE Assy |
1 |
|
5 |
86507011 |
Штифт |
PIN - BRAKE HANDLE Assy |
1 |
|
6 |
86507021 |
Упор рычага стояночного тормоза |
PAWL - BRAKE HANDLE Assy |
1 |
|
7 |
86507013 |
Палец |
PIN - PAWL LOCK, BRAKE HANDLE Assy |
1 |
|
8 |
86507012 |
Стопорное кольцо |
RING - SNAP LOCK for PAWL, BRAKE HANDLE Assy |
1 |
|
9 |
86507015 |
Тяга |
ROD - LOCKING, BRAKE HANDLE Assy |
1 |
|
10 |
86507020 |
Пружина ригельного стержня рычага ручного тормоза |
SPRING - LOCKING ROD, BRAKE HANDLE Assy |
1 |
|
11 |
86507014 |
Шайба М5 |
WASHER M5 - RETAINER for SPRING, BRAKE HANDLE Assy |
1 |
9706927
|
02B01 Скоба тормозная | ||||
|
Поз |
Чертежный номер |
Наименование |
Descriptionl |
Кол- во |
|
1 |
9705927 |
Суппорт тормоза |
CALIPER BRAKE DISC 0.075 THICK |
1 |
|
2 |
86000341 |
Стопорное кольцо диам.1.375'' |
RING - RETAINING, ACTUATOR LEVER -BRAKE CALIPER |
2 |
|
3 |
NSS |
Отдельно не продается |
Not Sold Separately |
2 |
|
4 |
NSS |
Отдельно не продается |
Not Sold Separately |
2 |
|
5 |
NSS |
Отдельно не продается |
Not Sold Separately |
3 |
|
6 |
NSS |
Отдельно не продается |
Not Sold Separately |
2 |
|
7 |
NSS |
Отдельно не продается |
Not Sold Separately |
2 |
|
8 |
NSS |
Отдельно не продается |
Not Sold Separately |
6 |
|
9 |
NSS |
Отдельно не продается |
Not Sold Separately |
1 |
|
10 |
NSS |
Отдельно не продается |
Not Sold Separately |
2 |
|
11 |
NSS |
Отдельно не продается |
Not Sold Separately |
8 |
|
12 |
86000347 |
Рычаг L4WD |
LEVER - ACTUATOR, BRAKE CALIPER ASSY |
2 |
|
02B01 Скоба тормозная | ||||
|
Поз |
Чертежный номер |
Наименование |
Descriptionl |
Кол- во |
|
L4WD | ||||
|
13 |
86000344 |
Привод правый |
ACTUATOR SUB ASSEMBLY RH |
1 |
|
14 |
NSS |
Отдельно не продается |
Not Sold Separately |
2 |
|
15 |
NSS |
Отдельно не продается |
Not Sold Separately |
2 |
|
16 |
NSS |
Отдельно не продается |
Not Sold Separately |
4 |
|
17 |
NSS |
Отдельно не продается |
Not Sold Separately |
2 |
|
18 |
NSS |
Отдельно не продается |
Not Sold Separately |
2 |
|
19 |
9672598 |
Пробка L4WD |
PLUG - HYDRAULIC BRAKE CYLINDER L4WD |
1 |
|
20 |
NSS |
Отдельно не продается |
Not Sold Separately |
1 |
|
21 |
86000343 |
Привод левый |
ACTUATOR SUB ASSEMBLY LH |
1 |
|
22 |
86031058 |
Тяга регулируемая |
SHAFT-ADJUSTER, BRAKE CALIPER ACTUATOR |
1 |
|
23 |
86031059 |
Пробка |
PLUG-ADJUSTER, BRAKE CALIPER ACTUATOR |
1 |
|
24 |
86000345 |
Комплект деталей рамы подвески сидения |
KIT - SPRINGS & BRACKETS (2 ea.), BRAKE CALIPER, L4WD |
AR |
|
25 |
86000346 |
Пальцы со шплинтами |
KIT - PAD PINS (4) & COTTER PINS (8), BRAKE CALIPER ASSY |
AR |
|
26 |
86000348 |
Комплект болтов |
KIT,COVER 4 BOLT |
AR |
|
27 |
86000349 |
Предохранительный клапан, L4WD |
KIT- BLEEDERS (3) & INSERTS (3), BRAKE CALIPER, L4WD |
AR |
|
28 |
86000350 |
Набор уплотнений плунжера |
SEAL KIT PISTONS |
AR |
|
29 |
86000442 |
Набор уплотнений и плунжеров 1 SIDE |
SEAL AND PISTON KIT 1 SIDE |
AR |
|
30 |
86000443 |
РЕМКОМЛ ТОРМОЗ.КОЛОДОК |
РЕМКОМЛ ТОРМОЗ. КОЛОДОК |
AR |
|
31 |
9705817 |
Комплект трубок |
KIT - TUBE CROSSOVER, DISC BRAKE CALIPER ASSY |
AR |
02С01 Цилиндр тормозной главный. Model:2335 Универсальный полноприводный трактор - красныиМ 2/02 -) INLET \
|
02C01 Цилиндр тормозной главный | ||||
|
Поз |
Чертежный номер |
Наименование |
Descriptionl |
Кол-во |
|
1 |
9704710 |
Цилиндр тормозной главный |
MASTER CYLINDER BRAKE | |
|
2 |
NSS |
Отдельно не продается |
Not Sold Separately |
1 |
|
3 |
NSS |
Отдельно не продается |
Not Sold Separately |
1 |
|
4 |
NSS |
Отдельно не продается |
Not Sold Separately |
1 |
|
5 |
NSS |
Отдельно не продается |
Not Sold Separately |
1 |
|
6 |
NSS |
Отдельно не продается |
Not Sold Separately |
1 |
|
7 |
NSS |
Отдельно не продается |
Not Sold Separately |
1 |
|
8 |
NSS |
Отдельно не продается |
Not Sold Separately |
1 |
|
9 |
NSS |
Отдельно не продается |
Not Sold Separately |
1 |
|
10 |
NSS |
Отдельно не продается |
Not Sold Separately |
1 |
|
11 |
NSS |
Отдельно не продается |
Not Sold Separately |
1 |
|
02C01 Цилиндр тормозной главный | ||||
|
Поз |
Чертежный номер |
Наименование |
Descriptionl |
Кол-во |
|
12 |
NSS |
Отдельно не продается |
Not Sold Separately |
1 |
|
13 |
NSS |
Отдельно не продается |
Not Sold Separately |
1 |
|
14 |
NSS |
Отдельно не продается |
Not Sold Separately |
1 |
|
15 |
NSS |
Отдельно не продается |
Not Sold Separately |
1 |
|
16 |
NSS |
Отдельно не продается |
Not Sold Separately |
1 |
|
17 |
NSS |
Отдельно не продается |
Not Sold Separately |
1 |
|
18 |
NSS |
Отдельно не продается |
Not Sold Separately |
1 |
|
19 |
86002377 |
Переходник |
KIT,ADAPTER |
1 |
|
20 |
86002372 |
Набор главного цилиндра тормозного |
KIT MASTER CYLINDER |
1 |
13А01 Опора сидения, Model:2335 Универсальный полноприводный трактор красныи( 12/02 )
|
13A01 Опора сидения | ||||
|
Поз |
Чертежный номер |
Наименование |
Descriptionl |
Кол- во |
|
1 |
86000266 |
Сидение в сборе L4WD |
SEAT (Sears) ASSY - DRIVER L4WD |
1 |
|
2 |
86018498 |
Настил пола |
FLOORBOARD WA |
1 |
|
3 |
274249 |
Болт шестигранный USR M10 X 20 PL |
CAPSCREW - HexHead Flanged, M10 x 1.50 x 20 Pl |
4 |
|
4 |
9840672 |
Болт M10x1.50x30 |
CAPSCREW - HexHead Flanged, USR M10 1.50 x 30 |
12 |
|
5 |
104409 |
Гайка M10 x 1.5 |
NUT - U/CLIP, M10 x 15 |
12 |
|
6 |
43435 |
Гайка M10 Usr Pl |
NUT - Hex Flange M10 Usr Pl |
4 |
|
8 |
86012471 |
Уплотнительная прокладка боковой части пола |
GASKET, SIDE - FLOORBOARD |
2 |
|
9 |
86011999 |
Уплотнительная прокладка передней части настила по |
GASKET,FRONT FLOOR BOARD |
1 |
|
9 |
86012472 |
Уплотнительная прокладка задней части настила пола |
GASKET, REAR - FLOORBOARD |
1 |
|
13A02 Сидение в сборе | ||||
|
Поз |
Чертежный номер |
Наименование |
Descriptionl |
Кол- во |
|
1 |
86520864 |
Сидение |
SEAT TOP ASSEMBLY |
1 |
|
2 |
86000946 |
Подлокотник сиденья |
ARMREST - SEAT ASSY L4WD |
1 |
|
3 |
86502169 |
Лампа 12-16В 0.33А |
KIT,SEAT REST |
1 |
|
4 |
86000701 |
Подлокотники л/п сидения оператора |
ARMREST L/H ASSEMBLY, OPERATOR SEAT |
1 |
|
5 |
86000702 |
Болт |
SCREW |
1 |
|
6 |
87626 |
Болт G5 5/16''-18 x 2-3/4" |
Screw, Cap, HH, G5, 5/16"-18 x 2-3/4" |
2 |
|
7 |
9707515 |
Болт G5 5/16''-18x1-3/4'' |
CAP SCREW |
1 |
|
8 |
87362 |
Шайба 0.310 Pl, сталь |
WASHER - Flat Steel, 0.310 Pl |
1 |
|
9 |
81541 |
Шайба 0.500x1.250x0.083 Pl |
Washer 0.500x1.250x0.083 Pl |
1 |
|
10 |
280244 |
Болт Gr-5 7/16''-14x3/4 |
CAPSCREW - HexHead Gr-5, 7/16 x 14 x 3/4 Pl |
1 |
|
11 |
86000705 |
Шайба диам.внутр.0.390 наруж.1.120, сталь |
WASHER - FLAT Steel, Id-0.390 Od-1.120 |
1 |
|
13A02 Сидение в сборе | ||||
|
Поз |
Чертежный номер |
Наименование |
Descriptionl |
Кол- во |
|
12 |
280117 |
Болт G5, 7/16"-14х2" |
Cap, HH, G5, 7/16"-14 x 2", Years: 01/01/1982-12/31/1984 |
1 |
|
13 |
86508379 |
Втулка |
SPACER |
2 |
|
14 |
86020711 |
Ремень безопасности,, Genesis |
SEATBELT SET, AM-Safe Inc., Genesis |
1 |
|
15 |
86000681 |
Переключатель |
SWITCH-ROCKER |
1 |
|
16 |
86502163 |
Поворотная плита |
KIT - SEAT SWIVEL ASSY, Genisis |
1 |
|
17 |
86000683 |
Изолятор |
ISOLATOR - LATERAL Assy, OPERATOR SEAT |
1 |
|
18 |
86000684 |
Правая направляющая основания сидения оператора |
SLIDE - R/H, OPERATOR SEAT BASE ASSEMBLY |
4 |
|
19 |
84792 |
Болт 5/16"-18x3/4" |
Screw, Cap, Sq Hd, G2, 5/16"-18 x 3/4" |
4 |
|
20 |
9635082 |
Гайка 0.312nc Gr5 Pl |
NUT - HEX 0.312nc Gr5 Pl |
14 |
|
21 |
86000690 |
Левая направляющая основания сидения оператора |
SLIDE - L/H, OPERATOR SEAT BASE ASSEMBLY |
1 |
|
22 |
9627874 |
Болт G5 5/16"-18х5/8" |
SCREW - CSHH G5 .31X.62 |
4 |
|
23 |
88275 |
Болт G5 5/16"-18x1-1/4" |
CAP SCREW |
8 |
|
24 |
86000692 |
Тяга фиксатора |
LATCH |
1 |
|
25 |
86508383 |
Втулка |
SPACER |
4 |
|
26 |
87362 |
Шайба 0.310 Pl, сталь |
WASHER - Flat Steel, 0.310 Pl |
2 |
|
27 |
86502159 |
Датчик присутствия оператора |
SWITCH,SEAT OPERATOR PRESENCE |
1 |
|
28 |
86508380 |
Кольцо |
SPACER |
2 |
|
29 |
86502171 |
Чехол |
KIT,BACK COVER |
1 |
|
30 |
86502170 |
Подушка сидения |
KIT,SEAT CUSHION |
1 |
|
31 |
86508210 |
Рукоятка |
KNOB,SLIDE CT |
1 |
|
32 |
86502156 |
Комплект рычагов |
KIT, CT LEVER |
1 |
|
33 |
86502157 |
Рукоятки сидения в сборе |
KIT - KNOBS, SEAT ASSEMBLY L4WD |
1 |
|
34 |
86502158 |
Амортизатор |
KIT - SEAT SPRING ISOLATOR |
1 |
|
35 |
86502164 |
Комплект деталей регулировки высоты сидения |
KIT, HEIGHT ADJUSTING ROCKER SWITCH |
1 |
|
36 |
86502172 |
Спинка и подушка сидения |
KIT,BACK CUSHION |
1 |
|
37 |
86508207 |
Рама спинки сидения |
KIT - SEAT BACKREST FRAME ASSY, Genesis |
1 |
|
38 |
NSS |
Отдельно не продается |
Not Sold Separately |
1 |
|
39 |
NSS |
Отдельно не продается |
Not Sold Separately |
1 |
|
40 |
NSS |
Отдельно не продается |
Not Sold Separately |
1 |
|
41 |
NSS |
Отдельно не продается |
Not Sold Separately |
1 |
|
42 |
9845771 |
Комплект кнопок |
KNOB SERVICE KIT |
1 |
|
43 |
86502167 |
Подлокотник |
KIT,ARMREST |
1 |
|
44 |
86502168 |
Подлокотник |
KIT,ADJUST ARM |
1 |
|
45 |
86502166 |
Подлокотник |
KIT,ARMREST |
1 |
|
46 |
86502160 |
Комплект деталей направляющей |
KIT,SLIDE TK. |
1 |
|
47 |
86013420 |
Спинка сидения ASM L4WD |
KIT, BACKREST CUSHION, OPERATOR SEAT, ASM L4WD |
1 |
|
48 |
86595866 |
Ящик для документов |
BOX - DOCUMENT, SEAT BACK Assy |
1 |
55
56 58
57 59
|
13A03 Подвеска сидения | ||||
|
Поз |
Чертежный номер |
Наименование |
Descriptionl |
Кол- во |
|
1 |
86502162 |
Амортизатор |
KIT - SHOCK ABSORBER, SEAT Assy |
1 |
|
1A |
280129 |
Гайка 1/4''-20 |
NUT - CenterLock, 1/4 - 20unc |
4 |
|
2 |
86000921 |
Болт 1/4 - 20unc x 0.62 |
SCREW - MACHINE RoundHead, 1/4 -20unc x 0.62 |
2 |
|
3 |
86000892 |
Стойка амортизатор, F/AA изолятор |
STRUT - SHOCK ABSORBER, F/AA ISOLATOR, SEAT Assy |
1 |
|
4 |
86000893 |
Шайба диам.внутр.0.406 наруж.1.00 толщина 0.06'', сталь |
WASHER - FLAT Steel Id-0.406 Od-1.00 Thk-0.06in |
1 |
|
5 |
9845774 |
Шайба, резина |
WASH.,RUBBER |
2 |
|
6 |
86508385 |
Кронштейн амортизатора |
BRACKET - ANGLE MOUNT, STRUT Upper, SEAT Assy |
1 |
|
13A03 Подвеска сидения | ||||
|
Поз |
Чертежный номер |
Наименование |
Descriptionl |
Кол- во |
|
7 |
88715 |
Болт G5, 1/4"-20x1/2" |
Bolt, Carriage, G5, 1/4"-20 x 1/2" |
2 |
|
8 |
NSS |
Отдельно не продается |
Not Sold Separately |
1 |
|
9 |
86012035 |
Комплект подшипников скольжения |
LATERAL ISOLATOR ROLLER KIT |
1 |
|
10 |
86000899 |
Ролик внутр.диам.0.50 наруж.0.993" |
ROLLER - NYLON Id-0.50 Od-0.993in, SEAT ARM SUSPENSION |
2 |
|
11 |
NSS |
Отдельно не продается |
Not Sold Separately |
1 |
|
12 |
86018670 |
Компрессор подвески сидения L4WD |
COMPRESSOR-AIR, SEAT SUSPENSION L4WD |
1 |
|
13 |
86000902 |
Подшипник |
BEARING |
1 |
|
14 |
PL |
Топливный цилиндр |
Purchase Locally - Part Not Sold Seperately |
2 |
|
15 |
276469 |
Втулка |
BUSHING - Nylon, SHOCK ABSORBER -SEAT SUSPENSION |
1 |
|
16 |
86508208 |
Демпфер |
KNOB, DAMPEN CT |
1 |
|
17 |
87128 |
Штифт 1/8" x 5/8" |
Pin, Roll, 1/8" x 5/8" |
1 |
|
18 |
276801 |
Гайка 1/2" |
PUSHNUT-STEEL, Flat-Round Type 1/2in STUD |
1 |
|
19 |
86000906 |
Фиксатор |
LATCH - ASSEMBLY, ISOLATOR |
1 |
|
20 |
86000907 |
Болт 5/16 - 14 x 0.625 |
SCREW - SelfTap 5/16 - 14 x 0.625 |
2 |
|
21 |
88814 |
Болт G5 3/8-16 x 1/2" |
Screw, Cap, HH, G5, 3/8-16 x 1/2" |
1 |
|
22 |
PL |
Топливный цилиндр |
Purchase Locally - Part Not Sold Seperately |
1 |
|
23 |
86000922 |
Гайка 5/16"-24 |
NUT - CENTERLOCK 5/16in - 24unf |
1 |
|
24 |
86000909 |
Верхний сварной кронштейн сидения |
WELDMENT - SEAT SUSPENSION Upper Assy |
1 |
|
25 |
86000910 |
Опора сидения нижняя |
WELDMENT - HOUSING Lower, SEAT SUSPENSION Assy |
1 |
|
26 |
86502151 |
Сиденье с антишоковой подвеской |
SEAT SUSPENSION SHOCK ABS |
1 |
|
27 |
86511982 |
Болт 3/8"-16х3/4" |
SCREW |
1 |
|
28 |
9845760 |
Газовая пружина подвески сидения L4WD |
SPRING-AIR, SEAT SUSPENSION ASSY L4WD |
1 |
|
29 |
9845764 |
Ось |
BEARING SHAFT |
1 |
|
30 |
86000693 |
Соединительный трос, нейлон |
TIE - CABLE Nylon, SEAT Assy |
3 |
|
31 |
86000916 |
Рычаг подвески сидения |
ARM-WELD ASSY, SEAT SUSPENSION |
1 |
|
32 |
86508390 |
Отбойник |
BUMPER - SEAT SUSPENSION HOUSING Upper |
2 |
|
33 |
86000688 |
Фиксатор |
CLIP - BOOT RETENSION, OPERATOR SEAT SUSPENSION |
22 |
|
34 |
276481 |
Ось подвески сидения диам.внутр.0.501 длина 2.0" |
TUBE - BEARING Nylatron, Id-0.501 Lth-2.00in SEAT SUSPENSION |
2 |
|
35 |
86508389 |
Демпфер |
BUMPER - RUBBER MOUNT, SEAT BASE Assy |
2 |
|
36 |
86508384 |
Кольцо |
SPACER - STRUT MOUNT, SEAT SUSPENSION |
1 |
|
37 |
9845757 |
Втулка |
BUSHING,DRIV |
1 |
|
38 |
88902 |
Контргайка 3/8"-16 |
NUT, LOCK |
1 |
|
39 |
86000687 |
Чехол подвески сидения |
BOOT - SUSPENSION, Operator Seat Assy |
1 |
|
13A03 Подвеска сидения | ||||
|
Поз |
Чертежный номер |
Наименование |
Descriptionl |
Кол- во |
|
40 |
86000688 |
Фиксатор |
CLIP - BOOT RETENSION, OPERATOR SEAT SUSPENSION |
19 |
|
42 |
86502149 |
Жгут сидения оператора |
HARNESS - ELECTRIC WIRING, SEAT Assy (Standard) |
1 |
|
43 |
86000689 |
Гайка |
PUSHNUT - ACORN STYLE |
3 |
|
44 |
NSS |
Отдельно не продается |
Not Sold Separately |
1 |
|
45 |
86031710 |
Компрессор в сборе |
Kit, Compressor Assy (Includes Ref. 11,12,44 & Hardware) |
1 |
|
46 |
86502149 |
Жгут сидения оператора |
HARNESS - ELECTRIC WIRING, SEAT Assy (Standard) |
1 |
|
47 |
86520856 |
Набор воздушных пружин |
KIT,AIR SPRING |
1 |
|
48 |
86502151 |
Сиденье с антишоковой подвеской |
SEAT SUSPENSION SHOCK ABS |
1 |
|
49 |
86502152 |
Набор изоляторов |
KIT - ISOLATOR STRUT / HARDWARE, SEAT Assy |
1 |
|
50 |
86502154 |
Кожух |
KIT - BOOT, SEAT SUSPENSION |
1 |
|
51 |
86520889 |
Набор подшипников роликовых |
KIT - BEARING / ROLLER, SEAT ASSY L4WD |
1 |
|
52 |
86508205 |
Детали подвески сидения |
KIT - SUSPENSION, SEAT SCISSOR FRAME, Genesis |
1 |
|
53 |
86000818 |
Боковой изолятор ударов |
KIT - LATERAL ISOLATOR SHOCK |
1 |
|
54 |
276467 |
Демпфер |
Bumper |
1 |
|
55 |
86018668 |
Электроклапан L4WD |
KIT - SOLENOID, SEAT ASSY L4WD |
1 |
|
56 |
86014516 |
Комплект деталей крепления кожуха |
KIT - BOOT BUTTON, Clips & Push Nut, SEAT Assy |
1 |
|
57 |
86520888 |
Комплект деталей подвески сидения |
LOWER SUSP HOUSING KIT |
1 |
|
58 |
86520887 |
Набор под'емного механизма сидения |
UPPER SUSP HOUSING KIT |
1 |
|
59 |
86031713 |
Компрессор сервисный набор |
COMPRESSOR ASY SERVICE KIT |
1 |
|
14C01 Зеркала наружные | ||||
|
Поз |
Чертежный номер |
Наименование |
Descriptionl |
Кол- во |
|
1 |
86020974 |
Зеркало BRITAX |
MIRROR ASSY BRITAX |
1 |
|
1a |
86029940 |
Набор зеркал наружных |
KIT (# 930) - MIRRORS Delux, EXTERIOR L4WD |
AR |
|
2 |
86514720 |
Контргайка с нейлоновой вставкой M10 CLASS10PL |
NUT LOCK NYLON M10 CLASS10PL |
4 |
|
3 |
82015245 |
Ручка регулировочного винта |
KNOB-ADJUSTMENT, REAR VIEW MIRROR ARM ASSY |
2 |
|
4 |
82014587 |
Зеркало BRITAX |
MIRROR BRITAX |
2 |
|
5 |
82016257 |
Ручка |
KNOB-MIRROR RETAINING, SIDE REAR VIEW ARM ASSY |
2 |
|
6 |
82014588 |
Ручка зеркала левая/правая BRITAX |
MIRROR ARM R/H - BRITAX |
1 |
|
7 |
82014589 |
Ручка наружного бокового зеркала л/п |
ARM - EXTERNAL SIDE MIRROR Assy L/H, Britax-Original |
1 |
|
14C01 Зеркала наружные | ||||
|
Поз |
Чертежный номер |
Наименование |
Descriptionl |
Кол- во |
|
8 |
81869630 |
Болт M10 x 1.5 х 35, 6g |
SCREW - SOCKET Hex Head, Lth-35mm M10 x 1.5 - 6g |
4 |
|
8 |
86566100 |
Болт CL 8.8, M10 x 1.5 x 35 |
SCREW - SET, HS, CL 8.8, M10 x 1.5 x 35 |
4 |
|
9 |
86000441 |
Контргайка М16 |
LOCK NUT, M16 Es10.03 |
2 |
|
10 |
86029946 |
Кронштейн зеркала заднего вида |
BRACKET-MOUNTING, EXTERIOR MIRRORS |
2 |
|
11 |
43168 |
Болт M16x40.8 Cl-8.8 |
CAPSCREW HexHead Cl-8.8 Pl M16 x 40.8 |
2 |
|
12 |
86030075 |
Полоса-канал, неопрен |
STRIP - CHANNEL Neoprene, EXTERIOR MIRRORS |
1 |
|
13 |
86030389 |
Канал |
CHANNEL - W/Assy - EXTERIOR MIRROR |
1 |
|
15B01 Кабина в сборе | ||||
|
Поз |
Чертежный номер |
Наименование |
Descriptionl |
Кол- во |
|
1 |
86025487 |
Рама кабины |
FRAME ASSEMBLY - CAB |
1 |
|
1A |
9706581 |
Стекло дверное |
GLASS DOOR |
1 |
|
2 |
9706582 |
Стекло переднее правое |
GLASS FRONT RH SIDE |
1 |
|
3 |
9706583 |
Стекло переднее центральное |
GLASS FRONT CENTER |
1 |
|
4 |
9706584 |
Стекло переднее левое |
GLASS FRONT LH SIDE |
1 |
|
5 |
9706585 |
Стекло заднее центральное |
GLASS REAR CENTRE |
1 |
|
6 |
9706586 |
Стекло заднее левое |
GLASS REAR LH SIDE |
1 |
|
7 |
9706588 |
Стекло боковое правое центральное |
GLASS SIDE RH CENTRE |
1 |
|
8 |
9706587 |
Стекло заднее правое |
GLASS REAR RH SIDE |
1 |
|
10 |
86001112 |
Уплотнительная прокладка стекла |
SPACER GLASS MTG |
35 |
|
11 |
9707331 |
Ручка двери кабины, L4WD |
HANDLE - DOOR, CAB OUTER LOCKING, L4WD |
1 |
|
12 |
87404 |
Болт G5 1/4"-20x2" |
CAPSCREW - HexHead, 0.25 x 2.00 Gr-5 Pl |
1 |
|
13 |
43117 |
Болт M6x1.0x30.0 Cl 8.8 |
CAPSCREW - HexHead Cl 8.8 M6 x 1.0 x 30.0 |
3 |
|
15B01 Кабина в сборе | ||||
|
Поз |
Чертежный номер |
Наименование |
Descriptionl |
Кол- во |
|
14 |
86001367 |
Прокладка дверной ручки |
SPACER DOOR HANDLE |
1 |
|
15 |
9707364 |
Затвор L4wd |
LATCH - LEVER Assy, CAB DOOR L4wd |
1 |
|
16 |
86511975 |
Крепежный винт с плоской головкой 0.25 X 0.75 |
SCREW MACH 0.25 X 0.75 FLHD PL |
4 |
|
17 |
9707332 |
Кнопка ''решетка + капот'' |
KNOB - GRILLE & HOOD Assy, L4wd |
2 |
|
18 |
86511915 |
Крепежный винт с плоскоконической головкой #8 X 1. |
SCREW MACH #8 X 1.00 PANHD PL |
1 |
|
19 |
87653 |
Гайка №8 Nc Gr-5 Pl |
NUT - HEX #8 Nc Gr-5 Pl |
1 |
|
20 |
9706808 |
Болт фиксирующий дверного замка |
BOLT, STRIKER DOOR LATCH |
1 |
|
21 |
9707333 |
Кожух отбойника |
GUARD, STRIKER TRIMARK |
1 |
|
22 |
50211 |
Гайка 7/16''-14 |
NUT, HEX FLG USR 0.440PL |
1 |
|
23 |
9707317 |
Крышка задней панели |
DOOR, WA REAR PANEL |
1 |
|
25 |
9707312 |
Трос L=190 мм |
LANYARD - Steel Cable, Dia-1.20 Lth-190mm |
1 |
|
26 |
9804255 |
Болт M6x16 Cl-8.8 Pl |
CAPSCREW - HexHead Flanged, M6 x 16 Cl-8.8 Pl |
1 |
|
27 |
86514335 |
Контргайка с нейлоновой вставкой M6 класс 10 PL |
NUT LOCK NYLON M6 CLASS10 PL |
3 |
|
28 |
86502338 |
Шпилька ловушки фильтра |
STUD HVAC FILTER RETAINER |
1 |
|
29 |
86001366 |
Контейнер под гайку |
RECEPTACLE CLIP ON |
1 |
|
30 |
9703556 |
Уплотнение оконного стекла, резина |
SEAL - RUBBER EPDM, WINDOW PERIMETER |
1 |
|
31 |
9707336 |
Шарнир |
LATCH Assy - TUGGLE LOCK, CAB WINDOW |
1 |
|
32 |
86050033 |
Шплинт оконного запора 3/16X1.4 PL |
PIN CTTRLSS HITCH 3/16X1.4 PL |
1 |
|
33 |
9780063 |
Штифт 5х16мм |
PIN - SPRING Slotted, Dia-5 Lth-16mm |
1 |
|
34 |
9706806 |
Пружина дверная пневматическая |
GAS SPRING DOOR |
1 |
|
35 |
9707338 |
Фиксатор |
CLIP - RETAINING, GAS SPRING BALL STUD |
2 |
|
36 |
9706807 |
Шаровой палец 13 диам. X M8 |
STUD - BALL Dia-13mm x M8, GAS SPRING MOUNTING |
2 |
|
37 |
86505868 |
Гайка шестигранная USR M 8 PL |
NUT HEX FLG USR M 8 PL |
1 |
|
38 |
9706625 |
Дверь кабины, HHP-L4wd |
DOOR - WA CAB - L4WD |
1 |
|
39 |
9703554 |
Шарнир |
HINGE - CAB DOOR Machined Casting (Black Pltd) |
3 |
|
40 |
86511442 |
Болт шестигранный FLG USR M 6 X 20 PL |
BOLT HEX FLG USR M 6 X 20 PL |
6 |
|
41 |
V32685 |
Втулка диам.внутр.0.32 наруж. 0.44 длина 0.44'' |
BUSHING - NYLON Flanged, Id-0.32 Od-0.44 Lth-0.44mm |
3 |
|
42 |
86034626 |
Уплотнение двери по периметру |
SEAL DOOR PERIMETER |
1 |
|
42 |
9703557 |
Дверное уплотнение, L4WD |
SEAL - DOOR PERIMETER L4WD |
1 |
|
43 |
9706607 |
Корпус замка двери |
COVER - ABS Molded, INSIDE DOOR LATCH |
1 |
|
44 |
86050353 |
Виниловая прокладка, длина 600 мм |
TRIM VINYL STEEL CORE 600MM LG |
1 |
|
45 |
86001078 |
Гайка J специального типа |
NUT J TYPE SPECIAL |
3 |
|
46 |
9673088 |
Винт PHIL HD M4.2 X 1.4BL |
SCREW - PhillipsHead Flange, C/W Washer M4.2 x 1.4 |
3 |
|
47 |
86027829 |
Задняя панель кабины |
PANEL REAR CAB |
1 |
|
15B01 Кабина в сборе | ||||
|
Поз |
Чертежный номер |
Наименование |
Descriptionl |
Кол- во |
|
49 |
86001103 |
Уплотнение левой задней панели |
SEAL REAR LH PANEL |
1 |
|
50 |
104409 |
Гайка M10 x 1.5 |
NUT - U/CLIP, M10 x 15 |
4 |
|
51 |
9804261 |
Болт M10x1.50x25 Cl-8.8 |
CAPSCREW - HexHead FLANGE, Cl-8.8 M10 x 1.50 x 25 Pl |
1 |
|
52 |
86050279 |
Гайка шестигранная M10 класс 10 PL |
NUT HEX FLG M10 CLASS 10 PL |
1 |
|
53 |
V104137 |
Болт М10х25 |
MACHINESCREW & WASHER / Neoprene Bond M10 x 25mm |
4 |
|
54 |
NSS |
Отдельно не продается |
Not Sold Separately |
1 |
|
55 |
V55822 |
Болт 3/4-10unc x5.50'' |
CAPSCREW - HexHead, 3/4 - 10unc x 5.50in L9 |
4 |
|
56 |
V30907 |
Контргайка 0.75nc GR10 PL |
NUT, LOCK 0.750nc GR10 PL |
4 |
|
57 |
86000270 |
Шайба специальная |
WASHER SPECIAL |
4 |
|
58 |
274257 |
Винт с гексагональной головкой с фланцами M12 x1. |
CAPSCREW - HexHead Flg USR M12 x 1.75 x 40 Pl |
8 |
|
59 |
43436 |
Гайка M12 Usr Pl |
NUT - Hex Flange M12 Usr Pl |
8 |
|
60 |
86013059 |
Узел кабины крепежный |
MOUNT CAB |
4 |
|
61 |
86503612 |
Шайба 21.00X37.00X3.00 HDN |
WASHER 21.00X37.00X3.00 HDN |
8 |
|
62 |
86050239 |
Клинообразное уплотнение o 21 пылезащитной заглушк |
GROMMET WEDGE 21DIA DUST PLUG |
1 |
|
63 |
9824259 |
Шайба диам.внут.6.62, наруж.12.0, толщина 1.6мм, сталь |
WASHER - STEEL, Id-6.62mm Od-12.0mm Thk-1.60 |
3 |
|
64 |
86001478 |
Резиновая накладка для стекол |
BLOCK RUBBER GLASS SETTING |
12 |
|
65 |
86502201 |
Ключ |
KEY |
1 |
|
86500364 |
Гайка с нейлоновой вставкой SPL |
NUT PUSHON NYLON SPL |
1 | |
|
9701922 |
Отбойник |
BUMPER - GLASS SPACER |
9 | |
|
9706881 |
Уплотнение задней панели кабины, длина 570мм |
SEAL, PANEL |
1 | |
9702963
|
15B02 Детали интерьера кабины в сборе | ||||
|
Поз |
Чертежный номер |
Наименование |
Descriptionl |
Кол- во |
|
1 |
86011713 |
Зеркало |
MIRROR ASSY |
1 |
|
2 |
9707205 |
Кронштейн правого зеркала заднего вида |
BRACKET, MIRROR RH |
1 |
|
3 |
86013044 |
Пердний коврик |
FLOORMAT FRONT |
1 |
|
4 |
9704769 |
Накладка правая |
CAP-POST, CAB RH B-PILLAR, Molded ABS |
1 |
|
5 |
9704770 |
Накладка левая |
CAP-POST, CAB LH B-PILLAR, Molded ABS |
1 |
|
6 |
9704771 |
Накладка правая |
CAP-POST, CAB RH C-PILLAR, Molded ABS |
1 |
|
7 |
9704772 |
Накладка левая |
CAP-POST, CAB LH C-PILLAR, Molded ABS |
1 |
|
8 |
86012223 |
Левая задняя панель |
REAR DECK LH |
1 |
|
9 |
14274 |
Барашковая гайка 0.250nc Gr-2 Pl |
NUT - WING 0.250nc Gr-2 Pl |
2 |
|
10 |
83955903 |
Пепельница |
ASH TRAY |
1 |
|
11 |
9706475 |
Крючок |
HOOK, COAT |
1 |
|
15B02 Детали интерьера кабины в сборе | ||||
|
Поз |
Чертежный номер |
Наименование |
Descriptionl |
Кол- во |
|
12 |
86013043 |
Задний коврик |
FLOORMAT REAR |
1 |
|
13 |
9706602 |
Накладка |
COVER - ABS Material, GAUGE MOUNT PANEL |
1 |
|
14 |
9706477 |
Верхняя панель |
PANEL - TOP, FRONT CONSOLE, Royalite ABS |
1 |
|
15 |
9706478 |
Панель передняя, L4WD |
FACE-CONSOLE, FRONT MAIN, ABS-Mold L4WD |
1 |
|
16 |
9706479 |
Панель передняя левая |
COVER - ABS Material, CONSOLE -FRONT LH |
1 |
|
17 |
9706480 |
Панель передняя правая |
COVER - ABS Material, CONSOLE -FRONT RH |
1 |
|
18 |
86030459 |
Крышка рулевой колонки |
COVER STEERING COLUMN |
1 |
|
19 |
86018598 |
Верхняя панель боковой консоли |
COVER TOP SIDE CONSOLE |
1 |
|
20 |
86018599 |
Нижняя панель боковой консоли |
COVER BOTTOM SIDE CONSOLE |
1 |
|
21 |
9673088 |
Винт PHIL HD M4.2 X 1.4BL |
SCREW - PhillipsHead Flange, C/W Washer M4.2 x 1.4 |
27 |
|
22 |
V62473 |
Гайка специальная |
NUT-SPEED STEEL J-TYPE, SPECIAL |
19 |
|
23 |
9672404 |
Болт M6 X 12 |
SCREW - HEX, Mach M6 X 12 Hex hd 4.8pl |
4 |
|
24 |
104409 |
Гайка M10 x 1.5 |
NUT - U/CLIP, M10 x 15 |
2 |
|
25 |
86000102 |
Настил задний L4wd |
FABRIC - REAR DECK, CAB INTERIOR L4wd |
1 |
|
25 |
86030047 |
Тканевое покрытие задней части кабины |
FABRIC REAR DECK |
1 |
|
26 |
86012114 |
Крышка блока предохранителей |
FABRIC, FUSE COVER |
1 |
|
26 |
86030048 |
Тканевое покрытие крышки предохранителей |
FABRIC FUSE COVER |
1 |
|
27 |
V8893501 |
Лента липучка, длина |
TAPE - VELCRO Hook Type (Black) |
7 |
|
28 |
86012674 |
Крышка проводки |
COVER HARNESS |
1 |
|
29 |
86508050 |
Болт M10K16 10.9pl |
Bolt Hex Flg M10 X 16 10.9pl |
16 |
|
30 |
9704398 |
Опора |
Support Assy, Shroud |
1 |
|
31 |
86000465 |
Аппликация кнопки сброса |
DECAL IP RESET |
1 |
|
32 |
86000466 |
Аппликация 4-канального селекторного переключателя |
DECAL IP 4 WAY SELECT SWITCH |
1 |
|
33 |
86000467 |
Аппликация переключателя света |
DECAL IP LIGHT SWITCH |
1 |
|
34 |
86000468 |
Аппликация поворотного переключателя |
DECAL IP SELECT SWITCH |
1 |
|
35 |
86000469 |
Аппликация клавишного переключателя |
DECAL KEY SWITCH |
1 |
|
36 |
86000806 |
Подкладка 146х64х16мм, резина |
PAD - CAB POCKET, Rubber Foam Wth-64 Lth-146 Thk16mm |
1 |
|
36 |
86030046 |
Накладка |
POCKET PAD |
1 |
|
37 |
86000546 |
С'емная панель |
PANEL ACCESS |
1 |
|
38 |
82008352 |
Панель |
PLATE RADIO |
1 |
|
39 |
274251 |
Болт шестигранный FLG USR M10 X 25 PL |
BOLT HEX FLG USR M10 X 25 PL |
4 |
|
40 |
43435 |
Гайка M10 Usr Pl |
NUT - Hex Flange M10 Usr Pl |
4 |
|
41 |
9706476 |
Бардачок |
TRAY, STORAGE |
1 |
|
15B02 Детали интерьера кабины в сборе | ||||
|
Поз |
Чертежный номер |
Наименование |
Descriptionl |
Кол- во |
|
42 |
86502682 |
Крепежный винт с плоскоконической головкой #8 X 0 |
SCREW MACH #8 X 0.75 PANHD PL |
1 |
|
43 |
30575 |
Гайка №8 |
Nut Hex Flg Usr #8 Pl |
1 |
|
44 |
86000636 |
Пружинная гайка |
SPRING NUT |
4 |
|
45 |
9702591 |
Пробка 3/4'' |
PLUG, GAUGE 2.25DIA SPECIAL |
1 |
|
47 |
86000334 |
Винт PHIL SER 0.5X1.25 |
SCREW PHIL SER FLG 0.5X1.25 |
1 |
|
48 |
86012673 |
Кронштейн для крепления электрической панели |
BRACKET WA CONTROLLER |
1 |
|
50 |
86001478 |
Резиновая накладка для стекол |
BLOCK RUBBER GLASS SETTING |
2 |
|
51 |
86012402 |
Крышка |
COVER REAR DECK |
1 |
|
52 |
86503049 |
Болт M6 x 30, Cl-4.8 Pl |
SCREW - Machine, PhillipsHead M6 x 30 Cl-4.8 Pl |
2 |
|
53 |
9844267 |
Гайка U М6 х 1.0 |
NUT - U/CLIP M6 - 1.00 Ph-Pl |
2 |
|
54 |
86018941 |
Переключатель управления механизма отбора мощности |
SWITCH - PTO CONTROL L4WD |
1 |
|
54 |
86019112 |
Пластмассовая заглушка 1,00 |
PLUG 1.00 PLASTIC |
1 |
|
55 |
86500340 |
Прикуриватель |
LIGHTER CIGARETTE |
1 |
|
55 |
9821310 |
Прикуриватель |
LIGHTER ASSY - CIGARETTE |
1 |
|
55a |
86033740 |
Адаптер для прикуривателя |
KIT - POWER ADAPTER for CIGAR LIGHTER |
1 |
|
86508356 |
Саморез №10 1.00 |
Sts B Fh Ph #10 1.00 |
2 | |
|
9846224 |
Лампа |
LAMP ASSY, CONTROL LIGHTING |
1 | |
|
15B03 Стеклоочиститель ветрового стекла | ||||
|
Поз |
Чертежный номер |
Наименование |
Descriptionl |
Кол- во |
|
1 |
9706836 |
Скребок стеклоочистителя 18'' гибкий черный |
WIPER BLADE 18.0 IN FLEX BL |
1 |
|
2 |
9705744 |
Держатель щетки стеклоочистителяб 24'' |
ARM - WIPER 24in, Pantograph Black |
1 |
|
3 |
86050273 |
Болт шестигранный 0.25NF X 2.75 GR5 PL |
BOLT HEX 0.25NF X 2.75 GR5 PL |
4 |
|
4 |
9706819 |
Электродвигатель стеклоочистителя |
MOTOR -WIPER WINDSHIELD ASSY, UNITIZED BRACKET |
2 |
|
4 |
9707078 |
Электродвигатель стеклоочистителя в сборе |
MOTOR - WINDSHIELD WIPER ASSEMBLY |
2 |
|
5 |
9706821 |
Набор адаптера дворников 1.25in |
ADAPTER KIT - Pantograph Black, 1.25in PIVOT |
2 |
|
6 |
9706835 |
Шайба внешняя |
SPACER, OUTER |
1 |
|
7 |
9706834 |
Пластина |
SPACER |
2 |
|
8 |
9707517 |
Скребок стеклоочистителя 26'' гибкий черный |
WIPER BLADE 26.0 IN FLEX BL |
1 |
|
9 |
9706485 |
Бак |
RESERVOIR ASSY |
1 |
|
10 |
9706486 |
Рукав 3.60x3300 J1037 |
HOSE, 3.60x3300 J1037 |
1 |
|
11 |
9706823 |
Комплект щеток стеклоочистителя |
KIT - WET, WINDSHIELD WIPERS |
2 |
|
15B03 Стеклоочиститель ветрового стекла | ||||
|
Поз |
Чертежный номер |
Наименование |
Descriptionl |
Кол- во |
|
ASSY | ||||
|
12 |
V86712 |
Кольцо уплотнительное, диам.внут. 3/16'' наруж. 1.00'' толщина 1/8'' |
GROMMET - Rubber, Id-3/16 Od-1.00 Thk-1/8in |
1 |
|
13 |
9706487 |
Рукав 4.60х500мм J1087 |
HOSE - 4.60 x 500mm J1087, REAR WINDSHIELD WASHER |
1 |
|
14 |
9627977 |
Соединитель 1/8x3/16'' |
CONNECTOR - HOSE INSERT Straight Nylon, 1/8 x 3/16in |
2 |
|
15 |
86050346 |
P-образный зажим с покрытием, о 0.38 |
P CLIP COATED 0.38 DIA |
1 |
|
16 |
280158 |
Болт 0.25nf х 1.25 Gr5 |
Bolt Hex 0.25nf X 1.25 Gr5 |
2 |
|
17 |
80682 |
Шайба 0.250PL |
WASHER - LOCK, 0.25 PL |
4 |
|
18 |
80701 |
Шайба 0.312 x 0.734 x 0.065 Pl, сталь |
WASHER - FLAT Steel, 0.312 x 0.734 x 0.065 Pl |
2 |
|
19 |
V44624 |
Контргайка М6 |
LOCKNUT, FLG STEEL M6 |
4 |
|
20 |
86032438 |
Рычаг стеклоочистителя 24'' |
ARM WIPER 24 INCH |
1 |
|
20 |
9705745 |
Рычаг щетки стеклоочистителя 22'' |
ARM - WIPER 22in, Pantograph Black |
1 |
|
21 |
86000537 |
Переключатель стеклоомывателя |
SWITCH ROCKER DPDT WASHER |
1 |
|
22 |
86000542 |
Переключатель заднего стеклоочистителя |
SWITCH ROCKER SPTT WIPER |
1 |
|
23 |
86000536 |
Переключатель переднего стеклоочистителя |
SWITCH ROCKER SPTT WIPER |
1 |
|
24 |
PL |
Топливный цилиндр |
Purchase Locally - Part Not Sold Seperately |
2 |
|
25 |
86000158 |
Кронштейн стеклоочистителя |
BRACKET & PIVOT SHAFT Assy, WINDSHIELD WIPER |
2 |
|
26 |
9707079 |
Рычаг привода стеклоочистителя |
ARM - DRIVE CRANK, WINDOW WIPER Assy |
2 |
|
27 |
V23565 |
Привод рычага стеклоочистителя |
LINK - DRIVE ARM to PANTOGRAPH, WINDOW WIPER Assy |
2 |
|
28 |
V23561 |
Набор скоб крепления пружин №7211 |
SPRING CLIP - WIPER KIT # 7211 |
4 |
|
29 |
V23559 |
Болт |
SCREW - FASTEN'G-WIPER KIT 1692 |
6 |
|
30 |
V23563 |
Гайка |
NUT |
1 |
|
31 |
V23576 |
Шайба |
WASHER -SPACER WIPER KIT # 1654 |
4 |
|
32 |
PL |
Топливный цилиндр |
Purchase Locally - Part Not Sold Seperately |
2 |
|
33 |
PL |
Топливный цилиндр |
Purchase Locally - Part Not Sold Seperately |
2 |
|
34 |
PL |
Топливный цилиндр |
Purchase Locally - Part Not Sold Seperately |
2 |
|
15D01 Обогреватель и кондиционер в сборе | ||||
|
Поз |
Чертежный номер |
Наименование |
Descriptionl |
Кол- во |
|
1 |
86013005 |
Корпус испарителя |
HOUSING - Weld Assy (Black), CAB AIR CONDITIONER Assy |
1 |
|
1 |
86034349 |
Сварной каркас кондиционера |
HOUSING WA AC |
1 |
|
2 |
86013011 |
Передняя панель кондиционера |
SEAL AC HEADLINER |
1 |
|
3 |
86000421 |
Прокладка крыши боковая |
SEAL ROOF SIDE |
2 |
|
4 |
86018775 |
Поддон для стекания пены |
FOAM DRIP TRAY |
1 |
|
5 |
86012468 |
Испаритель |
EVAPORATOR |
1 |
|
6 |
9705907 |
Элемент фильтрующий рециркуляции воздуха |
FILTER ELEMENT AIR RECIRC |
1 |
|
7 |
9705763 |
Клапан расширительный |
VALVE EXPANSION |
1 |
|
8 |
9707354 |
Уплотнение рукавов кондиционера |
SEAL, AC LINES |
1 |
|
9 |
9706921 |
Хомут 1/2"-1.375" |
CLAMP - HOSE, Steel Type-F Style #1 Open Dia-1.375in |
6 |
|
10 |
9707357 |
Уплотнение шланга обогревателя |
SEAL, HEATER HOSE |
2 |
|
11 |
86511893 |
Болт шестигранный FLG HVY M6 X 12 8.8PL |
BOLT HEX FLG HVY M6 X 12 8.8PL |
18 |
|
12 |
9707268 |
Канал воздушный |
DUCT ASSEMBLY. AIR AC |
1 |
|
15D01 Обогреватель и кондиционер в сборе | ||||
|
Поз |
Чертежный номер |
Наименование |
Descriptionl |
Кол- во |
|
13 |
86505792 |
Переключатель термостата |
SWITCH THERMOSTAT |
1 |
|
14 |
44334 |
Болт M4 x 7 x 12, CL 4.8 |
SCREW - MACHINE, PanHead M4 x 7 x 12, CL 4.8 |
4 |
|
15 |
86509264 |
Гайка шестигранная M4 класс 10 PL |
NUT HEX M4 CLASS 10 PL |
4 |
|
16 |
9707327 |
Заслонка |
FLAP, RECIRCULATED AIR |
1 |
|
17 |
86013810 |
Кабель отопителя |
CABLE ASSY CONTROL |
2 |
|
18 |
280415 |
Болт 0.25''nc x 5.0 Gr-5 Pl |
CAPSCREW - HexHead 0.250nc x 5.0 Gr-5 Pl |
1 |
|
19 |
9707266 |
Фиксатор |
CLIP, CABLE SUPPORT |
1 |
|
20 |
86000156 |
Пружинный зажим |
CLIP SPRING |
1 |
|
21 |
9707326 |
Крышка испарителя |
PLATE - COVER 1019 x 290mm, A/C HOUSING Assy |
1 |
|
22 |
9673071 |
Болт №8x0.75 |
SCREW - SELF TAPPING #8x.75 |
14 |
|
23 |
9707323 |
Фильтр системы кондиционирования |
FILTER FRESH AIR AC |
1 |
|
24 |
86013058 |
Фиксатор воздушного фильтра |
SUPPORT WA FILTER |
1 |
|
25 |
9707082 |
Отражатель воздушный |
DEFLECTOR, AIR |
2 |
|
26 |
86013006 |
Воздуховод |
AIR DUCT WA |
1 |
|
27 |
86031276 |
Мотор вентилятора в сборе, 3-х скоростной, 12VDC |
BLOWER ASSY - 3 SPEED, 12VDC |
1 |
|
27 |
9705742 |
Турбина вентилятора L4WD |
WHEEL-BLOWER, A/C & HEATER ASSY L4WD |
1 |
|
28 |
NSS |
Отдельно не продается |
Not Sold Separately |
1 |
|
29 |
NSS |
Отдельно не продается |
Not Sold Separately |
1 |
|
30 |
NSS |
Отдельно не продается |
Not Sold Separately |
1 |
|
31 |
NSS |
Отдельно не продается |
Not Sold Separately |
1 |
|
32 |
NSS |
Отдельно не продается |
Not Sold Separately |
1 |
|
33 |
NSS |
Отдельно не продается |
Not Sold Separately |
1 |
|
34 |
86505791 |
Резистор |
RESISTOR-SPEED CONTROL, Htr/AC Blower-Motor Assy |
1 |
|
35 |
86013104 |
Защелка |
HOOK LATCH |
1 |
|
37 |
86514335 |
Контргайка с нейлоновой вставкой M6 класс 10 PL |
NUT LOCK NYLON M6 CLASS10 PL |
1 |
|
38 |
86013085 |
Уплотнительная наклядка кондиционера |
SEAL AC LINES |
1 |
|
39 |
86013106 |
Уплотнитель испарителя |
FILLER |
1 |
|
40 |
86013724 |
Верхний уплотнитель испарителя, крайний |
SEAL EVAPORATOR TOP EDGE |
2 |
|
41 |
86013725 |
Верхний уплотнитель испарителя, передний |
SEAL EVAPORATOR TOP FRT |
1 |
|
42 |
9827058 |
Уплотнительное кольцо зеленое 70-Duro ID-0.42in |
O-RING NITRILE Green 70-Duro ID-0.42in Thk-0.070in |
2 |
|
120056 |
Болт И6х50 8.8pl |
Bolt Hex M 6 X 50 8.8pl |
1 | |
|
UNKNOWN |
Главный тормозной цилиндр |
Master Brake Cylinder - See Breakdown This Section 1.5 OD, Years: 01/01/1982-12/31/1984 | ||
970710*
|
15C01 Радио и динамики | ||||
|
Поз |
Чертежный номер |
Наименование |
Descriptionl |
Кол- во |
|
1 |
86023024 |
Магнитола кассетная, AM/FM L4WD + Genesis |
RADIO - AM/FM CASSETTE L4WD & Genesis |
1 |
|
1 |
86023025 |
Магнитола DELUXE кассетная, AM/FM L4WD + Genesis |
RADIO-DELUXE AM/FM CASSETTE L4WD & Genesis |
1 |
|
1 |
86023026 |
Магнитола DELUXE CD, AM/FM L4WD + Genesis |
RADIO-DELUXE AM/FM CD PLAYER L4WD & Genesis |
1 |
|
2 |
86505909 |
Динамик 6'' круглый |
SPEAKER 6.00 IN ROUND |
2 |
|
3 |
86015802 |
Набор проводов антенны и креплений |
KIT ANTENNA CABLE & MNTG HDWE |
1 |
|
4 |
86015977 |
Антенна радио Lth-128.7in x 90deg |
ANTENNA - RADIO Lth-128.7in x 90deg L4WD |
1 |
|
5 |
86015978 |
Массовый провод |
STRAP,GROUND |
1 |
|
6 |
86511331 |
Самонарезающий винт #8 18X3/4 с плоскоконической |
SCREW SELFTAP #8 18X3/4 PAN HE |
6 |
|
7 |
86000998 |
Решетка динамика |
GRILL SPEAKER |
2 |
|
8 |
86015979 |
Опорная плита антенны |
PLATE BACKING ANTENNA |
1 |
|
9 |
V62473 |
Гайка специальная |
NUT-SPEED STEEL J-TYPE, SPECIAL |
6 |
|
86023028 |
Жгут магнитолы, L4WD & Genesis |
HARNESS-WIRING, RADIO / CASSETTE L4WD & Genesis |
1 | |
|
9846290DS |
Комплект деталей радио |
Kit, Installation of 3-Hole Style Radio |
1 | |
9705764
|
15D03 Компрессор в сборе | ||||
|
Поз |
Чертежный номер |
Наименование |
Descriptionl |
Кол- во |
|
1 |
9705764 |
Компрессор системы кондиционирования |
COMPRESSOR A/C SYSTEM 12 V |
1 |
|
2 |
NSS |
Отдельно не продается |
Not Sold Separately |
1 |
|
3 |
86001192 |
Муфта сцепления |
CLUTCH ASSEMBLY |
1 |
, то 04
^ то
ENGINE
BLOCK
Ч WATER PUMP
|
15D04 Обогреватель и кондиционер | ||||
|
Поз |
Чертежный номер |
Наименование |
Descriptionl |
Кол- во |
|
1 |
NS |
Левая боковина в сборе |
Side Assembly - L.H., Years: 01/01/1981-12/31/1984 | |
|
2 |
86000745 |
Вкладыш задний правый |
FILLER REAR RH |
1 |
|
3 |
86000744 |
Вкладыш задний левый |
FILLER REAR LH |
1 |
|
4 |
9804258 |
Болт M8x20 Cl-8.8 |
CAPSCREW, Hex-Head FLANGE, Cl-8.8 M8 x 20 Pl |
10 |
|
5 |
86505868 |
Гайка шестигранная USR M 8 PL |
NUT HEX FLG USR M 8 PL |
8 |
|
6 |
9707354 |
Уплотнение рукавов кондиционера |
SEAL, AC LINES |
1 |
|
7 |
86000943 |
Дренажная трубка |
TUBE AC DRAIN |
2 |
|
8 |
86011398 |
Шланг АС 5/8 X 4840 J2064D |
HOSE AC 5/8 X 4840 J2064D |
1 |
|
9 |
86031255 |
Уплотнительное кольцо, внут.диам.0.551'' |
O-RING GREEN HBNR-015 70-Duro ID-0.551 |
3 |
|
10 |
86030071 |
Трубка кондиционера 5/16 X 4665 J2064C |
HOSE AC 5/16 X 4665 J2064C |
1 |
|
11 |
9827060 |
Кольцо уплотнительное 301ID X .070THK |
O-RING NITIRILE Green 70-Duro ID-0.301in Thk-0.500in |
3 |
|
15D04 Обогреватель и кондиционер | ||||
|
Поз |
Чертежный номер |
Наименование |
Descriptionl |
Кол- во |
|
12 |
86013087 |
Медные трубки 1/2 |
TUBE ASSY COPPER 1/2 |
1 |
|
13 |
86013086 |
Медные трубки 1/4 |
TUBE ASSY COPPER 1/4 |
1 |
|
14 |
V86529 |
Хомут 1.00'' |
CLIP - P/Type COATED Black-Vinyl, Dia-1.00in |
7 |
|
15 |
V33721 |
Хомут 7/8'' |
P-CLIP COATED 7/8 DIA |
1 |
|
16 |
86011880 |
Шланг высокого давления 5/8 X 5300 |
HOSE AGR PRESSURE5/8 X 5300 |
1 |
|
17 |
9790676 |
Рукав 0.625 |
HOSE - AGR PRESSURE 0.625 |
1 |
|
18 |
9706921 |
Хомут 1/2''-1.375'' |
CLAMP - HOSE, Steel Type-F Style #1 Open Dia-1.375in |
6 |
|
19 |
86013101 |
Водяной клапан |
VALVE WATER |
1 |
|
20 |
86013810 |
Кабель отопителя |
CABLE ASSY CONTROL |
1 |
|
21 |
86029822 |
Конденсор |
CONDENSER |
1 |
|
22 |
86030073 |
Трубка кондиционера 5/16 X 5200 J2064C |
HOSE AC 5/16 X 5200 J2064C |
1 |
|
23 |
9705765 |
Ресивер кондиционера |
RECEIVER DRYER |
1 |
|
24 |
71690 |
Крепежная скоба |
STRAP - MOUNTING, A/C DRYER -RECEIVER Steel (Black) |
1 |
|
25 |
86030072 |
Трубка кондиционера 13/32 X 4000 J2064C |
HOSE AC 13/32 X 4000 J2064C |
1 |
|
26 |
9827058 |
Уплотнительное кольцо зеленое 70-Duro ID-0.42in |
O-RING NITRILE Green 70-Duro ID-0.42in Thk-0.070in |
2 |
|
27 |
9705764 |
Компрессор системы кондиционирования |
COMPRESSOR A/C SYSTEM 12 V |
1 |
|
28 |
2747 |
Накладка соединительная, нейлоновая, регулируемая |
STRAP-TIE, NYLON, 4.00in ADJUSTABLE |
17 |
|
29 |
9707391 |
Фитинг компрессора №10 |
FITTING, COMPRESSOR HEAD #10, AIRCONDITIONING |
1 |
|
30 |
9707390 |
Фитинг №8 |
FITTING - PRESSURE, COMPRESSOR HEAD #8, AIR CONDITIONING |
1 |
|
31 |
9707360 |
Защитный рукав, ширина 92мм, длина 700мм, нейлон |
SLEEVE-NYLON, PROTECTIVE Wth-92mm x Lth-700mm |
2 |
|
32 |
86010532 |
Шланговое соединение 5/8 X 1/2NPT |
COUPLING HOSE 5/8 X 1/2NPT |
1 |
|
33 |
14602 |
Фитинг 1/2'' NPT |
Elbow, 1/2" NPT, 45o |
1 |
|
34 |
83961305 |
Кран отопителя |
VALVE ASSY HEATER CONTROL |
1 |
|
35 |
88088 |
Адаптер 1/2MNPFTx3/8SWFNPSM |
ADAPTER, 1/2MNPFTx3/8SWFNPSM |
1 |
|
36 |
86013885 |
Шланг высокого давления 5/8 X 4200 |
HOSE AGR PRESSURE 5/8 X 4200 |
1 |
|
36 |
86018785 |
Трубка |
HOSE |
1 |
|
37 |
86001145 |
Изолирующая медная труба |
INSULATION COPPER TUBE |
1 |
|
38 |
263117 |
Соединительный трос, нейлон |
TIE - CABLE Nylon (Black) 0.140 x 11.50in |
4 |
|
39 |
51026 |
Болт M8x12 Cl-8.8 |
CAPSCREW - HexHead Flange, M8 x 12 Cl-8.8 Pl |
4 |
|
40 |
9804261 |
Болт M10x1.50x25 Cl-8.8 |
CAPSCREW - HexHead FLANGE, Cl-8.8 M10 x 1.50 x 25 Pl |
4 |
|
41 |
9804261 |
Болт M10x1.50x25 Cl-8.8 |
CAPSCREW - HexHead FLANGE, Cl-8.8 M10 x 1.50 x 25 Pl |
2 |
|
15D04 Обогреватель и кондиционер | ||||
|
Поз |
Чертежный номер |
Наименование |
Descriptionl |
Кол- во |
|
42 |
104409 |
Гайка M10 x 1.5 |
NUT - U/CLIP, M10 x 15 |
2 |
|
43 |
86019369 |
Кабель управления |
CABLE ASSY CONTROL |
1 |
|
44 |
86000156 |
Пружинный зажим |
CLIP SPRING |
1 |
|
45 |
86001604 |
Трубка дренажная резиновая Duro-65 |
TUBE-RUBBER, Duro-65, AIR CONDITIONER DRAIN |
2 |
|
46 |
86012470 |
Изолирующая трубка, длина 44,0 |
INSULATION HOSE 44.0LG |
1 |
|
47 |
V86490 |
Хомут 1.50'' |
P-CLIP, COATED Dia-1.50in |
1 |
|
48 |
43435 |
Гайка M10 Usr Pl |
NUT - Hex Flange M10 Usr Pl |
2 |
|
49 |
86511323 |
Шайба 10.77X20.00X2.00 PL |
WASHER 10.77X20.00X2.00 PL |
1 |
|
50 |
86511841 |
Болт M8 x 16, 8.8 |
SCREW - HexHead Flange, M8 x 16 8.8Pl |
2 |
|
51 |
86020394 |
Крепежное приспособление 0.173 |
RETAINER PUSH ON 0.173 |
1 |
|
15E01 Крыша | ||||
|
Поз |
Чертежный номер |
Наименование |
Descriptionl |
Кол- во |
|
1 |
86025804 |
Крыша |
CAP - ROOF, CAB Assy, (New Blue) L4WD |
1 |
|
1 |
86027882 |
Крыша кабины |
ROOF CAP |
1 |
|
2 |
86000802 |
Изолирующая крышка |
INSULATION ROOF |
1 |
|
3 |
86000419 |
Прокладка крыши передняя |
SEAL ROOF FRONT |
1 |
|
4 |
86000420 |
Прокладка крыши задняя |
SEAL ROOF REAR |
1 |
|
5 |
86019725 |
Козырек L4WD |
HEADLINER, CAB ROOF L4WD |
1 |
|
5 |
86030049 |
Верхняя часть кабины |
HEADLINER |
1 |
|
6 |
86050206 |
Специальный шланг гибкий 2.50 X 1840 |
HOSE FLEX 2.50 X 1840 SPECIAL |
1 |
|
7 |
2747 |
Накладка соединительная, нейлоновая, регулируемая |
STRAP-TIE, NYLON, 4.00in ADJUSTABLE |
2 |
|
8 |
9705753 |
Вентиляционная решетка 3'' |
LOUVER, 3.0 IN WITH CONNECTOR |
1 |
|
9 |
9705754 |
Вентиляционная решетка 3'' |
LOUVER |
11 |
|
10 |
V62263 |
Болт M10 x 1.5 |
SCREW - MACHINED, M10 x 1.5 |
12 |
|
15E01 Крыша | ||||
|
Поз |
Чертежный номер |
Наименование |
Descriptionl |
Кол- во |
|
11 |
104409 |
Гайка M10 x 1.5 |
NUT - U/CLIP, M10 x 15 |
12 |
|
12 |
V104137 |
Болт М10х25 |
MACHINESCREW & WASHER / Neoprene Bond M10 x 25mm |
8 |
|
13 |
86026822 |
Уплотнение |
GROMMET 3/4IDX1/8GTX1 1/8OD |
8 |
|
15 |
86013083 |
Панель управления левая |
CONTROL PANEL LH |
1 |
|
16 |
86019367 |
Наклейка панели управления крышей |
DECAL ROOF CONTROL |
1 |
|
17 |
86000334 |
Винт PHIL SER 0.5X1.25 |
SCREW PHIL SER FLG 0.5X1.25 |
5 |
|
18 |
V62473 |
Гайка специальная |
NUT-SPEED STEEL J-TYPE, SPECIAL |
5 |
|
19 |
86013810 |
Кабель отопителя |
CABLE ASSY CONTROL |
2 |
|
20 |
86013230 |
Рычаг управления |
LEVER CONTROL CABLE |
1 |
|
21 |
9824331 |
Фиксирующая пружина кнопки контроля радиодиапазона |
CLIP - SPRING, SWITCH CONTROL KNOB RETAINER |
6 |
|
22 |
9848710 |
Кнопка электронного управления панелью приборов |
KNOB ELECTRONIC CONTROL SWITCH |
3 |
|
23 |
86013004 |
Изолирующий материал крыши |
BARRIER ROOF |
1 |
|
24 |
86019369 |
Кабель управления |
CABLE ASSY CONTROL |
1 |
|
6A01 Инф |
юрмационные таблички - внешний вид и безопасность | |||
|
Поз |
Чертежный номер |
Наименование |
Descriptionl |
Кол- во |
|
18 |
86027792 |
Эмблема BVI |
HOOD EMBLEM BVI |
1 |
|
1 |
86001239 |
Табличка ''Швартовочное отверстие'' |
DECAL TIE DOWN SLOT |
4 |
|
2 |
86000554 |
Табличка ''Установка рамы'' |
DECAL ARTICULATION JOINT |
2 |
|
3 |
86001606 |
Табличка ''Панель с предохранителями и реле'' |
DECAL FUSE PANEL |
1 |
|
4 |
86000551 |
Табличка ''Дополнительная батарея'' |
DECAL BATTERY BOOSTING |
1 |
|
5а |
86000482 |
Информационная табличка |
DECAL - SPEED CHART Mechanical TRANSMISSION Mdl-2240 |
1 |
|
5b |
86001372 |
Табличка ''карта скоростей'' |
DECAL SPEED CHART MECH TRANS |
1 |
|
5c |
86011902 |
Информационная табличка |
DECAL - SPEED CHART Powershift TRANSMISSION |
1 |
|
5d |
86011903 |
Информационная табличка |
DECAL - SPEED CHART Powershift TRANSMISSION |
1 |
|
6а |
86027611 |
Информационная табличка ''Модель 2240'' правая |
DECAL - MODEL 2240 R/H Buhler Versatile |
1 |
|
6b |
86027610 |
Информационная табличка ''Модель 2270'' правая |
DECAL - MODEL 2270 R/H Buhler Versatile |
1 |
|
6c |
86029963 |
Информационная табличка ''Модель |
DECAL - MODEL 2290 R/H Buhler |
1 |
|
6A01 Инф |
юрмационные таблички - внешний вид и безопасность | |||
|
Поз |
Чертежный номер |
Наименование |
Descriptionl |
Кол- во |
|
2290'' правая |
Versatile | |||
|
6d |
86027609 |
Информационная табличка ''Модель 2310'' правая |
DECAL - MODEL 2310 R/H Buhler Versatile |
1 |
|
6e |
86029964 |
Табличка ''Model ID-2335'', правая |
DECAL ID 2335 RH |
1 |
|
6f |
86027608 |
Информационная табличка ''Модель 2360'' правая |
DECAL - MODEL 2360 R/H Buhler Versatile |
1 |
|
6g |
86029965 |
Табличка ''Model ID-2375'', правая |
DECAL ID 2375 RH |
1 |
|
6h |
86027607 |
Информационная табличка ''Модель 2425'' правая |
DECAL - MODEL 2425 R/H Buhler Versatile |
1 |
|
7 |
86000549 |
Табличка ''Горячий выпуск'' |
DECAL HOT EXHAUST |
1 |
|
8 |
9673011 |
Информационная табличка ''Обслуживание воздушного фильтра'' |
DECAL - AIR FILTER SERVICE |
1 |
|
9a |
86027616 |
Информационная табличка ''Модель 2240'' левая |
DECAL - MODEL 2240 L/H Buhler Versatile |
1 |
|
9b |
86027615 |
Информационная табличка ''Модель 2270'' левая |
DECAL - MODEL 2270 L/H Buhler Versatile |
1 |
|
9c |
86029960 |
Информационная табличка ''Модель 2290'' левая |
DECAL - MODEL 2290 L/H Buhler Versatile |
1 |
|
9d |
86027614 |
Информационная табличка ''Модель 2310'' левая |
DECAL - MODEL 2310 L/H Buhler Versatile |
1 |
|
9e |
86029961 |
Табличка ''Model ID-2335'', левая |
DECAL ID 2335 LH |
1 |
|
9f |
86027613 |
Информационная табличка ''Модель 2360'' левая |
DECAL - MODEL 2360 L/H Buhler Versatile |
1 |
|
9g |
86029962 |
Табличка ''Model ID-2375'', левая |
DECAL ID 2375 LH |
1 |
|
9h |
86027612 |
Информационная табличка ''Модель 2425'' левая |
DECAL - MODEL 2425 L/H Buhler Versatile |
1 |
|
10 |
86000552 |
Табличка ''Резкий старт'' |
DECAL JUMP STARTING |
1 |
|
11 |
86501511 |
Наклейка ''Охлаждающий вентилятор двигателя'''' |
DECAL FAN WARNING |
2 |
|
12a |
86002703 |
Информационная табличка ''Схема смазки'' серия 80/82 L4WD |
DECAL - LUBRICATION CHART, 80 & 82-Series L4WD |
1 |
|
12b |
86026262 |
Табличка ''Карта смазки'' |
DECAL LUBRICATION CHART |
1 |
|
13 |
86000553 |
Табличка ''Инструкции ROPS'' |
DECAL ROPS INSTRUCTIONS |
1 |
|
14 |
86000615 |
Табличка ''Стояночный тормоз'' |
DECAL PARKING BRAKE |
1 |
|
15 |
86011671 |
Табличка ''Сделано в китае'' |
DECAL MADE IN CANADA |
1 |
|
16 |
86547711 |
Знак ''Транспортное средство медлененого движения'' |
DECAL SMV EMBLEM CAUTION |
1 |
|
17 |
86000548 |
Табличка ''Давление крышки радиатора'' |
DECAL RADIATOR PRESSURE |
1 |
|
18a |
86028097 |
Уплотнитель эмблемы |
GASKET HOOD EMBLEM |
1 |
|
18b |
140040 |
Шайба 6.96 x 22.00 x 2.00, сталь |
WASHER - FLAT Steel, 6.96 x 22.00 x 2.00 |
2 |
|
18c |
86511324 |
Шайба 13.27X24.00X2.500 PL |
WASHER 13.27X24.00X2.500 PL |
4 |
|
18d |
86507068 |
Болт шестигранный USR M 5 X 12 PL |
BOLT HEX FLG USR M 5 X 12 PL |
2 |
|
19a |
86000850 |
Левая табличка ''гидромуфта'' |
DECAL HYD COUPLER LH |
1 |
|
19b |
86000851 |
Правая табличка ''гидромуфта'' |
DECAL HYD COUPLER RH |
1 |
|
20 |
86000550 |
Табличка ''Соединитель навесного оборудования'' |
DECAL DRAWBAR |
1 |
|
8STB01 Сиденье оператора в сборе | ||||
|
Поз |
Чертежный номер |
Наименование |
Descriptionl |
Кол- во |
|
1 |
86032542 |
Сидение оператора в сборе |
SEAT OPERATOR'S BASIC 4WD |
1 |
|
2 |
86034326 |
Спинка сидения |
BACKREST Assy SST, OPERATOR SEAT |
1 |
|
3 |
86035761 |
Подкладка |
CUSHION - BACK SUPPORT, SEAT -BASIC Assy |
1 |
|
4 |
86035515 |
Подлокотник сиденья левый |
ARMREST / BRACKET L/H Assy, OPERATOR SEAT |
1 |
|
4 |
86035516 |
Подлокотник сиденья левый |
ARMREST -W/O BRACKET, L/H Assy, OPERATOR SEAT |
1 |
|
5 |
86034318 |
Гайка 5/16 - 18unc |
NUT- FLANGED, 5/16 - 18unc |
4 |
|
8STB01 Сиденье оператора в сборе | ||||
|
Поз |
Чертежный номер |
Наименование |
Descriptionl |
Кол- во |
|
6 |
86035760 |
Подушка сидения |
CUSHION - SEAT BASIC SST Assy |
1 |
|
7 |
86034329 |
Переходник |
PLATE - ADAPTER, SEAT BASE to SLIDER Assy |
1 |
|
8 |
86034317 |
Болт 5/16''-18 Unc-2A |
BOLT - CARRIAGE, 5/16 - 18 Unc-2A |
1 |
|
9 |
86034327 |
Шарнир основания сидения оператора |
SWIVEL Assy, OPERATOR SEAT BASE |
1 |
|
10 |
86000683 |
Изолятор |
ISOLATOR - LATERAL Assy, OPERATOR SEAT |
1 |
|
11 |
12084 |
Болт 5/16''-18x1.25'' |
CAPSCREW - HexHead, 5/16 - 18 x 1.25 Pl |
2 |
|
12 |
86034322 |
Фиксатор каретки правый |
SLIDE - LOCKING RH Assy, OPERATOR SEAT BASE |
1 |
|
13 |
86000696 |
Втулка |
SPACER - SEAT BASE to SLIDER Assy |
2 |
|
14 |
86034325 |
Направляющая |
BAR - SLIDE ADJUSTOR, OPERATOR SEAT BASE Assy |
1 |
|
15 |
86034320 |
Рукоятка |
KNOB, FORE/AFT SLIDE - Operator Seat Assy |
1 |
|
16 |
86000685 |
Болт 5/16 - 18unc x 0.75 |
BOLT - Square Head, 5/16 - 18unc x 0.75 |
4 |
|
17 |
86000689 |
Гайка |
PUSHNUT - ACORN STYLE |
3 |
|
18 |
86000688 |
Фиксатор |
CLIP - BOOT RETENSION, OPERATOR SEAT SUSPENSION |
18 |
|
19 |
86034323 |
Фиксатор каретки левый |
SLIDE - LOCKING LH Assy, OPERATOR SEAT BASE |
1 |
|
20 |
86000687 |
Чехол подвески сидения |
BOOT - SUSPENSION, Operator Seat Assy |
1 |
|
21 |
86034328 |
Основание подвески сидения |
BASE - SUSPENSION Assy LPA, OPERATOR SEAT |
1 |
|
22 |
86034319 |
Болт 5/16 - 18unc x 0.50 |
BOLT - Square Head, 5/16 - 18unc x 0.50 |
2 |
|
23 |
86034324 |
Переходник |
PLATE - ADAPTOR, OPERATOR SEAT BASE Assy |
1 |
|
24 |
28397 |
Болт 0.61x0.62 Gr-5 Pl |
CAPSCREW - HexHead, 0.61 x 0.62 Gr-5 Pl |
5 |
|
25 |
V12251 |
Болт 0.31x1.50 Gr-5 Pl |
CAPSCREW - HexHead, 0.31 x 1.50 Gr-5 Pl |
4 |
|
26 |
V47359 |
Шайба диам.внутр.5/16'', сталь |
WASHER - Flat Steel, Id-5/16in |
2 |
|
27 |
V47359 |
Шайба диам.внутр.5/16'', сталь |
WASHER - Flat Steel, Id-5/16in |
2 |
|
28 |
88854 |
Гайка 5/16-18 |
NUT, CENTERLOCK, 5/16-18 UNC-2A |
18 |
|
29 |
86000705 |
Шайба диам.внутр.0.390 наруж.1.120, сталь |
WASHER - FLAT Steel, Id-0.390 Od-1.120 |
16 |
|
30 |
86035762 |
Ремень безопасности,, L4wd |
SEAT-BELT Set, OPERATOR SEAT - BASIC L4wd |
1 |
|
31 |
86035540 |
Подлокотник сиденья правый |
ARMREST / BRACKET R/H Assy, OPERATOR SEAT |
1 |
|
31 |
86035541 |
Подлокотник сиденья правый |
ARMREST -W/O BRACKET, R/H Assy, OPERATOR SEAT |
1 |
|
32 |
- |
- |
- |
NS |
|
33 |
- |
- |
- |
NS |
1

|
8STB02 Основание сидения с амортизатором в сборе | ||||
|
Поз |
Чертежный номер |
Наименование |
Descriptionl |
Кол- во |
|
1 |
86508390 |
Отбойник |
BUMPER - SEAT SUSPENSION HOUSING Upper |
1 |
|
2 |
86000907 |
Болт 5/16 - 14 x 0.625 |
SCREW - SelfTap 5/16 - 14 x 0.625 |
2 |
|
3 |
86000909 |
Верхний сварной кронштейн сидения |
WELDMENT - SEAT SUSPENSION Upper Assy |
1 |
|
4 |
86035750 |
Ролик |
ROLLER - DELRIN / Narrow, SEAT SUSPENSION ARM Upper |
2 |
|
5 |
86035755 |
Фиксатор |
LATCH - SEAT SUSPENSION ISOLATOR Assy |
1 |
|
6 |
86508389 |
Демпфер |
BUMPER - RUBBER MOUNT, SEAT BASE Assy |
2 |
|
7 |
86000921 |
Болт 1/4 - 20unc x 0.62 |
SCREW - MACHINE RoundHead, 1/4 -20unc x 0.62 |
2 |
|
8 |
20309 |
Болт 3/8''-16unc x1.5'' |
CAPSCREW - HexHead, 3/8 - 16unc x 1/2 |
1 |
|
9 |
86035754 |
Сварной рычаг подвески сидения |
WELDMENT - SEAT SUSPENSION ARM |
1 |
|
8STB02 Основание сидения с амортизатором в сборе | ||||
|
Поз |
Чертежный номер |
Наименование |
Descriptionl |
Кол- во |
|
Assy | ||||
|
10 |
86032799 |
Жгут сидения оператора |
HARNESS - ELECTRIC WIRING, BASIC SEAT Assy |
1 |
|
11 |
86034801 |
Втулка |
BUSHING - SLEEVE, SEAT STRUT Upper Assy |
1 |
|
12 |
276481 |
Ось подвески сидения диам.внутр.0.501 длина 2.0'' |
TUBE - BEARING Nylatron, Id-0.501 Lth-2.00in SEAT SUSPENSION |
2 |
|
13 |
86000914 |
Опора вала L4WD |
SHAFT-BEARING, SEAT ASSEMBLY L4WD |
1 |
|
14 |
V88844 |
Фиксатор диам.0.50'' |
RETAINER - PushNut, INTERNAL TOOTH 0.500in |
1 |
|
15 |
86035746 |
Шайба диам.внутр.0.386 наруж.0.625 толщина 0.03'', сталь |
WASHER - FLAT Steel, Id-0.386 Od-0.625 Thk-0.03in |
1 |
|
16 |
86032574 |
Пружина кнопки стойки сидения |
SPRING - COMPRESSION, SEAT STRUT FLEX KNOB |
1 |
|
17 |
86035749 |
Ручка амортизатора |
KNOB - STRUT FLEX, SEAT SUSPENSION Assy |
1 |
|
18 |
V15712 |
Штифт 1/8х5/8'' |
PIN - ROLL SPRING Slotted 1/8 x 5/8in |
1 |
|
19 |
86000899 |
Ролик внутр.диам.0.50 наруж.0.993'' |
ROLLER - NYLON Id-0.50 Od-0.993in, SEAT ARM SUSPENSION |
2 |
|
20 |
86000911 |
Амортизатор подвески сидения |
SHOCK-ABSORBER, SEAT SUSPENSION STRUT |
1 |
|
21 |
86035752 |
Ролик |
ROLLER - DELRIN / Wide, SEAT SUSPENSION ARM Upper |
2 |
|
22 |
86035753 |
Компрессор 125/12В |
COMPRESSOR Assy 125 / 12V, SEAT SUSPENSION |
1 |
|
23 |
86034846 |
Втулка |
BUSHING - STRUT MOUNT Lower, SEAT SUSPENSION |
1 |
|
24 |
86000688 |
Фиксатор |
CLIP - BOOT RETENSION, OPERATOR SEAT SUSPENSION |
3 |
|
25 |
86000912 |
Болт 3/8 - 16unc-2A |
SCREW - MACHINE, 3/8 - 16unc-2A |
1 |
|
26 |
86035748 |
Демпфер |
BUMPER - HOUSING WELDMENT Lower, SEAT SUSPENSION |
1 |
|
27 |
86000910 |
Опора сидения нижняя |
WELDMENT - HOUSING Lower, SEAT SUSPENSION Assy |
1 |
|
28 |
9845760 |
Газовая пружина подвески сидения L4WD |
SPRING-AIR, SEAT SUSPENSION ASSY L4WD |
1 |
|
29 |
86034845 |
Фитинг 90°, 1/8Npt x 5/32'' |
ELBOW - HOSE CONNECTOR 90-Deg, 1/8Npt Male x 5/32in |
1 |
|
30 |
86032575 |
Фиксатор |
CLAMP - COMPRESSOR MOUNT, SEAT SUSPENSION |
1 |
|
31 |
V88855 |
Гайка 3/8''-16unc |
NUT - CENTERLOCK 3/8in - 16unc |
1 |
|
32 |
86035747 |
Болт №8х1.25'' |
SCREW - Type AB Slotted #8 x 1.25in |
2 |
|
33 |
86000693 |
Соединительный трос, нейлон |
TIE - CABLE Nylon, SEAT Assy |
3 |
|
34 |
86035010 |
Фиксатор |
CLIP - CHRISTMAS TREE, SEAT SUSPENSION |
1 |
|
35 |
86508384 |
Кольцо |
SPACER - STRUT MOUNT, SEAT SUSPENSION |
1 |
|
36 |
86000892 |
Стойка амортизатор, F/AA изолятор |
STRUT - SHOCK ABSORBER, F/AA |
1 |
|
8STB02 Основание сидения с амортизатором в сборе | ||||
|
Поз |
Чертежный номер |
Наименование |
Descriptionl |
Кол- во |
|
ISOLATOR, SEAT Assy | ||||
|
37 |
86000896 |
Болт 1/4''-20unc-2A |
BOLT - CARRIAGE 1/4in - 20unc-2A |
2 |
|
38 |
86000922 |
Гайка 5/16''-24 |
NUT - CENTERLOCK 5/16in - 24unf |
1 |
|
39 |
86035751 |
Втулка |
BUSHING - WASHER, STRUT MOUNT Upper, SEAT Assy |
2 |
|
40 |
86508385 |
Кронштейн амортизатора |
BRACKET - ANGLE MOUNT, STRUT Upper, SEAT Assy |
1 |
|
41 |
86000893 |
Шайба диам.внутр.0.406 наруж.1.00 толщина 0.06'', сталь |
WASHER - FLAT Steel Id-0.406 Od-1.00 Thk-0.06in |
2 |
|
42 |
86000920 |
Втулка |
BUSHING - SHOCK ISOLATOR, SEAT Assy |
1 |
|
43 |
- |
- |
- |
NS |
|
44 |
20356 |
Гайка 1/4''-20unc |
NUT - CENTERLOCK 1/4in - 20unc |
4 |
06А04а Установка двигателя Qsm-11 на раму, Model. Универсальный полноприводный трактор - красный(12/02 -)
|
06A04a Установка двигателя Qsm-11 на раму | ||||
|
Поз |
Чертежный номер |
Наименование |
Descriptionl |
Кол- во |
|
1 |
86029916 |
Двигатель Cummins QSM-11 290hp |
ENGINE ASSY QSM-11 290hp Cummins |
1 |
|
1 |
86029917 |
Двигатель Cummins QSM-11 335hp |
ENGINE ASSY QSM-11 335hp Cummins |
1 |
|
1 |
86029918 |
Двигатель Cummins QSM-11 375hp |
ENGINE ASSY QSM-11 375hp Cummins |
1 |
|
1 |
86032637 |
Двигатель Cummins Tier 3, Qsm-11 290hp L4wd |
ENGINE - Cummins Tier 3, Qsm-11 290hp L4wd |
1 |
|
1 |
86032638 |
Двигатель QSM11 335 л.с. TIER 3 |
ENGINE QSM11 335 HP TIER 3 |
1 |
|
1 |
86032639 |
Двигатель QSM11 375 л.с. TIER 3 |
ENGINE QSM11 375 HP TIER 3 |
1 |
|
2 |
43168 |
Болт M16x40.8 Cl-8.8 |
CAPSCREW HexHead Cl-8.8 Pl M16 x |
8 |
|
06A04a Установка двигателя Qsm-11 на раму | ||||
|
Поз |
Чертежный номер |
Наименование |
Descriptionl |
Кол- во |
|
40.8 | ||||
|
3 |
86511326 |
Шайба 17.27X30.00X3.00 PL |
WASHER 17.27X30.00X3.00 PL |
8 |
|
4 |
86029919 |
Заднее левое крепление двигателя |
MOUNT QSM 11 LH REAR WA |
1 |
|
5 |
86029673 |
Правый кронштейн для крепления двигателя QSM 11 |
MOUNT QSM 11 RH REAR WA |
1 |
|
6 |
9780073 |
Болт M20x2.5x110 Cl 8.8 |
CAPSCREW - HexHead Cl-8.8 M20 x 2.5 x 110 |
4 |
|
7 |
86503612 |
Шайба 21.00X37.00X3.00 HDN |
WASHER 21.00X37.00X3.00 HDN |
4 |
|
8 |
9703328 |
Шайба плоская диам.внут.21, наруж.95.0, толщина 6.35мм сталь |
WASHER-FLAT, STEEL ID-21.0mm OD-95.0mm Thk-6.35mm |
4 |
|
9 |
9672975 |
Опора двигателя резиновая |
RUBBER MOUNT ENGINE |
4 |
|
10 |
86512499 |
Гайка шестигранная FLG M20 класс 10 PL |
NUT HEX FLG M20 CLASS 10 PL |
4 |
|
11 |
86010514 |
Крыльчатка, диам.32'', 3.50'' |
FAN ASSY 32.0 IN 3.50 PW |
1 |
|
11 |
86012200 |
Вентилятор в сборе 33.0 IN 3.50 PW |
FAN ASSY 33.0 IN 3.50 PW |
1 |
|
12 |
86030151 |
Распорная втулка вентилятора QSM11 |
SPACER FAN QSM11 |
1 |
|
13 |
86505980 |
Болт шестигранный 0.38 X 4.50GR5 PL |
BOLT HEX 0.38 X 4.50GR5 PL |
6 |
|
14 |
9707261 |
Пластина |
SPACER - FRONT ENGINE MOUNT |
1 |
|
15 |
9707241 |
Ремень компрессора GRV 0.5WDX38.9 |
BELT COMPRESSOR GRV 0.5WDX38.9 |
1 |
|
17 |
9705764 |
Компрессор системы кондиционирования |
COMPRESSOR A/C SYSTEM 12 V |
1 |
|
18 |
86030521 |
Кронштейн для крепления компрессора |
BRKT AC COMPRESSOR MOUNT |
1 |
|
19 |
86511845 |
Болт шестигранный FLG M10 X 35 8.8PL |
BOLT HEX FLG M10 X 35 8.8PL |
5 |
|
20 |
86514720 |
Контргайка с нейлоновой вставкой M10 CLASS10PL |
NUT LOCK NYLON M10 CLASS10PL |
1 |
|
21 |
86001021 |
Регулировочная тяга |
ROD ADJUSTING |
1 |
|
22 |
337475 |
Гайка И12х1.75 |
NUT, HEX M12 CLASS 10PL |
1 |
|
23 |
86024979 |
Прокладка |
SPACER |
1 |
|
24 |
86030569 |
Нарезной болт M10 X1.5 X 50 PL |
BOLT SCKT M10 X1.5 X 50 PL |
2 |
|
25 |
86511323 |
Шайба 10.77X20.00X2.00 PL |
WASHER 10.77X20.00X2.00 PL |
2 |
|
26 |
86514720 |
Контргайка с нейлоновой вставкой M10 CLASS10PL |
NUT LOCK NYLON M10 CLASS10PL |
2 |
|
27 |
86012006 |
Контргайка с нейлоновой вставкой M12 класс 10 P |
NUT LOCK NYLON M12 CLASS10 P |
1 |
|
28 |
86029143 |
Элемент фильтрующий топливный |
FILTER ELEMENT FUEL |
1 |
|
29 |
86030789 |
Адаптер вентилятора |
Adapter Pilot, Fan Spacer |
1 |
|
30 |
86030710 |
Подогреватель 1500Вт 120В |
HEATER - ENGINE COOLANT 1500W 120V |
1 |
|
31 |
86030787 |
Уплотнение подогревателя |
Gasket, Engine Coolant Heater |
1 |
|
32 |
UNKNOWN |
Главный тормозной цилиндр |
Master Brake Cylinder - See Breakdown This Section 1.5 OD, Years: 01/01/1982-12/31/1984 |
4 |
|
33 |
86029146 |
Элемент фильтрующий масла для гидросистем и трансм |
FILTER ELEMENT HYDR OIL & TRAN |
1 |
|
34 |
9706670 |
Жгут подогревателя |
CORD-ELECTRIC, ENGINE HEATER |
1 |
|
35 |
86030711 |
Фильтр отстойник |
ELEMENT ENGINE OIL |
1 |
|
36 |
86030708 |
Ремень от вентилятора к генератору |
BELT FAN ALTERNATOR |
1 |
|
06B03 Система впуска воздуха и выпуска отработавших газов | ||||
|
Поз |
Чертежный номер |
Наименование |
Descriptionl |
Кол- во |
|
1 |
86024881 |
Фильтр предварительной очистки в сборе 11" |
PRECLEANER ASSY 11 IN |
1 |
|
2 |
86021947 |
Воздушный фильтр в сборе 11л |
AIR CLEANER ASSY 11L |
1 |
|
2а |
V57999 |
Барашковая гайка 7/16'' |
NUT-WING 7/16in - AIR FILTER ELEMENT, Primary L4WD |
1 |
|
2b |
9672615 |
Барашковая гайка |
NUT-WING, AIR FILTER ELEMENT, Safety L4WD |
1 |
|
2c |
9672674 |
Корпус воздушного фильтра L4WD |
COVER - AIR CLEANER CANISTER L4WD |
1 |
|
3 |
86021955 |
Глушитель выхлопа |
MUFFLER ENGINE |
1 |
|
4 |
86023668 |
Колено 45°, о 152 |
ELBOW 45 152 DIA |
1 |
|
5 |
86023697 |
Труба воздухозаборника |
TUBE AIR INTAKE |
1 |
|
5 |
86029907 |
Патрубок воздухозаборника, двигатель Qsm-11Tier II |
TUBE - AIR INTAKE Qsm-11 Engines; Start: 09-OCT-02 |
1 |
|
5 |
86030737 |
Патрубок воздухозаборника, двигатель Qsm-11Tier II |
TUBE - AIR INTAKE Qsm-11 Tier II Engines |
1 |
|
6 |
86021956 |
Крышка воздухозаборника, выводная труба |
HAT AIR INTAKE STACK 6" |
1 |
|
06B03 Система впуска воздуха и выпуска отработавших газов | ||||
|
Поз |
Чертежный номер |
Наименование |
Descriptionl |
Кол- во |
|
6" | ||||
|
7 |
86024942 |
Выводная труба воздухозаборника, длина 6,0 |
STACK AIR INTAKE 6.0 LG |
1 |
|
8 |
86030147 |
Крепление фильтра предварительной очистки |
BRACKET PRECLEANER TO EXHAUST |
2 |
|
9 |
86026793 |
Шланг, изгиб 2", длина 400мм |
HOSE - FLEX 2.0" X 400 MM |
1 |
|
10 |
86023669 |
Колено 45°, о 152 |
ELBOW 45 152 DIA |
1 |
|
11 |
86531664 |
Стяжной хомут |
MOUNTING BAND |
2 |
|
12 |
9704368 |
Патрубок 90° |
ELBOW - AIR INTAKE to TURBO CHARGER |
1 |
|
13 |
86029907 |
Патрубок воздухозаборника, двигатель Qsm-11Tier II |
TUBE - AIR INTAKE Qsm-11 Engines; Start: 09-OCT-02 |
1 |
|
14 |
9705172 |
Патрубок |
ELBOW, AIR INTAKE REDUCER |
1 |
|
15 |
86030123 |
Трубка турбокомпрессора QSM11 |
PIPE TURBO QSM11 |
1 |
|
16 |
86025525 |
Трубка гибкая 5" |
PIPE FLEX 5.0 IN |
1 |
|
17 |
86023672 |
Выхлопная труба глушителя QS11 |
PIPE EXHAUST MUFFLER QS11 |
1 |
|
18 |
86029836 |
Трубка промежуточный охладитель, двигатель QSM-11 |
TUBE-INTERCOOLER RH QSM-11 Engine |
1 |
|
19 |
86029835 |
Левая трубка промежуточного теплообменника QSM11 |
TUBE INTERCOOLER LH QSM11 |
1 |
|
20 |
9804263 |
Винт с гексагональной головкой с фланцами M10 x 40 |
CAPSCREW - HexHead Flanged M10 x 40 x 1.5 Cl-8.8 |
2 |
|
21 |
98042782 |
Гайка M10 |
Nut, Flg, Plated CL8 M10 |
2 |
|
22 |
86025102 |
Хомут глушителя 5" на 2 болта |
CLAMP MUFFLER 5.0 2 BOLT |
3 |
|
23 |
22165 |
Хомут 160/168см |
Clamp, Hose, T-Bar 160/168mm |
5 |
|
24 |
86000094 |
Хомут, o 137 |
CLAMP T BAR 137 DIA |
2 |
|
25 |
86000095 |
Хомут 111мм |
CLAMP - HOSE, T-BAR Dia-111mm |
1 |
|
26 |
9706674 |
Труба глушителя, длина 18" |
STACK-EXHAUST, MUFFLER Lg-18.0in L4WD |
1 |
|
27 |
86026713 |
Хомут, болт SPRG 4.0 |
CLAMP T BOLT SPRG 4.0 |
8 |
|
28 |
86026176 |
Шланг охладителя наддувочного воздуха |
HOSE CHARGE AIR COOLER HOT |
4 |
|
29 |
18827 |
Хомут глушителя 5" |
Clamp, Muffler 5" |
1 |
|
30 |
9804261 |
Болт M10x1.50x25 Cl-8.8 |
CAPSCREW - HexHead FLANGE, Cl-8.8 M10 x 1.50 x 25 Pl |
8 |
|
31 |
86050279 |
Гайка шестигранная M10 класс 10 PL |
NUT HEX FLG M10 CLASS 10 PL |
4 |
|
32 |
86050202 |
Зажим 2.5 |
CLAMP HOSE 2.5 |
2 |
|
33 |
9670066 |
Болт M12x1.75x30 Cl-8.8 |
CAPSCREW - HexHead Flanged, Cl-8.8 M12 x 1.75 x 30 Pl |
4 |
|
35 |
9804279 |
Гайка M12 x 1.75" |
NUT-HEX Flg M12 x 1.75in Class 8 Pl |
4 |
|
36 |
86030427 |
Уплотнитель из пеноматериала |
FOAM SEAL CAC TUBE |
2 |
|
37 |
86029741 |
Охладитель наддувочного воздуха |
CHARGE AIR COOLER |
1 |
|
38 |
86029152 |
Элемент фильтрующий воздушный консольный |
FILTER ELEMENT SAFETY AIR |
1 |
|
39 |
86029153 |
Элемент фильтрующий воздушный первичный |
FILTER ELEMENT PRIMARY AIR |
1 |
|
N/A |
- |
- |
- |
1 |
|
08A02 Радиатор | ||||
|
Поз |
Чертежный номер |
Наименование |
Descriptionl |
Кол- во |
|
1 |
86029737 |
Радиатор |
RADIATOR |
1 |
|
1 |
86030368 |
Радиатор 6-рядный |
RADIATOR - 6 ROW ASSY Phase C L4WD |
1 |
|
2 |
86024961 |
Крышка - радиатор 14 PSI |
CAP - RADIATOR 14 PSI |
1 |
|
3 |
86029904 |
Шланг 2.25 радиатора QSM верхний |
HOSE RADIATOR QSM UPPER 2.25 |
1 |
|
4 |
86030029 |
Кожух двигателя вентилятора, 33'', QSM 11 - 375hp |
SHROUD-FAN ENGINE, VENTURI 33in, QSM 11 - 375hp |
1 |
|
4 |
86030473 |
Кожух двигателя вентилятора, 33'', QSM 11 - 290-335hp |
SHROUD-FAN ENGINE, VENTURI 32in, QSM 11 - 290-335hp |
1 |
|
6 |
86030251 |
Рама крепления радиатора |
Frame, Cooler Mounting |
1 |
|
08A02 Радиатор | ||||
|
Поз |
Чертежный номер |
Наименование |
Descriptionl |
Кол- во |
|
6 |
86030390 |
Рама охладителя |
FRAME WA COOLER |
1 |
|
7 |
86012244 |
Установочная гайка |
CENTRE BONDED MOUNT |
4 |
|
8 |
9672283 |
Шайба 0.500x1.625x0.095 Pl, сталь |
WASHER - Steel, 0.500 x 1.625 x 0.095 Pl |
4 |
|
9 |
9790664 |
Фитинг, 90° 3/4 x 3/4mnpt |
CONNECTOR - HOSE 90-Deg 3/4 x 3/4mnpt |
1 |
|
10 |
9672304 |
Пробка дренажная, диам.внут.3/8'' 1/4nptf |
DRAIN - ANGLE BIB, Id-3/8 1/4nptf |
1 |
|
11 |
86030316 |
Шланг армированный волокном 0.18 X 620 |
HOSE SGL YARN BRAID 0.18 X 620 |
1 |
|
12 |
514920 |
Хомут 0.813-1.5'' |
CLAMP - HOSE, Worm-Gear Drive, 1.50 x 0.813in |
2 |
|
13 |
86505942 |
Шланговое соединение 3/16 X 1/8NPTF |
COUPLING HOSE 3/16 X 1/8NPTF |
2 |
|
14 |
86505938 |
Шайба 0.406X1.375X0.083 PL |
WASHER 0.406X1.375X0.083 PL |
8 |
|
15 |
9672949 |
Рукав 5/16''х1600мм 30r6 |
HOSE - HYDRAULIC Assy, 5/16in x 1600mm 30r6 |
1 |
|
16 |
9790674 |
Трубка 3/4''х1100мм |
HOSE - PRESSURE, Agr 3/4 x 1100 |
1 |
|
17 |
V18933 |
Адаптер гидросистемы 1.0swmnpt 3/4fnpt |
ADAPTER - HYDRAULIC Union, 1.0swmnpt 3/4fnpt |
1 |
|
18 |
V30426 |
Кронштейн |
BRACKET - ANGLE MOUNTING Steel, HOSES / PIPES |
1 |
|
19 |
9671028 |
Хомут 1.50'' |
P-CLIP COATED, TUBE / HOSE Dia-1.500in |
1 |
|
20 |
86511444 |
Гайка шестигранная FLG USR M 6 PL |
NUT HEX FLG USR M 6 PL |
2 |
|
21 |
86511442 |
Болт шестигранный FLG USR M 6 X 20 PL |
BOLT HEX FLG USR M 6 X 20 PL |
1 |
|
22 |
355788 |
Болт M10x1.5x70 Cl-10.9 |
CAPSCREW - HexHead, M10 1.5 x 70 Cl-10.9 Pl |
2 |
|
23 |
412141 |
Контргайка M10 Cl-8 Pl |
NUT - LOCK Nylon M10 Cl-8 Pl |
2 |
|
23 |
86514720 |
Контргайка с нейлоновой вставкой M10 CLASS10PL |
NUT LOCK NYLON M10 CLASS10PL |
6 |
|
24 |
43436 |
Гайка M12 Usr Pl |
NUT - Hex Flange M12 Usr Pl |
6 |
|
25 |
9704114 |
Уплотнение радиатора, неопрен |
SEAL - NEOPRENE / Flex-Steel Core, RADIATOR to FRAME |
1 |
|
26 |
86021834 |
Затвор решетки |
GRILL ROTOR LATCH |
1 |
|
27 |
86050281 |
Болт шестигранный FLG USR M 6 X 30 PL |
BOLT HEX FLG USR M 6 X 30 PL |
2 |
|
28 |
86511444 |
Гайка шестигранная FLG USR M 6 PL |
NUT HEX FLG USR M 6 PL |
2 |
|
29 |
82012728 |
Хомут |
CLAMP |
2 |
|
30 |
9706693 |
Болт M12x60 Cl-8.8 |
CAPSCREW - HexHead, M12 x 60 Cl-8.8 Pl |
4 |
|
31 |
82012729 |
Хомут |
CLAMP, HOSE |
2 |
|
32 |
9804268 |
Болт M12x40 Cl-8.8 |
CAPSCREW - HexHead Flanged, M12 x 40mm Cl-8.8 Pl |
4 |
|
33 |
86050286 |
Болт шестигранный FLG HVY M10 X1.5 X 20 |
BOLT HEX FLG HVY M10 X1.5 X 20 |
8 |
|
34 |
86030335 |
Резиновый уплотнитель двери |
SEAL RUBBER ACCESS DOOR |
2 |
|
08A02 Радиатор | ||||
|
Поз |
Чертежный номер |
Наименование |
Descriptionl |
Кол- во |
|
35 |
86030329 |
Уплотнение, резина |
SEAL - RUBBER CAC TUBE, Obsolete |
2 |
|
36 |
86030327 |
Резиновый уплотнитель рамы, левый |
FRAME RUBBER CAC SEAL LH |
1 |
|
37 |
86030328 |
Резиновый уплотнитель рамы, правый |
FRAME RUBBER CAC SEAL RH |
1 |
|
38 |
120104 |
Болт М8х20 8.8Plt |
CAPSCREW - HexHead M8 x 20 8.8Plt |
8 |
|
39 |
86029903 |
Шланг 2.50 радиатора QSM нижний |
HOSE RADIATOR QSM LOWER 2.50 |
1 |
|
40 |
86000756 |
С'ёмник смотрового стекла радиатора |
RETAINER RADIATOR SIGHT GLASS |
1 |
|
41 |
86000754 |
Смотровое стекло охлаждающей жидкости радиатора |
GLASS-SIGHT, RADIATOR COOLANT L4WD |
1 |
|
42 |
86000755 |
Кольцо уплотнительное |
O-RING, SIGHT GLASS SEAL, RADIATOR |
1 |
|
43 |
86030014 |
Боковая пластина крышки, сварная |
PLATE WA COVER SIDE |
2 |
|
44 |
86030126 |
Стопорный штифт |
PIN LATCH |
2 |
|
45 |
86030132 |
Нажимная пружина, внеш. O 12,7, длина 38,1 |
SPRING COMP 12.7ODX38.1LG |
2 |
|
46 |
130004 |
Скрепка 3.2x25мм |
PIN - COTTER, 3.2 x 25mm Pl |
2 |
|
47 |
140017 |
Шайба 11.43 x 20.00 x 2.000 Pl, сталь |
WASHER - FLAT Steel, 11.43 x 20.00 x 2.000 Pl |
2 |
|
86030400 |
Поддерживающая рамка радиатора WA |
RADIATOR SUPPORT FRAME WA |
1 | |
|
86505868 |
Гайка шестигранная USR M 8 PL |
NUT HEX FLG USR M 8 PL |
8 | |
|
0 |
86012069 |
U гайка М12 |
U NUT M12 |
4 |
|
08B02 Охладитель топлива | ||||
|
Поз |
Чертежный номер |
Наименование |
Descriptionl |
Кол- во |
|
1 |
86029821 |
Охладитель |
COOLER FUEL |
1 |
|
2 |
86029921 |
Шланг 1/2 X 2600 100R1 |
HOSE ASSY 1/2 X 2600 100R1 |
2 |
|
3 |
86019898 |
Р-образный зажим с покрытием о 15/16, двойной |
P CLIP COATED 15/16 DIA DOUBLE |
4 |
|
3 |
86050307 |
Р-образный зажим с покрытием о 0,75 двойной |
P CLIP COATED 0.750 DIA DBL |
4 |
|
4 |
274249 |
Болт шестигранный USR M10 X 20 PL |
CAPSCREW - HexHead Flanged, M10 x 1.50 x 20 Pl |
2 |
|
5 |
86031079 |
Нейлоновый изоляционный рукав, длина 600мм |
SLEEVE NYLON PROTECTIVE 600 MM |
1 |
|
6 |
86514722 |
Р-образный зажим с покрытием о 1,800 |
P CLIP COATED 1.880 DIA |
1 |
|
08B02 Охладитель топлива | ||||
|
Поз |
Чертежный номер |
Наименование |
Descriptionl |
Кол- во |
|
7 |
33451 |
Хомут |
Tie Strap |
3 |
|
8 |
274247 |
Болт M10x16 |
CAPSCREW - HexHead Flanged, Usr M10 x 16 Pl |
4 |
|
9 |
2747 |
Накладка соединительная, нейлоновая, регулируемая |
STRAP-TIE, NYLON, 4.00in ADJUSTABLE |
8 |
|
10 |
86012020 |
Топливный перепускной клапан |
VALVE FUEL BYPASS |
1 |
|
11 |
86511315 |
Шайба 8.62X16.00X1.60 PL |
WASHER 8.62X16.00X1.60 PL |
2 |
|
12 |
86511481 |
Болт шестигранный FLG M 8 X 50 8.8PL |
BOLT HEX FLG M 8 X 50 8.8PL |
2 |
|
13 |
86509028 |
Штуцер 9/16ORB X 3/4JIC |
ADAPTER STR 9/16ORB X 3/4JIC |
4 |
|
14 |
86030077 |
Шланг 1/2 X 1600 100R1 |
HOSE ASSY 1/2 X 1600 100R1 |
1 |
|
15 |
86030078 |
Шланг 1/2 X 2400 100R1 |
HOSE ASSY 1/2 X 2400 100R1 |
1 |
|
16 |
86050286 |
Болт шестигранный FLG HVY M10 X1.5 X 20 |
BOLT HEX FLG HVY M10 X1.5 X 20 |
2 |
|
17 |
9804278 |
Гайка шестигранная M10 x 1.50 Cl-8.0 |
NUT - Hex Flanged M10 x 1.50 Cl-8.0 |
2 |
|
09A01 Топливный бак и топливопроводы | ||||
|
Поз |
Чертежный номер |
Наименование |
Descriptionl |
Кол- во |
|
1 |
86026154 |
Левый топливный бак |
TANK-FUEL, LH-ASSY, New Blue |
1 |
|
1 |
86027835 |
Левый топливный бак BVI |
TANK-FUEL, LH-ASSY, BVI RED |
1 |
|
1 |
86031887 |
Топливный бак, левый |
TANK FUEL WA, LH |
1 |
|
2 |
86026153 |
Правый топливный бак |
TANK-FUEL, RH-ASSY, New Blue |
1 |
|
2 |
86027834 |
Правый топливный бак BVI |
TANK-FUEL, RH-ASSY, BVI RED |
1 |
|
2 |
86031888 |
Бак топливный сварной правый в сборе, L4wd |
TANK-FUEL Weld-Assy RH, With Bottom DRAIN, (Red) L4wd |
1 |
|
2 |
86035150 |
Правый топливный бак L4wd |
TANK-FUEL Weld-Assy RH (Red) L4wd |
1 |
|
2 |
86036644 |
Топливный бак, правый |
TANK FUEL WA RH |
1 |
|
3 |
9804272 |
Болт M16x2x50 Cl-8.8 |
CAPSCREW - HexHead Flanged, M16 x |
14 |
|
09A01 Топливный бак и топливопроводы | ||||
|
Поз |
Чертежный номер |
Наименование |
Descriptionl |
Кол- во |
|
50 Cl-8.8 Pl | ||||
|
4 |
86512498 |
Гайка шестигранная FLG M16 класс 10 PL |
NUT HEX FLG M16 CLASS 10 PL |
10 |
|
5 |
9671406 |
Сливной кран 1/4 NPT топливного бака |
DRAINCOCK 1/4 NPT, FUEL TANKS L4WD |
2 |
|
6 |
86001359 |
Крышка топливного бака, о 76,0 |
CAP FUEL 76.0 DIA |
2 |
|
7 |
128818 |
Штуцер 3/4MJICx3/4MORB |
CONNECTOR, 3/4MJICx3/4MORB |
1 |
|
8 |
86013883 |
Трубопровод возврата топлива |
TUBE FUEL RETURN |
1 |
|
9 |
86071 |
Штуцер 7/8MJICx3/4MORB |
CONNECTOR, 7/8MJICx3/4MORB |
1 |
|
10 |
9706445 |
Патрубок топливовсасывающий L4WD |
TUBE - FUEL SUCTION L4wd |
1 |
|
11 |
86026155 |
Соединительная трубка |
Tube - Crossover New Blue |
1 |
|
11 |
86027836 |
Уровнительный патрубок, o 46,8, красный |
TUBE CROSSOVER 46.8 DIA RED |
1 |
|
12 |
V17778 |
Хомут 2.75'' |
CLAMP - HOSE MaxDia-2.75in, WORM DRIVE Type F |
8 |
|
13 |
9672328 |
Рукав 2 X 8.0 100R4 |
HOSE 2 X 8.0 100R4 |
2 |
|
14 |
86001133 |
Фитинг 1/2 X 1/2NPT |
COUPLING HOSE 1/2 X 1/2NPT |
2 |
|
15 |
86050293 |
Шланг, внутр. O 1/2'', 1270 |
HOSE 1/2 X 1270 |
2 |
|
16 |
9707645 |
Тройник 1/2 x 1/2npt |
TEE - HOSE CONNECTOR 1/2 x 1/2npt |
1 |
|
17 |
9704438 |
Клапан |
VENT - 1/2NPT, HYDRAULIC / FUEL SYSTEMS |
1 |
|
18 |
9804255 |
Болт M6x16 Cl-8.8 Pl |
CAPSCREW - HexHead Flanged, M6 x 16 Cl-8.8 Pl |
2 |
|
19 |
86514335 |
Контргайка с нейлоновой вставкой M6 класс 10 PL |
NUT LOCK NYLON M6 CLASS10 PL |
2 |
|
20 |
128825 |
Кольцо уплотнительное 0.644 IDX0.087 THK BUNA |
O-RING Buna, Id-0.644 Thk-0.087 |
2 |
|
21 |
167269 |
Кольцо уплотнительное вн. O 0.8 X толщина 0.09 N |
O RING 0.80 IDX0.09 THK NITR |
1 |
|
22 |
214389 |
Пробка 7/8, 3/4'' 16unf-2A |
PLUG, 7/8-HexHead 3/4in -16unf-2A |
1 |
|
23 |
86030078 |
Шланг 1/2 X 2400 100R1 |
HOSE ASSY 1/2 X 2400 100R1 |
1 |
|
24 |
129912 |
Пробка 1/4-18 |
PLUG - PIPE, Hex-Socket 1/4 - 18npt |
1 |
|
1 |
86026154 |
Левый топливный бак |
TANK-FUEL, LH-ASSY, New Blue |
1 |
|
1 |
86027835 |
Левый топливный бак BVI |
TANK-FUEL, LH-ASSY, BVI RED |
1 |
|
1 |
86031887 |
Топливный бак, левый |
TANK FUEL WA, LH |
1 |
|
2 |
86026153 |
Правый топливный бак |
TANK-FUEL, RH-ASSY, New Blue |
1 |
|
2 |
86027834 |
Правый топливный бак BVI |
TANK-FUEL, RH-ASSY, BVI RED |
1 |
|
2 |
86031888 |
Бак топливный сварной правый в сборе, L4wd |
TANK-FUEL Weld-Assy RH, With Bottom DRAIN, (Red) L4wd |
1 |
|
2 |
86035150 |
Правый топливный бак L4wd |
TANK-FUEL Weld-Assy RH (Red) L4wd |
1 |
|
2 |
86036644 |
Топливный бак, правый |
TANK FUEL WA RH |
1 |
|
3 |
9804272 |
Болт M16x2x50 Cl-8.8 |
CAPSCREW - HexHead Flanged, M16 x 50 Cl-8.8 Pl |
14 |
|
4 |
86512498 |
Гайка шестигранная FLG M16 класс 10 PL |
NUT HEX FLG M16 CLASS 10 PL |
10 |
|
5 |
9671406 |
Сливной кран 1/4 NPT топливного бака |
DRAINCOCK 1/4 NPT, FUEL TANKS L4WD |
2 |
|
09A01 Топливный бак и топливопроводы | ||||
|
Поз |
Чертежный номер |
Наименование |
Descriptionl |
Кол- во |
|
6 |
86001359 |
Крышка топливного бака, о 76,0 |
CAP FUEL 76.0 DIA |
2 |
|
7 |
128818 |
Штуцер 3/4MJICx3/4MORB |
CONNECTOR, 3/4MJICx3/4MORB |
1 |
|
8 |
86013883 |
Трубопровод возврата топлива |
TUBE FUEL RETURN |
1 |
|
9 |
86071 |
Штуцер 7/8MJICx3/4MORB |
CONNECTOR, 7/8MJICx3/4MORB |
1 |
|
10 |
9706445 |
Патрубок топливовсасывающий L4WD |
TUBE - FUEL SUCTION L4wd |
1 |
|
11 |
86026155 |
Соединительная трубка |
Tube - Crossover New Blue |
1 |
|
11 |
86027836 |
Уровнительный патрубок, o 46,8, красный |
TUBE CROSSOVER 46.8 DIA RED |
1 |
|
12 |
V17778 |
Хомут 2.75'' |
CLAMP - HOSE MaxDia-2.75in, WORM DRIVE Type F |
8 |
|
13 |
9672328 |
Рукав 2 X 8.0 100R4 |
HOSE 2 X 8.0 100R4 |
2 |
|
14 |
86001133 |
Фитинг 1/2 X 1/2NPT |
COUPLING HOSE 1/2 X 1/2NPT |
2 |
|
15 |
86050293 |
Шланг, внутр. O 1/2'', 1270 |
HOSE 1/2 X 1270 |
2 |
|
16 |
9707645 |
Тройник 1/2 x 1/2npt |
TEE - HOSE CONNECTOR 1/2 x 1/2npt |
1 |
|
17 |
9704438 |
Клапан |
VENT - 1/2NPT, HYDRAULIC / FUEL SYSTEMS |
1 |
|
18 |
9804255 |
Болт M6x16 Cl-8.8 Pl |
CAPSCREW - HexHead Flanged, M6 x 16 Cl-8.8 Pl |
2 |
|
19 |
86514335 |
Контргайка с нейлоновой вставкой M6 класс 10 PL |
NUT LOCK NYLON M6 CLASS10 PL |
2 |
|
20 |
128825 |
Кольцо уплотнительное 0.644 IDX0.087 THK BUNA |
O-RING Buna, Id-0.644 Thk-0.087 |
2 |
|
21 |
167269 |
Кольцо уплотнительное вн. O 0.8 X толщина 0.09 N |
O RING 0.80 IDX0.09 THK NITR |
1 |
|
22 |
214389 |
Пробка 7/8, 3/4'' 16unf-2A |
PLUG, 7/8-HexHead 3/4in -16unf-2A |
1 |
|
23 |
86030078 |
Шланг 1/2 X 2400 100R1 |
HOSE ASSY 1/2 X 2400 100R1 |
1 |
|
24 |
129912 |
Пробка 1/4-18 |
PLUG - PIPE, Hex-Socket 1/4 - 18npt |
1 |
|
09B01 Привод дросселя | ||||
|
Поз |
Чертежный номер |
Наименование |
Descriptionl |
Кол- во |
|
1 |
9841607 |
Рукоятка рычага |
KNOB-NYLON, HAND THROTTLE LEVER |
1 |
|
2 |
86030061 |
Рычаг дросселя |
LEVER THROTTLE |
1 |
|
3 |
86011841 |
Рычаг деселератора |
LEVER WA DECELERATOR |
1 |
|
4 |
9821941 |
Подушка, резина |
PAD - RUBBER, ACCELERATOR PEDAL |
1 |
|
5 |
86018512 |
Лист крепления деселератора |
PLATE WA DECELERATOR |
1 |
|
6 |
86018510 |
Тяга деселератора |
ROD DECELERATOR |
1 |
|
7 |
9706247 |
Шайба диам.внутр.20.00 наруж.50.00 толщина 9.50мм |
WASHER - FRICTION, Od-50.0 Id-20.0 Thk-9.5mm |
1 |
|
8 |
V79073 |
Втулка |
BUSHING |
1 |
|
09B01 Привод дросселя | ||||
|
Поз |
Чертежный номер |
Наименование |
Descriptionl |
Кол- во |
|
9 |
86511324 |
Шайба 13.27X24.00X2.500 PL |
WASHER 13.27X24.00X2.500 PL |
1 |
|
10 |
9706248 |
Шайба пружинная |
WASHER, BELLEVILLE SPRING |
2 |
|
11 |
86012006 |
Контргайка с нейлоновой вставкой M12 класс 10 P |
NUT LOCK NYLON M12 CLASS10 P |
1 |
|
12 |
V14841 |
Втулка диам.внутр.0.509'' |
BUSHING - NYLON, FLANGED ID-0.509in |
2 |
|
13 |
9635806 |
Стопорное кольцо |
RING, RETAINING |
2 |
|
14 |
9790666 |
Пружина диам.наруж. 0.85'' длина 5.50'' |
SPRING COMP 0.85ODX5.50LG |
1 |
|
15 |
86000619 |
Нейлоновая прокладка |
SPACER NYLON |
1 |
|
16 |
86000439 |
Стопорное кольцо о 0,38 |
RETAINING RING 0.38 DIA |
1 |
|
17 |
86018724 |
Трос |
CABLE - CONTROL, STEEL STRAND / NYLON COVER |
1 |
|
18 |
9705822 |
Наконечник тяги дросселя |
END-ROD, 1/4-28unf, BALL-STUD, THROTTLE LINKAGE |
3 |
|
19 |
V109287 |
Изолятор |
ISOLATOR, CONTROL CABLE MOUNTING |
1 |
|
20 |
9707408 |
Шайба диам.внутр.6.4 наруж. 8.7 |
BUSHING - Nylon FLANGED, Id-6.4 Od-8.7 |
2 |
|
21 |
43362 |
Гайка M8 x 1.25 |
NUT-HEX M8 CLASS 10 PL |
1 |
|
22 |
9673085 |
Втулка диам.внутр.0.63 наруж. 0.75 длина 0.75'' |
BUSHING - SLEEVE, 0.63 ID x 0.75 OD x 0.75 LG |
1 |
|
23 |
515259 |
Стопорное кольцо диам.0.625'' |
RING - RETAINING, External Dia-0.63 |
1 |
|
24 |
9671302 |
Контргайка 0.25NF GR5 PL |
NUT, LOCK NYLON 0.25NF GR5 PL |
2 |
|
25 |
86512444 |
Болт M 8 X 40 8.8PL |
BOLT CARR M 8 X 40 8.8PL |
1 |
|
26 |
86018613 |
Кронштейн упорного болта деселератора |
BRACKET DECELERATOR STOP |
1 |
|
27 |
87016 |
Шайба Sae 0.380 Pl, сталь |
WASHER - FLAT Steel Sae 0.380 Pl |
2 |
|
28 |
9844207 |
Винт CL 4.8 М4х0.70х8 |
SCREW |
1 |
|
29 |
V109286 |
Пластина 14х39х2мм |
PLATE -TROTTLE MOUNT (Steel) 14mm x 39mm x 2mm |
1 |
|
30 |
9671302 |
Контргайка 0.25NF GR5 PL |
NUT, LOCK NYLON 0.25NF GR5 PL |
1 |
|
31 |
43416 |
Гайка M5 |
NUT - HEX Flange USR M-5 Pl |
2 |
|
32 |
86508567 |
Болт шестигранный M 5 X 45 8.8PL |
BOLT HEX M 5 X 45 8.8PL |
2 |
|
33 |
86001116 |
Изогнутая пружинная шайба |
WASHER CURVED SPRING |
1 |
|
09B02 Привода дросселя электронный | ||||
|
Поз |
Чертежный номер |
Наименование |
Descriptionl |
Кол- во |
|
1 |
9841607 |
Рукоятка рычага |
KNOB-NYLON, HAND THROTTLE LEVER |
1 |
|
2 |
86030061 |
Рычаг дросселя |
LEVER THROTTLE |
1 |
|
3 |
86011841 |
Рычаг деселератора |
LEVER WA DECELERATOR |
1 |
|
4 |
9821941 |
Подушка, резина |
PAD - RUBBER, ACCELERATOR PEDAL |
1 |
|
5 |
86018512 |
Лист крепления деселератора |
PLATE WA DECELERATOR |
1 |
|
6 |
86018510 |
Тяга деселератора |
ROD DECELERATOR |
1 |
|
7 |
9706247 |
Шайба диам.внутр.20.00 наруж.50.00 |
WASHER - FRICTION, Od-50.0 Id- |
1 |
|
09B02 Привода дросселя электронный | ||||
|
Поз |
Чертежный номер |
Наименование |
Descriptionl |
Кол- во |
|
толщина 9.50мм |
20.0 Thk-9.5mm | |||
|
8 |
V79073 |
Втулка |
BUSHING |
1 |
|
9 |
86511324 |
Шайба 13.27X24.00X2.500 PL |
WASHER 13.27X24.00X2.500 PL |
1 |
|
10 |
9706248 |
Шайба пружинная |
WASHER, BELLEVILLE SPRING |
2 |
|
11 |
86012006 |
Контргайка с нейлоновой вставкой M12 класс 10 P |
NUT LOCK NYLON M12 CLASS10 P |
1 |
|
12 |
V14841 |
Втулка диам.внутр.0.509'' |
BUSHING - NYLON, FLANGED ID-0.509in |
2 |
|
13 |
9635806 |
Стопорное кольцо |
RING, RETAINING |
2 |
|
14 |
86000738 |
Нажимная пружина |
SPRING COMPRESSION |
2 |
|
15 |
86000619 |
Нейлоновая прокладка |
SPACER NYLON |
1 |
|
16 |
86000439 |
Стопорное кольцо о 0,38 |
RETAINING RING 0.38 DIA |
1 |
|
17 |
86018511 |
Тяга дросселя |
ROD THROTTLE |
1 |
|
18 |
9705822 |
Наконечник тяги дросселя |
END-ROD, 1/4-28unf, BALL-STUD, THROTTLE LINKAGE |
3 |
|
19 |
86018129 |
Труба для крепления рычага |
TUBE LEVER MTG |
2 |
|
20 |
88098 |
Гайка G2, 1/4''-28 |
NUT, JAM |
2 |
|
21 |
86050296 |
Установочный винт с шестигран. головкой M8 X 8 PL |
SETSCREW HEXSCKTCUP M8 X 8 PL |
2 |
|
22 |
43362 |
Гайка M8 x 1.25 |
NUT-HEX M8 CLASS 10 PL |
1 |
|
23 |
9673085 |
Втулка диам.внутр.0.63 наруж. 0.75 длина 0.75'' |
BUSHING - SLEEVE, 0.63 ID x 0.75 OD x 0.75 LG |
1 |
|
24 |
515259 |
Стопорное кольцо диам.0.625'' |
RING - RETAINING, External Dia-0.63 |
1 |
|
25 |
9671302 |
Контргайка 0.25NF GR5 PL |
NUT, LOCK NYLON 0.25NF GR5 PL |
2 |
|
26 |
86512444 |
Болт M 8 X 40 8.8PL |
BOLT CARR M 8 X 40 8.8PL |
1 |
|
27 |
86018613 |
Кронштейн упорного болта деселератора |
BRACKET DECELERATOR STOP |
1 |
|
28 |
9844207 |
Винт CL 4.8 М4х0.70х8 |
SCREW |
1 |
|
29 |
86018514 |
Рычаг дросселя |
ARM THROTTLE |
1 |
|
30 |
87016 |
Шайба Sae 0.380 Pl, сталь |
WASHER - FLAT Steel Sae 0.380 Pl |
2 |
|
31 |
9671302 |
Контргайка 0.25NF GR5 PL |
NUT, LOCK NYLON 0.25NF GR5 PL |
1 |
|
32 |
80338413 |
Болт М6х60 |
SCREW |
2 |
|
33 |
9804276 |
Гайка M6 Cl-8 Pl |
NUT - HEX FLANGE, M6 Cl-8 Pl |
2 |
|
34 |
86001116 |
Изогнутая пружинная шайба |
WASHER CURVED SPRING |
1 |
|
35 |
86018938 |
Потенциометр |
POTENTIOMETER ENGINE SPEED |
1 |
06ДОЗ Установка двигателя, Model:2425 Универсальный полноприводный трактор - красный/голубой Я1 /00 -)
9703147 9705951 0*3011455 06011459
|
06A03 Установка двигателя | ||||
|
Поз |
Чертежный номер |
Наименование |
Descriptionl |
Кол- во |
|
1 |
80566 |
Контргайка 0.50nc Gr5 Pl |
LOCKNUT - NYLON INSERT 0.50nc Gr5 Pl |
1 |
|
2 |
86512175 |
Болт 3/8"-16x1-1/2" |
CAPSCREW - HexHead Flanged, Usr 0.38 x 1.50 Gr-5 Pl |
5 |
|
3 |
86500689 |
Гайка M10 |
NUT - HEX M10 Cl-10 Pl |
2 |
|
4 |
86514720 |
Контргайка с нейлоновой вставкой M10 CLASS10PL |
NUT LOCK NYLON M10 CLASS10PL |
2 |
|
5 |
86512499 |
Гайка шестигранная FLG M20 класс 10 PL |
NUT HEX FLG M20 CLASS 10 PL |
4 |
|
6 |
9804264 |
Винт с гексагональной головкой с фланцами Cl-8.8 P |
CAPSCREW - HexHead Flng Cl-8.8 Pl M10 x 1.5 x 50 |
1 |
|
7 |
86511323 |
Шайба 10.77X20.00X2.00 PL |
WASHER 10.77X20.00X2.00 PL |
6 |
|
06A03 Установка двигателя | ||||
|
Поз |
Чертежный номер |
Наименование |
Descriptionl |
Кол- во |
|
8 |
86017709 |
Болт M10x35 Cl-8.8 Pl |
CAPSCREW - HexHead M10 x35 Cl-8.8 Pl |
1 |
|
9 |
86508621 |
Болт M10x130 10.9PL |
BOLT, HEX M10x130 10.9PL |
1 |
|
10 |
86503612 |
Шайба 21.00X37.00X3.00 HDN |
WASHER 21.00X37.00X3.00 HDN |
4 |
|
11 |
9790676 |
Рукав 0.625 |
HOSE - AGR PRESSURE 0.625 |
1 |
|
12 |
V65319 |
Шайба |
WASHER |
2 |
|
13 |
9672975 |
Опора двигателя резиновая |
RUBBER MOUNT ENGINE |
4 |
|
14 |
9627857 |
Болт 0.50''x6.50GR5 PL |
BOLT, HEX 0.50x6.50GR5 PL |
1 |
|
15 |
V106543 |
Болт Gr-5, 0.625"-18UNFx1.25" |
CAPSCREW - HexHead Flange Gr-5, 0.625in - 18UNF x 1.25in |
9 |
|
16 |
9703328 |
Шайба плоская диам.внут.21, наруж.95.0, толщина 6.35мм сталь |
WASHER-FLAT, STEEL ID-21.0mm OD-95.0mm Thk-6.35mm |
6 |
|
17 |
PL |
Топливный цилиндр |
Purchase Locally - Part Not Sold Seperately |
1 |
|
18 |
9706449 |
Кронштейн |
BRACKET |
1 |
|
19 |
9706450 |
Фиксатор регулировочного винта, М10х1.5х18мм |
RETAINER - ADJUSTMENT SCREW, M10 x 1.5 - 18mm |
2 |
|
20 |
9706636 |
Кронштейн компрессора |
BRACKET-CASTING Machined, COMPRESSOR MOUNT 14L |
1 |
|
21 |
9706637 |
Кронштейн компрессора ADJ 14L |
BRACKET, COMPRESSOR ADJ 14L |
1 |
|
22 |
9706979 |
Кронштейн |
MOUNT - ENGINE Weld Assy, 14L |
1 |
|
23 |
9707242 |
Шкив генератора стальной V-обр. |
PULLEY-ALTERNATOR, Steel Twin "V" 14 Ltr L4WD |
1 |
|
24 |
9707243 |
Кронштейн генератора |
BRACKET-ALTERNATOR MOUNTING L4WD |
1 |
|
25 |
86020846 |
Ремень генератора |
BELT ALTERNATOR |
1 |
|
26 |
9780073 |
Болт M20x2.5x110 Cl 8.8 |
CAPSCREW - HexHead Cl-8.8 M20 x 2.5 x 110 |
4 |
|
27 |
9780099 |
Болт M10x1.5x150 Cl 8.8/9.8 |
CAPSCREW - HexHead Cl-8.8 / 9.8, M10 x 1.50 x 150mm |
2 |
|
28 |
86512947 |
Фитинг 90°, 7/16mjic 7/16mnpt |
ELBOW - HYDRAULIC FITTING 90Deg 7/16mjic 7/16mnpt |
1 |
|
29 |
88287 |
Болт G5 7/16"-20x3-1/4" |
CAP SCREW |
1 |
|
30 |
9627879 |
Болт G5 1/2"-13x3/4" |
CAPSCREW - HexHead 0.50 x 0.75 Gr-5 Pl |
1 |
|
31 |
87364 |
Шайба диам.внутр.0.50" Pl, сталь |
WASHER - FLAT Steel Id-0.500in Pl |
1 |
|
32 |
86018424 |
Шланг в сборе 1/2 X 765 100R1 |
HOSE ASSY 1/2 X 765 100R1 |
1 |
|
33 |
86020381 |
Рукав 1/2''х625мм 100r6 Ht |
HOSE - HYDRAULIC Assy, 1/2 x 675 100r6 Ht |
1 |
|
34 |
9673072 |
Болт 380nf x 75 Gr-5 |
CAPSCREW - HexHead Flanged Usr 380nf x 75 Gr-5 |
1 |
|
36 |
87572 |
Фитинг 1/2npt x 3/8npt |
BUSHING - FITTING, 1/2npt x 3/8npt |
1 |
|
37 |
274247 |
Болт M10x16 |
CAPSCREW - HexHead Flanged, Usr M10 x 16 Pl |
1 |
|
38 |
83961305 |
Кран отопителя |
VALVE ASSY HEATER CONTROL |
1 |
|
39 |
88434 |
Болт G5 3/8"-16x3/4" |
CAPSCREW - HexHead 0.38 - 16 x 0.75 Gr-5 Pl |
2 |
|
40 |
87016 |
Шайба Sae 0.380 Pl, сталь |
WASHER - FLAT Steel Sae 0.380 Pl |
2 |
|
06A03 Установка двигателя | ||||
|
Поз |
Чертежный номер |
Наименование |
Descriptionl |
Кол- во |
|
41 |
V86529 |
Хомут 1.00'' |
CLIP - P/Type COATED Black-Vinyl, Dia-1.00in |
1 |
|
42 |
86020845 |
Ремень вентилятора |
BELT FAN |
1 |
|
43 |
86514599 |
Ремень компрессора |
BELT |
1 |
|
44 |
86514607 |
Ремень водяного насоса |
BELT |
1 |
|
45 |
86029144 |
Элемент фильтрующий масляной системы двигателя |
FILTER ELEMENT COMBINATION LUB |
1 |
|
46 |
86029145 |
Элемент фильтрующий водяной |
FILTER ELEMENT WATER |
1 |
|
47 |
86013631 |
Подогреватель N14-Cummins |
HEATER - ENGINE BLOCK, N14-Cummins |
1 |
|
48 |
9706671 |
Жгут подогревателя |
CORD-ELECTRIC, ENGINE HEATER |
1 |
|
49 |
86029143 |
Элемент фильтрующий топливный |
FILTER ELEMENT FUEL |
1 |
|
50 |
86010514 |
Крыльчатка, диам.32'', 3.50'' |
FAN ASSY 32.0 IN 3.50 PW |
1 |
|
50 |
86012200 |
Вентилятор в сборе 33.0 IN 3.50 PW |
FAN ASSY 33.0 IN 3.50 PW |
1 |
|
51 |
87997 |
Болт G5 1/2''-13x5'' |
CAPSCREW - HexHead 1/2 x 13 x 5.0in Gr-5 Pl |
6 |
|
52 |
86018811 |
Фланец |
SPACER - FAN, CAST-Aluminum, FIXED 14L-Cummins |
1 |
|
629781 |
Фитинг 90° |
COUPLING HOSE, 90-Deg |
1 | |
9703141
|
06B02 Система впуска воздуха и выпуска отработавших газов | ||||
|
Поз |
Чертежный номер |
Наименование |
Descriptionl |
Кол- во |
|
1 |
86029261 |
Очиститель воздуха N14 |
AIR CLEANER N14 |
1 |
|
2 |
9672674 |
Корпус воздушного фильтра L4WD |
COVER - AIR CLEANER CANISTER L4WD |
1 |
|
3 |
237078 |
Барашковая гайка |
NUT,WING |
1 |
|
4 |
V57999 |
Барашковая гайка 7/16'' |
NUT-WING 7/16in - AIR FILTER ELEMENT, Primary L4WD |
1 |
|
5 |
86029150 |
Элемент фильтрующий воздушный первичный |
FILTER ELEMENT PRIMARY AIR |
1 |
|
6 |
86029149 |
Элемент фильтрующий воздушный консольный |
FILTER ELEMENT SAFETY AIR |
1 |
|
7 |
NSS |
Отдельно не продается |
Not Sold Separately |
1 |
|
8 |
143648 |
Уплотнительное кольцо внут.диам.10.62'' толщина 0.27'' |
O RING |
1 |
|
9 |
9672321 |
Хомут |
CLAMP |
1 |
|
10 |
86000155 |
Фильтр предварительной очистки |
PRE-CLEANER Assy |
1 |
|
11 |
9706665 |
Патрубок, 6''х5.5'' |
ELBOW, AIR INTAKE |
1 |
|
12 |
86018976 |
Патрубок воздухозаборника |
TUBE - STEEL C.R.W. Od-140mm, |
1 |
|
06B02 Система впуска воздуха и выпуска отработавших газов | ||||
|
Поз |
Чертежный номер |
Наименование |
Descriptionl |
Кол- во |
|
наруж.диам.140мм |
ENGINE AIR INTAKE | |||
|
13 |
86531664 |
Стяжной хомут |
MOUNTING BAND |
2 |
|
14 |
86000240 |
Хомут 186 |
CLAMP - HOSE, T-BAR 186 Dia |
1 |
|
15 |
86011649 |
Труба |
BELLMOUTH |
1 |
|
16 |
9672425 |
Хомут 5.75 |
CLAMP, HOSE 5.75 DIA |
3 |
|
17 |
V22165 |
Хомут 160 |
CLAMP - HOSE, T-BAR 160.0 |
1 |
|
18 |
9804261 |
Болт M10x1.50x25 Cl-8.8 |
CAPSCREW - HexHead FLANGE, Cl-8.8 M10 x 1.50 x 25 Pl |
6 |
|
19 |
86013598 |
Трубка-аспиратор |
TUBE, AIR ASPIRATER |
1 |
|
20 |
86050202 |
Зажим 2.5 |
CLAMP HOSE 2.5 |
4 |
|
21 |
9706667 |
Патрубок 22° |
ELBOW, AIR INTAKE 22 DEGREE |
1 |
|
22 |
9706470 |
Переходник 7"/11" |
REDUCER, OFFSET AIR INTAKE |
1 |
|
23 |
86011432 |
Глушитель, двигатель N14 L4WD |
MUFFLER-EXHAUST, N14 ENGINE L4WD |
1 |
|
23 |
86034043 |
Глушитель выхлопной трубы |
MUFFLER - EXHAUST Improved Asp, N14 Engine L4wd |
1 |
|
24 |
86011647 |
Труба выхлопная турбо N14 Cummins |
PIPE-EXHAUST TURBO N14 Cummins |
1 |
|
25 |
9706674 |
Труба глушителя, длина 18'' |
STACK-EXHAUST, MUFFLER Lg-18.0in L4WD |
1 |
|
26 |
V18827 |
Хомут 5'' |
CLAMP, MUFFLER 5in U-BOLT TYPE |
1 |
|
27 |
86512497 |
Гайка M12 Gr10 Plt |
NUT-HEX, FLANGE M12 Gr10 Plt |
4 |
|
28 |
86050279 |
Гайка шестигранная M10 класс 10 PL |
NUT HEX FLG M10 CLASS 10 PL |
4 |
|
29 |
9670066 |
Болт M12x1.75x30 Cl-8.8 |
CAPSCREW - HexHead Flanged, Cl-8.8 M12 x 1.75 x 30 Pl |
4 |
|
30 |
86025102 |
Хомут глушителя 5'' на 2 болта |
CLAMP MUFFLER 5.0 2 BOLT |
3 |
|
31 |
86511845 |
Болт шестигранный FLG M10 X 35 8.8PL |
BOLT HEX FLG M10 X 35 8.8PL |
6 |
|
32 |
86001527 |
Рукав аспирационный 1.75 X 90 |
HOSE ASPIRATOR 1.75 X 90 |
2 |
|
33 |
412141 |
Контргайка M10 Cl-8 Pl |
NUT - LOCK Nylon M10 Cl-8 Pl |
6 |
|
34 |
86511323 |
Шайба 10.77X20.00X2.00 PL |
WASHER 10.77X20.00X2.00 PL |
6 |
|
35 |
86011039 |
МЕТАЛЛОРУКАВ |
МЕТАЛЛОРУКАВ |
1 |
|
36 |
86000462 |
Труба глушителя Lth-43.0in 14 Ltr L4WD |
PIPE-EXHAUST, MUFFLER Lth-43.0in 14 Ltr L4WD |
1 |
|
36 |
86013630 |
Труба глушителя Lth-37.50in |
PIPE - EXHAUST, MUFFLER N14 Lth-37.50in L4wd |
1 |
|
37 |
PL |
Топливный цилиндр |
Purchase Locally - Part Not Sold Seperately |
1 |
|
38 |
86000093 |
Хомут 289мм |
CLAMP - HOSE, T-BAR Dia-289mm |
1 |
|
39 |
86050356 |
Уплотнение |
MOULDING, NEOPRENE CLOSED CELL |
1 |
39
В6019ЭЗД 86 01*149 66 Q191M 86 019168
|
08A01 Радиатор | ||||
|
Поз |
Чертежный номер |
Наименование |
Descriptionl |
Кол- во |
|
1 |
86021839 |
Радиатор 7-рядный |
RADIATOR - COOLANT, 7-Row N14-Engine L4WD |
1 |
|
1 |
9703749 |
Радиатор 6-и рядный, L4WD |
RADIATOR - 6 ROW ASSY PrePhase C L4WD |
1 |
|
1 |
9705179 |
Радиатор 5-и рядный, L4WD |
RADIATOR ASSY 5-ROW, ENGINE COOLANT L4WD |
1 |
|
2 |
86024961 |
Крышка - радиатор 14 PSI |
CAP - RADIATOR 14 PSI |
1 |
|
3 |
86011522 |
Рукав радиатора верхний ID-2.50in N14 Engine |
HOSE - RADIATOR UPPER, ID-2.50in N14 Engine |
1 |
|
3 |
86013154 |
Патрубок радиатора 2.25'' |
HOSE RADIATOR UPPER 2.25 IN |
1 |
|
3 |
9704425 |
Патрубок радиатора верхний |
HOSE - RADIATOR, UPPER |
1 |
|
4 |
86013150 |
Кожух вентилятора 26'' |
SHROUND, FAN 26"" |
1 |
|
4 |
86018866 |
Кожух двигателя вентилятора, 33'', N14 - 360hp |
SHROUD-FAN ENGINE, VENTURI 32in, N14 - 360hp |
1 |
|
4 |
86019013 |
Кожух двигателя вентилятора VENTURI 33in, N14 - 42 |
SHROUD-FAN ENGINE, VENTURI 33in, N14 - 425hp |
1 |
|
08A01 Радиатор | ||||
|
Поз |
Чертежный номер |
Наименование |
Descriptionl |
Кол- во |
|
5 |
86013828 |
Кожух вентилятора |
FRAME-SUPPORT W/A, RADIATOR |
1 |
|
6 |
86019480 |
Рама радиатора |
FRAME - COOLING MOUNTING RADIATOR |
1 |
|
7 |
86012244 |
Установочная гайка |
CENTRE BONDED MOUNT |
4 |
|
8 |
9672283 |
Шайба 0.500x1.625x0.095 Pl, сталь |
WASHER - Steel, 0.500 x 1.625 x 0.095 Pl |
4 |
|
9 |
9790664 |
Фитинг, 90° 3/4 x 3/4mnpt |
CONNECTOR - HOSE 90-Deg 3/4 x 3/4mnpt |
1 |
|
10 |
9672304 |
Пробка дренажная, диам.внут.3/8'' 1/4nptf |
DRAIN - ANGLE BIB, Id-3/8 1/4nptf |
1 |
|
11 |
86013273 |
Трубка 3/16''х1100мм |
HOSE-FLEXIBLE, 3/16in x 1100mm |
1 |
|
12 |
82012723 |
Хомут |
CLAMP, HOSE |
2 |
|
13 |
86505942 |
Шланговое соединение 3/16 X 1/8NPTF |
COUPLING HOSE 3/16 X 1/8NPTF |
2 |
|
14 |
86000203 |
Ручка фиксатора |
HANDLE - LIFT PIN, COOLER FRAME LATCH Assy |
1 |
|
15 |
9672949 |
Рукав 5/16''х1600мм 30r6 |
HOSE - HYDRAULIC Assy, 5/16in x 1600mm 30r6 |
1 |
|
16 |
86011943 |
Трубка 3/4''х600мм |
HOSE, Agr PRESSURE, ID-3/4in x 600mm |
1 |
|
17 |
V18933 |
Адаптер гидросистемы 1.0swmnpt 3/4fnpt |
ADAPTER - HYDRAULIC Union, 1.0swmnpt 3/4fnpt |
1 |
|
18 |
V30426 |
Кронштейн |
BRACKET - ANGLE MOUNTING Steel, HOSES / PIPES |
1 |
|
19 |
9671028 |
Хомут 1.50'' |
P-CLIP COATED, TUBE / HOSE Dia-1.500in |
1 |
|
20 |
86511444 |
Гайка шестигранная FLG USR M 6 PL |
NUT HEX FLG USR M 6 PL |
2 |
|
21 |
86511442 |
Болт шестигранный FLG USR M 6 X 20 PL |
BOLT HEX FLG USR M 6 X 20 PL |
1 |
|
22 |
355788 |
Болт M10x1.5x70 Cl-10.9 |
CAPSCREW - HexHead, M10 1.5 x 70 Cl-10.9 Pl |
2 |
|
23 |
86514720 |
■ r \j \j \j \j Контргайка с нейлоновой вставкой M10 CLASS10PL |
NUT LOCK NYLON M10 CLASS10PL |
6 |
|
24 |
43436 |
Гайка M12 Usr Pl |
NUT - Hex Flange M12 Usr Pl |
6 |
|
25 |
9704114 |
Уплотнение радиатора, неопрен |
SEAL - NEOPRENE / Flex-Steel Core, RADIATOR to FRAME |
1 |
|
26 |
86000202 |
Палец |
PIN-STEEL, COOLER FRAME LOCKING |
1 |
|
27 |
86000738 |
Нажимная пружина |
SPRING COMPRESSION |
1 |
|
28 |
87364 |
Шайба диам.внутр.0.50'' Pl, сталь |
WASHER - FLAT Steel Id-0.500in Pl |
1 |
|
29 |
82012728 |
Хомут |
CLAMP |
2 |
|
30 |
9706693 |
Болт M12x60 Cl-8.8 |
CAPSCREW - HexHead, M12 x 60 Cl-8.8 Pl |
4 |
|
31 |
82012729 |
Хомут |
CLAMP, HOSE |
2 |
|
32 |
9804268 |
Болт M12x40 Cl-8.8 |
CAPSCREW - HexHead Flanged, M12 x 40mm Cl-8.8 Pl |
4 |
|
33 |
86050286 |
Болт шестигранный FLG HVY M10 X1.5 X 20 |
BOLT HEX FLG HVY M10 X1.5 X 20 |
8 |
|
34 |
80755 |
Шплинт 0.12x1.00 |
COTTER PIN 0.12 x 1.00 Pl |
1 |
|
35 |
86000267 |
Шайба 8 x 20 3-Ply |
WASHER - FLAT Belt-Fiber, 8 x 20 3- |
1 |
|
08A01 Радиатор | ||||
|
Поз |
Чертежный номер |
Наименование |
Descriptionl |
Кол- во |
|
Ply | ||||
|
36 |
86000247 |
Фиксатор радиаторной решетки |
STOP - STRIP W/Assy (Black), FRONT GRILL |
1 |
|
37 |
9670023 |
■ r W W W W Контргайка с нейлоновой вставкой M8 класс 8 PL |
NUT - LOCK HEX, Nylon M8 Class8 Pl |
1 |
|
38 |
87336 |
Штифт диам. 3/16'' длина 7/8'' |
PIN, SPRING 3/16DIAx7/8LG |
1 |
|
39 |
86013486 |
Патрубок радиатора, диам.внутр.50.0мм, сталь |
TUBE-STEEL, ID-50.0mm RADIATOR OUTLET |
1 |
|
39 |
9704422 |
Рукав армированный радиатора нижний 14L |
HOSE, WIRE-REINFORCED, RADIATOR LOWER 14L Engine |
1 |
|
39 |
9704424 |
Патрубок радиатора нижний |
HOSE - RADIATOR, LOWER |
1 |
|
40 |
86000756 |
С'ёмник смотрового стекла радиатора |
RETAINER RADIATOR SIGHT GLASS |
1 |
|
41 |
86000754 |
Смотровое стекло охлаждающей жидкости радиатора |
GLASS-SIGHT, RADIATOR COOLANT L4WD |
1 |
|
41 |
86024624 |
Окошко смотровое |
GLASS - SIGHT, RADIATOR COOLANT LEVEL L4WD |
1 |
|
42 |
86000755 |
Кольцо уплотнительное |
O-RING, SIGHT GLASS SEAL, RADIATOR |
1 |
|
44 |
86013400 |
Патрубок радиатора 2.5х3.5 20r1 |
Hose 2.50 X 3.5 20r1- Radiator Lower |
1 |
|
86012069 |
U гайка М12 |
U NUT M12 |
2 | |
ю
86019457
|
08B01 Охладитель топлива | ||||
|
Поз |
Чертежный номер |
Наименование |
Descriptionl |
Кол- во |
|
1 |
86511842 |
Болт M8x1.25x40 Cl 8.8 |
CAPSCREW - HexHead Flange M8 x 1.25 x 40 CL-8.8 Pl |
1 |
|
2 |
86019898 |
Р-образный зажим с покрытием о 15/16, двойной |
P CLIP COATED 15/16 DIA DOUBLE |
1 |
|
3 |
9611984 |
Втулка диам.наруж. 1.00 внутр.0.328 длина 0.967'' |
SPACER - STEEL Id-0.328in Od-1.00in Lth-0.967in |
1 |
|
4 |
86019847 |
Теплообменник топливный |
COOLER, FUEL |
1 |
|
5 |
86020381 |
Рукав 1/2''х625мм 100r6 Ht |
HOSE - HYDRAULIC Assy, 1/2 x 675 100r6 Ht |
1 |
|
6 |
86019897 |
Рукав 1/2''х725мм 100r6 Ht |
HOSE - HYDRAULIC Assy, 1/2 x 725 100r6 Ht |
1 |
|
7 |
86509028 |
Штуцер 9/16ORB X 3/4JIC |
ADAPTER STR 9/16ORB X 3/4JIC |
4 |
|
8 |
86505868 |
Гайка шестигранная USR M 8 PL |
NUT HEX FLG USR M 8 PL |
2 |
|
9 |
86012020 |
Топливный перепускной клапан |
VALVE FUEL BYPASS |
1 |
|
10 |
86019896 |
Сливная топливная трубка диам.наруж.0.50'' L4wd |
TUBE - FUEL RETURN Assy Od-0.50in L4wd |
2 |
|
11 |
2747 |
Накладка соединительная, нейлоновая, регулируемая |
STRAP-TIE, NYLON, 4.00in ADJUSTABLE |
8 |
|
12 |
86511315 |
Шайба 8.62X16.00X1.60 PL |
WASHER 8.62X16.00X1.60 PL |
2 |
|
13 |
300510 |
Болт M8x1.25x65 Cl-8.8 Pl |
CAPSCREW - HexHead M8 x 1.25 x 65 Cl-8.8 Pl |
2 |
|
14 |
51026 |
Болт M8x12 Cl-8.8 |
CAPSCREW - HexHead Flange, M8 x 12 Cl-8.8 Pl |
4 |
|
15 |
86020198 |
Защитный рукав ширина 92, длина 850мм, нейлон |
SLEEVE - PROTECTIVE Nylon, FlatWth-92 Lth-850mm |
1 |
|
09A01 Топливный бак и топливопроводы | ||||
|
Поз |
Чертежный номер |
Наименование |
Descriptionl |
Кол- во |
|
1 |
86026154 |
Левый топливный бак |
TANK-FUEL, LH-ASSY, New Blue |
1 |
|
1 |
86027835 |
Левый топливный бак BVI |
TANK-FUEL, LH-ASSY, BVI RED |
1 |
|
1 |
86031887 |
Топливный бак, левый |
TANK FUEL WA, LH |
1 |
|
2 |
86026153 |
Правый топливный бак |
TANK-FUEL, RH-ASSY, New Blue |
1 |
|
2 |
86027834 |
Правый топливный бак BVI |
TANK-FUEL, RH-ASSY, BVI RED |
1 |
|
2 |
86031888 |
Бак топливный сварной правый в сборе, L4wd |
TANK-FUEL Weld-Assy RH, With Bottom DRAIN, (Red) L4wd |
1 |
|
2 |
86035150 |
Правый топливный бак L4wd |
TANK-FUEL Weld-Assy RH (Red) L4wd |
1 |
|
2 |
86036644 |
Топливный бак, правый |
TANK FUEL WA RH |
1 |
|
09A01 Топливный бак и топливопроводы | ||||
|
Поз |
Чертежный номер |
Наименование |
Descriptionl |
Кол- во |
|
3 |
9804272 |
Болт M16x2x50 Cl-8.8 |
CAPSCREW - HexHead Flanged, M16 x 50 Cl-8.8 Pl |
14 |
|
4 |
86512498 |
Гайка шестигранная FLG M16 класс 10 PL |
NUT HEX FLG M16 CLASS 10 PL |
10 |
|
5 |
9671406 |
Сливной кран 1/4 NPT топливного бака |
DRAINCOCK 1/4 NPT, FUEL TANKS L4WD |
2 |
|
6 |
86001359 |
Крышка топливного бака, o 76,0 |
CAP FUEL 76.0 DIA |
2 |
|
7 |
128818 |
Штуцер 3/4MJICx3/4MORB |
CONNECTOR, 3/4MJICx3/4MORB |
1 |
|
8 |
86013883 |
Трубопровод возврата топлива |
TUBE FUEL RETURN |
1 |
|
9 |
86071 |
Штуцер 7/8MJICx3/4MORB |
CONNECTOR, 7/8MJICx3/4MORB |
1 |
|
10 |
9706445 |
Патрубок топливовсасывающий L4WD |
TUBE - FUEL SUCTION L4wd |
1 |
|
11 |
86026155 |
Соединительная трубка |
Tube - Crossover New Blue |
1 |
|
11 |
86027836 |
Уровнительный патрубок, o 46,8, красный |
TUBE CROSSOVER 46.8 DIA RED |
1 |
|
12 |
V17778 |
Хомут 2.75'' |
CLAMP - HOSE MaxDia-2.75in, WORM DRIVE Type F |
8 |
|
13 |
9672328 |
Рукав 2 X 8.0 100R4 |
HOSE 2 X 8.0 100R4 |
2 |
|
14 |
86001133 |
Фитинг 1/2 X 1/2NPT |
COUPLING HOSE 1/2 X 1/2NPT |
2 |
|
15 |
86050293 |
Шланг, внутр. O 1/2'', 1270 |
HOSE 1/2 X 1270 |
2 |
|
16 |
9707645 |
Тройник 1/2 x 1/2npt |
TEE - HOSE CONNECTOR 1/2 x 1/2npt |
1 |
|
17 |
9704438 |
Клапан |
VENT - 1/2NPT, HYDRAULIC / FUEL SYSTEMS |
1 |
|
18 |
9804255 |
Болт M6x16 Cl-8.8 Pl |
CAPSCREW - HexHead Flanged, M6 x 16 Cl-8.8 Pl |
2 |
|
19 |
86514335 |
Контргайка с нейлоновой вставкой M6 класс 10 PL |
NUT LOCK NYLON M6 CLASS10 PL |
2 |
|
20 |
128825 |
Кольцо уплотнительное 0.644 IDX0.087 THK BUNA |
O-RING Buna, Id-0.644 Thk-0.087 |
2 |
|
21 |
167269 |
Кольцо уплотнительное вн. O 0.8 X толщина 0.09 N |
O RING 0.80 IDX0.09 THK NITR |
1 |
|
22 |
214389 |
Пробка 7/8, 3/4'' 16unf-2A |
PLUG, 7/8-HexHead 3/4in -16unf-2A |
1 |
|
23 |
86030078 |
Шланг 1/2 X 2400 100R1 |
HOSE ASSY 1/2 X 2400 100R1 |
1 |
|
24 |
129912 |
Пробка 1/4-18 |
PLUG - PIPE, Hex-Socket 1/4 - 18npt |
1 |
|
09B02 Привода дросселя электронный | ||||
|
Поз |
Чертежный номер |
Наименование |
Descriptionl |
Кол- во |
|
1 |
9841607 |
Рукоятка рычага |
KNOB-NYLON, HAND THROTTLE LEVER |
1 |
|
2 |
86030061 |
Рычаг дросселя |
LEVER THROTTLE |
1 |
|
3 |
86011841 |
Рычаг деселератора |
LEVER WA DECELERATOR |
1 |
|
4 |
9821941 |
Подушка, резина |
PAD - RUBBER, ACCELERATOR PEDAL |
1 |
|
5 |
86018512 |
Лист крепления деселератора |
PLATE WA DECELERATOR |
1 |
|
6 |
86018510 |
Тяга деселератора |
ROD DECELERATOR |
1 |
|
7 |
9706247 |
Шайба диам.внутр.20.00 наруж.50.00 толщина 9.50мм |
WASHER - FRICTION, Od-50.0 Id-20.0 Thk-9.5mm |
1 |
|
8 |
V79073 |
Втулка |
BUSHING |
1 |
|
9 |
86511324 |
Шайба 13.27X24.00X2.500 PL |
WASHER 13.27X24.00X2.500 PL |
1 |
|
10 |
9706248 |
Шайба пружинная |
WASHER, BELLEVILLE SPRING |
2 |
|
11 |
86012006 |
Контргайка с нейлоновой вставкой M12 |
NUT LOCK NYLON M12 CLASS10 P |
1 |
|
09B02 Привода дросселя электронный | ||||
|
Поз |
Чертежный номер |
Наименование |
Descriptionl |
Кол- во |
|
класс 10 P | ||||
|
12 |
V14841 |
Втулка диам.внутр.0.509'' |
BUSHING - NYLON, FLANGED ID-0.509in |
2 |
|
13 |
9635806 |
Стопорное кольцо |
RING, RETAINING |
2 |
|
14 |
86000738 |
Нажимная пружина |
SPRING COMPRESSION |
2 |
|
15 |
86000619 |
Нейлоновая прокладка |
SPACER NYLON |
1 |
|
16 |
86000439 |
Стопорное кольцо о 0,38 |
RETAINING RING 0.38 DIA |
1 |
|
17 |
86018511 |
Тяга дросселя |
ROD THROTTLE |
1 |
|
18 |
9705822 |
Наконечник тяги дросселя |
END-ROD, 1/4-28unf, BALL-STUD, THROTTLE LINKAGE |
3 |
|
19 |
86018129 |
Труба для крепления рычага |
TUBE LEVER MTG |
2 |
|
20 |
88098 |
Гайка G2, 1/4''-28 |
NUT, JAM |
2 |
|
21 |
86050296 |
Установочный винт с шестигран. головкой M8 X 8 PL |
SETSCREW HEXSCKTCUP M8 X 8 PL |
2 |
|
22 |
43362 |
Гайка M8 x 1.25 |
NUT-HEX M8 CLASS 10 PL |
1 |
|
23 |
9673085 |
Втулка диам.внутр.0.63 наруж. 0.75 длина 0.75'' |
BUSHING - SLEEVE, 0.63 ID x 0.75 OD x 0.75 LG |
1 |
|
24 |
515259 |
Стопорное кольцо диам.0.625'' |
RING - RETAINING, External Dia-0.63 |
1 |
|
25 |
9671302 |
Контргайка 0.25NF GR5 PL |
NUT, LOCK NYLON 0.25NF GR5 PL |
2 |
|
26 |
86512444 |
Болт M 8 X 40 8.8PL |
BOLT CARR M 8 X 40 8.8PL |
1 |
|
27 |
86018613 |
Кронштейн упорного болта деселератора |
BRACKET DECELERATOR STOP |
1 |
|
28 |
9844207 |
Винт CL 4.8 М4х0.70х8 |
SCREW |
1 |
|
29 |
86018514 |
Рычаг дросселя |
ARM THROTTLE |
1 |
|
30 |
87016 |
Шайба Sae 0.380 Pl, сталь |
WASHER - FLAT Steel Sae 0.380 Pl |
2 |
|
31 |
9671302 |
Контргайка 0.25NF GR5 PL |
NUT, LOCK NYLON 0.25NF GR5 PL |
1 |
|
32 |
80338413 |
Болт М6х60 |
SCREW |
2 |
|
33 |
9804276 |
Гайка M6 Cl-8 Pl |
NUT - HEX FLANGE, M6 Cl-8 Pl |
2 |
|
34 |
86001116 |
Изогнутая пружинная шайба |
WASHER CURVED SPRING |
1 |
|
35 |
86018938 |
Потенциометр |
POTENTIOMETER ENGINE SPEED |
1 |
|
09B01 Привод дросселя | ||||
|
Поз |
Чертежный номер |
Наименование |
Descriptionl |
Кол- во |
|
1 |
9841607 |
Рукоятка рычага |
KNOB-NYLON, HAND THROTTLE LEVER |
1 |
|
2 |
86030061 |
Рычаг дросселя |
LEVER THROTTLE |
1 |
|
3 |
86011841 |
Рычаг деселератора |
LEVER WA DECELERATOR |
1 |
|
4 |
9821941 |
Подушка, резина |
PAD - RUBBER, ACCELERATOR PEDAL |
1 |
|
5 |
86018512 |
Лист крепления деселератора |
PLATE WA DECELERATOR |
1 |
|
6 |
86018510 |
Тяга деселератора |
ROD DECELERATOR |
1 |
|
7 |
9706247 |
Шайба диам.внутр.20.00 наруж.50.00 толщина 9.50мм |
WASHER - FRICTION, Od-50.0 Id-20.0 Thk-9.5mm |
1 |
|
8 |
V79073 |
Втулка |
BUSHING |
1 |
|
9 |
86511324 |
Шайба 13.27X24.00X2.500 PL |
WASHER 13.27X24.00X2.500 PL |
1 |
|
10 |
9706248 |
Шайба пружинная |
WASHER, BELLEVILLE SPRING |
2 |
|
11 |
86012006 |
Контргайка с нейлоновой вставкой M12 |
NUT LOCK NYLON M12 CLASS10 P |
1 |
|
09B01 Привод дросселя | ||||
|
Поз |
Чертежный номер |
Наименование |
Descriptionl |
Кол- во |
|
класс 10 P | ||||
|
12 |
V14841 |
Втулка диам.внутр.0.509'' |
BUSHING - NYLON, FLANGED ID-0.509in |
2 |
|
13 |
9635806 |
Стопорное кольцо |
RING, RETAINING |
2 |
|
14 |
9790666 |
Пружина диам.наруж. 0.85'' длина 5.50'' |
SPRING COMP 0.85ODX5.50LG |
1 |
|
15 |
86000619 |
Нейлоновая прокладка |
SPACER NYLON |
1 |
|
16 |
86000439 |
Стопорное кольцо о 0,38 |
RETAINING RING 0.38 DIA |
1 |
|
17 |
86018724 |
Трос |
CABLE - CONTROL, STEEL STRAND / NYLON COVER |
1 |
|
18 |
9705822 |
Наконечник тяги дросселя |
END-ROD, 1/4-28unf, BALL-STUD, THROTTLE LINKAGE |
3 |
|
19 |
V109287 |
Изолятор |
ISOLATOR, CONTROL CABLE MOUNTING |
1 |
|
20 |
9707408 |
Шайба диам.внутр.6.4 наруж. 8.7 |
BUSHING - Nylon FLANGED, Id-6.4 Od-8.7 |
2 |
|
21 |
43362 |
Гайка M8 x 1.25 |
NUT-HEX M8 CLASS 10 PL |
1 |
|
22 |
9673085 |
Втулка диам.внутр.0.63 наруж. 0.75 длина 0.75'' |
BUSHING - SLEEVE, 0.63 ID x 0.75 OD x 0.75 LG |
1 |
|
23 |
515259 |
Стопорное кольцо диам.0.625'' |
RING - RETAINING, External Dia-0.63 |
1 |
|
24 |
9671302 |
Контргайка 0.25NF GR5 PL |
NUT, LOCK NYLON 0.25NF GR5 PL |
2 |
|
25 |
86512444 |
Болт M 8 X 40 8.8PL |
BOLT CARR M 8 X 40 8.8PL |
1 |
|
26 |
86018613 |
Кронштейн упорного болта деселератора |
BRACKET DECELERATOR STOP |
1 |
|
27 |
87016 |
Шайба Sae 0.380 Pl, сталь |
WASHER - FLAT Steel Sae 0.380 Pl |
2 |
|
28 |
9844207 |
Винт CL 4.8 М4х0.70х8 |
SCREW |
1 |
|
29 |
V109286 |
Пластина 14х39х2мм |
PLATE -TROTTLE MOUNT (Steel) 14mm x 39mm x 2mm |
1 |
|
30 |
9671302 |
Контргайка 0.25NF GR5 PL |
NUT, LOCK NYLON 0.25NF GR5 PL |
1 |
|
31 |
43416 |
Гайка M5 |
NUT - HEX Flange USR M-5 Pl |
2 |
|
32 |
86508567 |
Болт шестигранный M 5 X 45 8.8PL |
BOLT HEX M 5 X 45 8.8PL |
2 |
|
33 |
86001116 |
Изогнутая пружинная шайба |
WASHER CURVED SPRING |
1 |
05А01 Система смазки механизма отбора мощности, Model:2335 Универсальный полноприводный трактор - красный!
ТО
ACCUMULATOR
FRAME
DROP
ЁОЛ
TRANSFER
CASE
81000472
|
05A01 Система смазки механизма отбора мощности | ||||
|
Поз |
Чертежный номер |
Наименование |
Descriptionl |
Кол- во |
|
1 |
9790458 |
Рукав 1/4x1080 100R1 |
HOSE assy, 1/4x1080 100R1 |
1 |
|
2 |
86050265 |
Рукав 8G1/8FJX/8FJX90S/850mm |
HOSE ASSY, 8G1/8FJX/8FJX90S/850mm |
1 |
|
3 |
9862009 |
Рукав 1/2''х2000мм 100R1 |
HOSE - HYDRAULIC Assy, 1/2 x 2000 100R1 |
1 |
|
4 |
9672934 |
Рукав 3/4''х1020мм 100R1 |
HOSE - HYDRAULIC Assy, 3/4 x 1020 100R1 |
1 |
|
5 |
86050260 |
Рукав 1''х2750мм 100R1 |
HOSE - HYDRAULIC Assy, 1.00 x 2750 100R1 |
1 |
|
6 |
86511867 |
Рукав 3/4''х3225мм |
hose assembly |
1 |
|
7 |
86025635 |
Рукав 3/4x775 100R1 |
hose assy, 3/4x775 100R1 |
1 |
|
05A01 Система смазки механизма отбора мощности | ||||
|
Поз |
Чертежный номер |
Наименование |
Descriptionl |
Кол- во |
|
7 |
86033159 |
Рукав 3/4''х550мм 100R1 |
HOSE - HYDRAULIC Assy, Id-0.75in Lth-550mm 100R1 |
1 |
|
7 |
9790597 |
Рукав 3/4''х580мм 100R1 |
HOSE - HYDRAULIC ASSY, 3/4x580 100R1 |
1 |
|
8 |
9790459 |
Рукав 3/8''х700мм 100R1 |
HOSE - HYDRAULIC Assy, 3/8 x 700 100R1 |
1 |
|
10 |
86000579 |
Трубка масляная механизма отбора мощности наруж.диам.3/8'' |
TUBE - HYDRAULIC PTO LUBE Assy, Od-3/8in |
1 |
|
11 |
86000578 |
Трубка масляная механизма отбора мощности наруж.диам.3/8'' |
TUBE - HYDRAULIC PTO LUBE Assy, Od-3/8in |
1 |
|
12 |
86000580 |
Трубка 1/2 |
TUBE ASSEMBLY, 1/2 OD |
1 |
|
13 |
86000291 |
Клапан механизма отбора мощности |
VALVE, PTO. |
1 |
|
14 |
86012135 |
Накопитель, 43 CuIn системы смазки механизма отбора мощности |
ACCUMULATOR - 43 CuIn, PTO LUBE CIRCUIT |
1 |
|
15 |
86012136 |
Накопитель, 10 CuIn системы смазки механизма отбора мощности |
ACCUMULATOR - 10 CuIn, PTO LUBE CIRCUIT |
1 |
|
16 |
9702210 |
Дроссель 7/16 - 20 диам.0.625'' |
ORIFICE - INLINE THREADED, Dia-0.625in 7/16 - 20 |
1 |
|
17 |
86001200 |
Клапан масляный |
VENT - HYDRAULIC FLUID SYSTEMS |
1 |
|
18 |
86012134 |
Кронштейн |
BRACKET - ACCUMULATOR MOUNT |
1 |
|
19 |
86012151 |
U-образный болт М10 диам.122.0, 2x160/2x35 Pl Cl-8.8 |
U-BOLT Dia-122.0, Cl-8.8 M10, 2x 160 / 2x 35 Pl |
1 |
|
20 |
86514720 |
Контргайка с нейлоновой вставкой M10 CLASS10PL |
NUT LOCK NYLON M10 CLASS10PL |
2 |
|
21 |
88436 |
Болт 0.38''x2.00GR5 PL |
BOLT, HEX 0.38x2.00GR5 PL |
21 |
|
22 |
86511323 |
Шайба 10.77X20.00X2.00 PL |
WASHER 10.77X20.00X2.00 PL |
22 |
|
23 |
V50532 |
Втулка |
BUSHING,DRIV |
1 |
|
24 |
265235 |
Штуцер 7/16mjic x 7/16morb |
CONNECTOR - HYDRAULIC FITTING, 7/16mjic x 7/16morb |
1 |
|
25 |
128818 |
Штуцер 3/4MJICx3/4MORB |
CONNECTOR, 3/4MJICx3/4MORB |
4 |
|
26 |
V20399 |
Фитинг 3/8NPTx1/4FNPT |
BUSHING, 3/8NPTx1/4FNPT |
1 |
|
27 |
84384 |
Адаптер, 7/16orb x 9/16jic |
ADAPTER - STRAIGHT HYDRAULIC, 7/16orb x 9/16jic |
1 |
|
28 |
128817 |
Штуцер 9/16MJICx3/4MORB |
CONNECTOR, 9/16MJICx3/4MORB |
1 |
|
29 |
86504080 |
Штуцер 1-5/16mjic x 1-5/8morb |
CONNECTOR - HYDRAULIC, 1-5/16mjic x 1-5/8morb |
2 |
|
30 |
235131 |
Фитинг 90°, 9/16MJICx3/4MNPT |
ELBOW, 90 9/16MJICx3/4MNPT |
1 |
|
31 |
322894 |
Фитинг 90°, 1-1/16 Jic x 1-1/16 Orb |
ELBOW - Hydraulic 90-Deg, 1-1/16 Jic x 1-1/16 Orb |
1 |
|
32 |
144123 |
Фитинг 45°, 3/4'', конус 37° |
Elbow, Hydraulic, Female, 90°, 3/4", 37° Flare Includes Ref. 60 |
1 |
|
33 |
86507027 |
Фитинг 90°, конус 37° |
ELBOW, 90 1/2LG |
1 |
|
34 |
86508510 |
Фитинг 90°, 1 5/16MJICx1 5/8FNPT |
ELBOW, 90 1 5/16MJICx1 5/8FNPT |
1 |
|
35 |
86513003 |
Фитинг 45°, 1 1/16MJICx3/4MNPT |
ELBOW, 45 1 1/16MJICx3/4MNPT |
1 |
|
36 |
87016 |
Шайба Sae 0.380 Pl, сталь |
WASHER - FLAT Steel Sae 0.380 Pl |
2 |
|
37 |
330346 |
Фитинг 45°, 9/16jic x 9/16orb |
ELBOW - TUBE FITTING, 45-Deg 9/16jic x 9/16orb |
1 |
|
38 |
612715 |
Фитинг 45°, 1/8'', конус 37° |
Elbow, Hydraulic, Female, 45°, 1/8", 37° Flare |
1 |
|
05A01 Система смазки механизма отбора мощности | ||||
|
Поз |
Чертежный номер |
Наименование |
Descriptionl |
Кол- во |
|
39 |
86505962 |
Тройник RUN 9/16MJICx1/4FNPT |
TEE, RUN 9/16MJICx1/4FNPT |
1 |
|
40 |
86513019 |
Тройник RUN, 7/16MIJCx7/16MORB |
TEE, RUN 7/16MIJCx7/16MORB |
1 |
|
41 |
129274 |
Тройник 9/16mjic x 9/16swfjic |
TEE - RUN HYDRAULIC, 9/16mjic x 9/16swfjic |
1 |
|
42 |
86513018 |
Тройник BRN 1 5/16JICx1 5/16SWFJIC |
TEE, BRN 1 5/16JICx1 5/16SWFJIC |
1 |
|
43 |
V50214 |
Пробка 1/8 |
PLUG, HEXSCKT 1/8NPTF |
2 |
|
44 |
86511869 |
Пробка 37D 7/16 20UN |
CAP, HEX 37D 7/16 20UN |
1 |
|
45 |
9707360 |
Защитный рукав, ширина 92мм, длина 700мм,нейлон |
SLEEVE-NYLON, PROTECTIVE Wth-92mm x Lth-700mm |
1 |
|
46 |
86019898 |
Р-образный зажим с покрытием o 15/16, двойной |
P CLIP COATED 15/16 DIA DOUBLE |
1 |
|
46 |
86050008 |
Фиксатор |
CLIP |
1 |
|
47 |
851710 |
Хомут |
STRAP - TIE |
1 |
|
48 |
86514722 |
Р-образный зажим с покрытием o 1,800 |
P CLIP COATED 1.880 DIA |
1 |
|
49 |
2747 |
Накладка соединительная, нейлоновая, регулируемая |
STRAP-TIE, NYLON, 4.00in ADJUSTABLE |
15 |
|
50 |
9846918 |
Болт M10x1.5x40 |
CAPSCREW HexHd Flng USR M10 40mm x 1.5mm Pld |
1 |
|
51 |
86012134 |
Кронштейн |
BRACKET - ACCUMULATOR MOUNT |
1 |
|
52 |
V107645 |
Фланец |
FLANGETTE |
2 |
|
53 |
44336 |
Болт CL 8.8, M12x1.75x25 |
Bolt, Carriage, Truss Hd, CL 8.8, M12 x 1.75 x 25 |
4 |
|
54 |
86512497 |
Гайка M12 Gr10 Plt |
NUT-HEX, FLANGE M12 Gr10 Plt |
4 |
|
55 |
43435 |
Гайка M10 Usr Pl |
NUT - Hex Flange M10 Usr Pl |
1 |
|
56 |
86505938 |
Шайба 0.406X1.375X0.083 PL |
WASHER 0.406X1.375X0.083 PL |
1 |
|
57 |
165202 |
Кольцо уплотнительное вн. O 0.351 X толщина 0.072 |
O RING 0.351 IDX0.072 THK BUNA |
1 |
|
58 |
128825 |
Кольцо уплотнительное 0.644 IDX0.087 THK BUNA |
O-RING Buna, Id-0.644 Thk-0.087 |
6 |
|
59 |
570186 |
Кольцо уплотнительное 1.60 IDX1.88 THK NITR |
O-RING - NITRILE ID-1.475in Thk-0.118in 90 Duro |
2 |
|
60 |
167266 |
Кольцо уплотнительное вн. O 0.924 X толщина 0.116 |
O RING 0.924 IDX0.116 THK |
2 |
|
61 |
9617873 |
Кольцо уплотнительное 9/16 IDX11/16 THK NITRI |
O-RING, 90-Duro Id-0.468 Thk-0.078in |
1 |
|
62 |
86012150 |
U-образный болт М10 диам.76.0 2x100/2x35 Pl Cl-8.8 |
U-BOLT Dia-76.0, Cl-8.8 M10, 2x 100 / 2x 35 Pl |
1 |
|
63 |
86511323 |
Шайба 10.77X20.00X2.00 PL |
WASHER 10.77X20.00X2.00 PL |
2 |
|
64 |
100037 |
Гайка стопорная CL-8 M10 |
NUT - LOCK Stl, CL-8 M10 Plated |
2 |
23
9707066
|
05A02 Система смазки механизма отбора мощности 12-скоростного синхронизатора | ||||
|
Поз |
Чертежный номер |
Наименование |
Descriptionl |
Кол- во |
|
1 |
86050263 |
Рукав в сборе 1/2x1350 100R1 |
HOSE ASSY, 1/2x1350 100R1 |
1 |
|
2 |
86050262 |
Рукав 3/8x1460 100R1 |
HOSE ASSY, 3/8x1460 100R1 |
1 |
|
3 |
9862009 |
Рукав 1/2''х2000мм 100R1 |
HOSE - HYDRAULIC Assy, 1/2 x 2000 100R1 |
1 |
|
4 |
86050257 |
Рукав 3/4x1025 100R1 |
HOSE ASSY, 3/4x1025 100R1 |
1 |
|
5 |
86050260 |
Рукав 1''х2750мм 100R1 |
HOSE - HYDRAULIC Assy, 1.00 x 2750 100R1 |
1 |
|
6 |
86000578 |
Трубка масляная механизма отбора мощности наруж.диам.3/8'' |
TUBE - HYDRAULIC PTO LUBE Assy, Od-3/8in |
1 |
|
7 |
86000579 |
Трубка масляная механизма отбора мощности наруж.диам.3/8'' |
TUBE - HYDRAULIC PTO LUBE Assy, Od-3/8in |
1 |
|
8 |
86000580 |
Трубка 1/2 |
TUBE ASSEMBLY, 1/2 OD |
1 |
|
9 |
86000291 |
Клапан механизма отбора мощности |
VALVE, PTO. |
1 |
|
10 |
86012136 |
Накопитель, 10 CuIn системы смазки механизма отбора мощности |
ACCUMULATOR - 10 CuIn, PTO LUBE CIRCUIT |
1 |
|
05A02 Система смазки механизма отбора мощности 12-скоростного синхронизатора | ||||
|
Поз |
Чертежный номер |
Наименование |
Descriptionl |
Кол- во |
|
11 |
86001200 |
Клапан масляный |
VENT - HYDRAULIC FLUID SYSTEMS |
1 |
|
12 |
9707360 |
Защитный рукав, ширина 92мм, длина 700мм, нейлон |
SLEEVE-NYLON, PROTECTIVE Wth-92mm x Lth-700mm |
1 |
|
13 |
86012134 |
Кронштейн |
BRACKET - ACCUMULATOR MOUNT |
1 |
|
14 |
88436 |
Болт 0.38''x2.00GR5 PL |
BOLT, HEX 0.38x2.00GR5 PL |
4 |
|
15 |
V50532 |
Втулка |
BUSHING,DRIV |
1 |
|
16 |
V20399 |
Фитинг 3/8NPTx1/4FNPT |
BUSHING, 3/8NPTx1/4FNPT |
1 |
|
17 |
76350 |
Штуцер 9/16mjic x 9/16morb |
CONNECTOR - STRAIGHT Hydraulic, 9/16mjic x 9/16morb |
1 |
|
18 |
84384 |
Адаптер, 7/16orb x 9/16jic |
ADAPTER - STRAIGHT HYDRAULIC, 7/16orb x 9/16jic |
1 |
|
19 |
128818 |
Штуцер 3/4MJICx3/4MORB |
CONNECTOR, 3/4MJICx3/4MORB |
4 |
|
20 |
233705 |
Штуцер 3/4'' |
Connector - Straight w/O-Ring, Years: 01/01/1983-12/31/1984 |
1 |
|
21 |
9615397 |
Штуцер 1 5/16JICx1 3/16ORB |
CONNECTOR, 1 5/16JICx1 3/16ORB |
1 |
|
22 |
86505962 |
Тройник RUN 9/16MJICx1/4FNPT |
TEE, RUN 9/16MJICx1/4FNPT |
1 |
|
23 |
86508510 |
Фитинг 90°, 1 5/16MJICx1 5/8FNPT |
ELBOW, 90 1 5/16MJICx1 5/8FNPT |
1 |
|
24 |
322894 |
Фитинг 90°, 1-1/16 Jic x 1-1/16 Orb |
ELBOW - Hydraulic 90-Deg, 1-1/16 Jic x 1-1/16 Orb |
1 |
|
25 |
235131 |
Фитинг 90°, 9/16MJICx3/4MNPT |
ELBOW, 90 9/16MJICx3/4MNPT |
1 |
|
26 |
86507027 |
Фитинг 90°, конус 37° |
ELBOW, 90 1/2LG |
1 |
|
27 |
86513003 |
Фитинг 45°, 1 1/16MJICx3/4MNPT |
ELBOW, 45 1 1/16MJICx3/4MNPT |
1 |
|
28 |
851710 |
Хомут |
STRAP - TIE |
1 |
|
29 |
86514722 |
Р-образный зажим с покрытием o 1,800 |
P CLIP COATED 1.880 DIA |
1 |
|
30 |
86512936 |
Фитинг 90°, 9/16MJICx7/16MORB |
ELBOW, 90 9/16MJICx7/16MORB |
1 |
|
31 |
V50214 |
Пробка 1/8 |
PLUG, HEXSCKT 1/8NPTF |
2 |
|
32 |
2747 |
Накладка соединительная, нейлоновая, регулируемая |
STRAP-TIE, NYLON, 4.00in ADJUSTABLE |
15 |
|
33 |
9846918 |
Болт M10x1.5x40 |
CAPSCREW HexHd Flng USR M10 40mm x 1.5mm Pld |
1 |
|
34 |
43435 |
Гайка M10 Usr Pl |
NUT - Hex Flange M10 Usr Pl |
1 |
|
35 |
86505938 |
Шайба 0.406X1.375X0.083 PL |
WASHER 0.406X1.375X0.083 PL |
1 |
|
36 |
86019898 |
Р-образный зажим с покрытием o 15/16, двойной |
P CLIP COATED 15/16 DIA DOUBLE |
1 |
|
36 |
86050008 |
Фиксатор |
CLIP |
1 |
|
37 |
128825 |
Кольцо уплотнительное 0.644 IDX0.087 THK BUNA |
O-RING Buna, Id-0.644 Thk-0.087 |
4 |
|
38 |
167266 |
Кольцо уплотнительное вн. O 0.924 X толщина 0.116 |
O RING 0.924 IDX0.116 THK |
2 |
|
39 |
9617873 |
Кольцо уплотнительное 9/16 IDX11/16 THK NITRI |
O-RING, 90-Duro Id-0.468 Thk-0.078in |
2 |
|
40 |
167268 |
Кольцо уплотнительное HYD/F 1.171ID X 0.116TH |
O-RING, HYDRAULIC FITTINGS, Id-1.171in Thk-0.116in |
1 |
|
41 |
86012150 |
U-образный болт М10 диам.76.0 2x100/2x35 Pl Cl-8.8 |
U-BOLT Dia-76.0, Cl-8.8 M10, 2x 100 / 2x 35 Pl |
1 |
|
42 |
86511323 |
Шайба 10.77X20.00X2.00 PL |
WASHER 10.77X20.00X2.00 PL |
2 |
|
43 |
100037 |
Гайка стопорная CL-8 M10 |
NUT - LOCK Stl, CL-8 M10 Plated |
2 |
05AQ4 Распределитель гидравлический навесного оборудования. Model:2335 Универсальный полноприводный тракт
53 45
970314В
9703150
|
05A04 Распределитель гидравлический навесного оборудования | ||||
|
Поз |
Чертежный номер |
Наименование |
Descriptionl |
Кол- во |
|
1 |
86012576 |
Гидрораспределитель, 5 секций |
VALVE ASSY, IMPLEMENT 5 SECTION |
1 |
|
1 |
86012578 |
Гидрораспределитель, 4 секции |
VALVE -HYDRAULIC IMPLEMENT, 4 SECTION CNH-Blue |
1 |
|
2 |
9790692 |
Рукав 5/8''х925мм 100R17 |
HOSE - HYDRAULIC ASSY, 5/8in x 925mm 100R17 |
1 |
|
3 |
9790695 |
Рукав гидравлический в сборе 1/2in x 990mm 100R17 |
HOSE - HYDRAULIC ASSY, 1/2in x 990mm 100R17 |
1 |
|
4 |
86050017 |
Рукав 0.50 X 1100 100R2 |
HOSE ASSY 0.50 X 1100 100R2 |
1 |
|
5 |
86050018 |
Рукав 0.50 X 1175 100R2 |
HOSE ASSY 0.50 X 1175 100R2 |
1 |
|
6 |
325059 |
Штуцер Orb-7/8 Jic-7/8 |
CONNECTOR - HYDRAULIC, Orb-7/8 Jic-7/8 |
6 |
|
05A04 Распределитель гидравлический навесного оборудования | ||||
|
Поз |
Чертежный номер |
Наименование |
Descriptionl |
Кол- во |
|
7 |
9790693 |
Рукав гидравлический в сборе 5/8in x 880 100R17 |
HOSE - HYDRAULIC ASSY, 5/8in x 880 100R17 |
1 |
|
8 |
9790696 |
Рукав гидравлический в сборе 1/2in x 940mm 100R17 |
HOSE - HYDRAULIC ASSY, 1/2in x 940mm 100R17 |
1 |
|
9 |
86050015 |
Рукав гидравлический в сборе 90 x 1050mm 100r2, 8 |
HOSE - HYDRAULIC ASSY, 90 x 1050mm 100r2, 80-Series |
1 |
|
10 |
86050016 |
Рукав гидравлический в сборе 90 x 1110mm 100r2, 80 |
HOSE - HYDRAULIC ASSY, 90 x 1110mm 100r2, 80-Series |
1 |
|
11 |
164910 |
Патрубок 90 7/8MJIC X 7/8ORB |
ELBOW 90 7/8MJIC X 7/8ORB |
1 |
|
12 |
86019345 |
Муфта раз'емная |
BODY ASSY QUICK COUPLER |
1 |
|
13 |
133066 |
Стопорное кольцо диам.1.50'' |
RETAINING RING EXOD 1.5 |
8 |
|
14 |
9706355 |
Крышка |
CAP ASSY, HYD COUPLER |
8 |
|
15 |
9673068 |
Рукав 5/16''х1000мм 4041-0951 |
HOSE - DRAIN OIL, Type 4041-0951, Id-5/16in Lth-1000mm |
4 |
|
15 |
9849445 |
Рукав 1/4''х1000мм Sae 30R7 |
HOSE - DRAIN OIL, Sae 30R7 Fuel Line, Id-1/4in Lth-1000mm |
4 |
|
16 |
86000559 |
Кронштейн разрывных муфт |
BRACKET, COUPLER SUPPORT-BLUE |
1 |
|
17 |
9847023 |
Болт M20x2.5x50 Cl 8.8 |
CAPSCREW - HexHead Cl-8.8 M20 x 2.5 x 50 |
2 |
|
19 |
86512499 |
Гайка шестигранная FLG M20 класс 10 PL |
NUT HEX FLG M20 CLASS 10 PL |
2 |
|
20 |
86512926 |
Штуцер 1 5/16JICX1 1/16ORB |
CONNECTOR 1 5/16JICX1 1/16ORB |
2 |
|
21 |
139398 |
Штуцер 9/16MORBx7/16MJIC |
CONNECTOR, 9/16MORBx7/16MJIC |
1 |
|
22 |
86050319 |
Шланг в сборе 3/4 X 1310 100R17 |
HOSE ASSY 3/4 X 1310 100R17 |
1 |
|
23 |
86050313 |
Шланг в сборе 1/4 X 1390 100R17 |
HOSE ASSY 1/4 X 1390 100R17 |
1 |
|
24 |
86050320 |
Шланг в сборе 1.0 X 1310 100R1 |
HOSE ASSY 1.0 X 1310 100R1 |
1 |
|
25 |
86050322 |
Шланг в сборе 1/2 X 1390 100R1 |
HOSE ASSY 1/2 X 1390 100R1 |
1 |
|
26 |
262159 |
Заглушка 3/4-16un №8-Jic |
CAP - HEX 37-Deg 3/4-16un #8-Jic |
1 |
|
27 |
86011410 |
Кронштейн |
BRACKET |
1 |
|
28 |
86508630 |
U- образный болт M8X80X60X25 PL |
U BOLT RND BEND M8X80X60X25 PL |
1 |
|
29 |
86507066 |
Гайка шестигранная FLG M8 класс 10 PL |
NUT HEX FLG M8 CLASS 10 PL |
4 |
|
30 |
9862007 |
Штуцер 1 5/16MJICx1 5/16MJIC |
UNION, 1 5/16MJICx1 5/16MJIC |
2 |
|
32 |
264654 |
Штуцер, 0.750MJICx0.750MJIC |
UNION, 0.750MJICx0.750MJIC |
1 |
|
33 |
86508628 |
Соединение 7/16MJIC X 7/16MJIC |
UNION 7/16MJIC X 7/16MJIC |
1 |
|
34 |
86014393 |
Рукав гидравлический в сборе 1.00in x 3500mm 100R |
HOSE - HYDRAULIC Assy, 1.00in x 3500mm 100R1 |
1 |
|
35 |
86050315 |
Рукав гидравлический в сборе 100R9 Id-3/4in Lth-42 |
HOSE - HYDRAULIC ASSY, 100R9 Id-3/4in Lth-4270mm |
1 |
|
35 |
86050316 |
Шланг в сборе 3/4 X 3360 100R17 |
HOSE ASSY 3/4 X 3360 100R17 |
1 |
|
36 |
86050317 |
Шланг в сборе 1/2 X 2610 100R1 |
HOSE ASSY 1/2 X 2610 100R1 |
1 |
|
37 |
86050314 |
Шланг в сборе 1/4 X 3400 100R17 |
HOSE ASSY 1/4 X 3400 100R17 |
1 |
|
38 |
374890 |
Болт M20x2.5x60 CL-8.8 |
CAPSCREW - HexHead, Cl-8.8 M20 x 2.50 x 60 Pl |
2 |
|
39 |
86050287 |
Контргайка с нейлоновой вставкой M20 GR9PL |
NUT LOCK NYLON M20 GR9PL |
2 |
|
40 |
86011610 |
Кронштейн |
BLOCK, HYDRAULIC HOSE & TUBE HOLDER |
3 |
|
41 |
9804265 |
Болт M10x1.5x60 Cl 8.8 |
CAPSCREW - HexHead FLANGE Cl-8.8 |
6 |
|
05A04 Распределитель гидравлический навесного оборудования | ||||
|
Поз |
Чертежный номер |
Наименование |
Descriptionl |
Кол- во |
|
M10 x 1.50 x 60 Pl | ||||
|
42 |
43138 |
Болт M10x1.5x20 Cl 8.8 |
CAPSCREW - HexHead CL8.8 M10 -1.50 x 20 |
1 |
|
43 |
V86490 |
Хомут 1.50'' |
P-CLIP, COATED Dia-1.50in |
3 |
|
44 |
602788 |
Фитинг 90°, конус 37° |
ELBOW, SWIVEL |
1 |
|
45 |
167268 |
Кольцо уплотнительное HYD/F 1.171ID X 0.116TH |
O-RING, HYDRAULIC FITTINGS, Id-1.171in Thk-0.116in |
1 |
|
46 |
9705241 |
Клапан плунжерного насоса 5000psi, 1.5in-Hex, 1-5/16 x 12 UN-2A |
VALVE - CHECK INSERT 5000psi, 1.5in-Hex 1-5/16 x 12 UN-2A |
1 |
|
47 |
216773 |
Патрубок гидравлический фитинга, 90 градусов 7/16 |
ELBOW - HYDRAULIC FITTING, 90Deg 7/16mjic x 7/16morb |
1 |
|
48 |
167266 |
Кольцо уплотнительное вн. O 0.924 X толщина 0.116 |
O RING 0.924 IDX0.116 THK |
3 |
|
49 |
167269 |
Кольцо уплотнительное вн. O 0.8 X толщина 0.09 N |
O RING 0.80 IDX0.09 THK NITR |
19 |
|
50 |
9617873 |
Кольцо уплотнительное 9/16 IDX11/16 THK NITRI |
O-RING, 90-Duro Id-0.468 Thk-0.078in |
3 |
|
51 |
9673056 |
Дроссель 9/16 |
ORIFICE - INLINE, THREADED-9/16 Sae-37 Deg Flare |
1 |
|
52 |
86000961 |
Втулка |
SPACER, TUBING |
1 |
|
53 |
86050288 |
Фитинг 90°, конус 37° |
ELBOW - 90 DEGREE SWIVEL, 37 DEGREE FLARE |
1 |
|
54 |
86000234 |
Кронштейн 25.4 x 150.0мм |
PLATE - HOSE MOUNT (Blue) 25.4 x 150.0mm |
3 |
|
54 |
86029300 |
Кронштейн 25.4 x 150.0мм |
PLATE - HOSE MOUNT (Red) 25.4 x 150.0mm |
3 |
|
55 |
84340 |
Фитинг 90°, Jic-3/4 x Morb-1 1/16 |
ELBOW - BRASS UNION, 90 Deg, Jic-3/4 x Morb-1 1/16 |
1 |
|
56 |
86012621 |
Втулка |
SPACER -TUBING |
1 |
|
57 |
86002108 |
Уплотнение разрывной муфты |
SEAL, HYDRAULIC COUPLER CONNECTION |
8 |
|
58 |
165202 |
Кольцо уплотнительное вн. O 0.351 X толщина 0.072 |
O RING 0.351 IDX0.072 THK BUNA |
1 |
|
59 |
86511327 |
Шайба 21.33X37.00X3.00 PL |
WASHER 21.33X37.00X3.00 PL |
2 |
|
60 |
86013815 |
Кольцо уплотнительное полиуретановое Duro-88, Id-0 |
O-RING Polyurethane Duro-88, Id-0.796in Thk-0.14in |
2 |
|
60 |
86035519 |
Шайба дублирующая полистирол (оранжевая) |
WASHER- BACKUP POLYESTER (Orange) |
2 |
|
140020 |
Шайба |
WASHER |
6 | |
05B02 Steering / Implement & TransLube Syst -10/11 Itr Engines, Model:2335 Универсальный полноприводный трактор -
то
STEERING
CYLINDER
TO
TRANSMISSION
|
05B02 Рулевое управление и система смазки | ||||
|
Поз |
Чертежный номер |
Наименование |
Descriptionl |
Кол- во |
|
1 |
9706460 |
Агрегат рулевой |
STEERING CONTROL UNIT |
1 |
|
2 |
265235 |
Штуцер 7/16mjic x 7/16morb |
CONNECTOR - HYDRAULIC FITTING, 7/16mjic x 7/16morb |
2 |
|
3 |
165202 |
Кольцо уплотнительное вн. O 0.351 X толщина 0.072 |
O RING 0.351 IDX0.072 THK BUNA |
4 |
|
4 |
86012060 |
Шланг в сборе 1/4 X 630 100R17 |
HOSE ASSY 1/4 X 630 100R17 |
1 |
|
5 |
86512926 |
Штуцер 1 5/16JICX1 1/16ORB |
CONNECTOR 1 5/16JICX1 1/16ORB |
2 |
|
6 |
167266 |
Кольцо уплотнительное вн. O 0.924 X толщина 0.116 |
O RING 0.924 IDX0.116 THK |
3 |
|
7 |
322896 |
Фитинг 1-1/16jic x 1-1/16orb |
CONNECTOR - TUBE FITTING, 1-1/16jic x 1-1/16orb |
1 |
|
8 |
86013064 |
Шланг в сборе 1.00 X 450 100R17 |
HOSE ASSY 1.00 X 450 100R17 |
1 |
|
9 |
86013216 |
Шланг в сборе 3/4 X 565 100R17 |
HOSE ASSY 3/4 X 565 100R17 |
1 |
|
10 |
43140 |
Болт M10x30 Cl-8.8 |
CAPSCREW - HexHead Cl-8.8 M10 x 30 |
1 |
|
11 |
9827902 |
Хомут 1.00'' |
P-CLIP COATED Dia-1.000in |
10 |
|
12 |
9790691 |
ГИДРОШЛАНГ |
ГИДРОШЛАНГ |
1 |
|
13 |
9790690 |
ГИДРОШЛАНГ |
ГИДРОШЛАНГ |
1 |
|
14 |
43435 |
Гайка M10 Usr Pl |
NUT - Hex Flange M10 Usr Pl |
11 |
|
15 |
86507102 |
Переходник рулевого управления 7/8JIC X1 1/16ORB |
ADAPTOR STR 7/8JIC X1 1/16ORB |
2 |
|
16 |
9704438 |
Клапан |
VENT - 1/2NPT, HYDRAULIC / FUEL SYSTEMS |
1 |
|
17 |
86010532 |
Шланговое соединение 5/8 X 1/2NPT |
COUPLING HOSE 5/8 X 1/2NPT |
1 |
|
18 |
86010608 |
Шланг высокого давления 5/8 X 900 |
HOSE AGR PRESSURE5/8 X 900 |
1 |
|
19 |
9706921 |
Хомут 1/2"-1.375" |
CLAMP - HOSE, Steel Type-F Style #1 Open Dia-1.375in |
2 |
|
20 |
86017923 |
Рукав всасывающий армированный 38.10in 30R6 |
HOSE - SUCTION Spring Coil Reinforced 38.10in 30R6 |
1 |
|
21 |
82012725 |
Хомут |
CLAMP - HOSE |
4 |
|
21 |
V17778 |
Хомут 2.75'' |
CLAMP - HOSE MaxDia-2.75in, WORM DRIVE Type F |
4 |
|
22 |
9703991 |
Фильтр впускной |
STRAINER SUCTION |
1 |
|
23 |
86013056 |
Шланг в сборе 3/8 X 700 100R1 |
HOSE ASSY 3/8 X 700 100R1 |
1 |
|
24 |
128825 |
Кольцо уплотнительное 0.644 IDX0.087 THK BUNA |
O-RING Buna, Id-0.644 Thk-0.087 |
4 |
|
25 |
128830 |
Фитинг 90°, 3/4mjic x 3/4morb |
ELBOW - HYDRAULIC TUBE, 90-Deg 3/4mjic x 3/4morb |
1 |
|
26 |
86050317 |
Шланг в сборе 1/2 X 2610 100R1 |
HOSE ASSY 1/2 X 2610 100R1 |
1 |
|
27 |
84340 |
Фитинг 90°, Jic-3/4 x Morb-1 1/16 |
ELBOW - BRASS UNION, 90 Deg, Jic-3/4 x Morb-1 1/16 |
1 |
|
28 |
86027398 |
Уплотнительное кольцо всасывающего фильтра 70-Duro |
O-RING, SUCTION FILTER, Nitrile 70-Duro Id-2.337in |
1 |
|
29 |
9804255 |
Болт M6x16 Cl-8.8 Pl |
CAPSCREW - HexHead Flanged, M6 x 16 Cl-8.8 Pl |
1 |
|
30 |
9705728 |
Колпачок патрубка наливного |
CAP FILLER TUBE |
1 |
|
31 |
86514335 |
Контргайка с нейлоновой вставкой M6 класс 10 PL |
NUT LOCK NYLON M6 CLASS10 PL |
1 |
|
32 |
86000064 |
Трубка-фильтр гидробака |
TUBE - FILLER WeldAssy (Blue), |
1 |
|
05B02 Рулевое управление и система смазки | ||||
|
Поз |
Чертежный номер |
Наименование |
Descriptionl |
Кол- во |
|
HYDRAULIC TANK | ||||
|
32 |
86027901 |
Наливной патрубок |
TUBE WA FILLER |
1 |
|
33 |
167268 |
Кольцо уплотнительное HYD/F 1.171ID X 0.116TH |
O-RING, HYDRAULIC FITTINGS, Id-1.171in Thk-0.116in |
6 |
|
34 |
V16984 |
Пробка 1-5/16" |
PLUG, HEX-HEAD 1-5/16in ORB |
1 |
|
35 |
268277 |
Фитинг 90°, 1-5/16Jic x 1-5/16Orb |
ELBOW-HYD FITTING, 90Deg 1-5/16Jic x 1-5/16Orb |
2 |
|
36 |
9790689 |
Рукав 3/4 X 3025 100R1 |
HOSE ASSY 3/4 X 3025 100R1 |
2 |
|
37 |
9705718 |
Стекло смотровое уровня масла |
GAUGE - SIGHT, LIQUID LEVEL |
1 |
|
38 |
86026655 |
Бак для гидравлической жидкости |
TANK WA HYDRAULIC |
1 |
|
39 |
163410 |
Пробка 1-1/16orb |
PLUG - HexHead With 167266 O-RING, 1-1/16orb |
1 |
|
40 |
120090 |
Болт M16x50 8.8Pl |
CAPSCREW - HexHead M16 x 50 8.8Pl |
4 |
|
41 |
9707486 |
Изолятор |
BELTING - ISOLATOR / MOUNTING, HYDRAULIC TANK |
2 |
|
42 |
140020 |
Шайба |
WASHER |
4 |
|
42 |
86511326 |
Шайба 17.27X30.00X3.00 PL |
WASHER 17.27X30.00X3.00 PL |
4 |
|
43 |
86012007 |
Контргайка с нейлоновой вставкой M16 CLASS10 P |
NUT LOCK NYLON M16 CLASS10 P |
4 |
|
44 |
86012064 |
Шланг в сборе 3/8 X 700 100R1 |
HOSE ASSY 3/8 X 700 100R1 |
1 |
|
46 |
265808 |
Тройник 3/4jic x 3/4orb |
TEE - RUN, HYDRAULIC FITTING, 3/4jic x 3/4orb |
1 |
|
47 |
86030113 |
Шланг в сборе 1/4 X 1500 100R17 |
HOSE ASSY 1/4 X 1500 100R17 |
1 |
|
48 |
86013399 |
Рукав гидравлический в сборе 1.00 x 1660mm 100R1 |
HOSE - HYDRAULIC Assy 1.00 x 1660mm 100R1 |
1 |
|
49 |
86011492 |
Кронштейн |
BRACKET - MOUNT (Black), THROTTLE CABLE M11 / QSM11 |
1 |
|
50 |
9840672 |
Болт M10x1.50x30 |
CAPSCREW - HexHead Flanged, USR M10 1.50 x 30 |
4 |
|
51 |
84209 |
Болт 0.5x1.25" Pl |
CAPSCREW - HexHead Flange USR 0.5 x 1.25in Pl |
1 |
|
51 |
86030786 |
Болт шестигранный FLG USR 0.5 X 1.75 PL |
BOLT HEX FLG USR 0.5 X 1.75 PL |
1 |
|
52 |
86015720 |
Колено 45° 1 1/16ORB X1 1/16MJIC |
ELBOW 45 1 1/16ORB X1 1/16MJIC |
1 |
|
53 |
47813 |
Фитинг 45°, конус 37° |
ELBOW - TUBE FITTING, 45-Deg 37-DegFl / orb |
1 |
|
54 |
86011662 |
Вставной шланг специальный |
HOSE INSERT SPECIAL |
1 |
|
55 |
570186 |
Кольцо уплотнительное 1.60 IDX1.88 THK NITR |
O-RING - NITRILE ID-1.475in Thk-0.118in 90 Duro |
1 |
|
56 |
9705241 |
Клапан плунжерного насоса 5000psi, 1.5in-Hex, 1-5/16 x 12 UN-2A |
VALVE - CHECK INSERT 5000psi, 1.5in-Hex 1-5/16 x 12 UN-2A |
1 |
|
57 |
9790698 |
ГИДРОШЛАНГ |
ГИДРОШЛАНГ |
1 |
|
58 |
16998 |
Фитинг 90°, конус 37° |
Elbow, 90°, Male 37° FL - Male, W/O-Ring |
3 |
|
58 |
216773 |
Патрубок гидравлический фитинга, 90 градусов 7/16 |
ELBOW - HYDRAULIC FITTING, 90-Deg 7/16mjic x 7/16morb |
3 |
|
59 |
86513653 |
Тройник с боковым отводом 7/16MJIC X 7/16SWFJIC |
TEE RUN 7/16MJIC X 7/16SWFJIC |
1 |
|
60 |
86012065 |
Шланг в сборе 1/4 X 600 100R1 |
HOSE ASSY 1/4 X 600 100R1 |
1 |
|
05B02 Рулевое управление и система смазки | ||||
|
Поз |
Чертежный номер |
Наименование |
Descriptionl |
Кол- во |
|
61 |
86012143 |
Колено 90° 1 5/16SWJIC X 7/16JIC |
ELBOW 90 1 5/16SWJIC X 7/16JIC |
1 |
|
62 |
86012066 |
Шланг в сборе 1/4 X 990 100R1 |
HOSE ASSY 1/4 X 990 100R1 |
1 |
|
63 |
9673036 |
Прокладка насоса поршневого |
GASKET PISTON PUMP |
1 |
|
64 |
9705146 |
Тандем насосов для двигателя 11 и 10 л |
PUMP TANDEM 11 L & 10 L ENGINE |
1 |
|
65 |
9670288 |
Болт M12x35 |
CAPSCREW, HexHd 8.8PI Flg M12 x 35 |
2 |
|
66 |
330346 |
Фитинг 45°, 9/16jic x 9/16orb |
ELBOW - TUBE FITTING, 45-Deg 9/16jic x 9/16orb |
1 |
|
67 |
145458 |
Гайка 5/16''-18 |
NUT - Hex FLANGE, USR-P 0.313 |
2 |
|
68 |
86013382 |
Изолятор, диам. 1.0'' 5/16 - 18unc |
MOUNT - ISOLATOR (Od-1.0in Elastomer) 5/16 - 18unc |
1 |
|
69 |
9707292 |
Обратная трубка системы смазывания КПП, 70,7'' |
TUBE-HYDRAULIC Assy (70.7in), TRANMISSION LUBE RETURN |
1 |
|
70 |
9707291 |
Обратная трубка системы смазывания КПП, 106,9'' |
TUBE-HYDRAULIC Assy (106.9in), TRANMISSION LUBE PRESSURE |
1 |
|
71 |
86011610 |
Кронштейн |
BLOCK, HYDRAULIC HOSE & TUBE HOLDER |
3 |
|
72 |
9804265 |
Болт M10x1.5x60 Cl 8.8 |
CAPSCREW - HexHead FLANGE Cl-8.8 M10 x 1.50 x 60 Pl |
6 |
|
73 |
86000234 |
Кронштейн 25.4 x 150.0мм |
PLATE - HOSE MOUNT (Blue) 25.4 x 150.0mm |
3 |
|
73 |
86029300 |
Кронштейн 25.4 x 150.0мм |
PLATE - HOSE MOUNT (Red) 25.4 x 150.0mm |
3 |
|
74 |
86012639 |
Прокладка передняя |
WASHER HEAD |
16 |
|
75 |
88044 |
Болт 0.38x1.50'' Gr5 Pl |
CAPSCREW - HexHead 0.38 x 1.50in Gr5 Pl |
4 |
|
76 |
86012106 |
Шайба специальная 19.5MM |
WASHER SPECIAL 19.5MM |
8 |
|
77 |
378970 |
Штуцер 1-5/16jic x 1-5/16orb |
CONNECTOR - Hydraulic, 1-5/16jic x 1-5/16orb |
2 |
|
78 |
86017476 |
Индикатор давления |
INDICATOR - PRESSURE, HYD FILTER HEAD Assy |
2 |
|
78a |
86036750 |
Крышка фильтра |
HEAD - FILTER High Capacity, STRNG / IMPLMT HYD System |
1 |
|
79 |
86012203 |
Изолятор |
MOUNT ISOLATOR |
8 |
|
80 |
86029291 |
Корпус фильтра масляного |
FILTER & HEAD ASSY HYDR OIL |
2 |
|
80a |
86035976 |
Фильтр гидросистемы рулевого управления и навесного оборудования |
FILTER / HEAD - High Capacity, STRNG / IMPLMT HYD System |
1 |
|
81 |
86029146 |
Элемент фильтрующий масла для гидросистем и трансм |
FILTER ELEMENT HYDR OIL & TRAN |
2 |
|
82 |
86011579 |
Рукав 3/4 X 3115 100R1 |
HOSE ASSY 3/4 X 3115 100R1 |
1 |
|
83 |
2747 |
Накладка соединительная, нейлоновая, регулируемая |
STRAP-TIE, NYLON, 4.00in ADJUSTABLE |
12 |
|
84 |
9790688 |
Рукав гидравлический в сборе Id-3/4in Lth-2330mm |
HOSE - HYDRAULIC ASSY, Id-3/4in Lth-2330mm 100R1 |
1 |
|
85 |
86513022 |
Тройник с боковым отводом 1 5/16JICX1 5/16ORB |
TEE RUN 1 5/16JICX1 5/16ORB |
3 |
|
86 |
255918 |
Болт 3/8"-16x3/4" |
CAPSCREW - HexHead Flange, USR 0.380 x 0.75 Gr-5 Pl |
4 |
|
05B02 Рулевое управление и система смазки | ||||
|
Поз |
Чертежный номер |
Наименование |
Descriptionl |
Кол- во |
|
87 |
86013390 |
Рукав гидравлический в сборе 3/4 x 1970 100r1 |
HOSE - HYDRAULIC Assy, 3/4 x 1970 100r1 |
1 |
|
88 |
V86490 |
Хомут 1.50'' |
P-CLIP, COATED Dia-1.50in |
4 |
|
89 |
43138 |
Болт M10x1.5x20 Cl 8.8 |
CAPSCREW - HexHead CL8.8 M10 - 1.50 x 20 |
9 |
|
90 |
86014393 |
Рукав гидравлический в сборе 1.00in x 3500mm 100R |
HOSE - HYDRAULIC Assy, 1.00in x 3500mm 100R1 |
1 |
|
91 |
86019502 |
Пробка, резина, размер отв.30х19.50мм |
PLUG - RUBBER Od-30mm, 19.50mm Hole Size |
2 |
|
92 |
86019465 |
Фиксатор |
PLATE - GROMMET ASSY, RUBBER-STEEL REINFORCED |
1 |
|
93 |
851710 |
Хомут |
STRAP - TIE |
1 |
|
93 |
86509104 |
Соединительная накладка длина 775, нейлон |
TIE STRAP 775LG NYLON BL |
1 |
|
94 |
51026 |
Болт M8x12 Cl-8.8 |
CAPSCREW - HexHead Flange, M8 x 12 Cl-8.8 Pl |
8 |
|
94 |
76350 |
Штуцер 9/16mjic x 9/16morb |
CONNECTOR - STRAIGHT Hydraulic, 9/16mjic x 9/16morb |
2 |
|
95 |
9861411 |
Уплотнительное кольцо, внут.диам.0.864'' толщина 0.070'' |
O-RING Nbr-90 Id-0.864 Thk-0.070in |
4 |
|
96 |
86012751 |
Рукав 3/4 X 4300 100R1 |
HOSE ASSY 3/4 X 4300 100R1 |
1 |
|
97 |
86025876 |
Радиатор масляный |
COOLER OIL |
1 |
|
97 |
9701008 |
Масляный фильтр |
OIL COOLER |
1 |
|
98 |
86505841 |
Болт M6x100 Cl-8.8 Pl |
CAPSCREW - HexHead M6 x 100 Cl-8.8 Pl |
1 |
|
99 |
86512934 |
Колено 90° 7/16MJIC X 9/16MORB |
ELBOW 90 7/16MJIC X 9/16MORB |
2 |
|
100 |
86012063 |
Шланг в сборе 1/4 X 2200 100R1 |
HOSE ASSY 1/4 X 2200 100R1 |
1 |
|
101 |
86025871 |
Фитинг 90°, 1-5/16 x 12 un-2A |
ELBOW - HYD FITTING Special, 90-DegSquare 1-5/16 x 12 un-2A |
2 |
|
102 |
86013302 |
Обводная трубка системы охлаждения гидромасла |
TUBE Assy, HYDRAULIC COOLER BYPASS |
2 |
|
103 |
86013376 |
Кронштейн рукава |
BRACKET Weld Assy (Black), HOSE SUPPORT |
1 |
|
104 |
9671066 |
Клапан гидравлический 5000psi, 1-5/16 x 12 UN-2A |
VALVE - CHECK HYDRAULIC 5000psi, 1-5/16 x 12 UN-2A |
1 |
|
105 |
86020858 |
Клапан соединительный |
VALVE COMBINATION |
1 |
|
107 |
86012145 |
Кронштейн клапана |
BRACKET VALVE PO |
1 |
|
108 |
86511444 |
Гайка шестигранная FLG USR M 6 PL |
NUT HEX FLG USR M 6 PL |
1 |
|
109 |
9617873 |
Кольцо уплотнительное 9/16 IDX11/16 THK NITRI |
O-RING, 90-Duro Id-0.468 Thk-0.078in |
4 |
|
110 |
570024 |
Фитинг 90°, 1-1/16jic x 1-5/16orb |
ELBOW - HYDRAULIC FITTING, 90-Deg 1-1/16jic x 1-5/16orb |
1 |
|
111 |
86014394 |
Шланг в сборе 3/4 X 1470 100R17 |
HOSE ASSY 3/4 X 1470 100R17 |
1 |
|
112 |
86505868 |
Гайка шестигранная USR M 8 PL |
NUT HEX FLG USR M 8 PL |
4 |
|
113 |
86512257 |
Болт M10x1.50x50 |
CAPSCREW FlgHd USR M10 x 1.50 x 50 |
4 |
|
114 |
44028 |
Болт M8x110 Cl-8.8 Pl |
CAPSCREW - HexHead M8 x 110 Cl-8.8 Pl |
2 |
|
115 |
86012466 |
Прокладка внеш. диаметр 0,54, внутр. диам 0,36, дл |
SPACER 0.54ODX0.36IDX0.96LG |
2 |
|
05B02 Рулевое управление и система смазки | ||||
|
Поз |
Чертежный номер |
Наименование |
Descriptionl |
Кол- во |
|
116 |
86012619 |
Кронштейн клапана |
BRACKET VALVE SUPPORT |
1 |
|
117 |
86014298 |
Клапан рулевого управления приоритетный |
VALVE PRIORITY STEERING |
1 |
|
118 |
86508571 |
Болт шестигранный M 8 X 90 8.8PL |
BOLT HEX M 8 X 90 8.8PL |
2 |
|
119 |
129274 |
Тройник 9/16mjic x 9/16swfjic |
TEE - RUN HYDRAULIC, 9/16mjic x 9/16swfjic |
1 |
|
120 |
84384 |
Адаптер, 7/16orb x 9/16jic |
ADAPTER - STRAIGHT HYDRAULIC, 7/16orb x 9/16jic |
1 |
|
121 |
9790605 |
Штуцер 1-5/16morb x 1-5/16morb |
UNION - Hydraulic, MALE STR TRD, 1-5/16morb x 1-5/16morb |
1 |
|
122 |
86014299 |
Клапан распределителя навесного оборудов приоритет |
VALVE PRIORITY IMPLEMENT |
1 |
|
123 |
86013135 |
Шланг в сборе 3/4 X 1650 100R17 |
HOSE ASSY 3/4 X 1650 100R17 |
1 |
|
124 |
84569 |
Фитинг 90°, 1-1/16jic x 1-1/16orb L |
ELBOW - HYDRAULIC FITTING, 90-Deg 1-1/16jic x 1-1/16orb L |
1 |
|
125 |
86012061 |
Шланг в сборе 1/4 X 360 100R17 |
HOSE ASSY 1/4 X 360 100R17 |
1 |
|
130 |
86029820 |
Радиатор масляный |
COOLER OIL |
1 |
|
130a |
86012460 |
Клапан масляного фильтра в сборе L4WD |
POPPET - CHECK VALVE ASSY, OIL COOLER L4WD |
2 |
|
130b |
86012461 |
Пружина контрольного клапана L4WD |
SPRING - CHECK VALVE ASSY, OIL COOLER L4WD |
2 |
|
130c |
86512512 |
Пробка с шестигранной головкой |
PLUG - HexHead, Straight Thread With 167269 O-Ring, 7/8 - 14 x 1in |
2 |
|
130d |
167269 |
Кольцо уплотнительное вн. O 0.8 X толщина 0.09 N |
O RING 0.80 IDX0.09 THK NITR |
2 |
|
131 |
86029892 |
Уплотнение |
KIT - SEAL, VELOCITY FUSE ASSY, HYDRAULIC SYSTEM |
AR |
05В02а Система смазки - охлаждающий обводной коллектор. Model :2335 Универсальный полноприводный трактор - к
Cooler Bypass Manifold used with Qsm-11 Engines
|
05B02a Система смазки - охлаждающий обводной коллектор | ||||
|
Поз |
Чертежный номер |
Наименование |
Descriptionl |
Кол- во |
|
1 |
86030037 |
Обводной коллектор радиатора |
MANIFOLD COOLER BYPASS |
1 |
|
2 |
86035900 |
Клапан охладителя перепускной CV1-16-P-0-50 |
VALVE - CHECK (CV1-16-P-0-50) COOLER ByPass MANIFOLD |
1 |
|
3 |
86035901 |
Клапан охладителя перепускной CV2-20-P-0-60 |
VALVE - CHECK (CV2-20-P-0-60) COOLER ByPass MANIFOLD |
1 |
|
4 |
86035902 |
Клапан охладителя перепускной CV2-20-P-0-5 |
VALVE - CHECK (CV2-20-P-0-5) COOLER ByPass MANIFOLD |
1 |
|
5 |
86035903 |
Предохранитель |
FUSE - VELOCITY, COOLER ByPass MANIFOLD |
1 |
|
6 |
86035904 |
Пробка 121-10Т |
PLUG - SAE (121-10T), COOLER ByPass MANIFOLD |
1 |
|
7 |
86035905 |
Пробка 121-12Т |
PLUG - SAE (121-12T), COOLER ByPass |
2 |
|
05B02a Система смазки - охлаждающий обводной коллектор | ||||
|
Поз |
Чертежный номер |
Наименование |
Descriptionl |
Кол- во |
|
MANIFOLD | ||||
|
8 |
86035906 |
Пробка 121-5Т |
PLUG - SAE (121-5T), COOLER ByPass MANIFOLD |
1 |
|
9 |
86035907 |
Муфта диагностическая |
COUPLER - DIAGNOSTIC, COOLER ByPass MANIFOLD |
2 |
|
10 |
- |
- |
- |
2 |
|
11 |
378970 |
Штуцер 1-5/16jic x 1-5/16orb |
CONNECTOR - Hydraulic, 1-5/16jic x 1-5/16orb |
8 |
|
12 |
86030442 |
Шланг в сборе 1.00 X 540 100R17 |
HOSE ASSY 1.00 X 540 100R17 |
1 |
|
13 |
86030113 |
Шланг в сборе 1/4 X 1500 100R17 |
HOSE ASSY 1/4 X 1500 100R17 |
1 |
|
14 |
86030120 |
Патрубок для установки фильтра |
TUBE ASSY FILTER TO MANIFOLD |
1 |
|
15 |
76350 |
Штуцер 9/16mjic x 9/16morb |
CONNECTOR - STRAIGHT Hydraulic, 9/16mjic x 9/16morb |
1 |
|
16 |
86030114 |
Шланг в сборе 1.0 X 2285 100R17 |
HOSE ASSY 1.0 X 2285 100R17 |
1 |
|
17 |
17203 |
Фитинг 45°, 15/16Jic x 15/16oRB |
ELBOW-HYD FITTING, 45Deg 15/16Jic x 15/16oRB |
1 |
|
18 |
86030115 |
Шланг в сборе 3/4 X 1140 100R1 |
HOSE ASSY 3/4 X 1140 100R1 |
1 |
|
19 |
381522 |
Болт M8x130 Cl-8.8 |
CAPSCREW - HexHead, M8 x 130 Cl-8.8 Pl |
4 |
|
20 |
86511315 |
Шайба 8.62X16.00X1.60 PL |
WASHER 8.62X16.00X1.60 PL |
4 |
|
21 |
86030116 |
Шланг в сборе 1.0 X 560 100R1 |
HOSE ASSY 1.0 X 560 100R1 |
2 |
|
22 |
86030117 |
Шланг в сборе 1.0 X 560 100R1 |
HOSE ASSY 1.0 X 560 100R1 |
2 |
|
23 |
86030699 |
Шланг в сборе 1.0 X 2875 100R17 |
HOSE ASSY 1.0 X 2875 100R17 |
1 |
|
05C03 Цилиндр навески в сборе | ||||
|
Поз |
Чертежный номер |
Наименование |
Descriptionl |
Кол- во |
|
1 |
86026564 |
Цилиндр гидравлический навесного оборудования |
HYDRAULIC CYLINDER NEW BLUE |
1 |
|
1 |
9703812 |
Гидроцилиндр |
CYLINDER |
1 |
|
2 |
NSS |
Отдельно не продается |
Not Sold Separately |
1 |
|
3 |
9703782 |
Контргайка 1-14 |
NUT - LOCK, STEERING CYLINDER |
1 |
|
4 |
9703783 |
Поршень |
PISTON |
1 |
|
5 |
9703757 |
Набор уплотнений |
SEAL KIT |
1 |
|
6 |
NSS |
Отдельно не продается |
Not Sold Separately |
1 |
|
7 |
NSS |
Отдельно не продается |
Not Sold Separately |
2 |
|
8 |
NSS |
Отдельно не продается |
Not Sold Separately |
1 |
|
9 |
NSS |
Отдельно не продается |
Not Sold Separately |
1 |
|
10 |
NSS |
Отдельно не продается |
Not Sold Separately |
1 |
|
11 |
NSS |
Отдельно не продается |
Not Sold Separately |
1 |
|
12 |
86000208 |
Головка гидроцилиндра |
GLAND |
1 |
|
13 |
9703781 |
Шток гидроцилиндра |
ROD ASSEMBLY |
1 |
|
14 |
18125 |
Втулка сферическая 1,25 внутр O 2,00 внешн O 1,09 |
BUSH SPHER 1.25IDX2.00ODX1.09 |
1 |
|
15 |
V18759 |
Стопорное кольцо диам.2 |
RING-RETAINING INV INT 2.0 DIA |
2 |
|
16 |
80710 |
Штуцер для подвода смазки 1/8-27NPT |
FITTING-GREASE Lf P 8-27 Extra Short |
1 |
9705146
|
05D02 Тандем насосов | ||||
|
Поз |
Чертежный номер |
Наименование |
Descriptionl |
Кол- во |
|
1 |
9705146 |
Тандем насосов для двигателя 11 и 10 л |
PUMP TANDEM 11 L & 10 L ENGINE |
1 |
|
1A |
86000720 |
Насос шестеренчатый тандема |
PUMP-GEAR, TANDEM PUMP ASSY L4WD |
1 |
|
1B |
9605307 |
Фланец |
Plate, Assy., Front |
1 |
|
2 |
86000709 |
Крышка шестеренчатого насоса |
BACKPLATE |
1 |
|
3 |
86014417 |
Корпус |
BODY |
1 |
|
4 |
86000711 |
Шестерня ведущая шестеренчатого насоса |
GEAR, DRIVE |
1 |
|
5 |
86014419 |
Колесо зубчатое промежуточное |
GEAR, IDLER |
1 |
|
6 |
9605308 |
Подшипник |
Plate, Wear |
1 |
|
7 |
175156 |
Уплотнительное кольцо, |
O-Ring, 4.987" ID x .103" Thk |
2 |
|
05D02 Тандем насосов | ||||
|
Поз |
Чертежный номер |
Наименование |
Descriptionl |
Кол- во |
|
внут.диам.4.987'' толщина 0.103'' | ||||
|
8 |
V25291 |
Сальник 0.875'' |
SEAL, OIL NITRILE Shift 0.875" |
1 |
|
9 |
9605306 |
Шайба сальника насоса подпитки |
WASHER, SHAFT SEAL - HYDRAULIC GEAR PUMP ASSY |
1 |
|
10 |
9605310 |
Уплотнение подшипника |
VALVE-COMBINATION, HYDRAULIC 5th SPOOL |
1 |
|
11 |
9605311 |
Уплотнительное кольцо |
O-RING - MOLDED SEAL, HYDRAULIC TANDEM PUMP |
1 |
|
12 |
9605309 |
Уплотнение шестеренчатого насоса |
GASKET - BACKUP, HYDRAULIC TANDEM PUMP 10L |
1 |
|
13 |
276549 |
Болт |
Screw, Cap |
4 |
|
14 |
272419 |
Болт G2, 3/8''-16 x 3-3/4'' |
Screw, Cap, 12 Pt Hd, G2, 3/8"-16 x 3-3/4" |
4 |
|
15 |
86000721 |
Поршень тандема насосов 10 Ltr Engine |
PUMP-PISTON, TANDEM MOUNT ASSY, 10 Ltr Engine |
1 |
|
16 |
V108543 |
Шлицевой вал |
SHAFT-SPLINED DRIVE, GEAR PUMP ASSY |
1 |
|
17 |
86000036 |
Крышка |
PLATE |
1 |
|
18 |
86512858 |
Корпус |
HOUSING |
1 |
|
19 |
86000723 |
Компенсатор плунжерного насоса |
COMPENSATOR - PISTON PUMP ASSY L4WD |
1 |
|
20 |
86512854 |
Ремонтный комплект плунжерного насоса |
KIT-REBUILD, ROTATING DRIVE, IMPL PUMP |
1 |
|
21 |
86512853 |
Наклонная шайба |
PLATE, CAM |
1 |
|
22 |
86512852 |
Поршень |
PISTON, CONTR |
1 |
|
23 |
272218 |
Уплотнительное кольцо, внут.диам.1.40'' толщина 0.09'' |
O-RING NITRILE, ID-1.40 Thk-0.09 |
2 |
|
24 |
88626 |
Штифт 3/16''x1/2'' |
Pin - Spring 3/16" x 1/2", Years: 01/01/1983-12/31/1984 |
1 |
|
25 |
272223 |
Шайба плунжерного насоса |
WASHER - TANDEM PUMP |
1 |
|
26 |
66800 |
Кольцо стопорное внутреннее |
RING-SNAP RETAINING, INTERNAL 2.00in, |
1 |
|
27 |
38785 |
Стопорное кольцо диам.1.130'' |
Ring, Snap, Ext, 1.130", Years: 01/01/1981-12/31/1984 |
2 |
|
28 |
86512855 |
Пружина, рулевого насоса и насоса навесного оборудования |
SPRING- STEERING AND IMPLEMENT PUMP |
1 |
|
29 |
86512848 |
Подшипник игольчатый диам.внутр.1.25 наруж.1.375 толщина 0.75'' |
BEARING, NEEDLE ROLLER THRUST I.d. 1.25 x o.d, 1.375 x thk .75 |
2 |
|
30 |
272194 |
Крышка |
COVER-TRUNION, HYDROSTATIC PUMP ASSY |
2 |
|
31 |
86512843 |
Уплотнение |
GASKET |
1 |
|
32 |
86512850 |
Кнопка |
BUTTON - PIVOT, STEERING AND IMPLEMENT PUMP |
1 |
|
33 |
86512851 |
Тарелка пружины |
COLLAR - SPRING, STEERING AND IMPLEMENT PUMP |
1 |
|
34 |
272213 |
Уплотнение |
GASKET |
1 |
|
35 |
703639 |
Сальник |
SEAL |
1 |
|
36 |
272202 |
Шайба плунжерного насоса упорная |
WASHER-THRUST, HYDRAULIC |
2 |
|
05D02 Тандем насосов | ||||
|
Поз |
Чертежный номер |
Наименование |
Descriptionl |
Кол- во |
|
TANDEM PUMP ASSY | ||||
|
37 |
272201 |
Подшипник упорный |
BEARING-THRUST, HYDRAULIC TANDEM PUMP ASSY |
1 |
|
38 |
86512847 |
Подшипник |
INNER RACE |
2 |
|
39 |
271429 |
Кольцо стопорное внутреннее 1.625 |
RING-SNAP, RETAINER, INTERNAL Dia-1.63in |
2 |
|
40 |
86512844 |
Уплотнительное кольцо, внут.диам.0.239'' толщина 0.070'' |
O-RING SEAL 90-Duro, Id-0.239 Thk-0.070 |
1 |
|
41 |
88011 |
Болт G5 3/8''-16 x 1-1/4'' |
Screw, Cap, HH, G5, 3/8"-16 x 1-1/4", Years: 01/01/1982-12/31/1984 |
4 |
|
42 |
86512871 |
Болт 1/4'' |
CS HSH 1/4"" |
4 |
|
43 |
86000724 |
Штуцер |
COVER - PUMP, TANDEM |
2 |
|
44 |
V108550 |
Шайба |
COUPLING - TANDEM PUMP |
1 |
|
45 |
V108552 |
Стопорное кольцо |
RING - LOCK, TANDEM PUMP |
1 |
|
46 |
9706716 |
Болт 1/2-13x2'' Gr-5 |
CAPSCREW - HexHead, 1/2 -13 x 2in Gr-5 Pl |
2 |
|
47 |
9706914 |
Уплотнительное кольцо ID-3.989in Thk-0.070in |
O-RING, ID-3.989in Thk-0.070in, TANDEM PUMP |
1 |
|
48 |
86000719 |
Набор уплотнений насоса шестерёнчатого |
SEAL KIT GEAR PUMP |
1 |
|
49 |
86512846 |
Комплект уплотнительный |
SEAL KIT |
1 |
21

|
05D05 Установка тандема насосов | ||||
|
Поз |
Чертежный номер |
Наименование |
Descriptionl |
Кол- во |
|
1 |
9705146 |
Тандем насосов для двигателя 11 и 10 л |
PUMP TANDEM 11 L & 10 L ENGINE |
1 |
|
2 |
9705241 |
Клапан плунжерного насоса 5000psi, 1.5in-Hex, 1-5/16 x 12 UN-2A |
VALVE - CHECK INSERT 5000psi, 1.5in-Hex 1-5/16 x 12 UN-2A |
1 |
|
3 |
86011662 |
Вставной шланг специальный |
HOSE INSERT SPECIAL |
1 |
|
4 |
86012143 |
Колено 90° 1 5/16SWJIC X 7/16JIC |
ELBOW 90 1 5/16SWJIC X 7/16JIC |
1 |
|
5 |
86012066 |
Шланг в сборе 1/4 X 990 100R1 |
HOSE ASSY 1/4 X 990 100R1 |
1 |
|
7 |
86513653 |
Тройник с боковым отводом 7/16MJIC X 7/16SWFJIC |
TEE RUN 7/16MJIC X 7/16SWFJIC |
1 |
|
8 |
86029882 |
ШЛАНГ |
ШЛАНГ |
1 |
|
10 |
47813 |
Фитинг 45°, конус 37° |
ELBOW - TUBE FITTING, 45-Deg 37-DegFl / orb |
1 |
|
11 |
86487595 |
Кольцо уплотнительное, внутр o 1.171, |
O RING 1.171 IDX0.116 THK |
1 |
|
05D05 Установка тандема насосов | ||||
|
Поз |
Чертежный номер |
Наименование |
Descriptionl |
Кол- во |
|
толщина 0.11 | ||||
|
12 |
330346 |
Фитинг 45°, 9/16jic x 9/16orb |
ELBOW - TUBE FITTING, 45-Deg 9/16jic x 9/16orb |
1 |
|
13 |
16998 |
Фитинг 90°, конус 37° |
Elbow, 90°, Male 37° FL - Male, W/O-Ring |
1 |
|
14 |
86015720 |
Колено 45° 1 1/16ORB X1 1/16MJIC |
ELBOW 45 1 1/16ORB X1 1/16MJIC |
1 |
|
15 |
167266 |
Кольцо уплотнительное вн. O 0.924 X толщина 0.116 |
O RING 0.924 IDX0.116 THK |
1 |
|
16 |
17201 |
Патрубок 90° |
Elbow, 90° |
1 |
|
17 |
9673036 |
Прокладка насоса поршневого |
GASKET PISTON PUMP |
1 |
|
18 |
9670288 |
Болт M12x35 |
CAPSCREW, HexHd 8.8Pl Flg M12 x 35 |
2 |
|
19 |
86030786 |
Болт шестигранный FLG USR 0.5 X 1.75 PL |
BOLT HEX FLG USR 0.5 X 1.75 PL |
1 |
|
20 |
86030250 |
Держатель гидронасоса |
BRKT HYD PUMP SUPPORT |
1 |
|
21 |
9840672 |
Болт M10x1.50x30 |
CAPSCREW - HexHead Flanged, USR M10 1.50 x 30 |
2 |
|
22 |
86030114 |
Шланг в сборе 1.0 X 2285 100R17 |
HOSE ASSY 1.0 X 2285 100R17 |
1 |
|
23 |
513309 |
Хомут 1.0625/2.00" |
CLAMP-HOSE, Steel Type "F" #24, Dia - 1.0625 to 2.00in |
4 |
|
24 |
86050316 |
Шланг в сборе 3/4 X 3360 100R17 |
HOSE ASSY 3/4 X 3360 100R17 |
1 |
|
25 |
86050314 |
Шланг в сборе 1/4 X 3400 100R17 |
HOSE ASSY 1/4 X 3400 100R17 |
1 |
|
26 |
86030139 |
Рукав всасывающий 38.10 |
HOSE SUCTION 38.10 |
1 |
|
27 |
9790698 |
ГИДРОШЛАНГ |
ГИДРОШЛАНГ |
1 |
|
28 |
86014394 |
Шланг в сборе 3/4 X 1470 100R17 |
HOSE ASSY 3/4 X 1470 100R17 |
1 |
|
29 |
86012065 |
Шланг в сборе 1/4 X 600 100R1 |
HOSE ASSY 1/4 X 600 100R1 |
1 |
|
05E01 Рычаг управления гидравликой | ||||
|
Поз |
Чертежный номер |
Наименование |
Descriptionl |
Кол- во |
|
1 |
86018862 |
Рычаг золотника первой секции |
LEVER WA FIRST SPOOL |
1 |
|
2 |
86018863 |
Рычаг золотника второй секции |
LEVER WA SECOND SPOOL |
1 |
|
3 |
86018864 |
Рычаг золотника третьей секции |
LEVER WA THIRD SPOOL |
1 |
|
4 |
86018865 |
Рычаг золотника четвертой секции |
LEVER WA FOURTH SPOOL |
1 |
|
5 |
9672785 |
Рукоятка |
KNOB - PLASTIC BLUE, HYDRAULIC CONTROL |
1 |
|
6 |
86001123 |
Головка рычага зеленая |
KNOB GREEN |
1 |
|
7 |
9672786 |
Рукоятка |
KNOB - PLASTIC TAN, HYDRAULIC CONTROL |
1 |
|
8 |
9673057 |
Рукоятка |
KNOB - PLASTIC GRAY, HYDRAULIC CONTROL |
1 |
|
9 |
280505 |
Болт G5 3/8"-16x7-1/2" |
HH CAPSCREW |
2 |
|
10 |
80463 |
Контргайка 0.38NC GR5 PL |
NUT, LOCK NYLON 0.38NC GR5 PL |
2 |
|
11 |
9705879 |
Пластина |
SPACER-BUSHING Dogbone ASSY, HYDR LEVER CONTROL |
4 |
|
05E01 Рычаг управления гидравликой | ||||
|
Поз |
Чертежный номер |
Наименование |
Descriptionl |
Кол- во |
|
12 |
86050295 |
Шайба 0.406X1.625X0.083 PL |
WASHER 0.406X1.625X0.083 PL |
1 |
|
13 |
9705847 |
Вилка троса 1/4 28UNF |
CLEVIS - CONTROL CABLE ROD END, 1/4 28UNF |
4 |
|
14 |
86533411 |
Болт шестигранный 0.25 X 0.88GR5 PL |
BOLT HEX 0.25 X 0.88GR5 PL |
4 |
|
15 |
86532 |
Контргайка 1/4''-0.20 |
NUT - LOCK Nylon, 1/4in - 0.20 Gr-5 Pl |
4 |
|
16 |
86013990 |
Трос клапана распределителя |
CABLE ASSY IMPLEMENT VALVE |
4 |
|
17 |
86516740 |
Втулка диам.внутр.0.376 наруж. 0.626 длина 0.75'' |
BUSHING, 0.376IDx0.626ODx0.75LG |
2 |
|
18 |
9705881 |
Рычаг блокировки |
LEVER - HYDRAULIC IMPLEMENT LOCK Assy |
4 |
|
19 |
87016 |
Шайба Sae 0.380 Pl, сталь |
WASHER - FLAT Steel Sae 0.380 Pl |
4 |
|
20 |
86508567 |
Болт шестигранный M 5 X 45 8.8PL |
BOLT HEX M 5 X 45 8.8PL |
2 |
|
21 |
86019409 |
Электромуфта |
SLEEVE CABLE LONG |
4 |
|
22 |
V109286 |
Пластина 14х39х2мм |
PLATE -TROTTLE MOUNT (Steel) 14mm x 39mm x 2mm |
1 |
|
23 |
V109287 |
Изолятор |
ISOLATOR, CONTROL CABLE MOUNTING |
1 |
|
24 |
86012110 |
Трос регулятора расхода жидкости распределителя |
CABLE ASSY FLOW CONTROL |
1 |
|
25 |
86050296 |
Установочный винт с шестигран. головкой M8 X 8 PL |
SETSCREW HEXSCKTCUP M8 X 8 PL |
1 |
|
26 |
86011983 |
Приводной рычаг регулятора расхода |
DRIVE LINK FLOW CONTROL |
1 |
|
27 |
9672950 |
Сферический шарнир |
JOINT-BALL, FLOW CONTROL CABLE, IMPL VALVE |
1 |
|
28 |
9700572 |
Фланец, алюминиевый |
FLANGE - ALUMINUM, CLUTCH CABLE ASSY |
4 |
|
29 |
87313 |
Гайка 0.75UNF GR2 PL |
NUT, JAM 0.75UNF GR2 PL |
4 |
|
30 |
86019392 |
Нарезной болт 0.25 X 1.12 GR8 |
BOLT SCKT 0.25 X 1.12 GR8 |
8 |
|
31 |
9672659 |
Шайба 0.375 |
WASHER, LOCK BELLEVILLE 0.375 |
4 |
|
32 |
263117 |
Соединительный трос, нейлон |
TIE - CABLE Nylon (Black) 0.140 x 11.50in |
2 |
|
33 |
86012576 |
Гидрораспределитель, 5 секций |
VALVE ASSY, IMPLEMENT 5 SECTION |
1 |
|
33 |
86012578 |
Гидрораспределитель, 4 секции |
VALVE -HYDRAULIC IMPLEMENT, 4 SECTION CNH-Blue |
1 |
|
34 |
9804263 |
Винт с гексагональной головкой с фланцами M10 x 40 |
CAPSCREW - HexHead Flanged M10 x 40 x 1.5 Cl-8.8 |
2 |
|
35 |
86514720 |
Контргайка с нейлоновой вставкой M10 CLASS10PL |
NUT LOCK NYLON M10 CLASS10PL |
2 |
|
36 |
86029293 |
Кронштейн упора рычага |
BRACKET LEVER STOP |
1 |
|
38 |
86019393 |
Пружинный штифт, диметр 6,длина 20.00 |
SPRING PIN 6 DIA X 20.00LG |
4 |
|
39 |
86019394 |
Вилка, замыкаемая болтом |
CLEVIS |
4 |
|
40 |
88098 |
Гайка G2, 1/4''-28 |
NUT, JAM |
4 |
|
41 |
86019409 |
Электромуфта |
SLEEVE CABLE LONG |
4 |
|
42 |
80682 |
Шайба 0.250PL |
WASHER - LOCK, 0.25 PL |
8 |
|
43 |
80701 |
Шайба 0.312 x 0.734 x 0.065 Pl, сталь |
WASHER - FLAT Steel, 0.312 x 0.734 x 0.065 Pl |
8 |
86011967
|
05E02 Регулятор потока | ||||
|
Поз |
Чертежный номер |
Наименование |
Descriptionl |
Кол- во |
|
1 |
86012026 |
Информационная табличка |
DECAL - HYDRAULIC FLOW CONTROL |
1 |
|
2 |
86012027 |
Пластина для аппликаций |
PLATE DECAL |
1 |
|
3 |
86012110 |
Трос регулятора расхода жидкости распределителя |
CABLE ASSY FLOW CONTROL |
3 |
|
4 |
86508567 |
Болт шестигранный M 5 X 45 8.8PL |
BOLT HEX M 5 X 45 8.8PL |
6 |
|
5 |
86050296 |
Установочный винт с шестигран. головкой M8 X 8 PL |
SETSCREW HEXSCKTCUP M8 X 8 PL |
3 |
|
6 |
86011983 |
Приводной рычаг регулятора расхода |
DRIVE LINK FLOW CONTROL |
3 |
|
7 |
9672950 |
Сферический шарнир |
JOINT-BALL, FLOW CONTROL CABLE, IMPL VALVE |
3 |
|
8 |
2747 |
Накладка соединительная, нейлоновая, регулируемая |
STRAP-TIE, NYLON, 4.00in ADJUSTABLE |
5 |
|
9 |
86029293 |
Кронштейн упора рычага |
BRACKET LEVER STOP |
3 |
|
10 |
86507068 |
Болт шестигранный USR M 5 X 12 PL |
BOLT HEX FLG USR M 5 X 12 PL |
3 |
|
11 |
V109286 |
Пластина 14х39х2мм |
PLATE -TROTTLE MOUNT (Steel) 14mm x 39mm x 2mm |
3 |
|
12 |
V109287 |
Изолятор |
ISOLATOR, CONTROL CABLE MOUNTING |
3 |
|
13 |
86012692 |
Защитный рукав, ширина 42.5мм, длина 2000мм, нейлон |
SLEEVE-NYLON, PROTECTIVE Wth-42.5mm Lth-2000mm |
1 |
86011689
86011688
|
05J01 Гидрораспределитель в сборе | ||||
|
Поз |
Чертежный номер |
Наименование |
Descriptionl |
Кол- во |
|
1 |
86012576 |
Гидрораспределитель, 5 секций |
VALVE ASSY, IMPLEMENT 5 SECTION |
1 |
|
1 |
86012578 |
Гидрораспределитель, 4 секции |
VALVE -HYDRAULIC IMPLEMENT, 4 SECTION CNH-Blue |
1 |
|
1A |
9672602 |
Крышка |
COVER |
1 |
|
3 |
86001178 |
Муфта |
BODY FLOAT ASSY LOBOY |
3 |
|
4 |
V106713 |
Корпус |
BODY - FLOAT, HYDRAULIC VALVE Assy L4WD |
1 |
|
5 |
86000623 |
Крышка |
COVER, END |
1 |
|
5 |
9861130 |
Крышка секции гидрораспределителя |
SECTION - END, REMOTE OUTLET, HYDRAULIC VALVE |
1 |
|
6 |
86534289 |
Соединительная штанга |
STUD - VALVE SECTION |
3 |
|
6 |
86534291 |
Болт |
STUD |
3 |
|
7 |
80680 |
Шайба 0.375", Pl |
WASHER-LOCK 0.375in Pl |
6 |
|
8 |
9628503 |
Гайка 0.375NC GR-5 Pl |
NUT - HEX 0.375NC GR-5 Pl |
6 |
|
9 |
164380 |
Кольцо уплотнительное NBR70 ID- |
O-RING NBR70 ID-0.924 X 0.103 |
10 |
|
05J01 Гидрораспределитель в сборе | ||||
|
Поз |
Чертежный номер |
Наименование |
Descriptionl |
Кол- во |
|
0.924 X 0.103 | ||||
|
9 |
164380 |
Кольцо уплотнительное NBR70 ID-0.924 X 0.103 |
O-RING NBR70 ID-0.924 X 0.103 |
12 |
|
10 |
86503302 |
Кольцо уплотнительное вн. O 0.984 X толщина 0.139 |
O RING 0.984 IDX0.139 THK BU |
5 |
|
10 |
86503302 |
Кольцо уплотнительное вн. O 0.984 X толщина 0.139 |
O RING 0.984 IDX0.139 THK BU |
6 |
|
11 |
86503303 |
Кольцо уплотнительное вн. O 0.734 X толщина 0.139 |
O RING 0.734 IDX0.139 THK BU |
5 |
|
11 |
86503303 |
Кольцо уплотнительное вн. O 0.734 X толщина 0.139 |
O RING 0.734 IDX0.139 THK BU |
6 |
|
12 |
86500457 |
Уплотнительное кольцо распределителя |
SHIM-FLOAT SECTION, RMT CONTROL VALVE |
15 |
|
12 |
86500457 |
Уплотнительное кольцо распределителя |
SHIM-FLOAT SECTION, RMT CONTROL VALVE |
18 |
|
13 |
86001526 |
Блокировка муфты сцепления |
BODY LOCKOUT ASSY FLOAT |
1 |
|
14 |
86534288 |
Болт |
KIT - TIE BOLT, HYDRAULIC VALVES |
1 |
|
15 |
86534290 |
Набор соединительных болтов |
KIT - STUD TIE BOLT, 5-Section IMPLEMENT VALVE ASSY |
1 |
|
05J02 Клапан дросселирующий, 2-4 золотниковый | ||||
|
Поз |
Чертежный номер |
Наименование |
Descriptionl |
Кол- во |
|
1 |
86001178 |
Муфта |
BODY FLOAT ASSY LOBOY |
1 |
|
1A |
NSS |
Отдельно не продается |
Not Sold Separately |
1 |
|
2 |
86019463 |
Корпус первичный |
HOUSING - PRIMARY Assy, BODY LOCKOUT / FLOAT Assy |
1 |
|
2A |
9673142 |
Кольцо уплотнительное |
O RING |
1 |
|
2B |
9673141 |
Кольцо уплотнительное |
O RING |
1 |
|
2C |
165202 |
Кольцо уплотнительное вн. O 0.351 X толщина 0.072 |
O RING 0.351 IDX0.072 THK BUNA |
1 |
|
2D |
86021544 |
Кольцо запасное гидроклапана Id-0.265in |
RING-BACKUP, Id-0.265in, HYDRAULIC VALVE FLOAT ASSY |
1 |
|
2E |
86021543 |
Кольцо запасное гидроклапана Id-0.234in |
RING-BACKUP, Id-0.234in, HYDRAULIC VALVE FLOAT ASSY |
1 |
|
3 |
9672608 |
Шарик |
BALL-SEAT, SHUTTLE PLUG ASSY, HYDRAULIC VALVE |
1 |
|
4 |
86018333 |
Клапан с седлом в сборе |
SEAT - SHUTTLE PLUG, BODY LOCKOUT Assy |
1 |
|
4A |
9673139 |
Кольцо уплотнительное пробкового крана |
O RING PLUG VALVE FLOAT ASSY |
1 |
|
05J02 Клапан дросселирующий, 2-4 золотниковый | ||||
|
Поз |
Чертежный номер |
Наименование |
Descriptionl |
Кол- во |
|
4B |
86513328 |
Кольцо уплотнительное вн. O 0.301 X толщина 0.064 |
O-RING 0.301IDX0.064THK J515T1 |
1 |
|
5 |
NSS |
Отдельно не продается |
Not Sold Separately |
1 |
|
6 |
NSS |
Отдельно не продается |
Not Sold Separately |
1 |
|
7 |
122057 |
Кольцо уплотнительное 116 70 NBR |
O-RING, Duro-90 Id-0.737in Thk-0.103in |
2 |
|
8 |
V84260 |
Уплотнительное кольцо, внут.диам.1.250'' толщина 0.06'' |
O-RING Nitrile, ID-1.250 Thk-0.06 |
1 |
|
9 |
86500473 |
Тарелка пружины |
SPRING - RETAINER SPOOL, BODY FLOAT Assy |
2 |
|
10 |
86500469 |
Упор золотника |
SPACER - DETENT SPOOL, BODY LOCKOUT / FLOAT Assy |
1 |
|
11 |
86500470 |
Шток |
COUPLING - PIVOT DETENT, BODY LOCKOUT / FLOAT Assy |
1 |
|
12 |
86500474 |
Пружина |
SPRING - DETENT SPOOL, BODY LOCKOUT / FLOAT Assy |
1 |
|
13 |
86001180 |
Ось |
SHAFT,DETENTED PIVOTED |
1 |
|
14 |
49886 |
Кольцо уплотнительное 0.239 IDX0.070 THK BU |
O'RING, Id-0.239in Thk-0.070in |
2 |
|
15 |
86508425 |
Шайба 0.25 x 0.375 x 0.625 Pl |
WASHER - PLAIN, 0.25 x 0.375 x 0.625 Pl |
3 |
|
16 |
84070 |
Болт 1/4"-20x1" |
Screw, Cap, HS 1/4"-20 x 1", Start Year: 01/01/1984 |
3 |
|
17 |
86500471 |
Корпус гидроклапана |
HOUSING - DETENT, FLOAT BODY, HYDRAULIC VALVE Assy |
1 |
|
18 |
9704184 |
Шайба направляющая |
WASHER-GUIDE, FLOAT DETENT ASSY, CONTROL VALVE |
1 |
|
19 |
9625595 |
Подшипник шариковый |
BALL-HYD R/CONTROL VALVE DETENT |
8 |
|
20 |
9673133 |
Кольцо опорное |
O-RING SEAL, DETANT SHAFT ASSY |
1 |
|
21 |
274727 |
Уплотнительное кольцо, внут.диам.1.926'' толщина 0.070'' |
O-RING, .926" ID X .070" THK |
1 |
|
21 |
V84143 |
Уплотнительное кольцо, внут.диам.0.926'' толщина 0.070'' |
O-RING - NITRILE, ID-0.926in Thk-0.070in |
1 |
|
22 |
9704193 |
Поршень |
PISTON, KICKOUT |
1 |
|
23 |
UNKNOWN |
Главный тормозной цилиндр |
Master Brake Cylinder - See Breakdown This Section 1.5 OD, Years: 01/01/1982-12/31/1984 |
1 |
|
23A |
9672605 |
Кольцо запасное дистанционного вентиля |
RING- BACKUP, (Teflon), REMOTE VALVE |
1 |
|
24 |
9705194 |
Пружина |
SPRING |
1 |
|
25 |
9704186 |
Тарелка пружины |
RETAINER - PISTON |
1 |
|
26 |
129738 |
Кольцо стопорное 1.30 Dia |
Retaining Ring Ext 1.30 Dia |
1 |
|
27 |
86500464 |
Игла |
PIN- GUIDE, FLOW CONTROL TUBE, BODY FLOAT Assy |
1 |
|
28 |
86500476 |
Пружина внутренняя |
SPRING - INNER FLOW CONTROL, BODY LOCKOUT / FLOAT Assy |
1 |
|
29 |
V89382 |
Пружина внешняя |
SPRING - OUTER FLOW CONTROL, BODY LOCKOUT / FLOAT Assy |
1 |
|
05J02 Клапан дросселирующий, 2-4 золотниковый | ||||
|
Поз |
Чертежный номер |
Наименование |
Descriptionl |
Кол- во |
|
30 |
V89384 |
Золотник |
SPOOL |
1 |
|
31 |
86001179 |
Трубка расходомера |
TUBE-FLOW CONTROL |
1 |
|
32 |
NSS |
Отдельно не продается |
Not Sold Separately |
1 |
|
33 |
V87913 |
Штифт |
PIN - SPRING Locking, FLOW CONTROL -HYDRAULIC VALVE |
1 |
|
34 |
86511345 |
Кольцо уплотнительное Buna-N-70, Id-0.18in Thk-0. |
O-RING Buna-N-70, Id-0.18in Thk-0.7in |
1 |
|
34a |
V89386 |
Кольцо |
RING - BACKUP, FLOW CONTROL Assy, HYD VALVE BODY |
1 |
|
35 |
167269 |
Кольцо уплотнительное вн. O 0.8 X толщина 0.09 N |
O RING 0.80 IDX0.09 THK NITR |
1 |
|
36 |
86500461 |
Пробка |
PLUG - FLOW CONTROL, HYDRAULIC VALVE Assy |
1 |
|
37 |
87455 |
Штифт 11/8"x1" |
Pin, Roll, 1/8" x 1", Start Year: 01/01/1986 |
1 |
|
38 |
PL |
Топливный цилиндр |
Purchase Locally - Part Not Sold Seperately |
1 |
КП
— 40
w6713
|
05J03 Клапан дросселирующий электромагнитный | ||||
|
Поз |
Чертежный номер |
Наименование |
Descriptionl |
Кол- во |
|
1 |
V106713 |
Корпус |
BODY - FLOAT, HYDRAULIC VALVE Assy L4WD |
1 |
|
1A |
NSS |
Отдельно не продается |
Not Sold Separately |
1 |
|
2 |
90362 |
Корпус затвора |
Housing, Primary Shuttle |
1 |
|
3 |
9672608 |
Шарик |
BALL-SEAT, SHUTTLE PLUG ASSY, HYDRAULIC VALVE |
1 |
|
4 |
86018333 |
Клапан с седлом в сборе |
SEAT - SHUTTLE PLUG, BODY LOCKOUT Assy |
1 |
|
4A |
9673139 |
Кольцо уплотнительное пробкового крана |
O RING PLUG VALVE FLOAT ASSY |
1 |
|
4B |
86513328 |
Кольцо уплотнительное вн. O 0.301 X толщина 0.064 |
O-RING 0.301IDX0.064THK J515T1 |
1 |
|
5 |
NSS |
Отдельно не продается |
Not Sold Separately |
5 |
|
6 |
NSS |
Отдельно не продается |
Not Sold Separately |
1 |
|
7 |
NSS |
Отдельно не продается |
Not Sold Separately |
2 |
|
8 |
NSS |
Отдельно не продается |
Not Sold Separately |
1 |
|
9 |
86508737 |
Пробка 7/8 - 14unf |
PLUG - Hex Socket Orb, 7/8 - 14unf |
1 |
|
05J03 Клапан дросселирующий электромагнитный | ||||
|
Поз |
Чертежный номер |
Наименование |
Descriptionl |
Кол- во |
|
10 |
9672549 |
Кольцо 120 |
O-RING,-120, NBR, 70 DURO |
1 |
|
11 |
86001541 |
Шток |
COUPLING |
1 |
|
12 |
49894 |
Стопорное кольцо диам.0.625'' |
Ring, Snap, Int, .625" |
1 |
|
13 |
V90357 |
Шайба |
WASHER |
1 |
|
14 |
V90354 |
Шайба |
WASHER |
1 |
|
15 |
V107230 |
Поршень |
PISTON |
1 |
|
16 |
V90356 |
Корпус катушки клапана |
HOUSING - SOLENOID, IMPLEMENT VALVE |
1 |
|
17 |
86613 |
Болт 1/4''-20x3-1/2'' |
Screw, Cap, HS, 1/4"-20 x 3-1/2" |
3 |
|
18 |
86001183 |
Клапан электрический распределителя |
ELECTRIC VALVE |
2 |
|
19 |
9704233 |
Болт |
SCREW |
8 |
|
20 |
V84260 |
Уплотнительное кольцо, внут.диам.1.250'' толщина 0.06'' |
O-RING Nitrile, ID-1.250 Thk-0.06 |
1 |
|
21 |
86001181 |
Тарелка пружины |
RETAINER,SPRING |
2 |
|
22 |
V90345 |
Шток |
COUPLING |
1 |
|
23 |
V90347 |
Пружина |
SPRING |
1 |
|
24 |
V90348 |
Пружина |
SPRING |
1 |
|
25 |
V90349 |
Фиксатор |
RETAINER |
1 |
|
26 |
V90350 |
Колпачок |
HOUSING |
1 |
|
27 |
84070 |
Болт 1/4''-20x1'' |
Screw, Cap, HS 1/4"-20 x 1", Start Year: 01/01/1984 |
2 |
|
28 |
86500464 |
Игла |
PIN- GUIDE, FLOW CONTROL TUBE, BODY FLOAT Assy |
1 |
|
29 |
V89382 |
Пружина внешняя |
SPRING - OUTER FLOW CONTROL, BODY LOCKOUT / FLOAT Assy |
1 |
|
30 |
V89382 |
Пружина внешняя |
SPRING - OUTER FLOW CONTROL, BODY LOCKOUT / FLOAT Assy |
1 |
|
31 |
V89384 |
Золотник |
SPOOL |
1 |
|
32 |
86001179 |
Трубка расходомера |
TUBE-FLOW CONTROL |
1 |
|
33 |
NSS |
Отдельно не продается |
Not Sold Separately |
1 |
|
34 |
V87913 |
Штифт |
PIN - SPRING Locking, FLOW CONTROL -HYDRAULIC VALVE |
1 |
|
35 |
86511345 |
Кольцо уплотнительное Buna-N-70, Id-0.18in Thk-0. |
O-RING Buna-N-70, Id-0.18in Thk-0.7in |
1 |
|
35a |
V89386 |
Кольцо |
RING - BACKUP, FLOW CONTROL Assy, HYD VALVE BODY |
1 |
|
36 |
167269 |
Кольцо уплотнительное вн. O 0.8 X толщина 0.09 N |
O RING 0.80 IDX0.09 THK NITR |
1 |
|
37 |
86500461 |
Пробка |
PLUG - FLOW CONTROL, HYDRAULIC VALVE Assy |
1 |
|
38 |
87455 |
Штифт 11/8''x1'' |
Pin, Roll, 1/8" x 1", Start Year: 01/01/1986 |
1 |
|
39 |
V92558 |
Уплотнение |
KIT - SEAL, SOLENOID BODY, HYDRAULIC VALVE ASSY |
1 |
|
40 |
V92555 |
Уплотнение |
KIT - SEAL, FLOAT DETENTION POSITION, VALVE BODY |
1 |
|
41 |
V92554 |
Комплект уплотнительный |
SEAL KIT |
1 |
|
05J04 Блокировка и затвор в сборе | ||||
|
Поз |
Чертежный номер |
Наименование |
Descriptionl |
Кол- во |
|
1 |
86001526 |
Блокировка муфты сцепления |
BODY LOCKOUT ASSY FLOAT |
1 |
|
2 |
NSS |
Отдельно не продается |
Not Sold Separately |
1 |
|
3 |
86019463 |
Корпус первичный |
HOUSING - PRIMARY Assy, BODY LOCKOUT / FLOAT Assy |
1 |
|
3A |
9673142 |
Кольцо уплотнительное |
O RING |
1 |
|
3B |
9673141 |
Кольцо уплотнительное |
O RING |
1 |
|
3C |
165202 |
Кольцо уплотнительное вн. O 0.351 X толщина 0.072 |
O RING 0.351 IDX0.072 THK BUNA |
1 |
|
4 |
9672608 |
Шарик |
BALL-SEAT, SHUTTLE PLUG ASSY, HYDRAULIC VALVE |
1 |
|
5 |
86018333 |
Клапан с седлом в сборе |
SEAT - SHUTTLE PLUG, BODY LOCKOUT Assy |
1 |
|
05J04 Блокировка и затвор в сборе | ||||
|
Поз |
Чертежный номер |
Наименование |
Descriptionl |
Кол- во |
|
5A |
9673139 |
Кольцо уплотнительное пробкового крана |
O RING PLUG VALVE FLOAT ASSY |
1 |
|
5B |
128825 |
Кольцо уплотнительное 0.644 IDX0.087 THK BUNA |
O-RING Buna, Id-0.644 Thk-0.087 |
1 |
|
5C |
86021542 |
Опорное кольцо диам.внут.0.202'' |
RING-BACKUP, Id-0.202in, HYDRAULIC VALVE FLOAT ASSY |
1 |
|
6 |
NSS |
Отдельно не продается |
Not Sold Separately |
1 |
|
7 |
NSS |
Отдельно не продается |
Not Sold Separately |
1 |
|
8 |
122057 |
Кольцо уплотнительное 116 70 NBR |
O-RING, Duro-90 Id-0.737in Thk-0.103in |
2 |
|
9 |
V84260 |
Уплотнительное кольцо, внут.диам.1.250'' толщина 0.06'' |
O-RING Nitrile, ID-1.250 Thk-0.06 |
1 |
|
10 |
86500473 |
Тарелка пружины |
SPRING - RETAINER SPOOL, BODY FLOAT Assy |
2 |
|
11 |
86500469 |
Упор золотника |
SPACER - DETENT SPOOL, BODY LOCKOUT / FLOAT Assy |
1 |
|
12 |
86500470 |
Шток |
COUPLING - PIVOT DETENT, BODY LOCKOUT / FLOAT Assy |
1 |
|
13 |
86500474 |
Пружина |
SPRING - DETENT SPOOL, BODY LOCKOUT / FLOAT Assy |
1 |
|
14 |
134373 |
Кольцо уплотнительное 1/16 X 1 1/8 |
O-RING Id-1.125in Thk-0.0625in |
1 |
|
15 |
86500453 |
Клапан в сборе |
POPPET Assy - BODY LOCKOUT Assy |
1 |
|
16 |
86500471 |
Корпус гидроклапана |
HOUSING - DETENT, FLOAT BODY, HYDRAULIC VALVE Assy |
1 |
|
17 |
49886 |
Кольцо уплотнительное 0.239 IDX0.070 THK BU |
O'RING, Id-0.239in Thk-0.070in |
2 |
|
18 |
86508425 |
Шайба 0.25 x 0.375 x 0.625 Pl |
WASHER - PLAIN, 0.25 x 0.375 x 0.625 Pl |
3 |
|
19 |
84070 |
Болт 1/4"-20x1" |
Screw, Cap, HS 1/4"-20 x 1", Start Year: 01/01/1984 |
3 |
|
20 |
86001180 |
Ось |
SHAFT,DETENTED PIVOTED |
1 |
|
21 |
NSS |
Отдельно не продается |
Not Sold Separately |
1 |
|
22 |
NSS |
Отдельно не продается |
Not Sold Separately |
AR |
|
23 |
NSS |
Отдельно не продается |
Not Sold Separately |
1 |
|
24 |
NSS |
Отдельно не продается |
Not Sold Separately |
1 |
|
25 |
NSS |
Отдельно не продается |
Not Sold Separately |
1 |
|
26 |
NSS |
Отдельно не продается |
Not Sold Separately |
1 |
|
27 |
NSS |
Отдельно не продается |
Not Sold Separately |
1 |
|
28 |
NSS |
Отдельно не продается |
Not Sold Separately |
1 |
|
29 |
NSS |
Отдельно не продается |
Not Sold Separately |
1 |
|
30 |
86500479 |
Штифт |
PIN,GUIDE |
1 |
|
31 |
V89382 |
Пружина внешняя |
SPRING - OUTER FLOW CONTROL, BODY LOCKOUT / FLOAT Assy |
1 |
|
32 |
V89382 |
Пружина внешняя |
SPRING - OUTER FLOW CONTROL, BODY LOCKOUT / FLOAT Assy |
1 |
|
33 |
86500463 |
Золотник |
SPOOL - FLOW CONTROL, HYDRAULIC VALVE ASSY |
1 |
|
34 |
9704181 |
Трубка регулятора расхода |
TUBE - FLOW CONTROL |
1 |
|
35 |
NSS |
Отдельно не продается |
Not Sold Separately |
1 |
|
36 |
V87913 |
Штифт |
PIN - SPRING Locking, FLOW CONTROL - |
1 |
|
05J04 Блокировка и затвор в сборе | ||||
|
Поз |
Чертежный номер |
Наименование |
Descriptionl |
Кол- во |
|
HYDRAULIC VALVE | ||||
|
37 |
86511345 |
Кольцо уплотнительное Buna-N-70, Id-0.18in Thk-0. |
O-RING Buna-N-70, Id-0.18in Thk-0.7in |
1 |
|
37a |
V89386 |
Кольцо |
RING - BACKUP, FLOW CONTROL Assy, HYD VALVE BODY |
1 |
|
38 |
167269 |
Кольцо уплотнительное вн. O 0.8 X толщина 0.09 N |
O RING 0.80 IDX0.09 THK NITR |
1 |
|
39 |
86500461 |
Пробка |
PLUG - FLOW CONTROL, HYDRAULIC VALVE Assy |
1 |
|
40 |
87455 |
Штифт 11/8"x1" |
Pin, Roll, 1/8" x 1", Start Year: 01/01/1986 |
1 |
|
05K02 Приоритетный клапан рулевого управления | ||||
|
Поз |
Чертежный номер |
Наименование |
Descriptionl |
Кол- во |
|
1 |
86014298 |
Клапан рулевого управления приоритетный |
VALVE PRIORITY STEERING |
1 |
|
2 |
NS |
Левая боковина в сборе |
Side Assembly - L.H., Years: 01/01/1981-12/31/1984 |
1 |
|
3 |
86012429 |
Уплотнительное кольцо гидроклапана |
O-RING, HYDRAULIC PRIORITY STEERING VALVE |
2 |
|
4 |
86012430 |
Пробка |
PLUG |
1 |
|
5 |
86503098 |
Дроссель |
ORIFICE |
1 |
|
6 |
NS |
Левая боковина в сборе |
Side Assembly - L.H., Years: 01/01/1981-12/31/1984 |
1 |
|
7 |
86503099 |
Дроссель |
ORIFICE |
1 |
|
8 |
86012425 |
Пружина |
SPRING |
1 |
|
9 |
86012428 |
Пробка |
PLUG |
1 |
|
10 |
86014441 |
Штуцер |
KIT - CARTRIDGE, HYDRAULIC PRIORITY VALVE |
1 |
|
11 |
86012427 |
Уплотнительное кольцо гидроклапана |
O RING - CARTRIDGE, HYDRAULIC PRIORITY VALVE |
1 |
|
05K03 Приоритетный клапан навесного оборудования | ||||
|
Поз |
Чертежный номер |
Наименование |
Descriptionl |
Кол- во |
|
1 |
86014299 |
Клапан распределителя навесного оборудов приоритет |
VALVE PRIORITY IMPLEMENT |
1 |
|
2 |
NSS |
Отдельно не продается |
Not Sold Separately |
1 |
|
3 |
86012429 |
Уплотнительное кольцо гидроклапана |
O-RING, HYDRAULIC PRIORITY STEERING VALVE |
1 |
|
4 |
86012430 |
Пробка |
PLUG |
1 |
|
5 |
NSS |
Отдельно не продается |
Not Sold Separately |
1 |
|
6 |
86012425 |
Пружина |
SPRING |
1 |
|
7 |
86012428 |
Пробка |
PLUG |
1 |
|
8 |
86012427 |
Уплотнительное кольцо гидроклапана |
O RING - CARTRIDGE, HYDRAULIC PRIORITY VALVE |
1 |
|
9 |
86014440 |
Штуцер |
KIT - CARTRIDGE, PRIORITY VALVE |
1 |
|
05K04 Клапан соединительный | ||||
|
Поз |
Чертежный номер |
Наименование |
Descriptionl |
Кол- во |
|
1 |
86020858 |
Клапан соединительный |
VALVE COMBINATION |
1 |
|
2 |
NSS |
Отдельно не продается |
Not Sold Separately |
1 |
|
3 |
86021350 |
Клапан |
VALVE, REST. |
1 |
|
4 |
86021329 |
Уплотнение |
KIT - SEALS, HYDRAULIC COMBINATION VALVE |
AR |
|
4 |
86511440 |
Комплект уплотнительный |
SEAL KIT |
AR |
|
5 |
86021328 |
Штуцер |
CARTRIDGE-RELIEF, HYDRAULIC COMBINATION VALVE |
1 |
|
6 |
86000583 |
Набор уплотнений гидроклапанов механизма отбора мо |
KIT - SEAL Hydraforce, HYDRAULIC P.T.O. VALVE |
AR |
|
7 |
86021326 |
Штуцер |
CARTRIDGE - PO, HYDRAULIC COMBINATION VALVE. |
1 |
|
05L01 Клапан механизма отбора мощности | ||||
|
Поз |
Чертежный номер |
Наименование |
Descriptionl |
Кол- во |
|
1 |
86000291 |
Клапан механизма отбора мощности |
VALVE, PTO. |
1 |
|
2 |
86000592 |
Штуцер |
CARTRIDGE |
1 |
|
3 |
86000593 |
Штуцер |
CARTRIDGE |
1 |
|
4 |
86000594 |
Катушка в сборе |
COIL ASSEMBLY |
1 |
|
5 |
86000582 |
Набор уплотнений гидроклапанов механизма отбора мо |
KIT - SEAL Hydraforce, HYDRAULIC P.T.O. VALVE |
AR |
|
6 |
86000583 |
Набор уплотнений гидроклапанов механизма отбора мо |
KIT - SEAL Hydraforce, HYDRAULIC P.T.O. VALVE |
AR |
|
7 |
9827059 |
Кольцо уплотнительное вн. O 0.551 X толщина 0.07 |
O RING .551 ID X .070 THK |
1 |
11А01 Маршрут переднего жгута, Model:2335 Универсальный полноприводный трактор - красный(12/02 -)

|
11A01 Маршрут переднего жгута | ||||
|
Поз |
Чертежный номер |
Наименование |
Descriptionl |
Кол- во |
|
1 |
9821300 |
Кронштейн звукового сигнала в сборе |
HORN AND BRKT ASSY LOW PITCH |
1 |
|
2 |
9707427 |
Фара рабочая 3х5 левая |
LAMP WORK ASSY 3X5 LH |
2 |
|
3 |
9707428 |
Фара рабочая 3х5 правая |
LAMP WORK ASSY 3X5 RH |
2 |
|
4 |
86018955 |
Датчик уровня охлаждающей жидкости |
SENSOR - COOLANT LEVEL, (4 Prong) |
1 |
|
4 |
86031593 |
Датчик уровня охлаждающей жидкости |
SENSOR - COOLANT LEVEL |
1 |
|
4 |
9706428 |
Датчик уровня охлаждающей жидкости 3/8-16Ptf |
SENSOR - COOLANT LEVEL 3/8-16Ptf (2 Prong), RADIATOR |
1 |
|
11A01 Маршрут переднего жгута | ||||
|
Поз |
Чертежный номер |
Наименование |
Descriptionl |
Кол- во |
|
5 |
9673053 |
Датчик магнитный |
MAGNETIC SENSOR ASSY |
1 |
|
6 |
9706418 |
Фара рабочая 4х6 |
LAMP WORK ASSY 4X6 |
2 |
|
7 |
9672944 |
Переключатель температуры 210 F |
SWITCH TEMP 210 DEG F |
1 |
|
8 |
V103356 |
Датчик разряжения |
SWITCH, VACUUM AIR INTAKE |
1 |
|
9 |
86013882 |
Жгут, двигатель N11 и 8.3 ltr |
HARNESS - ELECTRICAL ASSY, ENGINE M-11 & 8.3 ltr |
1 |
|
9 |
86018854 |
Жгут, двигатель N14 |
HARNESS - ELECTRICAL ASSY, ENGINE N14 |
1 |
|
9 |
86029887 |
Жгут проводов двигателя QSM11 |
WIRE HARNESS ASSY ENGINE QSM11 |
1 |
|
10 |
86511479 |
Болт шестигранный FLG USR M 8 X 20 PL |
BOLT HEX FLG USR M 8 X 20 PL |
8 |
|
12 |
9707484 |
Переключатель - давление Nc 300/200 Psig L4WD |
SWITCH-PRESSURE Nc 300/200 Psig L4WD |
1 |
|
13 |
9707483 |
Переключатель, давление 40/4PSI |
SWITCH PRESSURE NO 40/4 PSI |
1 |
|
14 |
86501123 |
Крепление фонаря |
BRACKET WORK LAMP |
4 |
|
15 |
86501124 |
Зажим крепления фонаря |
CLAMP WORK LAMP BKT |
4 |
|
16 |
86511954 |
Хомут 1 1/16 |
P CLIP, COATED 1 1/16DIA |
3 |
|
17 |
9840672 |
Болт M10x1.50x30 |
CAPSCREW - HexHead Flanged, USR M10 1.50 x 30 |
2 |
|
18 |
86050279 |
Гайка шестигранная M10 класс 10 PL |
NUT HEX FLG M10 CLASS 10 PL |
2 |
|
19 |
86050307 |
Р-образный зажим с покрытием o 0,75 двойной |
P CLIP COATED 0.750 DIA DBL |
2 |
|
20 |
86511953 |
Болт шестигранный FLG USR M 6 X 25 PL |
BOLT HEX FLG USR M 6 X 25 PL |
2 |
|
21 |
86012004 |
Гайка М6 |
WELL NUT M6 |
2 |
|
22 |
9706732 |
Хомут 3/4'' |
CLAMP, WIRE |
1 |
|
23 |
86507066 |
Гайка шестигранная FLG M8 класс 10 PL |
NUT HEX FLG M8 CLASS 10 PL |
9 |
|
24 |
9672530 |
Хомут 0.50'' |
P-CLIP, COATED 0.50 DIA |
1 |
|
25 |
9843767 |
Реле пуска 75 А |
START RELAY 75A |
1 |
|
27 |
86511481 |
Болт шестигранный FLG M 8 X 50 8.8PL |
BOLT HEX FLG M 8 X 50 8.8PL |
4 |
|
28 |
86505868 |
Гайка шестигранная USR M 8 PL |
NUT HEX FLG USR M 8 PL |
4 |
|
29 |
86050266 |
Хомут 3/8 |
P CLIP, COATED 3/8 DIA |
1 |
|
30 |
43730 |
Шайба М8 |
WASHER - LOCK EXTERNAL TOOTH, M8 |
1 |
|
31 |
86507528 |
Фонарь 50Вт, 3х5 |
LAMP |
1 |
|
32 |
V33721 |
Хомут 7/8'' |
P-CLIP COATED 7/8 DIA |
1 |
|
33 |
V20399 |
Фитинг 3/8NPTx1/4FNPT |
BUSHING, 3/8NPTx1/4FNPT |
1 |
|
11A02 Электрооборудование за; |
дней части рамы | |||
|
Поз |
Чертежный номер |
Наименование |
Descriptionl |
Кол- во |
|
1 |
86029232 |
Фонарь стоп-сигнала |
LAMP TAIL & STOP & TURN SIGNAL |
2 |
|
2 |
86537133 |
Лампа - 157 12 В, задний фонарь |
Bulb - Light, #1157 12V , Tail Lamp |
2 |
|
3 |
9706418 |
Фара рабочая 4х6 |
LAMP WORK ASSY 4X6 |
4 |
|
4 |
9673053 |
Датчик магнитный |
MAGNETIC SENSOR ASSY |
1 |
|
5 |
9707263 |
Датчик уровня топлива |
SENSOR FUEL LEVEL |
1 |
|
6 |
86018945 |
Жгут задней рамы |
WIRE HARNESS ASSY, REAR FRAME |
1 |
|
7 |
9705767 |
Переключатель - давление, трансмиссия 3 PSI |
SWITCH-PRESSURE, TRANSMISSION 3 PSI |
1 |
|
8 |
9790711 |
Рукав 1/4''x400 100R1 |
HOSE ASSEMBLY, 1/4x400 100R1 |
1 |
|
9 |
86000588 |
Кронштейн заднего щитка |
BRACKET REAR FENDER |
2 |
|
10 |
9844764 |
Шайба диам.внут.13.34, наруж.34.93, толщина 3.18мм, нейлон |
WASHER-NYLON ID-13.34mm OD-34.93mm Thk-3.18mm |
4 |
|
11 |
86050202 |
Зажим 2.5 |
CLAMP HOSE 2.5 |
6 |
|
12 |
86000005 |
Фиксатор жгута |
COVE - WIRING REAR FENDER |
2 |
|
13 |
86050251 |
Болт M4 x 25 |
SCREW - MACHINE Slt PanHead, M4 x 25 |
4 |
|
11A02 Электрооборудование за; |
дней части рамы | |||
|
Поз |
Чертежный номер |
Наименование |
Descriptionl |
Кол- во |
|
14 |
86050246 |
Гайка шестигранная M4 GR5 PL |
NUT HEX FLG M4 GR5 PL |
8 |
|
15 |
86505868 |
Гайка шестигранная USR M 8 PL |
NUT HEX FLG USR M 8 PL |
3 |
|
16 |
9671714 |
Болт шестигранный FLG M 8 X 25 8.8PL |
CAPSCREW - HexHead Flange 8.8Pl M8 x 25 |
2 |
|
17 |
43775 |
Болт M12x20 Cl-8.8 |
CAPSCREW - HexHead, M12 x 20 Cl-8.8 Pl |
1 |
|
18 |
86050267 |
Р-образный зажим с покрытием o 3/8 |
P CLIP COATED 3/8 DIA |
2 |
|
19 |
9706732 |
Хомут 3/4'' |
CLAMP, WIRE |
1 |
|
20 |
43730 |
Шайба М8 |
WASHER - LOCK EXTERNAL TOOTH, M8 |
1 |
|
21 |
86001153 |
Светорассеиватель |
LENS - ACRYLIC Red, TAIL LAMP Wth-2.62in Lth-7.50in |
2 |
|
22 |
86001161 |
Уплотнение |
GASKET |
2 |
|
23 |
9638005 |
Гайка |
NUT |
2 |
|
24 |
80679 |
Шайба 0.5 PL |
Washer Lock 0.50 Pl |
2 |
|
25 |
86001166 |
Сальник датчика уровня топлива L4WD |
GASKET - FUEL LINE SENSOR UNIT L4WD |
1 |
|
26 |
86001165 |
Болт HD 10 - 32x1 |
SCREW, BRS, PHIL.5, PAN HD 10 -32x1 |
5 |
|
27 |
2747 |
Накладка соединительная, нейлоновая, регулируемая |
STRAP-TIE, NYLON, 4.00in ADJUSTABLE |
5 |
|
28 |
9821509 |
Чехол |
BOOT, RUBBER |
1 |
|
29 |
V60345 |
Раз'ем |
CONNECTOR-MALE in CASE / COVER, TRAILER ELECTRIC |
1 |
|
30 |
V59624 |
Раз'ем |
CONNECTOR - PLUG, 7-PIN, TRAILER |
1 |
|
31 |
86029136 |
Втулка UHMW |
SPACER - UHMW ( Black ), TAIL LIGHT MOUNTING |
2 |
М01Э561
|
11A03 Электрооборудование, пуск и зарядка | ||||
|
Поз |
Чертежный номер |
Наименование |
Descriptionl |
Кол- во |
|
1 |
9707393 |
Крышка батареи WA |
COVER WA BATTERY |
1 |
|
2 |
9704212 |
Аккумуляторный поддон |
TRAY, BATTERY |
1 |
|
3 |
9704213 |
Фиксатор |
CLAMP - BATTERY BASE to BOX, Formed Steel |
2 |
|
4 |
9704214 |
J-болт зажима аккумуляторной батареи Lth-396mm 1 |
J-BOLT, BATTERY CLAMP, Lth-396mm 1/4 - 20unc |
2 |
|
5 |
9673167 |
Замок |
LATCH - COVER, FLIP-OVER LOCK |
1 |
|
6 |
9707429 |
Виниловая панель со стальным каркасом |
TRIM, VINYL FLEXIBLE STEEL CORE |
1 |
|
7 |
9706806 |
Пружина дверная пневматическая |
GAS SPRING DOOR |
1 |
|
8 |
9706807 |
Шаровой палец 13 диам. X M8 |
STUD - BALL Dia-13mm x M8, GAS SPRING MOUNTING |
2 |
|
10 |
9705428 |
Генератор переменного тока 130 А |
ALTERNATOR 130 AMPS |
1 |
|
10 |
9705428R |
Генератор |
ALTERN. REMAN |
1 |
|
11 |
9802163 |
Ось вилки |
SHIELD - TERMINAL, STARTER Assy |
1 |
|
11A03 Электрооборудование, пуск и зарядка | ||||
|
Поз |
Чертежный номер |
Наименование |
Descriptionl |
Кол- во |
|
12 |
86013315 |
Стартер 12В 37MT |
STARTER, MOTOR 12V 37MT |
1 |
|
12 |
9706425 |
Стартер 12В 42MT |
STARTER MOTOR 12V 42MT |
1 |
|
13 |
9706657 |
Кабель батареи соединительный красный |
CABLE BATTERY INTERCONN RED |
1 |
|
14 |
86000488 |
Кабель аккумулятора черный |
CABLE BATTERY START BL |
1 |
|
15 |
9706659 |
Провод |
CABLE, BATTERY STUD RED |
1 |
|
16 |
86000487 |
Жгут аккумулятора, стартера и генератора |
CABLE ASSY BATT START ALT |
1 |
|
17 |
412141 |
Контргайка M10 Cl-8 Pl |
NUT - LOCK Nylon M10 Cl-8 Pl |
2 |
|
18 |
14274 |
Барашковая гайка 0.250nc Gr-2 Pl |
NUT - WING 0.250nc Gr-2 Pl |
2 |
|
19 |
86507068 |
Болт шестигранный USR M 5 X 12 PL |
BOLT HEX FLG USR M 5 X 12 PL |
2 |
|
20 |
43416 |
Гайка M5 |
NUT - HEX Flange USR M-5 Pl |
2 |
|
21 |
86505868 |
Гайка шестигранная USR M 8 PL |
NUT HEX FLG USR M 8 PL |
2 |
|
22 |
9804262 |
Болт M10x30 Cl-8.8 |
CAPSCREW - HexHead Flanged, M10 x 30 Cl-8.8 Pl |
3 |
|
23 |
86050008 |
Фиксатор |
CLIP |
2 |
|
24 |
86050307 |
Р-образный зажим с покрытием o 0,75 двойной |
P CLIP COATED 0.750 DIA DBL |
9 |
|
25 |
274247 |
Болт M10x16 |
CAPSCREW - HexHead Flanged, Usr M10 x 16 Pl |
1 |
|
26 |
9706660 |
Провод, длина 1600мм Ca8 |
CABLE - ELECTRIC STUD, Lth-1600mm Ca8 (Black) Ring Trms |
1 |
|
27 |
9804278 |
Гайка шестигранная M10 x 1.50 Cl-8.0 |
NUT - Hex Flanged M10 x 1.50 Cl-8.0 |
3 |
|
28 |
83925303 |
Стопорная шайба M12 PL |
WASHER LOCK M12 PL |
2 |
|
29 |
86511845 |
Болт шестигранный FLG M10 X 35 8.8PL |
BOLT HEX FLG M10 X 35 8.8PL |
1 |
|
30 |
86050298 |
Стопорная гайка #10 UNF GR5 PL |
NUT JAM #10 UNF GR5 PL |
1 |
|
31 |
86029147 |
Аккумуляторная батарея 31, 625 CCA |
BATTERY, GROUP 31, 625 CCA |
3 |
|
31 |
86029148 |
Батареи аккумуляторные 31 950 CCA |
BATTERY GROUP 31 950 CCA |
3 |
|
32 |
86050349 |
Виниловая прокладка, длина 500мм |
TRIM VINYL STEEL CORE 500MM LG |
1 |
|
33 |
86013677 |
Втулка диам.наруж. 15.9 длина 8.00мм |
SPACER - Steel, Od-15.9 Lth-8.00mm |
1 |
|
34 |
86050286 |
Болт шестигранный FLG HVY M10 X1.5 X 20 |
BOLT HEX FLG HVY M10 X1.5 X 20 |
3 |
|
35 |
9672530 |
Хомут 0.50'' |
P-CLIP, COATED 0.50 DIA |
1 |
|
36 |
86013621 |
Катушка |
MODULE - SOLENOID PULL, IGNITION SYSTEM |
1 |
|
37 |
86013622 |
Жгут катушки, 8.3L |
HARNESS ASSEMBLY- FUEL SOLENOID 8.3L |
1 |
|
38 |
86511912 |
Болт №8 |
SCREW,#8 |
2 |
|
39 |
30575 |
Гайка №8 |
Nut Hex Flg Usr #8 Pl |
2 |
|
40 |
2747 |
Накладка соединительная, нейлоновая, регулируемая |
STRAP-TIE, NYLON, 4.00in ADJUSTABLE |
5 |
|
41 |
86525002 |
Хомут 0.812 |
P CLIP, COATED 0.812DIA |
3 |
|
9707338 |
Фиксатор |
CLIP - RETAINING, GAS SPRING BALL STUD |
2 | |
то
SPEAKER
ТО A.C./HEATER BLOWER MOTOR
TO
SPEAKER
9707086
|
11A04 Электрооборудование крыши кабины | ||||
|
Поз |
Чертежный номер |
Наименование |
Descriptionl |
Кол- во |
|
1 |
9706438 |
Жгут крыши кабины |
HARNESS - ELECTRIC WIRING ASSY, CAB ROOF |
1 |
|
2 |
9846123 |
Лампа - освещения кабины - 12 В, 10 Вт |
Lamp - Cab interior, 12V 10 watt |
1 |
|
3 |
470016 |
Лампа 12В, 10 Вт |
LAMP ASSY 12V 10W |
1 |
|
4 |
9706415 |
ЛАМПА АВАРИЙНАЯ |
АВАРИЙНАЯ ЛАМПА |
4 |
|
5 |
86050228 |
Крепежный винт с плоскоконической головкой M4 X 60 |
SCREW MACH M4 X 60 PAN HEAD PL |
8 |
|
6 |
86001162 |
Светорассеиватель |
LENS-ACRYLIC, AMBER - HAZARD / TURN SIGNAL |
1 |
|
7 |
529068 |
Лампа #1156 12В |
LUMP BULB #1156 12V |
1 |
|
11A04 Электрооборудование крыши кабины | ||||
|
Поз |
Чертежный номер |
Наименование |
Descriptionl |
Кол- во |
|
8 |
NSS |
Отдельно не продается |
Not Sold Separately |
1 |
|
9 |
9628100 |
Гайка М4х0.7 |
NUT - U/CLIP M4 - 0.7 Ph-Pl |
8 |
|
10 |
9821299 |
Переключатель подсветки поручня кабины |
SWITCH-DOOR, CAB COURTESY LAMP |
1 |
|
11 |
86000265 |
Поворотный переключатель, 4 позиции |
SWITCH ROTARY 4 POSITION |
1 |
|
12 |
86000600 |
Клавишный переключатель кондиционера |
SWITCH ROCKER SPST AC |
1 |
|
13 |
43645 |
Болт M4x0.7x12 |
Screw, Flat Hd, CL 4.8, M4 x .7 x 12 |
1 |
|
14 |
86050246 |
Гайка шестигранная M4 GR5 PL |
NUT HEX FLG M4 GR5 PL |
1 |
|
15 |
274247 |
Болт M10x16 |
CAPSCREW - HexHead Flanged, Usr M10 x 16 Pl |
1 |
|
16 |
9672401 |
Шайба Star, Ext, M4 Pl |
WASHER - LOCK, Star Ext M4 Pl |
1 |
31
|
11B01 Жгут кабины | ||||
|
Поз |
Чертежный номер |
Наименование |
Descriptionl |
Кол- во |
|
1 |
9821310 |
Прикуриватель |
LIGHTER ASSY - CIGARETTE |
1 |
|
2 |
86018933 |
Блок предохранителей |
PANEL ASSY, ELECTRICAL FUSE |
1 |
|
3 |
9707365 |
Датчик топлива 240 Ом |
GAUGE FUEL 240 OHM |
1 |
|
4 |
86022026 |
Панель инструментальная |
PANEL-INSTRUMENT, N14-Engine / 12-Spd Synchro & 1402 PwrShift |
1 |
|
5 |
9707239 |
Лампа 12В |
LAMP - REEL ASSEMBLY, 12V |
1 |
|
6 |
86031043 |
Лампа индикаторная |
LAMP INDICATOR |
1 |
|
8 |
86512116 |
Шток выключателя |
SWITCH PLUNGER NC NC |
1 |
|
9 |
86500903 |
Переключатель зажигания в сборе |
IGNITION SWITCH ASSY |
1 |
|
10 |
86000264 |
Поворотный переключатель, 5 позиций |
SWITCH ROTARY 5 POSITION |
1 |
|
11 |
9706832 |
Переключатель 6-ти позиционный L4WD |
SWITCH-ROTARY 6 POSITION L4WD |
1 |
|
11B01 Жгут кабины | ||||
|
Поз |
Чертежный номер |
Наименование |
Descriptionl |
Кол- во |
|
12 |
9845883 |
Переключатель сигнала поворота |
SWITCH - TURN SIGNAL ASSY 12-Volt |
1 |
|
13 |
86020636 |
Жгут кабины главный, L4WD |
HARNESS - ELECTRIC WIRING, CAB MAIN L4WD |
1 |
|
13 |
86029734 |
Жгут кабины главный, L4WD |
HARNESS - ELECTRIC WIRING, CAB MAIN L4WD |
1 |
|
13 |
86031698 |
Жгут проводов |
WHA CAB MAIN |
1 |
|
13 |
86032782 |
Панель предохранителей |
FUSE PANEL ASSEMBLY |
1 |
|
13A |
86019266 |
Жгут проводов кабины |
WIRE - JUMPER, CAB HARNESS |
1 |
|
14 |
9707442 |
Кнопка сброса показаний |
SWITCH - PUSH BUTTON RESET SPST |
1 |
|
15 |
86000542 |
Переключатель заднего стеклоочистителя |
SWITCH ROCKER SPTT WIPER |
1 |
|
16 |
86000536 |
Переключатель переднего стеклоочистителя |
SWITCH ROCKER SPTT WIPER |
1 |
|
17 |
86000537 |
Переключатель стеклоомывателя |
SWITCH ROCKER DPDT WASHER |
1 |
|
18 |
9707504 |
Кольцо уплотнительное |
GROMMET, GAUGE |
1 |
|
19 |
86001635 |
Жгут проводов |
WIRE HARNESS ASSY AUX POWER |
1 |
|
20 |
86525002 |
Хомут 0.812 |
P CLIP, COATED 0.812DIA |
1 |
|
21 |
9671028 |
Хомут 1.50'' |
P-CLIP COATED, TUBE / HOSE Dia-1.500in |
4 |
|
22 |
86507066 |
Гайка шестигранная FLG M8 класс 10 PL |
NUT HEX FLG M8 CLASS 10 PL |
2 |
|
23 |
43416 |
Гайка M5 |
NUT - HEX Flange USR M-5 Pl |
3 |
|
24 |
86000540 |
Переключатель управления механизма отбора мощности |
SWITCH-ROCKER, PTO CONTROL |
1 |
|
25 |
9790709 |
Рукав 0.25''х2040мм 100r1 |
HOSE - HYDRAULIC ASSY, Id-0.25in Lth-2040mm 100r1 |
1 |
|
26 |
86508995 |
Штуцер 7/16MJIC X 1/8FNPT |
CONNECTOR 7/16MJIC X 1/8FNPT |
1 |
|
27 |
86001111 |
Переключатель управления тормозами L4WD |
SWITCH - SINGLE THROW, BRAKE CONTROL L4WD |
1 |
|
28 |
86000169 |
Лампа 12-16В 0.33А |
LAMP - GAUGE LIGHT With Wire & Socket, 12-16 Volt 33amp |
1 |
|
29 |
9845884 |
Кнопка включения подачи эфира |
SWITCH - PUSH BUTTON Assy, ETHER START |
1 |
|
30 |
86511442 |
Болт шестигранный FLG USR M 6 X 20 PL |
BOLT HEX FLG USR M 6 X 20 PL |
2 |
|
31 |
86511444 |
Гайка шестигранная FLG USR M 6 PL |
NUT HEX FLG USR M 6 PL |
2 |
|
32 |
9707048 |
Фиксатор жгута |
COVER - CABLE ACCESS |
1 |
|
33 |
9707049 |
Уплотнение |
SEAL, TOP CABLE ACCESS |
1 |
|
34 |
9707050 |
Уплотнение |
SEAL, BOTTOM CABLE ACCESS |
1 |
|
35 |
104409 |
Гайка M10 x 1.5 |
NUT - U/CLIP, M10 x 15 |
2 |
|
36 |
274251 |
Болт шестигранный FLG USR M10 X 25 PL |
BOLT HEX FLG USR M10 X 25 PL |
2 |
|
37 |
43435 |
Гайка M10 Usr Pl |
NUT - Hex Flange M10 Usr Pl |
2 |
|
38 |
9804265 |
Болт M10x1.5x60 Cl 8.8 |
CAPSCREW - HexHead FLANGE Cl-8.8 M10 x 1.50 x 60 Pl |
2 |
|
39 |
9701475 |
Шайба заклепки диам.внутр.4.0 наруж.7.0 толщина 1.5 ТСК |
WASHER - BACK UP RIVET, 4.0 ID X 7.0 OD X 1.5 TCK |
2 |
|
40 |
9672398 |
Заклепка 30GR №45, 3.2 |
RIVET - BLIND - 30GR # 45 3.2 DIA. |
2 |
|
11B01 Жгут кабины | ||||
|
Поз |
Чертежный номер |
Наименование |
Descriptionl |
Кол- во |
|
41 |
86000377 |
Лампа 12-16В 0.33А №1893 |
LAMP 12-16 Volt 0.33 Amp #1893, CONSOLE ASSY |
1 |
|
42 |
9824331 |
Фиксирующая пружина кнопки контроля радиодиапазона |
CLIP - SPRING, SWITCH CONTROL KNOB RETAINER |
4 |
|
43 |
9848710 |
Кнопка электронного управления панелью приборов |
KNOB ELECTRONIC CONTROL SWITCH |
4 |
|
44 |
86502201 |
Ключ |
KEY |
1 |
|
45 |
86511459 |
Заглушка |
KIT, ACCESSORY IMPLEMENT PLUG |
1 |
|
46 |
86050328 |
Крышка |
COVER, CAP |
1 |
|
47 |
86000539 |
Переключатель блокиратора дифференциала |
SWITCH - ROCKER, DPDT Diff-Lock |
1 |
|
48 |
86000535 |
Переключатель EURO |
SWITCH BLANK EURO |
AR |
|
48 |
86000538 |
Переключатель 3-х точечной навески |
SWITCH, ROCKER DPDT 3PTH |
1 |
|
49 |
86018938 |
Потенциометр |
POTENTIOMETER ENGINE SPEED |
1 |
|
51 |
86019437 |
Переключатель включения/отключения круиз-контроля |
SWITCH INCREMENT&DECREMENT |
1 |
|
52 |
86019436 |
Переключение круиз-контроля |
SWITCH CRUISE CONTROL |
1 |
|
86019084 |
Датчик числа оборотов коленчатого вала |
KIT - SENSOR POTENTIOMETER, ENGINE SPEED |
1 | |
|
9706833 |
Переключатель 4-х позиционный |
SWITCH, TOGGLE 4 WAY |
1 | |
<706426
212
|
11B02 Блок предохранителей в сборе | ||||
|
Поз |
Чертежный номер |
Наименование |
Descriptionl |
Кол- во |
|
1 |
61118 |
Предохранитель 3 А |
FUSE 3AMP |
9 |
|
2 |
9623775 |
Предохранитель 5 А желтокоричневый |
FUSE 5AMP BLADE TAN |
6 |
|
3 |
9811773 |
Предохранитель 10 А красный |
FUSE 10 AMP BLADE RED |
11 |
|
4 |
9623774 |
Предохранитель 15 А синий |
FUSE 15AMP BLADE BLUE |
2 |
|
5 |
9804895 |
Предохранитель 20 А желтый |
FUSE 20AMP BLADE YELLOW |
6 |
|
6 |
9504310 |
Предохранитель 25А |
FUSE, 25 AMP |
7 |
|
7 |
86516011 |
Предохранитель 30А |
FUSE |
2 |
|
8 |
86529089 |
Реле 12В 30А |
RELAY,SPDT |
10 |
|
9 |
86000361 |
Гнездо |
JACK-SHORTING, ELECTRIC FUSE PANEL ASSY L4WD |
1 |
|
10 |
86000362 |
Модуль световой сигнализации |
MODULE FLASHER |
1 |
|
11 |
86000363 |
С'емник для электрических предохранителей L4WD |
PULLER-FUSE ELECRIC, AUTOMOTIVE L4WD |
1 |
|
12 |
86000364 |
Защелка панели электрических предохранителей |
SPACER-SNAP IN, ELECRIC FUSE PANEL ASSY |
1 |
9707081
|
11B07 Электрооборудование АКПП | ||||
|
Поз |
Чертежный номер |
Наименование |
Descriptionl |
Кол- во |
|
1 |
86014227 |
Регулирование смещения трансмиссии |
CONTROL-SHIFT ASSY, (1402 & Genesis) PwrSHIFT TRANS |
1 |
|
1 |
86025247 |
Рычаг управления силовой трансмиссией в сборе 140 |
CONTROL-LEVER ASSY, 1407 PwrShift TRANSMISSION |
1 |
|
2 |
86021751 |
Блок управления 1402 АКПП N14 360hp |
MODULE - CONTROLLER, 1402 PwrSHIFT TRANSMISSION |
1 |
|
2 |
86026516 |
Блок управления 1407 АКПП N14 360hp |
MODULE - CONTROLLER, 1407 PwrSHIFT N14 360hp |
1 |
|
2 |
86026517 |
Блок управления 1407 АКПП 425 / 435 / 485hp |
MODULE - CONTROLLER, 1407 PwrSHIFT 425 / 435 / 485hp |
1 |
|
2 |
86029969 |
Блок управления 1407 АКПП Qsm-11 290/335hp |
MODULE-CONTROLLER, 1407 PwrSHIFT Qsm-11 290/335hp |
1 |
|
2 |
86029971 |
Блок управления 1407 АКПП Qsm-11 375hp |
MODULE-CONTROLLER, 1407 PwrSHIFT Qsm-11 375hp |
1 |
|
3 |
9672977 |
Спидометр |
DISPLAY - ELECTRONIC, GEAR - |
1 |
|
11B07 Электрооборудование АКПП | ||||
|
Поз |
Чертежный номер |
Наименование |
Descriptionl |
Кол- во |
|
TRANSMISSION | ||||
|
4 |
86029726 |
Жгут главный, 1407 КПП |
HARNESS - ELECTRIC WIRING, 1407 TRANS MAIN |
1 |
|
4 |
9706435 |
Жгут главный, 1402 КПП |
HARNESS - ELECTRIC WIRING ASSY, 1402 TRANS MAIN |
1 |
|
5 |
V103528 |
Датчик давления контроллера АКПП |
SWITCH-PRESSURE, POWERSHIFT CONTROLLER |
2 |
|
6 |
V96795 |
Жгут, 1402 АКПП |
HARNESS - ELECTRIC WIRING, 1402 PwrShift TRANSMISSION |
1 |
|
7 |
V20566 |
Кольцо уплотнительное, диам.внут. 1/2 наруж. 2 1/16 толщина 1/8'' |
GROMMET, 1/2IDx1/8GTx2 1/16OD |
1 |
|
8 |
PL |
Топливный цилиндр |
Purchase Locally - Part Not Sold Seperately |
1 |
|
9 |
87362 |
Шайба 0.310 Pl, сталь |
WASHER - Flat Steel, 0.310 Pl |
1 |
|
10 |
523282 |
Гайка 1/4''- 20 Pl |
NUT - HEX Flanged USR 1/4"- 20 Pl |
3 |
|
11 |
86512388 |
Хомут 0.750'' |
P-CLIP COATED, Dia-0.750 |
1 |
|
12 |
2747 |
Накладка соединительная, нейлоновая, регулируемая |
STRAP-TIE, NYLON, 4.00in ADJUSTABLE |
4 |
|
13 |
9706720 |
Реле |
RELAY 30 AMP, MAIN ELECTRICAL DIST PANEL |
1 |
LH SIDE

|
11C01 Набор фар рабочего освещения с креплениями | ||||
|
Поз |
Чертежный номер |
Наименование |
Descriptionl |
Кол- во |
|
1 |
9707427 |
Фара рабочая 3х5 левая |
LAMP WORK ASSY 3X5 LH |
2 |
|
2 |
9707428 |
Фара рабочая 3х5 правая |
LAMP WORK ASSY 3X5 RH |
2 |
|
3 |
86000401 |
Кронштейн |
BRACKET, LIGHT REAR |
2 |
|
4 |
86050303 |
Контргайка M8 |
NUT LOCK HEX FLG STEEL M8 |
6 |
|
5 |
86559050 |
Болт CL8.8 М8х1.25х50 |
PLATE |
4 |
|
6 |
86501124 |
Зажим крепления фонаря |
CLAMP WORK LAMP BKT |
4 |
|
7 |
86014116 |
Кронштейн фонаря |
BRACKET, WORK LIGHT MOUNTING |
2 |
|
8 |
308761 |
Болт CI-8.8PI M8x1.25x25 |
BOLT-CARRIAGE, SqHd Cl-8.8Pl M8 x 1.25 x 25 8.8 |
2 |
|
11D02 Набор габаритных фар | ||||
|
Поз |
Чертежный номер |
Наименование |
Descriptionl |
Кол- во |
|
1 |
86030144 |
Крепление для трубы, левое |
BRACKET TUBE SUPPORT LH |
2 |
|
1 |
86030149 |
Крепление для трубы, правое |
BRACKET TUBE SUPPORT RH |
2 |
|
1 |
9707662 |
Кронштейн, |
BRACKET - TUBE SUPPORT, EXTREMITY LIGHT MOUNT |
2 |
|
2 |
86011090 |
Болт шестигранный FLG M10 X 70 8.8PL |
BOLT HEX FLG M10 X 70 8.8PL |
2 |
|
3 |
43395 |
Контргайка M10 x 1.5 |
Nut, Lock, CL 10, M10 x 1.5 |
2 |
|
4 |
9707663 |
U-образный болт 148x80x54x25 |
U-BOLT, ROUND BEND M8 x 80 x 54 x 25 |
2 |
|
5 |
86505868 |
Гайка шестигранная USR M 8 PL |
NUT HEX FLG USR M 8 PL |
4 |
|
6 |
86001638 |
Жгут выносного фонаря |
HARNESS ASSY, EXTREMITY LIGHT |
1 |
|
7 |
86029308 |
Труба для внешнего крепления маячка |
TUBE OUTER WARNING LAMP SUPT |
2 |
|
11D02 Набор габаритных фар | ||||
|
Поз |
Чертежный номер |
Наименование |
Descriptionl |
Кол- во |
|
8 |
9707661 |
Регулируемая опора сигнальной лампы |
TUBE, ADJUSTABLE WARNING LAMP |
2 |
|
9 |
9804266 |
Болт M12x25 8.8PL |
BOLT, HEX FLG M12x25 8.8PL |
2 |
|
10 |
43436 |
Гайка M12 Usr Pl |
NUT - Hex Flange M12 Usr Pl |
2 |
|
11 |
2748 |
Хомут 185мм |
STRAP-TIE Nylon, Lth-185mm (Black) ADJUSTABLE |
8 |
|
12 |
86012742 |
Маяк проблесковый |
LAMP WARNING AMBER |
1 |
|
13 |
V86061 |
Раз'ем |
CONN HSG WIRE PIN 1 CKT |
1 |
|
14 |
86002450 |
Раз'ем |
CONNECTOR, WIRE PIN 20-14ga TIN PLT |
1 |
|
15 |
9672309 |
Сигнальный фонарь |
Lamp, Warning |
2 |
|
16 |
529068 |
Лампа #1156 12В |
LUMP BULB #1156 12V |
1 |
|
17 |
86032624 |
Рассеиватель желтый, сигнальный/сигнальная фара |
Lens - Amber , signal / Warning Lamp |
2 |
|
18 |
NSS |
Отдельно не продается |
Not Sold Separately |
2 |
|
19 |
NSS |
Отдельно не продается |
Not Sold Separately |
8 |
|
20 |
86012666 |
Соединительный винт |
ADAPTER REDUCING |
1 |
|
21 |
83925303 |
Стопорная шайба M12 PL |
WASHER LOCK M12 PL |
1 |
|
22 |
9804279 |
Гайка M12 x 1.75'' |
NUT-HEX Flg M12 x 1.75in Class 8 Pl |
1 |
|
23 |
86050361 |
Кольцо уплотнительное, диам.внут. 3/8 наруж. 1 1/16 толщина 3/16'' |
GROMMET, 3/8IDx3/16GTx1 1/16OD |
2 |
|
24 |
86029111 |
Правый кронштейн фары |
BRACKET EXTREMITY LIGHT RH |
1 |
|
25 |
86029112 |
Левый кронштейн фары |
BRACKET EXTREMITY LIGHT LH |
1 |
|
26 |
86026766 |
Отражатель красный |
CONSPICUITY TAPE RED |
2 |
|
27 |
86026768 |
Люминесцентная лампа |
TAPE FLUORESCENT |
2 |
|
28 |
86026767 |
Отражатель желтый |
CONSPICUITY TAPE YELLOW |
2 |
|
29 |
43776 |
Болт CL 8.8, M12 x 1.75 x 30 |
Screw, Cap, Flg Hd, CL 8.8, M12 x 1.75 x 30 |
2 |
|
30 |
43436 |
Гайка M12 Usr Pl |
NUT - Hex Flange M12 Usr Pl |
2 |
11Е01 Блокировка электрическая переднего дифференциала в сборе. Model:2335 Универсальный полноприводный л
'1
86000062
|
11E01 Блоки |
ровка электрическая переднего дифференциала в сборе | |||
|
Поз |
Чертежный номер |
Наименование |
Descriptionl |
Кол- во |
|
1 |
V107211 |
Шайба блокиратора дифференциала |
SHIFT ASSY, ELECTRIC DIFF-LOCK |
1 |
|
2 |
86000539 |
Переключатель блокиратора дифференциала |
SWITCH - ROCKER, DPDT Diff-Lock |
1 |
|
3 |
2747 |
Накладка соединительная, нейлоновая, регулируемая |
STRAP-TIE, NYLON, 4.00in ADJUSTABLE |
15 |
|
4 |
9706433 |
Жгут блокиратора дифференциала |
WIRE HARNESS ASSY, DIFF LOCK |
1 |
Р707110
|
11F01 Электрика трехточечной навески | ||||
|
Поз |
Чертежный номер |
Наименование |
Descriptionl |
Кол- во |
|
1 |
9706434 |
Жгут 3-х точечной навески |
HARNESS - ELECTRIC ASSY, 3Pth Cat IV |
1 |
|
2 |
9706934 |
Панель переключателей |
PLATE - SWITCH, ABS Molded, 3PT HITCH |
1 |
|
3 |
86002423 |
Жгут потенциометра |
WIRING ASSY,FEEDBACK POTENTIOMETER |
1 |
|
4 |
9673038 |
Потенциометр обратной связи |
WIRING ASSY FEEDBACK POT |
1 |
|
5 |
86002448 |
Провод потенциометра |
COMMAND UNIT - POTENTIOMETER, ELECTRIC WIRING |
1 |
|
6 |
86000538 |
Переключатель 3-х точечной навески |
SWITCH, ROCKER DPDT 3PTH |
2 |
|
7 |
9701029 |
Модуль контроля сцепки |
MODULE 3PT HITCH CONTROL |
1 |
|
11F01 Электрика трехточечной навески | ||||
|
Поз |
Чертежный номер |
Наименование |
Descriptionl |
Кол- во |
|
8 |
86002452 |
Контроллер |
CONTROLLER - ELECTRICAL CURRENT, 3-Pth Circuit |
1 |
|
9 |
9673037 |
Лампа |
LAMP, INDICATOR |
1 |
|
10 |
2747 |
Накладка соединительная, нейлоновая, регулируемая |
STRAP-TIE, NYLON, 4.00in ADJUSTABLE |
12 |
|
11 |
9706935 |
Панель управления прицепным механизмом |
DECAL, 3 POINT HITCH CONTROL |
1 |
|
12 |
9848710 |
Кнопка электронного управления панелью приборов |
KNOB ELECTRONIC CONTROL SWITCH |
2 |
|
13 |
9824331 |
Фиксирующая пружина кнопки контроля радиодиапазона |
CLIP - SPRING, SWITCH CONTROL KNOB RETAINER |
4 |
|
14 |
9804255 |
Болт M6x16 Cl-8.8 Pl |
CAPSCREW - HexHead Flanged, M6 x 16 Cl-8.8 Pl |
4 |
|
15 |
86050300 |
Гайка |
NUT |
4 |
|
11G02 Стартер в сборе | ||||
|
Поз |
Чертежный номер |
Наименование |
Descriptionl |
Кол- во |
|
1 |
9706425 |
Стартер 12В 42MT |
STARTER MOTOR 12V 42MT |
1 |
|
2 |
86017815 |
Крышка стартера |
FRAME, CE |
1 |
|
3 |
86017816 |
ВТУЛКА СТАРТЕРА |
ВТУЛКА СТАРТЕРА |
1 |
|
4 |
86017817 |
Якорь стартера |
ARMATURE |
1 |
|
6 |
86017819 |
Провод |
CABLE - LEAD CE TERM., STARTER ASSY |
1 |
|
7 |
86017820 |
Корпус рычага |
HOUSING,LEVER |
1 |
|
8 |
86017821 |
ВТУЛКА СТАРТЕРА |
ВТУЛКА СТАРТЕРА |
1 |
|
9 |
274737 |
Бендикс |
DRIVE UNIT - STARTER ASSY L4WD |
1 |
|
11G02 Стартер в сборе | ||||
|
Поз |
Чертежный номер |
Наименование |
Descriptionl |
Кол- во |
|
10 |
86017823 |
Корпус бендикса |
HOUSING, DRIVE |
1 |
|
11 |
86017824 |
ВТУЛКА СТАРТЕРА |
ВТУЛКА СТАРТЕРА |
1 |
|
12 |
9802164 |
Катушка стартера L4WD |
SWITCH-SOLENOID, STARTER ASSY L4WD |
1 |
|
13 |
784032 |
Щетка электрическая стартера мотора в сборе |
BRUSH-ELECTRIC, STARTER MOTOR ASSY |
4 |
|
14 |
86017827 |
Пружина щетки стартера |
SPRING,BRUSH |
4 |
|
15 |
86017828 |
Пластина |
PLATE ASSEMBLY |
1 |
|
16 |
86017829 |
Сердечник соленоида стартера |
PLUNGER - SOLENOID, STARTER ASSY |
1 |
|
17 |
86017830 |
Чехол катушки стартера |
BOOT - SOLENOID, STARTER ASSY |
1 |
|
18 |
86017831 |
Пружина штока катушки стартера |
SPRING - PLUNGER, SOLENOID STARTER ASSY |
1 |
|
19 |
86017832 |
Рычаг бендикса стартера |
LEVER - SHIFT, STARTER MOTOR Assy L4wd |
1 |
|
20 |
86017833 |
Шайба |
WASHER,SPACE |
1 |
|
21 |
86017834 |
Шайба |
WASHER,BRAKE |
1 |
|
22 |
86017835 |
Шайба упорная |
WASHER,THRUST |
1 |
|
23 |
80679 |
Шайба 0.5 PL |
Washer Lock 0.50 Pl |
1 |
|
24 |
86017837 |
Гайка |
NUT & WASHER |
2 |
|
25 |
86017838 |
Гайка |
NUT,PLUNGER |
1 |
|
26 |
86017839 |
Гайка |
NUT & WASHER |
1 |
|
27 |
9638005 |
Гайка |
NUT |
6 |
|
28 |
86017841 |
Винт |
SCREW |
4 |
|
29 |
86017842 |
Болт и шайба |
SCREW & WASHER |
4 |
|
30 |
86017843 |
Болт и шайба |
SCREW & WASHER |
4 |
|
31 |
86017844 |
Болт |
SCREW - DRIVE HOUSING for STARTER MOTOR |
6 |
|
32 |
86017845 |
Болт |
SCREW |
1 |
|
33 |
86017846 |
Винт |
SCREW |
8 |
|
34 |
86017847 |
Шайба |
WASHER - PLUNGER STARTER ASSY |
1 |
|
35 |
86017848 |
Шайба |
WASHER |
1 |
|
36 |
86017849 |
Соединитель |
CONNECTOR |
1 |
|
37 |
86017850 |
Крышка |
CUP, OIL |
2 |
|
38 |
86017857 |
Крышка масленки |
LEAD,TERM. |
1 |
|
39 |
86017852 |
Уплотнение |
GASKET |
1 |
|
40 |
86017853 |
Изолятор |
INSULATOR |
1 |
|
41 |
86017854 |
Изолятор |
INSULATOR |
1 |
|
42 |
86017855 |
Изолятор |
INSULATOR |
1 |
|
43 |
86017856 |
Изоляционный материал |
INSULATION PKG., CE TERMINAL L4WD |
1 |
|
44 |
86017857 |
Крышка масленки |
LEAD,TERM. |
1 |
|
45 |
510185 |
Уплотнительное кольцо |
O-RING |
1 |
|
46 |
86536464 |
Уплотнительное кольцо |
O-RING, DRIVE to LEVER HOUSINGS, STARTER |
1 |
|
47 |
274296 |
Уплотнительное кольцо внут.диам.4.109'' толщина 0.139'' |
O RING, 4.109IDx0.139THK |
1 |
|
11G02 Стартер в сборе | ||||
|
Поз |
Чертежный номер |
Наименование |
Descriptionl |
Кол- во |
|
48 |
274336 |
Уплотнительное кольцо внут.диам.4.747'' толщина 0.070'' |
O RING |
1 |
|
49 |
49886 |
Кольцо уплотнительное 0.239 IDX0.070 THK BU |
O'RING, Id-0.239in Thk-0.070in |
1 |
|
50 |
49856 |
Уплотнительное кольцо, внут.диам.0.364'' толщина 0.070'' |
O-Ring, .364" ID x .070" Thk, Throttle Spool |
1 |
|
51 |
87336 |
Штифт диам. 3/16'' длина 7/8'' |
PIN, SPRING 3/16DIAx7/8LG |
1 |
|
52 |
86017865 |
Пробка |
PLUG,INSPECT. |
1 |
|
53 |
86017866 |
Полюсный наконечник |
POLE,SHOE |
1 |
|
54 |
86017867 |
Тарелка пружины |
RETAINER - PLUNGER, STARTER ASSY |
1 |
|
55 |
86017868 |
Тарелка пружины |
RETAINER - PLUNGER SPRING, STARTER ASSY |
1 |
|
56 |
86017869 |
Сальник |
SEAL,OIL |
1 |
|
57 |
86017870 |
Ось |
SHAFT,SHAFT LV |
1 |
|
58 |
86017871 |
Стопорное кольцо |
RING - RETAINER, PLUNGER SPRING, STARTER ASSY |
2 |
|
59 |
86017874 |
Фитиль масляный |
WICK |
1 |
|
60 |
86017873 |
Фитиль масляный |
WICK |
1 |
|
61 |
86017874 |
Фитиль масляный |
WICK |
1 |
|
62 |
9802163 |
Ось вилки |
SHIELD - TERMINAL, STARTER Assy |
1 |
|
63 |
86018014 |
Набор - рычаг переключения передач |
KIT - SHIFT LEVER PKG. |
AR |
|
64 |
86018015 |
Набор - пакет с вкладышами |
KIT - BUSHING PKG. |
AR |
|
65 |
86018016 |
Набор - пакет с щетками |
KIT - BRUSH PKG. |
AR |
|
86017818 |
Катушка |
COIL, FIELD |
1 | |
|
11H01 Набор для установки реле стартера | ||||
|
Поз |
Чертежный номер |
Наименование |
Descriptionl |
Кол- во |
|
1 |
86019206 |
Комплект деталей стартера |
KIT |
1 |
|
2 |
9843767 |
Реле пуска 75 А |
START RELAY 75A |
1 |
|
3 |
86511953 |
Болт шестигранный FLG USR M 6 X 25 PL |
BOLT HEX FLG USR M 6 X 25 PL |
2 |
|
4 |
86012004 |
Гайка М6 |
WELL NUT M6 |
2 |
|
5 |
86018157 |
Жгут реле стартера |
HARNESS - ASSEMBLY, STARTER RELAY |
1 |
|
11J01 Генератор | ||||
|
Поз |
Чертежный номер |
Наименование |
Descriptionl |
Кол-во |
|
1 |
9705428 |
Генератор переменного тока 130 А |
ALTERNATOR 130 AMPS |
1 |
|
1 |
9705428R |
Генератор |
ALTERN. REMAN |
1 |
|
2 |
86507634 |
Крыльчатка генератора |
FAN, ALTERNATOR |
1 |
|
3 |
86507626 |
Подшипник 25.00IDX62ODX18.0 |
BRG ASSY 25.00IDX62ODX18.0 |
1 |
|
4 |
86507633 |
Фиксатор |
PLATE, RETAIN |
1 |
|
5 |
86507628 |
Диод |
DIODE TRIO |
1 |
|
6 |
86507632 |
Щетка генератора |
BRUSH AND ARM ASSY |
1 |
|
7 |
86507631 |
Узел держателя щетки генератора |
BRUSH HOLDER ASSY |
1 |
|
8 |
86507630 |
Конденсатор |
CAPACITOR |
1 |
|
9 |
86507629 |
Регулятор |
REGULATOR |
1 |
|
10 |
86507627 |
Мост выпрямительный |
RECTIFIER BRIDGE |
1 |
|
11 |
86507625 |
Ролик опорный (ролик подшипника) |
BEARING ROLLER |
1 |
|
12 |
- |
- |
- |
NS |
|
13 |
86560 |
Гайка |
NUT |
1 |
8.3Ltr / М-11 / QSM-11 Engines
12-Speed Synchro &
1407 PwrShift Transmissions
N14 Engines
12-Speed Synchro &
1402 PwrShift
Transmissions
N14 Engines
1407 PwrShift
Transmissions
|
12A00 Приборные панели в сборе - L4wd | ||||
|
Поз |
Чертежный номер |
Наименование |
Descriptionl |
Кол- во |
|
1a |
9706886 |
Приборная панель, двигатель 8.3L L4wd |
INSTRUMENT PANEL Assy 8.3L-Engine L4wd |
NS |
|
1b |
86013838 |
Приборная панель, двигатель 8.3L/12MKnn/1402 АКПП |
PANEL-INSTRUMENT, 8.3L-Engine / 12-Spd Synchro & 1402 PwrShift |
NS |
|
1c |
86014445 |
Приборная панель, двигатель 8.3L/12MKnn/1402 АКПП |
PANEL-INSTRUMENT, 8.3L-Engine / 12-Spd Synchro & 1402 PwrShift |
NS |
|
1d |
86020084 |
Приборная панель, двигатель 8.3L/12МКПП/1402 АКПП |
PANEL-INSTRUMENT, 8.3L-Engine / 12-Spd Synchro & 1402 PwrShift |
NS |
|
1e |
86020204 |
Приборная панель, двигатель 8.3L/12МКПП/1402 АКПП |
PANEL-INSTRUMENT, 8.3L-Engine / 12-Spd Synchro & 1402 PwrShift |
NS |
|
1f |
86021099 |
Приборная панель, двигатель 8.3L/12МКПП/1402 АКПП |
PANEL-INSTRUMENT, 8.3L-Engine / 12-Spd Synchro & 1402 PwrShift |
NS |
|
1g |
86022025 |
Приборная панель, двигатель 8.3L/12МКПП/1402 АКПП |
PANEL-INSTRUMENT, 8.3L-Engine / 12-Spd Synchro & 1402 PwrShift |
1 |
|
1h |
86035275 |
Приборная панель, двигатель 8.3L/12МКПП/1402 АКПП |
PANEL-INSTRUMENT, 8.3L-Engine / 12-Spd Synchro & 1402 PwrShift |
1 |
|
1i |
86026506 |
Модуль инструментальной панели QSM11 |
MODULE INSTRUMENT PANEL QSM11 |
1 |
|
1j |
86035265 |
Приборная панель QSM11 |
MODULE INSTRUMENT PANEL QSM11 |
1 |
|
2 |
- |
- |
- |
NS |
|
3 |
V62195 |
Винт 1/2'' |
STUD - QUARTER TURN 1/2in, Slot-Head |
2 |
|
4 |
V62196 |
Шайба диам.внутр.0.60 наруж.11.70 толщина 0.38 |
WASHER - LOCK Camloc Od-11.70 Id-0.60 Thk-0.38 |
4 |
|
5 |
- |
- |
- |
NS |
|
5 |
86018936 |
Подсветка приборной панели, N14 МКПП |
LIGHTBOARD - INSTRUMENT PANEL for N14 W/ Synchro ( End Date - Mar/ 2002 ) |
1 |
|
5 |
9706427 |
Подсветка приборной панели, 8.3ltr / M-11 / N-14 |
LIGHTBOARD - INSTRUMENT PANEL for 8.3ltr / M-11 / N-14 Engines ( End Date - Aug/99 ) |
1 |
|
6 |
86000318 |
Плато сигнальных ламп панели приборной |
LAMP/SOCKET ASSY |
AR |
|
7 |
86014446 |
Приборная панель в сборе |
MODULE ASSEMBLY |
1 |
|
7 |
86021413 |
Модуль электронный инструментальной панели |
MODULE-ELECTRONIC, INSTRUMENT PANEL |
1 |
|
7 |
86031062 |
Модуль инструментальной панели QSM11 L4WD |
MODULE - EIC TACH, INSTRUMENT PANEL-QSM11 L4WD |
1 |
|
8 |
9706805 |
Датчик давления 0.75 PSI |
GAUGE PRESSURE 0.75 PSI |
1 |
|
9 |
86021095 |
Указатель температуры для панели № 86021094 |
GAUGE - COOLANT TEMPERATURE for PANEL Pt# 86021094 |
1 |
|
9 |
86022027 |
Датчик температуры хладагента |
GAUGE COOLANT TEMP |
1 |
|
9 |
86022060 |
Указатель температуры 220/225 F |
GAUGE - COOLANT TEMPERATURE 2 Pin 220 / 225 DegF |
1 |
|
9 |
86023090 |
Указатель температуры |
GAUGE, TEMPERATURE - 3 PIN High Altitude |
1 |
|
10 |
86000312 |
Кронштейн |
BRACKET - GAUGE MOUNTING, EIC Assy |
2 |
|
11 |
- |
- |
- |
4 |
|
12 |
- |
- |
- |
15 |
|
13 |
- |
- |
- |
4 |
|
14 |
86002505 |
Фитинг датчика охлаждения, 1/2 - 14 NPT |
FITTING - COOLING GUAGE, 1/2 - 14 NPT |
1 |
|
12A00 Приборные панели в сборе - L4wd | ||||
|
Поз |
Чертежный номер |
Наименование |
Descriptionl |
Кол- во |
|
15 |
86002506 |
Лампа |
LAMP |
4 |
|
15 |
86035825 |
Лампа подсветки инструментальной панели №1445 |
LAMP-BULB #1445, INSTRUMENT PANEL Assy |
4 |
|
21 |
86035267 |
Приборная панель N14 W/ 1407 АКПП |
MODULE - INSTRUMENT PANEL N14 W/ 1407 PwrShift |
1 |
|
21a |
86018934 |
Панель инструментальная |
PANEL-INSTRUMENT, N14-Engine / 12-Spd Synchro & 1402 PwrShift |
NS |
|
21b |
86020200 |
Панель инструментальная |
PANEL-INSTRUMENT, N14-Engine / 12-Spd Synchro & 1402 PwrShift |
1 |
|
21c |
86021104 |
Панель инструментальная |
PANEL-INSTRUMENT, N14-Engine / 12-Spd Synchro & 1402 PwrShift |
NS |
|
21d |
86022026 |
Панель инструментальная |
PANEL-INSTRUMENT, N14-Engine / 12-Spd Synchro & 1402 PwrShift |
NS |
|
21e |
86029592 |
Панель инструментальная |
PANEL-INSTRUMENT, N14-Engine / 12-Spd Synchro & 1402 PwrShift |
1 |
|
21f |
86035266 |
Панель инструментальная |
PANEL-INSTRUMENT, N14-Engine / 12-Spd Synchro & 1402 PwrShift |
1 |
|
22 |
- |
- |
- |
1 |
|
23 |
V62195 |
Винт 1/2'' |
STUD - QUARTER TURN 1/2in, Slot-Head |
2 |
|
24 |
V62196 |
Шайба диам.внутр.0.60 наруж.11.70 толщина 0.38 |
WASHER - LOCK Camloc Od-11.70 Id-0.60 Thk-0.38 |
4 |
|
25 |
86018936 |
Подсветка приборной панели, N14 МКПП |
LIGHTBOARD - INSTRUMENT PANEL for N14 W/ Synchro ( End Date - Mar/ 2002 ) |
1 |
|
25 |
86031063 |
Подсветка приборной панели |
LIGHTBOARD - INSTRUMENT PANEL for Pt# 86026506 |
1 |
|
25 |
9706427 |
Подсветка приборной панели, 8.3ltr / M-11 / N-14 |
LIGHTBOARD - INSTRUMENT PANEL for 8.3ltr / M-11 / N-14 Engines ( End Date - Aug/99 ) |
1 |
|
26 |
86000318 |
Плато сигнальных ламп панели приборной |
LAMP/SOCKET ASSY |
AR |
|
27 |
86014446 |
Приборная панель в сборе |
MODULE ASSEMBLY |
1 |
|
27 |
86021413 |
Модуль электронный инструментальной панели |
MODULE-ELECTRONIC, INSTRUMENT PANEL |
1 |
|
27 |
86031062 |
Модуль инструментальной панели QSM11 L4WD |
MODULE - EIC TACH, INSTRUMENT PANEL-QSM11 L4WD |
1 |
|
28 |
9706805 |
Датчик давления 0.75 PSI |
GAUGE PRESSURE 0.75 PSI |
1 |
|
29 |
86021095 |
Указатель температуры для панели № 86021094 |
GAUGE - COOLANT TEMPERATURE for PANEL Pt# 86021094 |
1 |
|
29 |
86022027 |
Датчик температуры хладагента |
GAUGE COOLANT TEMP |
1 |
|
29 |
86022060 |
Указатель температуры 220/225 F |
GAUGE - COOLANT TEMPERATURE 2 Pin 220 / 225 DegF |
1 |
|
29 |
86023090 |
Указатель температуры |
GAUGE, TEMPERATURE - 3 PIN High Altitude |
1 |
|
30 |
86000312 |
Кронштейн |
BRACKET - GAUGE MOUNTING, EIC Assy |
2 |
|
31 |
- |
- |
- |
4 |
|
32 |
- |
- |
- |
15 |
|
33 |
- |
- |
- |
4 |
|
34 |
86002505 |
Фитинг датчика охлаждения, 1/2 - 14 NPT |
FITTING - COOLING GUAGE, 1/2 - 14 NPT |
1 |
|
35 |
- |
- |
- |
NS |
|
12A00 Приборные панели в сборе - L4wd | ||||
|
Поз |
Чертежный номер |
Наименование |
Descriptionl |
Кол- во |
|
36 |
86002506 |
Лампа |
LAMP |
4 |
|
36 |
86035825 |
Лампа подсветки инструментальной панели №1445 |
LAMP-BULB #1445, INSTRUMENT PANEL Assy |
4 |
|
86035267 |
Приборная панель N14 W/ 1407 АКПП |
MODULE - INSTRUMENT PANEL N14 W/ 1407 PwrShift |
1 | |
|
41 |
86030018 |
Приборная панель, двигатель Ш4/12МКПП/1407 АКПП |
PANEL-INSTRUMENT, N14-Engine / 12-Spd Synchro & 1407PwrShift |
1 |
|
42 |
- |
- |
- |
NS |
|
43 |
V62195 |
Винт 1/2" |
STUD - QUARTER TURN 1/2in, Slot-Head |
2 |
|
44 |
V62196 |
Шайба диам.внутр.0.60 наруж.11.70 толщина 0.38 |
WASHER - LOCK Camloc Od-11.70 Id-0.60 Thk-0.38 |
4 |
|
45 |
86031064 |
Подсветка приборной панели N14 АКПП |
LIGHTBOARD - MODULE INSTRMT PANEL N14-PwrShift |
NS |
|
46 |
86000318 |
Плато сигнальных ламп панели приборной |
LAMP/SOCKET ASSY |
AR |
|
47 |
86021413 |
Модуль электронный инструментальной панели |
MODULE-ELECTRONIC, INSTRUMENT PANEL |
1 |
|
48 |
9706805 |
Датчик давления 0.75 PSI |
GAUGE PRESSURE 0.75 PSI |
1 |
|
49 |
86023090 |
Указатель температуры |
GAUGE, TEMPERATURE - 3 PIN High Altitude |
1 |
|
50 |
86000312 |
Кронштейн |
BRACKET - GAUGE MOUNTING, EIC Assy |
2 |
|
51 |
- |
- |
- |
4 |
|
52 |
- |
- |
- |
15 |
|
54 |
86002505 |
Фитинг датчика охлаждения, 1/2 - 14 NPT |
FITTING - COOLING GUAGE, 1/2 - 14 NPT |
1 |
|
55 |
- |
- |
- |
NS |
|
56 |
- |
- |
- |
NS |
|
57 |
86002506 |
Лампа |
LAMP |
4 |
|
57 |
86035825 |
Лампа подсветки инструментальной панели №1445 |
LAMP-BULB #1445, INSTRUMENT PANEL Assy |
4 |
|
12A03 Приборная панель в сборе | ||||
|
Поз |
Чертежный номер |
Наименование |
Descriptionl |
Кол- во |
|
1 |
86026506 |
Модуль инструментальной панели QSM11 |
MODULE INSTRUMENT PANEL QSM11 |
1 |
|
2 |
UNKNOWN |
Главный тормозной цилиндр |
Master Brake Cylinder - See Breakdown This Section 1.5 OD, Years: 01/01/1982-12/31/1984 |
1 |
|
3 |
V62195 |
Винт 1/2" |
STUD - QUARTER TURN 1/2in, Slot-Head |
2 |
|
4 |
V62196 |
Шайба диам.внутр.0.60 наруж.11.70 толщина 0.38 |
WASHER - LOCK Camloc Od-11.70 Id-0.60 Thk-0.38 |
2 |
|
5 |
86031063 |
Подсветка приборной панели |
LIGHTBOARD - INSTRUMENT PANEL for Pt# 86026506 |
1 |
|
6 |
86000318 |
Плато сигнальных ламп панели приборной |
LAMP/SOCKET ASSY |
AR |
|
7 |
86031062 |
Модуль инструментальной панели QSM11 L4WD |
MODULE - EIC TACH, INSTRUMENT PANEL-QSM11 L4WD |
1 |
|
8 |
9706805 |
Датчик давления 0.75 PSI |
GAUGE PRESSURE 0.75 PSI |
1 |
|
9 |
86023090 |
Указатель температуры |
GAUGE, TEMPERATURE - 3 PIN High Altitude |
1 |
|
10 |
86000312 |
Кронштейн |
BRACKET - GAUGE MOUNTING, EIC Assy |
2 |
|
11 |
PL |
Топливный цилиндр |
Purchase Locally - Part Not Sold Seperately |
4 |
|
12 |
PL |
Топливный цилиндр |
Purchase Locally - Part Not Sold Seperately |
15 |
|
13 |
PL |
Топливный цилиндр |
Purchase Locally - Part Not Sold Seperately |
4 |
|
14 |
86002505 |
Фитинг датчика охлаждения, 1/2 - 14 NPT |
FITTING - COOLING GUAGE, 1/2 - 14 NPT |
1 |
|
15 |
86002506 |
Лампа |
LAMP |
4 |
з
231