'
Каталог Запчастей John Deere :7250 Self-Propelled Forage Harvester (Worldwide Edition) - PC4608 50 Силовая передача
Перейти к другим разделам
Содержимое: Каталог Запчастей John Deere :7250 Self-Propelled Forage Harvester (Worldwide Edition) - PC4608 50 Силовая передача
Узел гидростат. насоса - ST52089
Ограничитель хода, гидростатический привод - ST52090
Hydrostatic Drive Pump Housing Swashplate Servo Cylinder 105cc Part I - ST52091 ( Гидростатический Привод Корпус Насоса Автомата Перекоса Серво Цилиндр Часть I - )
HYDROSTATIC DRIVE PUMP, HOUSING, SWASHPLATE AND SERVO CYLINDER 105CC PART II - ST52092 ( ГИДРОСТАТИЧЕСКИЙ ПРИВОД НАСОСА, КОРПУСА, АВТОМАТА ПЕРЕКОСА И СЕРВОЦИЛИНДРА ЧАСТЬ II. )
Питающий насос IVLOC™, гидростатический привод - ST52093
Charge Pump, Hydrostatic Drive, 4 Gear LOC Transmission, 105 cm? - ST52094 ( Заряд насос, гидростатический привод, 4 передачи шестерни Лок, см? - )
Регулировочный клапан объема, гидростатический привод - ST52095
CONTROL CABLE FOR HYDROSTATIC PUMP - ST52096 ( КАБЕЛЬ УПРАВЛЕНИЯ ДЛЯ ГИДРОСТАТИЧЕСКОГО НАСОСА )
Узел гидростатического мотора - ST52098
Гидростатический мотор, 105 см? - ST52099
Гидростатический клапан, 105 см? - ST52100
HYDROSTATIC HIGH PRESSURE AND LEAK-OFF OIL LINES (105CC) - ST52101 ( ВЫСОКОГО ГИДРОСТАТИЧЕСКОГО ДАВЛЕНИЯ И УТЕЧКА НЕФТИ ЛИНИИ () - )
HYDRAULIC HOSES, FOUR-WHEEL DRIVE - ST52102 ( ГИДРАВЛИЧЕСКИЕ ШЛАНГИ, ПРИВОД НА ЧЕТЫРЕ КОЛЕСА - )
Аксиально-поршневой мотор, 140 см? - ST52103
Закрепляющие винты, главная передача - ST52104
Ведущий вал - ST52105
Ведущий вал, сдвоенные шины (для Северной Америки) - ST711533
Spacer, Front Axle - ST52106 ( Распорка, Передняя Ось - )
Распорная втулка, передний мост, сдвоенные шины (для Северной Америки) - ST711537
Главная передача - ST52107
Главная передача, для тяжелых условий работы - ST52108
Главная передача - ST52109
Пер. мост - ST52110
Крепления трансмиссии - ST52111
Картер трансмиссии - ST52112
Входной вал, трансмиссия - ST52113
TRANSMISSION INTERMEDIATE SHAFT - ST52114 ( ПЕРЕДАЧИ ПРОМЕЖУТОЧНОГО ВАЛА - )
DIFFERENTIAL (TRANSMISSION) - ST52115 ( ДИФФЕРЕНЦИАЛ (КОРОБКА ПЕРЕДАЧ) - )
Кулачок рычага переключения передач, крышка корпуса, трансмиссия дифференциал - ST52116
Крышка картера дифференциала кулачок рычага переключения передач, 20 kmh - ST52117
Переключение передач - ST52118
Угловой привод - ST52119
Drive Shaft - Hydrostatic Pump, AC Compressor And Gear-Type Pump - ST52121 ( Вал привода - гидростатический насос, компрессор кондиционера и шестеренчатого насоса )
Drive Shaft - Hydrostatic Pump, AC Compressor And Gear-Type Pump - ST52122 ( Вал привода - гидростатический насос, компрессор кондиционера и шестеренчатого насоса )
Angular Drive - Input Shaft - ST126608 ( Угловой Привод - Входной Вал - )
ANGULAR DRIVE - OUTPUT SHAFT - ST52124 ( УГЛОВОЙ ПРИВОД - ВАЛ - )
Дисковое сцепление шкив, угловой привод - ST52125
Узлы дискового сцепления - ST52127
Сапун, картер главной конической шестерни - ST52129
Натяжитель, главный привод - ST52130
Шкив отклонения главного привода - ST52131
Главный ременной привод - ST52132
Приводные колеса - ST52134
Комплект для самостоятельной установки, ведущие колеса, шины двускатных колес - ST858840
Ведущие колеса, сдвоенные шины - ST711475
Attachment, Dual Tires Bolt Kit - ST827498 ( Вложение, Двойной Шины Комплект Болтов - )
Dual Tires, Bolt Kit - ST827500 ( Сдвоенных Колес, Комплект Болтов - )
Узел гидростат. насоса - ST52089
![Джон Дир 7250 Узел гидростат. насоса Узел гидростат. насоса]()
1 - Насос AZ104046 Примечание:(FOR IVT LENGTH-OF CUT TRANSMISSION) (SUB FOR AZ55979)
2 - Насос AZ104047 Примечание:(FOR 4-GEAR LENGTH-OF-CUT TRANSMISSION) (SUB FOR AZ61678)
3 - Уплотнительное кольцо R63308 Примечание:120.015 X 5.334 mm (4.725" X 0.210")
4 - Винт 19M7790 Количество:4 Примечание:M12 X 35
Наверх
Ограничитель хода, гидростатический привод - ST52090
![Джон Дир 7250 Ограничитель хода, гидростатический привод Ограничитель хода, гидростатический привод]()
1 - Уплотнительное кольцо R26906 Примечание:19.177 X 2.464 mm (0.755" X 0.097")
2 - Хомут AZ44859
3 - Колпачок AZ49846
Наверх
Hydrostatic Drive Pump Housing Swashplate Servo Cylinder 105cc Part I - ST52091 ( Гидростатический Привод Корпус Насоса Автомата Перекоса Серво Цилиндр Часть I - )
![Джон Дир 7250 Hydrostatic Drive Pump Housing Swashplate Servo Cylinder 105cc Part I Hydrostatic Drive Pump Housing Swashplate Servo Cylinder 105cc Part I]()
1 - Крепление со штифтом N126603
2 - Пружинное кольцо M48000 Количество:2
3 - Пластина Z71999
4 - Кулиса N126607
5 - Наклонная пластина ....... Примечание:ORDER AZ104046 OR AZ104047
6 - Уплотнительное кольцо ....... Количество:8 Примечание:ORDER AN274375
7 - Крепление со штифтом ....... Количество:2 Примечание:ORDER AN274375
8 - Наружн. кольцо подшипн. JD9133 Количество:2
9 - Прокладка Z53122
10 - Поршень AZ51528
11 - Пластина Z65079
12 - Опора AZ42076
13 - Комплект гидроцилиндров AZ51529
14 - Пластина Z65106
15 - Поршень AZ51527 Количество:2
16 - Установочный штифт Z65085
17 - Ось AZ62577 Примечание:FOR AZ104046
17 - Ведущий вал AZ56794 Примечание:FOR AZ104047
18 - Пружинное кольцо ....... Количество:2 Примечание:ORDER AZ104046 OR AZ104047
19 - Подшипник ....... Примечание:ORDER AZ42073
20 - Конич. роликов. подшипник AZ42073
21 - Прокладка H214789
22 - Сальник AZ56795
23 - Крышка подшипника ....... Примечание:ORDER AZ104046 OR AZ104047
24 - Фланец ....... Примечание:ORDER AZ104046 OR AZ104047
25 - Винт с головкой 19H1731 Примечание:3/8" X 1"
26 - Пружинное кольцо N126612
.. - Комплект прокладок AZ51533
.. - Крепление со штифтом AN274375
.. - Насос AZ55979
.. - Насос AZ61678
Наверх
HYDROSTATIC DRIVE PUMP, HOUSING, SWASHPLATE AND SERVO CYLINDER 105CC PART II - ST52092 ( ГИДРОСТАТИЧЕСКИЙ ПРИВОД НАСОСА, КОРПУСА, АВТОМАТА ПЕРЕКОСА И СЕРВОЦИЛИНДРА ЧАСТЬ II. )
![Джон Дир 7250 HYDROSTATIC DRIVE PUMP, HOUSING, SWASHPLATE AND SERVO CYLINDER 105CC PART II HYDROSTATIC DRIVE PUMP, HOUSING, SWASHPLATE AND SERVO CYLINDER 105CC PART II]()
1 - Корпус ....... Примечание:(ORD AZ104046 OR AZ104047)
2 - Прокладка AH112680 Количество:2
3 - Уплотнительное кольцо Z105728 Примечание:(SUB FOR Z105614)
4 - Наружн. кольцо подшипн. JD9133 Количество:2
5 - Цапфа ....... Количество:2 Примечание:(ORD AZ55979 OR AZ61678)
6 - Винт с головкой 19H2284 Количество:6 Примечание:3/8" X 7/8"
7 - Штифт H63271
8 - Конич. роликов. подшипник AN122507
9 - Прокладка AN122509
10 - Прокладка Z53133
11 - Крышка ....... Примечание:(ORD AZ55979 OR AZ61678)
12 - Винт с головкой 19H1944 Примечание:3/8" X 2-3/4"
13 - Винт с головкой 19H1800 Примечание:3/8" X 1-1/2"
14 - Кулиса N126600
15 - Уплотнительное кольцо ....... Примечание:(ORD AH131172)
16 - Штифт Z65080 Количество:2
17 - Поршень ....... Количество:2 Примечание:(ORD AH131172)
18 - Пружина ....... Примечание:(ORD AH131172)
19 - Стопор ....... Примечание:(ORD AH131172)
20 - Винт с головкой ....... Примечание:(ORD AH131172)
21 - Уплотнительное кольцо Z105728 Примечание:(SUB FOR Z105614)
22 - Уплотнительное кольцо Z105729 Количество:2 Примечание:(SUB FOR Z105615)
23 - Гильза AZ42198 Примечание:(INCL R26906, R27474)
24 - Стопор N126602 Количество:2
25 - Винт 19H3176 Количество:6 Примечание:0.164" X 0.380"
26 - Заглушка фитинга AN122518
27 - Фитинг R51031
28 - Уплотнительное кольцо R28782
29 - Гильза AH112668 Примечание:INCL KEYS 21, 22
30 - Кожух ....... Количество:2 Примечание:(ORD AN122502)
31 - Уплотнительное кольцо R152879
32 - Защитное кольцо W23690 Количество:2
33 - Обратный клапан AN122502 Количество:2
34 - Поршень AH112675
.. - Комплект прокладок AZ51533
.. - Насос AZ55979
.. - Насос AZ61678
Наверх
Питающий насос IVLOC™, гидростатический привод - ST52093
![Джон Дир 7250 Питающий насос IVLOC™, гидростатический привод Питающий насос IVLOC™, гидростатический привод]()
1 - Ось Z76763
2 - Штифт H135706
3 - Уплотнительное кольцо H63289 Примечание:20.295 X 2.616 mm (0.799" X 0.103")
4 - Уплотнительное кольцо U17409 Примечание:26.594 X 2.946 mm (1-3/64" X 0.116")
5 - Редукционный клапан AN122498
6 - Корпус ....... Примечание:ORDER AZ61880
7 - Втулка ....... Примечание:ORDER AZ61880
8 - Подшипник ....... Примечание:ORDER AZ61880
9 - Уплотнительное кольцо H135570 Количество:2
10 - Распорная втулка ....... Примечание:ORDER AZ61880
11 - Крышка ....... Примечание:ORDER AZ61880
12 - Винт с головкой 19H2043 Количество:4 Примечание:5/16" X 3-1/2"
13 - Винт Z81016 Количество:2
14 - Масляный насос ....... Примечание:ORDER AZ61880
15 - Кольцо Z79627
16 - Пружинное кольцо ....... Количество:2 Примечание:ORDER AZ61880
17 - Уплотнительное кольцо P48347 Количество:2 Примечание:17.120 X 2.616 mm (0.674" X 0.103")
18 - Корпус фильтра H171116
19 - Винт 19H3111 Количество:2 Примечание:3/8" X 1.380"
20 - Уплотнительное кольцо R26448 Примечание:11.887 X 1.981 mm (0.468" X 5/64")
21 - Заглушка фитинга R27218
22 - Быстросъемн. гидр. муфта AH125760
23 - Крышка R77175
24 - Гидравлический фильтр AH128449
25 - Гидравлический насос AZ61880
26 - Штифт H63271 Количество:2
27 - Прокладка H214962
.. - Уплотнительное кольцо Z104477 Примечание:FOR AZ61880
.. - Распорная втулка Z104478 Примечание:FOR AZ61880
Наверх
Charge Pump, Hydrostatic Drive, 4 Gear LOC Transmission, 105 cm? - ST52094 ( Заряд насос, гидростатический привод, 4 передачи шестерни Лок, см? - )
![Джон Дир 7250 Charge Pump, Hydrostatic Drive, 4 Gear LOC Transmission, 105 cm? Charge Pump, Hydrostatic Drive, 4 Gear LOC Transmission, 105 cm?]()
1 - Ось Z72538
2 - Штифт H135706
3 - Уплотнительное кольцо H63289 Примечание:20.295 X 2.616 mm (0.799" X 0.103")
4 - Уплотнительное кольцо U17409 Примечание:26.594 X 2.946 mm (1-3/64" X 0.116")
5 - Редукционный клапан AN122498
6 - Корпус ....... Примечание:(ORD AZ56793)
7 - Втулка ....... Примечание:(ORD AZ56793)
8 - Подшипник ....... Примечание:(ORD AZ56793)
9 - Уплотнительное кольцо H135570 Количество:2 Примечание:78.994 X 1.778 mm (3.110" X 0.070")
10 - Распорная втулка ....... Примечание:(ORD AZ56793)
11 - Крышка ....... Примечание:(ORD AZ56793)
12 - Винт с головкой 19H1875 Количество:2 Примечание:5/16" X 1-3/4"
13 - Винт с головкой 19H2043 Количество:4 Примечание:5/16" X 3-1/2"
14 - Масляный насос ....... Примечание:(ORD AZ56793)
15 - Сальник AH131170
16 - Пружинное кольцо ....... Количество:2 Примечание:(ORD AZ56793)
17 - Уплотнительное кольцо P48347 Количество:2 Примечание:17.120 X 2.616 mm (0.674" X 0.103")
18 - Корпус фильтра H171116
19 - Винт 19H3111 Количество:2 Примечание:3/8" X 1.380"
20 - Уплотнительное кольцо R26448 Примечание:11.887 X 1.981 mm (0.468" X 5/64")
21 - Заглушка фитинга R27218
22 - Быстросъемн. гидр. муфта AH125760
23 - Крышка R77175
24 - Гидравлический фильтр AH128449
25 - Гидравлический насос AZ56793
26 - Штифт H63271 Количество:2
27 - Прокладка H214962
28 - Прокладка H131121
29 - Уплотнительное кольцо E65288 Примечание:82.271 X 1.778 mm (3.239" X 0.070")
Наверх
Регулировочный клапан объема, гидростатический привод - ST52095
![Джон Дир 7250 Регулировочный клапан объема, гидростатический привод Регулировочный клапан объема, гидростатический привод]()
1 - Винт с головкой 19H1875 Количество:2 Примечание:5/16" X 1-3/4"
2 - Корпус ....... Примечание:(ORD AZ61679)
3 - Втулка ....... Примечание:(ORD AZ61679)
4 - Шайба ....... Примечание:(ORD AZ61679)
5 - Пружина ....... Примечание:(ORD AZ61679)
6 - Стопор ....... Примечание:(ORD AZ61679)
7 - Винт с головкой ....... Примечание:(ORD AZ61679)
8 - Переключатель AZ53196 Примечание:(ORD W/ T77857)
9 - Кольцо ....... Примечание:(ORD AZ61679)
10 - Винт ....... Примечание:(ORD AZ61679)
11 - Болт AN122494
12 - Болт AN122499
13 - Прокладка N126586
14 - Кулиса ....... Примечание:(ORD AZ61679)
15 - Пружинное кольцо M48000 Количество:2
16 - Кулиса ....... Примечание:(ORD AZ61679)
17 - Муфта ....... Примечание:(ORD AZ61679)
18 - Пружинный шплинт 34H311 Примечание:1/4" X 7/8"
19 - Уплотнительное кольцо R26448 Количество:2 Примечание:11.887 X 1.981 mm (0.468" X 5/64")
20 - Заглушка фитинга R27218 Количество:2
21 - Гайка 14H785 Примечание:5/16"
22 - Стопорная шайба 12H291 Примечание:5/16"
23 - Регулятор AZ59876 Примечание:LGTH = 95.3 MM
24 - Уплотнительное кольцо A3917R
25 - Ось ....... Примечание:(ORD AZ61679)
26 - Винт с головкой 19H1905 Количество:4 Примечание:5/16" X 1"
27 - Сальник H136163
28 - Контрольный клапан AZ61679
29 - Форсунка Z65107
30 - Уплотнительное кольцо ....... Примечание:(ORD AZ61679)
31 - Уплотнительное кольцо T77857 Примечание:(FOR AZ53196)
32 - Фитинг переходника AH221422
Наверх
CONTROL CABLE FOR HYDROSTATIC PUMP - ST52096 ( КАБЕЛЬ УПРАВЛЕНИЯ ДЛЯ ГИДРОСТАТИЧЕСКОГО НАСОСА )
![Джон Дир 7250 CONTROL CABLE FOR HYDROSTATIC PUMP CONTROL CABLE FOR HYDROSTATIC PUMP]()
1 - Регулятор AZ59876
2 - Фиксатор шар. соединения 56M7007
3 - Разъем шарового соединен. 56M7006
4 - Гайка 14M7272 Количество:2 Примечание:M6
5 - Гайка 14M7260 Количество:5 Примечание:M16
6 - Шайба 24M7241 Количество:5 Примечание:17 X 34 X 4 mm
7 - Кабель AH212982
8 - Винт с головкой 19H1731 Количество:2 Примечание:3/8" X 1"
9 - Стопор Z100152
10 - Скоба H126124 Количество:2
11 - Прокладка H126123
12 - Шаровое соединение AH208684
13 - Стопорная гайка H168961 Примечание:ВЫПУСК ПРЕКРАЩЕН
14 - Зажимная скоба AH80916
15 - Болт .......
16 - Гайка .......
17 - Прокладка H207518 Примечание:(FOR AUTOMATIC FEED RATE SYSTEM)
Наверх
Узел гидростатического мотора - ST52098
![Джон Дир 7250 Узел гидростатического мотора Узел гидростатического мотора]()
1 - Гидравлический мотор AZ55939
2 - Уплотнительное кольцо R63308 Примечание:120.015 X 5.334 mm (4.725" X 0.210")
Наверх
Гидростатический мотор, 105 см? - ST52099
![Джон Дир 7250 Гидростатический мотор, 105 см? Гидростатический мотор, 105 см?]()
1 - Гидравлический мотор AZ55939
2 - Клапан AZ57367
3 - Винт с головкой 19H2347 Количество:6 Примечание:7/16" X 3"
4 - Винт с головкой 19H1899 Количество:2 Примечание:7/16" X 2"
5 - Регулировочный хомут Z65083
6 - Крышка ....... Примечание:(ORD AZ55939)
7 - Прокладка Z53125
8 - Прокладка AH112678
9 - Сальник AZ56795
10 - Подшипник AZ51531
11 - Пластина Z65082
12 - Пластина Z65106
13 - Комплект гидроцилиндров AZ51529
14 - Опора AZ42076
15 - Пластина Z65079
16 - Поршень AZ51528
17 - Прокладка Z53122
18 - Поршень AZ51527
19 - Наклонная пластина ....... Примечание:(ORD AZ55939)
20 - Ведущий вал AZ56818
21 - Конич. роликов. подшипник AZ42073
22 - Корпус ....... Примечание:(ORD AZ55939)
23 - Уплотнительная шайба H135571
24 - Винт 19H3192 Примечание:5/16" X 3"
25 - Установочный штифт H64813
26 - Трубная заглушка 15H558 Примечание:1/8"
27 - Винт AZ42071
28 - Винт с головкой 19H2228 Количество:4 Примечание:3/8" X 4"
29 - Крышка подшипника ....... Примечание:(ORD AZ56818)
30 - Подшипник ....... Примечание:(ORD AZ56818)
31 - Пружинное кольцо ....... Примечание:(ORD AZ56818)
32 - Редукционный клапан AN122515
33 - Пружинное кольцо N126612
.. - Комплект гидроцилиндров AZ51536
Наверх
Гидростатический клапан, 105 см? - ST52100
![Джон Дир 7250 Гидростатический клапан, 105 см? Гидростатический клапан, 105 см?]()
1 - Клапан AZ57367
2 - Комплект клапанов AH131308
3 - Заглушка фитинга ....... Количество:2 Примечание:ORDER AH131308
4 - Уплотнительное кольцо R26906 Количество:2 Примечание:19.177 X 2.464 mm (0.755" X 0.097")
5 - Пружина ....... Количество:2 Примечание:ORDER AH131308
6 - Клапан N126654 Количество:2
7 - Втулка N128541
8 - Редукционный клапан AN122497
9 - Уплотнительное кольцо H63289 Количество:3 Примечание:20.295 X 2.616 mm (0.799" X 0.103")
10 - Уплотнительное кольцо U17409 Количество:3 Примечание:26.594 X 2.946 mm (1-3/64" X 0.116")
11 - Редукционный клапан AZ51504 Количество:2
12 - Клапан ....... Примечание:ORDER AZ51504
13 - Гильза гидравл. цилиндра ....... Примечание:ORDER AZ57367
14 - Кольцо H63288 Количество:2
15 - Крышка R77175 Количество:2
16 - Уплотнительное кольцо N130510 Количество:2 Примечание:21.895 X 2.616 mm (0.862" X 0.103")
17 - Уплотнительное кольцо R28782 Примечание:8.915 X 1.829 mm (0.351" X 0.072")
18 - Фитинг R51031
19 - Защитное кольцо U40729 Количество:2
20 - Комплект уплотнений AN272356
21 - Диагностическая муфта AZ56051 Количество:2
22 - Уплотнительное кольцо R26448 Количество:2 Примечание:11.887 X 1.981 mm (0.468" X 5/64")
23 - Винт с головкой 19H2228 Количество:4 Примечание:3/8" X 4"
Наверх
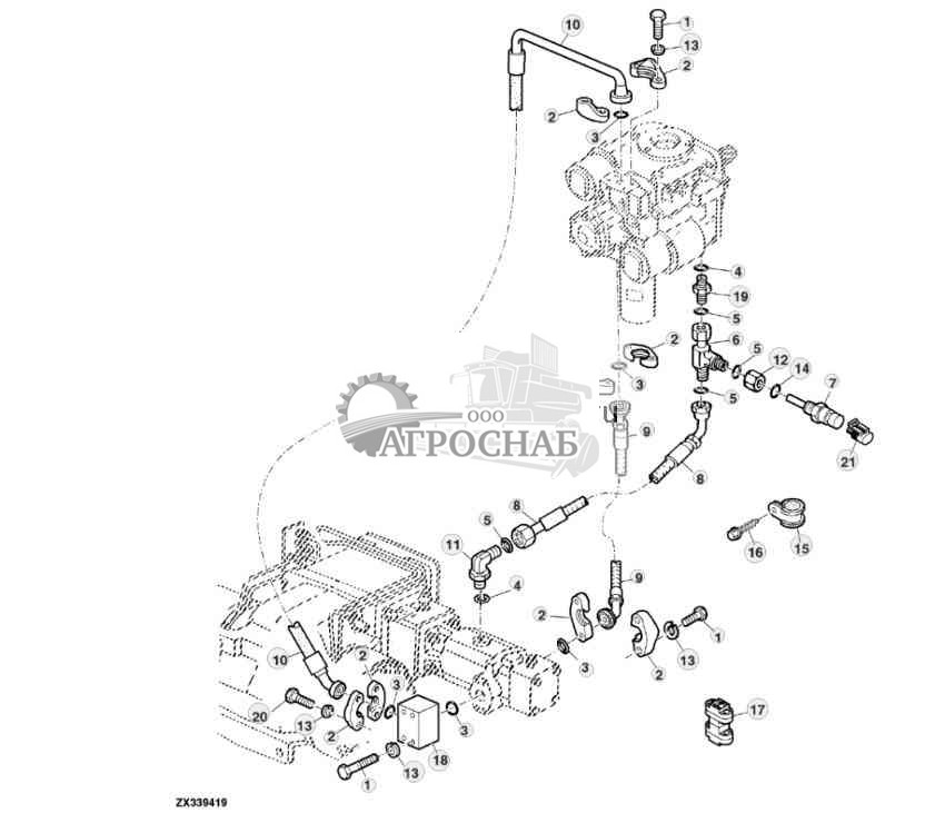
HYDROSTATIC HIGH PRESSURE AND LEAK-OFF OIL LINES (105CC) - ST52101 ( ВЫСОКОГО ГИДРОСТАТИЧЕСКОГО ДАВЛЕНИЯ И УТЕЧКА НЕФТИ ЛИНИИ () - )
![Джон Дир 7250 HYDROSTATIC HIGH PRESSURE AND LEAK-OFF OIL LINES (105CC) HYDROSTATIC HIGH PRESSURE AND LEAK-OFF OIL LINES (105CC)]()
1 - Винт с головкой 19H1740 Примечание:7/16" X 1-3/4"
2 - Фланцевый фитинг H122182 Количество:8
3 - Уплотнительное кольцо T78313 Примечание:32.920 X 3.530 mm (1.296" X 0.139")
4 - Уплотнительное кольцо U12547 Количество:2 Примечание:23.470 X 2.946 mm (0.924" X 0.116")
5 - Уплотнительное кольцо T77858 Количество:4 Примечание:18.771 X 1.778 mm (0.739" X 0.070")
6 - Тройник 38H1033
7 - Датчик темп. гидр. масла AH156144
8 - Гидрошланг AZ59877 Примечание:LGTH = 730 mm
9 - Гидрошланг AZ104134 Примечание:LGTH = 900 mm, (SUB FOR AZ100870)
10 - Гидрошланг AZ103801 Примечание:LGTH = 1300 mm, (SUB FOR AZ100869)
11 - Коленчатый патрубок 38H1007
12 - Фитинг Z74884
13 - Стопорная шайба 12H293 Примечание:7/16"
14 - Уплотнительное кольцо 51M7040 Примечание:9.300 X 2.200 mm
15 - Скоба R72659
16 - Винт 37M7058 Примечание:M8 X 20
17 - Шланговый зажим AZ100798
18 - Коллектор Z104461 Примечание:ALSO ORDER (4) 19H2253, (4) 12H293, T78313
19 - Фитинг переходника 38H1163
20 - Винт с головкой 19H2253 Количество:4 Примечание:7/16" X 3-1/2"
21 - Корпус электр. разъема 57M7850 Примечание:ORDER W/ R104701
Наверх
HYDRAULIC HOSES, FOUR-WHEEL DRIVE - ST52102 ( ГИДРАВЛИЧЕСКИЕ ШЛАНГИ, ПРИВОД НА ЧЕТЫРЕ КОЛЕСА - )
![Джон Дир 7250 HYDRAULIC HOSES, FOUR-WHEEL DRIVE HYDRAULIC HOSES, FOUR-WHEEL DRIVE]()
1 - Гидрошланг AZ104123 Примечание:(SUB FOR AZ56577)
2 - Уплотнительное кольцо T77858 Количество:2 Примечание:18.771 X 1.778 mm (0.739" X 0.070")
3 - Фитинг переходника 38H1163
4 - Уплотнительное кольцо U12547 Количество:2 Примечание:23.470 X 2.946 mm (0.924" X 0.116")
5 - Гидрошланг AZ104124 Примечание:(SUB FOR AZ56578)
6 - Гидрошланг AZ56615
7 - Коленчатый патрубок 38H1007
8 - Коллектор E73884
9 - Фланцевый фитинг H122182 Количество:4
10 - Уплотнительное кольцо T78313 Количество:6
11 - Стопорная шайба 12H293 Количество:8 Примечание:7/16"
12 - Винт с головкой 19H2253 Количество:8 Примечание:7/16" X 3-1/2"
13 - Фланцевый фитинг T107068 Количество:4
14 - Шайба 24M7404 Количество:8 Примечание:12 X 20 X 3 mm
15 - Винт с головкой 19M7493 Количество:8 Примечание:M12 X 40
16 - Коленчатый патрубок 38H5017
17 - Уплотнительное кольцо T77857 Количество:2
18 - Уплотнительное кольцо 51M7043 Количество:2 Примечание:15.300 X 2.200 mm
19 - Уплотнительное кольцо R28782
20 - Уплотнительное кольцо T77814
21 - Фитинг переходника 38H1160
22 - Карман Z74956
23 - Шланговый зажим AZ59875 Количество:2
24 - Карман Z74958
25 - Винт 19M7866 Примечание:M8 X 20
26 - Винт с головкой 19M7325 Количество:2 Примечание:M8 X 80
27 - Фланцевая гайка 14M7298 Примечание:M8
28 - Щиток Z101285
29 - Коленчатый патрубок AZ63582 Примечание:(FOR AZ71318)
30 - Гайка Z51801 Количество:2
31 - Винт 19M7794 Количество:4 Примечание:M16 X 50
32 - Кольцо Z79625
33 - Скоба R46414
34 - Фитинг Z101971
35 - Кольцевой уплотнитель Z101968
36 - Коленчатый патрубок AZ103999 Примечание:(FOR AZ104009)
37 - Уплотнительное кольцо 51M7045 Примечание:19.300 X 2.200 mm
38 - Трубная заглушка L41709
39 - Коллектор Z104462 Примечание:ALSO ORDER (4) 19H2253, (4) 12H293, T78313
40 - Стопорная шайба 12H293 Количество:4 Примечание:7/16"
41 - Винт с головкой 19H1740 Количество:4 Примечание:7/16" X 1-3/4"
Наверх
Аксиально-поршневой мотор, 140 см? - ST52103
![Джон Дир 7250 Аксиально-поршневой мотор, 140 см? Аксиально-поршневой мотор, 140 см?]()
1 - Гидравлический мотор AZ104009 Примечание:(SUB FOR AZ71318)
1 - Гидравлич. мотор восст. PG201797 Примечание:REMAN FOR AZ104009
2 - Сальник AZ100861
3 - Катушка эл/магн. клапана AXE13480 Примечание:(SUB FOR AZ100862)
4 - Комплект уплотнений AZ100860 Примечание:Комплект
5 - Сливной клапан AZ100868
6 - Датчик AZ100864
7 - Электрогидравл. контроллер AZ100863
8 - Трубная заглушка L41709 Количество:2
9 - Уплотнительное кольцо 51M7041 Количество:2 Примечание:11.300 X 2.200 mm
10 - Уплотнительное кольцо 51M7044 Примечание:17.300 X 2.200 mm
11 - Уплотнительное кольцо T56238
.. - Жиклер Z101086
.. - Винт AZ101823 Примечание:Комплект
.. - Комплект гаек AXE13484 Примечание:(SUB FOR Z103085) (FOR AXE13480)
.. - Уплотнительное кольцо Z103090 Примечание:(FOR AXE13480)
.. - Кольцевой уплотнитель Z103182 Примечание:(FOR AXE13480)
Наверх
Закрепляющие винты, главная передача - ST52104
![Джон Дир 7250 Закрепляющие винты, главная передача Закрепляющие винты, главная передача]()
1 - Винт с головкой 19M7888 Количество:8 Примечание:M24 X 60
2 - Стопорная шайба ....... Количество:8
3 - Втулка H87691 Количество:4
4 - Винт с головкой 19M7903 Количество:2 Примечание:M24 X 120
5 - Распорная втулка Z75281 Количество:6
6 - Винт с головкой 19M7936 Количество:6 Примечание:M24 X 130
Наверх
Ведущий вал - ST52105
![Джон Дир 7250 Ведущий вал Ведущий вал]()
1 - Штифт H131754 Количество:4
2 - Пружинное кольцо H133229 Количество:6
3 - Шлицевое соединение H165510 Количество:4
4 - Гильза H134444 Количество:2
5 - Гильза H166201 Количество:2
6 - Ось Z62560 Количество:2 Примечание:LGTH = 387 mm
6 - Ось Z62208 Количество:2 Примечание:LGTH = 451 mm
Наверх
Ведущий вал, сдвоенные шины (для Северной Америки) - ST711533
![Джон Дир 7250 Ведущий вал, сдвоенные шины (для Северной Америки) Ведущий вал, сдвоенные шины (для Северной Америки)]()
1 - Ведущий вал HXE26892 Количество:2 Примечание:(Установка сдвоенной шины с тремя проставками) LH, RH
Наверх
Spacer, Front Axle - ST52106 ( Распорка, Передняя Ось - )
![Джон Дир 7250 Spacer, Front Axle Spacer, Front Axle]()
1 - Винт с головкой 19M7903 6 Примечание:M24 X 120
2 - Втулка H87691 Количество:4
3 - Втулка Z59979 Количество:4
4 - Распорная втулка H163561 Количество:2
5 - Распорная втулка Z13329
6 - Стержень Z67068 Примечание:LGTH = 1900 mm
7 - Шайба Z30966 Количество:2
8 - Гайка CC46648 Количество:4
Наверх
Распорная втулка, передний мост, сдвоенные шины (для Северной Америки) - ST711537
![Джон Дир 7250 Распорная втулка, передний мост, сдвоенные шины (для Северной Америки) Распорная втулка, передний мост, сдвоенные шины (для Северной Америки)]()
1 - Стержень HXE26896
2 - Гайка 14M7278 Количество:7 Примечание:M24
3 - Распорная втулка Z13329 Количество:6
4 - Гайка CC46648 Количество:4
5 - Шайба Z30966 Количество:2
6 - Шайба 24M7243 7 Примечание:25.400 X 50 X 6 mm
7 - Распорная втулка H163561 Количество:2
8 - Втулка Z59979 2
9 - Винт с головкой 19M8993 Количество:9 Примечание:M24 X 250
10 - Втулка HXE26620 Количество:4 Примечание:NLA ORDER Z59979, H87691
11 - Распорная втулка HXE40592 Количество:2
12 - Винт с головкой 19M8216 Количество:2 Примечание:M24 X 310
13 - Втулка H87691 Количество:8
14 - Винт HXE36055 Количество:7 Примечание:NLA; ORDER HXE62668
14 - Стержень HXE62668 Количество:7
Наверх
Главная передача - ST52107
![Джон Дир 7250 Главная передача Главная передача]()
1 - Привод AZ101235 Примечание:ORDER DE31402, SUB FOR AZ101234
1 - Привод DE31402
2 - Штифт с канавкой 25M3827 Количество:2 Примечание:3 X 8 mm
3 - Табл. с серийным номером .......
4 - Крышка HXE17317
Наверх
Главная передача, для тяжелых условий работы - ST52108
![Джон Дир 7250 Главная передача, для тяжелых условий работы Главная передача, для тяжелых условий работы]()
1 - Шпиндель H201791
2 - Сальник AH112401
3 - Маслосборник R90080
4 - Внутр. кольцо подшипника JD10134
5 - Наружн. кольцо подшипн. JD10135
6 - Кольц. упл. V-обр. сеч. H161871
7 - Кольц. упл. V-обр. сеч. AH155232
8 - Смазочная арматура JD7760
9 - Корпус H163694
10 - Фитинг R35352 Количество:2
11 - Линия AH156971
12 - Передача H167723 Примечание:Z = 95, ORDER DE31426
13 - Винт 19M7824 2 Примечание:M16 X 60
14 - Колпачок H154720
15 - Пружинное кольцо H22784
16 - Шпонка вала H125330
17 - Гайка H129854
18 - Внутр. кольцо подшипника JD10266
19 - Наружн. кольцо подшипн. JD7298
20 - Распорная втулка Z102880
21 - Пружинное кольцо H118882
22 - Трубная заглушка 15H255 Количество:2 Примечание:3/8 дюйма
23 - Корпус Z101584
24 - Установочный штифт R54380 Количество:2
25 - Наружн. кольцо подшипн. JD7278
26 - Внутр. кольцо подшипника JD7228 Количество:2
27 - Ведущая шестерня H167722 Примечание:ORDER DE31426
28 - Привод AZ101235 Примечание:ORDER DE31402
28 - Привод DE31402
29 - Прокладка H163745 Количество:2
30 - Колпачок H161540
31 - Винт 19M7835 Количество:4 Примечание:M10 X 35
32 - Сальник AH128391
33 - Прокладка H161543 Количество:2
34 - Прокладка H161542
35 - Прокладка H161541 Количество:2
36 - Трубная втулка 15H511 Примечание:1/8"
37 - Фитинг сброса давления JD5801
38 - Штифт с канавкой 25M3827 Количество:2 Примечание:3 X 8 mm
39 - Табл. с серийным номером .......
40 - Уплотнительное кольцо R26375 Количество:2
41 - Фитинг R39112 Количество:2
42 - Комплект зубчатых колес DE31426 Примечание:INCLUDES H167723 AND H167722
43 - Подшипниковый комплект AXE63131 Примечание:INCLUDES JD10266 AND JD7298
44 - Конич. роликов. подшипник AN372757 Примечание:INCLUDES JD10134 AND JD10135
Наверх
Главная передача - ST52109
![Джон Дир 7250 Главная передача Главная передача]()
1 - Шпиндель H201792
2 - Сальник AH112402
3 - Круглый стопор R52015
4 - Внутр. кольцо подшипника JD9092
5 - Наружн. кольцо подшипн. JD9147
6 - Кольц. упл. V-обр. сеч. R99244
7 - Сальник AH125233
8 - Смазочная арматура JD7760
9 - Корпус H133092
10 - Фитинг R35352 Количество:2
11 - Маслопровод AH120736
12 - Передача H167723 Примечание:Z = 95, ORDER DE31426
13 - Винт 19M7824 2 Примечание:M16 X 60
14 - Колпачок H154720
15 - Пружинное кольцо H22784
16 - Шпонка вала H125330
17 - Гайка H129854
18 - Внутр. кольцо подшипника JD10266
19 - Наружн. кольцо подшипн. JD7298
20 - Распорная втулка Z102880
21 - Пружинное кольцо H118882
22 - Трубная заглушка 15H255 Примечание:3/8 дюйма
23 - Корпус Z101584
24 - Установочный штифт R54380 Количество:2
25 - Наружн. кольцо подшипн. JD7278
26 - Внутр. кольцо подшипника JD7228 Количество:2
27 - Ведущая шестерня H167722 Примечание:ORDER DE31426
28 - Привод AZ101234 Примечание:ORDER DE31401
28 - Привод DE31401
29 - Прокладка H163745 Количество:2
30 - Колпачок H161540
31 - Винт 19M7835 Количество:4 Примечание:M10 X 35
32 - Сальник AH128391
33 - Прокладка H161543 Количество:2
34 - Прокладка H161542
35 - Прокладка H161541 Количество:2
36 - Трубная втулка 15H511 Примечание:1/8"
37 - Фитинг сброса давления JD5801
38 - Штифт с канавкой 25M3827 Количество:2 Примечание:3 X 8 mm
39 - Табл. с серийным номером .......
40 - Уплотнительное кольцо R26375 Количество:2
41 - Фитинг R39112 Количество:2
42 - Комплект зубчатых колес DE31426 Примечание:INCLUDES H167723 AND H167722
43 - Подшипниковый комплект AXE63131 Примечание:INCLUDES JD10266 AND JD7298
Наверх
Пер. мост - ST52110
![Джон Дир 7250 Пер. мост Пер. мост]()
1 - Передний мост AZ72092
2 - Винт 19M7645 Количество:7 Примечание:M20 X 200
3 - Фланцевая гайка 14M7300 Количество: 10 Примечание:M20
4 - Винт с головкой Z66525
5 - Винт 19M8411 Количество:2 Примечание:M20 X 340
6 - Шайба 24M7242 Количество:2 Примечание:21.400 X 42 X 5 mm
Наверх
Крепления трансмиссии - ST52111
![Джон Дир 7250 Крепления трансмиссии Крепления трансмиссии]()
1 - Винт 19M7824 Количество:2 Примечание:M16 X 60
2 - Винт H107504 Количество:2
3 - Фланцевая гайка 14M7291 Количество:2 Примечание:M16
Наверх
Картер трансмиссии - ST52112
![Джон Дир 7250 Картер трансмиссии Картер трансмиссии]()
1 - Комплект трансмиссии AH140410
2 - Рычаг переключ. передач H135112
3 - Каток R26207 Количество:2
4 - Крепление со штифтом H76152 Количество:2
5 - Магистраль H146640
6 - Заглушка N102039
7 - Рычаг переключ. передач AH122575
8 - Корпус CE18201
9 - Втулка N196062
10 - Уплотнительное кольцо T77857 Примечание:12.421 X 1.778 mm (0.489" X 0.070")
11 - Фитинг R33138
12 - Трубная заглушка 15H238 Примечание:3/4"
13 - Штифт T76836
14 - Уплотнительное кольцо R26375 Примечание:16.358 X 2.210 mm (0.644" X 0.087")
15 - Рычаг переключ. передач DE19509
.. - Заливочный насос TY6305
Наверх
Входной вал, трансмиссия - ST52113
![Джон Дир 7250 Входной вал, трансмиссия Входной вал, трансмиссия]()
1 - Магистраль H140313
2 - Шлицевое соединение H129525
3 - Пружинное кольцо M41029 Количество:2
4 - Шпилька 42M7029 Количество:4
5 - Фланцевая гайка 14M7299 Количество:4 Примечание:M12
6 - Винт 19M7844 Количество:4 Примечание:M16 X 45
7 - Сапун AH20868
8 - Внутр. кольцо подшипника AR94761
9 - Уплотнительное кольцо U10776
10 - Прокладка H132892 Примечание:TK = 0.076 mm
10 - Прокладка H132894 Примечание:TK = 0.127 mm
10 - Прокладка H132893 Примечание:TK = 0.508 mm
11 - Винт 19M7786 Примечание:M10 X 30
12 - Наружн. кольцо подшипн. JD8257
13 - Шайба H82232
14 - Втулка H82233
15 - Пластина H82234
16 - Ротор AH128528
17 - Корпус H143312
18 - Наружн. кольцо подшипн. JD8237
19 - Внутр. кольцо подшипника JD10182
20 - Пружинное кольцо P43969
21 - Муфта переключателя H129564
22 - Муфта переключателя H129565
23 - Передача H135943
23 - Передача Z67042 Примечание:(Для США)
24 - Жиклер H110539
25 - Универсальный ведущий вал Z13322
25 - Универсальный ведущий вал Z13324 Примечание:(Для 4WD)
26 - Уплотнительное кольцо R495R Количество:2
27 - Шпонка вала 26M4228 Примечание:8 X 28 mm
28 - Установочный штифт H75358
29 - Фитинг AH125228
30 - Винт 19M8162 Примечание:M10 X 40
31 - Уплотнительное кольцо R394R
32 - Трубная заглушка 15H638 Примечание:1/8"
33 - Трубная заглушка 15H238 Примечание:3/4"
34 - Шайба 24H1111 Примечание:17/32" X 1-1/16" X 0.090"
35 - Масляная трубка H131296
36 - Сито AH121580
37 - Масляная трубка H140314
38 - Корпус CE18201
Наверх
TRANSMISSION INTERMEDIATE SHAFT - ST52114 ( ПЕРЕДАЧИ ПРОМЕЖУТОЧНОГО ВАЛА - )
![Джон Дир 7250 TRANSMISSION INTERMEDIATE SHAFT TRANSMISSION INTERMEDIATE SHAFT]()
1 - Передача Z76446 Примечание:Z=39
1 - Передача Z77031 Примечание:(FOR FOUR-WHEEL DRIVE) Z=36
2 - Пружинное кольцо R26265 Количество:4
3 - Муфта переключателя H133010
4 - Муфта переключателя H129564 Примечание:(УЗКИЙ ПАЗ)
4 - Втулка CE18505 Примечание:(ШИРОКИЙ ПАЗ)
5 - Передача H135942 Примечание:Z=32
5 - Передача Z72485 Примечание:Z = 28
6 - Передача H132618 Примечание:Z = 24
6 - Косозубое колесо Z67043 Примечание:(FOR USA ONLY) Z=23
7 - Шпонка вала 26M4228 Примечание:8 X 28 mm
8 - Ведущая шестерня CE18223 Примечание:Z = 13
9 - Жиклер H110539
10 - Шайба H103167
11 - Внутр. кольцо подшипника JD8182
12 - Наружн. кольцо подшипн. JD8223
13 - Крышка подшипника H144385
14 - Уплотнительное кольцо U10746
15 - Пружинное кольцо H129558
16 - Водило сателлитов H140311
17 - Винт 19M7786 Количество:3 Примечание:M10 X 30
18 - Прокладка H132892 Примечание:TK=0, 076 MM
18 - Прокладка H132893 Примечание:TK=0, 127 MM
18 - Прокладка H132894 Примечание:TK=0, 508 MM
19 - Уплотнительное кольцо U10776
20 - Наружн. кольцо подшипн. JD8267
21 - Внутр. кольцо подшипника JD8979 Посмотреть аналогичные детали
Наверх
DIFFERENTIAL (TRANSMISSION) - ST52115 ( ДИФФЕРЕНЦИАЛ (КОРОБКА ПЕРЕДАЧ) - )
![Джон Дир 7250 DIFFERENTIAL (TRANSMISSION) DIFFERENTIAL (TRANSMISSION)]()
1 - Передача CE19116 Примечание:Z=60
2 - Винт 19M7985 4 Примечание:M12 X 35
3 - Корпус N197422
4 - Упорная шайба H133202 Количество:2
5 - Упорная шайба R70112 Количество:2
6 - Игольчатый ролик R70115 Количество:52
7 - Ведущая шестерня Z12964 Количество:2 Примечание:Z = 12
8 - Упорная шайба R70113 Количество:2
9 - Кольцо YZ120471 Количество:2 Примечание:(Sub For R70114)
10 - Штифт H146646
11 - Пружинный шплинт 34M7073 Примечание:10 X 65 mm
12 - Передача H92308 Количество:2 Примечание:Z = 20
13 - Шайба H164794 Количество:2
14 - Сальник AT40603 Количество:2
15 - Наружн. кольцо подшипн. JD7425 Количество:2
16 - Внутр. кольцо подшипника JD8147 Количество:2
17 - Прокладка H126572 Примечание:TK=0, 076 MM
17 - Прокладка H126573 Примечание:TK=0, 127 MM
17 - Прокладка H126575 Примечание:TK=0, 508 MM
18 - Уплотнительное кольцо R27796 Количество:2
19 - Корп. подшипн. без подш. H130407 Количество:2
20 - Винт 19M7844 2 Примечание:M16 X 45
21 - Датчик AZ51016
22 - Гайка H104418
23 - Ось H165508 Количество:2
24 - Кольцо C3936E Количество:4
25 - Цилиндр. ролик. подшипник JD7502 Количество:2
26 - Узел электрич. разъема AZ50831 Примечание:(ORD W/ Z64311, (2) Z64309)
27 - Датчик AH116104
.. - Консистентная смазка TY6341
.. - Герметик L41476
Наверх
Кулачок рычага переключения передач, крышка корпуса, трансмиссия дифференциал - ST52116
![Джон Дир 7250 Кулачок рычага переключения передач, крышка корпуса, трансмиссия дифференциал Кулачок рычага переключения передач, крышка корпуса, трансмиссия дифференциал]()
1 - Шар N105745
2 - Пружина R67639
3 - Крышка H167894
4 - Изолятор H133662
5 - Скоба H133047
6 - Винт 19M8317 Количество:2 Примечание:M8 X 40
7 - Ограждение Z71385
8 - Рукоять AH128267
9 - Шайба H75700
10 - Уплотнительное кольцо R71144
11 - Пружинный шплинт CE18374
12 - Переключатель RE46534
13 - Уплотнительное кольцо 51M7042 Примечание:13.300 X 2.200 mm
14 - Винт 19M7786 2 Примечание:M10 X 30
15 - Эксцентрик H167375
16 - Оплетка Z42773
17 - Скоба Z22067 Количество:2
18 - Винт 19M7775 Примечание:M6 X 16
19 - Фланцевая гайка 14M7303 Примечание:M6
.. - Заливочный насос TY6305
Наверх
Крышка картера дифференциала кулачок рычага переключения передач, 20 kmh - ST52117
![Джон Дир 7250 Крышка картера дифференциала кулачок рычага переключения передач, 20 kmh Крышка картера дифференциала кулачок рычага переключения передач, 20 kmh]()
1 - Крышка Z13344
2 - Эксцентрик H167375
3 - Шар N105745
4 - Втулка Z70299
5 - Пружина T27888
6 - Гайка 14M7272 Количество:2 Примечание:M6
7 - Стопорная шайба 12M7133 Количество:2 Примечание:6 mm
8 - Изолятор H133662
9 - Скоба H133047
10 - Винт 19M8317 Количество:2 Примечание:M8 X 40
11 - Винт 21M5631 Примечание:M6 X 45
12 - Винт Z70300
13 - Шайба Z52951 Примечание:8.500 X 25.500 X 3.500 mm (0.335" X 1.004" X 0.138")
14 - Сердечник Z69965
15 - Пружина сжатия Z70691
16 - Уплотнительное кольцо R26906
17 - Винт с головкой 19M7077 Количество:2 Примечание:M6 X 20
18 - Соленоид AZ55775
19 - Винт 19M7786 2 Примечание:M10 X 30
20 - Уплотнительное кольцо 51M7042 Примечание:13.300 X 2.200 mm
21 - Переключатель RE46534
22 - Ограждение Z71385
23 - Пружинный шплинт 34M7071 Примечание:10 X 35 mm
24 - Пружинный шплинт CE18374
25 - Рычаг переключ. передач AZ64014
26 - Шайба H75700
27 - Уплотнительное кольцо R71144
28 - Фланцевая гайка 14M7303 Примечание:M6
29 - Оплетка Z42773
30 - Скоба Z22067
31 - Винт 19M7775 Примечание:M6 X 16
.. - Заливочный насос TY6305
Наверх
Переключение передач - ST52118
![Джон Дир 7250 Переключение передач Переключение передач]()
1 - Толкающе-буксир. кабель AH210977
2 - Шаровое соединение AH125958 Количество:2
3 - Винт 37M7058 Количество:3 Примечание:M8 X 20
4 - Зажимная скоба AH77724 Количество:3
5 - Фланцевая гайка 14M7296 Примечание:M10
6 - Изолятор H133662
7 - Скоба H133047
8 - Винт 19M7786 Количество:4 Примечание:M10 X 30
9 - Гайка 14M7274 Количество:2 Примечание:M10
Наверх
Угловой привод - ST52119
![Джон Дир 7250 Угловой привод Угловой привод]()
1 - Трансмиссия AZ103158 Serial No.______-085499
1 - Трансмиссия AZ104272 Serial No.085500-______
Наверх
Drive Shaft - Hydrostatic Pump, AC Compressor And Gear-Type Pump - ST52121 ( Вал привода - гидростатический насос, компрессор кондиционера и шестеренчатого насоса )
![Джон Дир 7250 Drive Shaft Drive Shaft]()
1 - Гайка 14M7473 Количество:2 Serial No.______-085499 Примечание:M30
2 - Винт 19M7786 Количество:2 Serial No.______-085499 Примечание:M10 X 30
3 - Сальник AZ42575 Serial No.______-085499
4 - Уплотнительное кольцо L53825 Serial No.______-085499
5 - Распорная втулка Z105978 Serial No.______-085499 Примечание:(SUB FOR Z100035)
6 - Внутр. кольцо подшипника JD8194 Serial No.______-085499
7 - Наружн. кольцо подшипн. JD8230 Serial No.______-085499
8 - Пружинное кольцо Z49120 Количество:2 Serial No.______-085499
9 - Наружн. кольцо подшипн. JD8271 Serial No.______-085499
10 - Внутр. кольцо подшипника JD8988 Serial No.______-085499
11 - Ось ....... Serial No.______-085499 Примечание:(ORD AZ43369)
12 - Шариковый подшипник JD7145 Количество:4 Serial No.______-085499
13 - Пружинное кольцо A1401R Serial No.______-085499
14 - Передача Z13199 Serial No.______-085499 Примечание:Z = 29
15 - Шайба L37713 Serial No.______-085499
16 - Уплотнительное кольцо R30200 Serial No.______-085499
17 - Штифт Z69873 Serial No.______-085499
18 - Винт 19M7837 Serial No.______-085499 Примечание:M12 X 110
19 - Винт 19M7790 Количество:4 Serial No.______-085499 Примечание:M12 X 35
20 - Фланец Z13236 Serial No.______-085499
21 - Уплотнительное кольцо T12275 Serial No.______-085499
22 - Передача Z102731 Serial No.______-085499 Примечание:(SUB FOR AZ101343) Z = 27
23 - Ось AZ43369 Serial No.______-085499
24 - Пластина CE17230 Serial No.______-085499 Примечание:(FOR 4-GEAR LENGTH-OF-CUT TRANSMISSION)
25 - Уплотнительное кольцо Z37470 Serial No.______-085499
26 - Болт 19M7791 Количество:4 Serial No.______-085499 Примечание:M12 X 40
27 - Прокладка Z78176 Количество:2 Serial No.______-085499
28 - Распорная втулка Z101337 Serial No.______-085499
29 - Шайба 24M7032 Serial No.______-085499 Примечание:31 X 45 X 5 mm
30 - Крышка ....... Serial No.______-085499
Наверх
Drive Shaft - Hydrostatic Pump, AC Compressor And Gear-Type Pump - ST52122 ( Вал привода - гидростатический насос, компрессор кондиционера и шестеренчатого насоса )
![Джон Дир 7250 Drive Shaft Drive Shaft]()
1 - Гайка 14M7473 Serial No.085500-______ Примечание:M30
2 - Шайба 24M7032 Serial No.085500-______ Примечание:31 X 45 X 5 mm
3 - Сальник AZ42575 Serial No.085500-______
4 - Уплотнительное кольцо L53825 Serial No.085500-______
5 - Распорная втулка Z105978 Serial No.085500-______ Примечание:(SUB FOR Z100035)
6 - Внутр. кольцо подшипника JD8194 Serial No.085500-______
7 - Наружн. кольцо подшипн. JD8230 Serial No.085500-______
8 - Пружинное кольцо Z49120 Serial No.085500-______
9 - Наружн. кольцо подшипн. Z105039 Serial No.085500-______
10 - Внутр. кольцо подшипника AZ103726 Serial No.085500-______
11 - Ось ....... Serial No.085500-______ Примечание:(ORD AZ104278)
12 - Шариковый подшипник JD7145 Количество:4 Serial No.085500-______
13 - Пружинное кольцо A1401R Serial No.085500-______
14 - Передача Z13199 Serial No.085500-______ Примечание:Z = 29
15 - Шайба L37713 Serial No.085500-______
16 - Уплотнительное кольцо R30200 Serial No.085500-______
17 - Штифт Z69873 Serial No.085500-______
18 - Винт 19M7837 Serial No.085500-______ Примечание:M12 X 110
19 - Винт 19M7790 Количество:4 Serial No.085500-______ Примечание:M12 X 35
20 - Фланец Z13236 Serial No.085500-______
21 - Уплотнительное кольцо T12275 Serial No.085500-______
22 - Передача Z102731 Serial No.085500-______ Примечание:Z = 27, (SUB FOR Z101343)
23 - Ось AZ104278 Serial No.085500-______
24 - Прокладка Z78176 Количество:2 Serial No.085500-______
25 - Винт 19M7788 Количество:4 Serial No.085500-______ Примечание:M12 X 25
26 - Болт 19M7791 Количество:4 Serial No.085500-______ Примечание:M12 X 40
27 - Пластина CE17230 Serial No.085500-______ Примечание:(For 4-Gear Length-Of-Cut Transmission)
28 - Прокладка Z105688 Serial No.085500-______
29 - Крышка ....... Serial No.085500-______
30 - Винт 19M7786 Количество:2 Serial No.085500-______ Примечание:M10 X 30
Наверх
Angular Drive - Input Shaft - ST126608 ( Угловой Привод - Входной Вал - )
![Джон Дир 7250 Angular Drive Angular Drive]()
1 - Фитинг шланга Z53784
2 - Уплотнительное кольцо L34451
3 - Корпус Z104189 Serial No.______-085499
3 - Корпус Z106015 Serial No.085500-______
4 - Внутр. кольцо подшипника JD8965
5 - Наружн. кольцо подшипн. JD8255
6 - Прокладка Z48422 Количество:4 Примечание:TK=0.05 MM
7 - Прокладка Z48423 Количество:5 Примечание:TK=0, 25 MM
8 - Прокладка Z48424 Количество:4 Примечание:TK=0.50 MM
9 - Прокладка Z49095 Количество:5 Примечание:TK=0.12 MM
10 - Крышка Z11926
11 - Болт 19M7791 Количество:3 Примечание:M12 X 40
12 - Заглушка AH18240
13 - Коническая шестерня ....... Примечание:NSEP (ORD AZ50139)
14 - Шпонка вала 49M4120 Примечание:10 X 8 X 40 mm
15 - Ось Z70990 Примечание:Z = 13
16 - Внутр. кольцо подшипника JD9070
17 - Наружн. кольцо подшипн. JD9106
18 - Подшипник с корпусом AZ43368
19 - Винт 19M7788 Количество:3 Примечание:M12 X 25
20 - Сальник E56835
21 - Опора подшипника ....... Примечание:(ORD AZ43368)
22 - Винт с головкой 19H2731 2 Примечание:7/16" X 1-3/8"
23 - Стопорная шайба 12H293 2 Примечание:7/16"
24 - Заглушка CE17326
25 - Штифт с канавкой 25M3827 Количество:2 Примечание:3 X 8 mm
26 - Прокладка 24M7029 Количество:2
.. - Коническая шестерня AZ50139
Наверх
ANGULAR DRIVE - OUTPUT SHAFT - ST52124 ( УГЛОВОЙ ПРИВОД - ВАЛ - )
![Джон Дир 7250 ANGULAR DRIVE ANGULAR DRIVE]()
1 - Стопорная гайка Z49356
2 - Шайба HXE21474
3 - Коническая шестерня ....... Примечание:NSEP (ORD AZ50139)
4 - Наружн. кольцо подшипн. JD9021 Количество:2
5 - Внутр. кольцо подшипника JD10024 Количество:2
6 - Прокладка Z48430 Количество:2 Примечание:TK= 0.05 MM
6 - Прокладка Z48431 Количество:2 Примечание:Толщина = 0,25 mm
6 - Прокладка Z48432 Количество:2 Примечание:TK= 0.50 MM
6 - Прокладка Z49096 Количество:2 Примечание:Толщина = 0,12 mm
7 - Ниппель с резьбой 29H660 Примечание:3/8 дюйма
8 - Муфта 15H597 Примечание:3/8 дюйма
9 - Сапун AH20868
10 - Корпус HXE21997 Примечание:(Sub For Z11930)
11 - Ось ....... Примечание:(ORD AZ100113)
12 - Сальник AZ48693
13 - Пружинное кольцо 40M1874
14 - Цилиндр. ролик. подшипник AZ48695
15 - Ступица Z12824
16 - Распорная втулка Z61765
17 - Пружинное кольцо 40M1873
18 - Шариковый подшипник AZ49081
19 - Сальник AZ48694
20 - Установочный штифт BP13613 Количество:2
21 - Винт 19M7813 Количество:6 Примечание:M12 X 45
22 - Ось AZ100113
23 - Пружинное кольцо 40M7195 Количество:4
24 - Крепление со штифтом Z49743 Количество:2
25 - Изолятор AT72059 Количество:2
26 - Трубная заглушка 15H255 Примечание:3/8 дюйма
.. - Коническая шестерня AZ50139 Примечание:Комплект
Наверх
Дисковое сцепление шкив, угловой привод - ST52125
![Джон Дир 7250 Дисковое сцепление шкив, угловой привод Дисковое сцепление шкив, угловой привод]()
1 - Гайка Z42024 Количество:2
2 - Стопорная пластина Z56409
3 - Уплотнительное кольцо R61015 Количество:2
4 - Муфта AZ72133 Примечание:4 Disks
5 - Корпус Z12941
6 - Винт 19M7788 Примечание:M12 X 25
7 - Винт 19M7790 Количество:8 Примечание:M12 X 35
8 - Шкив Z13081 Примечание:(Со скоростью режущей головки 1150 об/мин) OD = 346 mm
8 - Шкив Z12936 Примечание:(Со скоростью режущей головки 1000 об/мин) OD = 306 mm
9 - Сальник AZ48694
10 - Ступица Z12824
11 - Шариковый подшипник AZ49081
12 - Пружинное кольцо 40M1873
13 - Распорная втулка Z61765
14 - Цилиндр. ролик. подшипник AZ48695
15 - Сальник AZ48693
16 - Пружинное кольцо 40M1874
Наверх
Узлы дискового сцепления - ST52127
![Джон Дир 7250 Узлы дискового сцепления Узлы дискового сцепления]()
1 - Муфта AZ72133
2 - Комплект уплотнений AZ101278
3 - Цилиндр AZ100980
4 - Поршень AZ100981
5 - Ступица AZ55898
6 - Комплект оборудования AZ55899
7 - Диск с канавкой ....... Количество:6 Примечание:PKG (6), NSEP, ORDER AZ55475
8 - Пружинное кольцо 40M7183
9 - Диск со шлицом ....... Количество:5 Примечание:PKG (5), NSEP, ORDER AZ55475
10 - Муфта AZ55475
11 - Распорная втулка .......
Наверх
Сапун, картер главной конической шестерни - ST52129
![Джон Дир 7250 Сапун, картер главной конической шестерни Сапун, картер главной конической шестерни]()
1 - Коленчатый патрубок Z81583 Количество:2
2 - Гидрошланг Z81535 Примечание:LGTH = 600 mm
3 - Выпускное отверстие AZ71466
4 - Гидрошланг Z81554 Примечание:LGTH = 700 mm
5 - Фитинг шланга Z81348
6 - Уплотнительное кольцо Z27993
7 - Крышка заливной горловины AZ71377
8 - Гайка 14M7153 Примечание:M10
Наверх
Натяжитель, главный привод - ST52130
![Джон Дир 7250 Натяжитель, главный привод Натяжитель, главный привод]()
1 - Пружинный шплинт 24M7052 Количество:2
2 - Гайка 14M7143 Примечание:M24
3 - Натяжной шкив Z12939
4 - Гайка 14M7473 Примечание:M30
5 - Гайка Z49748
6 - Сальник 48M7026
7 - Внутр. кольцо подшипника JD8100 Количество:2
8 - Наружн. кольцо подшипн. JD7424 Количество:2
9 - Крепление со штифтом Z63885
10 - Смазочная арматура 58M7004 Количество:2
10 - Смазочная арматура 58M5575 Количество:2 Примечание:(Только для системы централизованной смазки)
11 - Рычаг Z13082
12 - Втулка Z20862 Количество:2
13 - Винт с головкой 19M8044 Примечание:M16 X 210
14 - Шпилька Z49746
15 - Стопор AZ42643
16 - Стопорная гайка 14M7173 Примечание:M20
17 - Фланцевая гайка 14M7299 Примечание:M12
18 - Г-образный болт Z56705
19 - Стопорная шайба 12M1633 Примечание:24.500 mm
20 - Фланцевая гайка 14M7291 Количество:4 Примечание:M16
21 - Винт 19M7793 Количество:2 Примечание:M16 X 40
22 - Винт с барашком Z53957 Количество:2
23 - Звено цепи AZ45111
24 - Крючок Z24909
.. - Герметик PM37418 Примечание:(SUB FOR TY9370)
Наверх
Шкив отклонения главного привода - ST52131
![Джон Дир 7250 Шкив отклонения главного привода Шкив отклонения главного привода]()
1 - Гайка 14M7051 Примечание:M30
2 - Натяжной шкив Z12939
3 - Наружн. кольцо подшипн. JD7424 Количество:2
4 - Крепление со штифтом Z12942
5 - Сальник 48M7026 Количество:2
6 - Внутр. кольцо подшипника JD8100 Количество:2
7 - Гайка Z49748
8 - Рым-болт H127583 Количество:2
9 - Стопорная гайка 14M7170 Примечание:M16
10 - Смазочная арматура 58M7004
11 - Шайба Z49774
12 - Фланцевая гайка 14M7291 Количество:4 Примечание:M16
.. - Герметик PM37418 Примечание:(SUB FOR TY9370)
Наверх
Главный ременной привод - ST52132
![Джон Дир 7250 Главный ременной привод Главный ременной привод]()
1 - Клиновой ремень AZ53570
Примечание:(For 1000 rpm Main Drive Speed - 1800 and 2000 Rpm Fan Speeds) LGTH = 6275 mm
2 - Набор ремня AZ51639 Примечание:(For 1150 rpm Main Drive Speed, 1800 rpm Fan Speed) LGTH = 6375 mm
Наверх
Приводные колеса - ST52134
![Джон Дир 7250 Приводные колеса Приводные колеса]()
1 - Обод AXE11109 Количество:2 Примечание:DH20X32ET40
1 - Обод AZ59118 Количество:2 Примечание:DH20X32ET110, NLA
1 - Обод AXE11108 Количество:2 Примечание:DW20BX34ET113
1 - Обод AZ59117 Количество:2 Примечание:DH21X32ET68
1 - Обод AZ65101 Количество:2 Примечание:DW21AX32ET-143
1 - Обод AZ62058 Количество:2 Примечание:DH25X32ET-7
1 - Обод AZ59120 Количество:2 Примечание:DH25X32 ET51
1 - Обод AXE11110 Количество:2 Примечание:DW25BX32 ET- 30, NLA
1 - Обод AZ59757 Количество:2 Примечание:DW27AX32ET-171
1 - Обод AZ63390 Количество:2 Примечание:DW27AX32ET7
1 - Обод AZ63392 Количество:2 Примечание:DW36AX32ET-100
2 - Шина ....... Количество:2 Примечание:620/75R34 170 A8, FOR DW20BX34
2 - Шина ....... Количество:2 Примечание:650/75R32 172 A8, FOR DH20X32, DH21X32, DW21AX32
2 - Шина ....... Количество:2 Примечание:800/65R32 172 A8, FOR DH25X32, DW25BX32, DW27AX32
2 - Шина ....... Количество:2 Примечание:800/65R32 178 A8, FOR DW25BX32
2 - Шина ....... Количество:2 Примечание:900/55R32 173 A8, FOR DW27AX32
2 - Шина ....... Количество:2 Примечание:1050/50R32 178 A8, FOR DW36AX32
2 - Шина ....... Примечание:800/65R32 AC70N 178A, FOR DH25X32
2 - Шина ....... Примечание:800/65 R32 AC70N 178A8 C, FOR DH25X32, DW25AX32
3 - Шток вентиля шины AT25226
4 - Распорная втулка H134114 Количество: 10
5 - Винт H134600 Количество: 10 Примечание:M20 X 85
5 - Винт Z78644 Количество: 10 Примечание:M20 X 110
6 - Фланец Z79040 Количество:2 Примечание:OD = 360 MM
6 - Фланец Z79041 Количество:2 Примечание:OD = 380 MM
7 - Шайба 12M7055 Количество:2 Примечание:13 mm
8 - Винт 19M7073 Количество:2
Наверх
Комплект для самостоятельной установки, ведущие колеса, шины двускатных колес - ST858840
![Джон Дир 7250 Комплект для самостоятельной установки, ведущие колеса, шины двускатных колес Комплект для самостоятельной установки, ведущие колеса, шины двускатных колес]()
1 - Комплект шины BXE10165
Наверх
Ведущие колеса, сдвоенные шины - ST711475
![Джон Дир 7250 Ведущие колеса, сдвоенные шины Ведущие колеса, сдвоенные шины]()
1 - КОЛЕСО AH163172 Количество:2 Примечание:38XWH18A
1 - КОЛЕСО AH130626 Количество:2 Примечание:42XDDWL 16"
2 - Шток вентиля шины AT25226 Количество:4
3 - КОЛЕСО AH163171 Количество:2 Примечание:38XWH18A
3 - КОЛЕСО AH150345 Количество:2 Примечание:42XDDWL 16”
4 - Метка H158975 Количество:4
5 - Метка H230599 Количество:4 Примечание:FOR 38XWH18A
6 - Метка H230598 Количество:4 Примечание:FOR 42XDD 16”
7 - Метка H233579 Количество:4
8 - Шина ....... Количество:2 Примечание:480/80R42 162A8 R1, FOR 42XDD 16”
8 - Шина ....... Количество:2 Примечание:520/85R38 160A8 R1, FOR 38XWH18A
Наверх
Attachment, Dual Tires Bolt Kit - ST827498 ( Вложение, Двойной Шины Комплект Болтов - )
![Джон Дир 7250 Attachment, Dual Tires Bolt Kit Attachment, Dual Tires Bolt Kit]()
1 - Комплект болтов BXE10227
Наверх
Dual Tires, Bolt Kit - ST827500 ( Сдвоенных Колес, Комплект Болтов - )
![Джон Дир 7250 Dual Tires, Bolt Kit Dual Tires, Bolt Kit]()
1 - Распорная втулка H157698 Количество:2
2 - Распорная втулка H134114 Количество:20
3 - Стержень H138607
4 - Винт H210201 Количество:40
5 - Лампа AFH203263 Количество:2
Наверх