Содержимое: Каталог Запчастей John Deere :1450CWSWTS and 1550CWSWTS Combines (Maintenance Parts Catalog) European Edition - PC9643 125 CLEANING UNIT

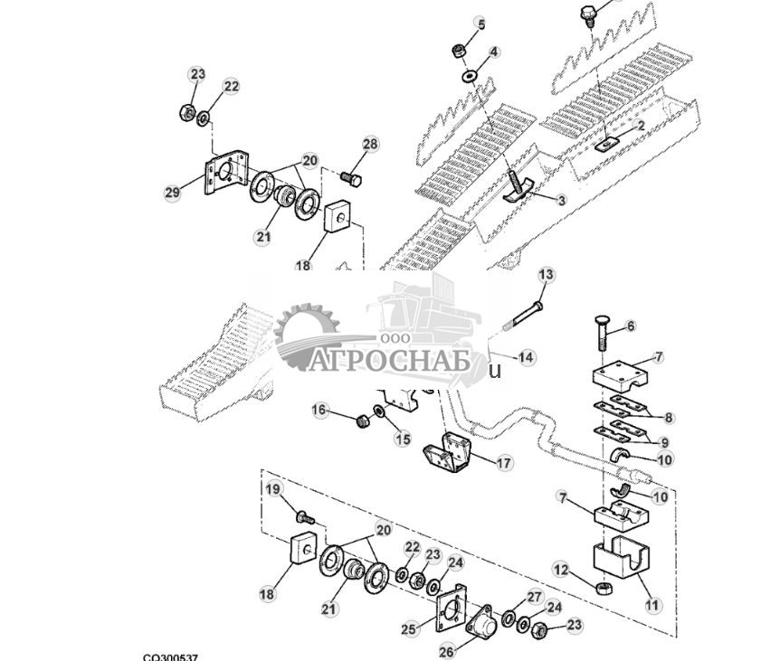
POWER SEPARATOR - ST549924 ( РАЗДЕЛИТЕЛЬ ПИТАНИЯ - )

EXTENSION - ST549925 ( Расширение )

EXTENSION - ST549926 ( Расширение )

CLEANING SHOE SUSPENSION - ST549927 ( ЧИСТКА ПОДВЕСКИ ОБУВИ )

CLEANING SHOE SUSPENSION - ST549928 ( ЧИСТКА ПОДВЕСКИ ОБУВИ )

GRAIN PAN SHAFT AND SUSPENSION - ST549929 ( ЗЕРНО ПАН ВАЛА И ПОДВЕСКИ - )

STRAW WALKERS - ST549930 ( СОЛОМОТРЯС - )

STRAW WALKER - ST549931 ( СОЛОМОТРЯС - )

POWER SEPARATOR - ST549924 ( РАЗДЕЛИТЕЛЬ ПИТАНИЯ - )


POWER SEPARATOR - ST549924 40.jpg


1 - Винт с головкой 19M7162 Поддерживаемые модели1450CW, 1550CW Serial No.______-060000 Примечание:M8 X 16
2 - Стопорная гайка 14M7166 Поддерживаемые модели1450CW, 1550CW Примечание:M8
3 - Направляющая CQ10969 5 Поддерживаемые модели1450CW Serial No.______-060000
3 - Направляющая CQ10969 8 Поддерживаемые модели1550CW Serial No.______-060000
4 - Заклепка Z47466 Поддерживаемые модели1450CW, 1550CW Serial No.060001-______
5 - Втулка ....... Поддерживаемые модели1450CW, 1550CW Serial No.060001-______ Примечание:NSEP (ORDER AZ101503)
6 - Направляющая AZ101503 8 Поддерживаемые модели1450CW, 1550CW Serial No.060001-______ Примечание:(INCL KEY 45)
7 - Направляющая Z101844 Поддерживаемые модели1450CW, 1550CW Serial No.060001-______
8 - Шариковый подшипник DQ02624 Поддерживаемые модели1450CW, 1550CW Serial No.______-060000
8 - Шариковый подшипник JD39103 Количество:2 Поддерживаемые модели1450CW, 1550CW Serial No.060001-______
9 - Формован. фланцевый корпус S20093 Поддерживаемые модели1450CW, 1550CW Serial No.______-060000
9 - Формован. фланцевый корпус Z38395 Поддерживаемые модели1450CW, 1550CW Serial No.060001-______
10 - Винт с головкой 19M7166 Поддерживаемые модели1450CW, 1550CW Примечание:M10 X 20
11 - Шайба 24M7040 Поддерживаемые модели1450CW, 1550CW Примечание:11 X 20 X 2 mm
12 - Стопорная шайба 12M7067 Поддерживаемые модели1450CW, 1550CW Serial No.______-060000 Примечание:12 mm
12 - Стопорная шайба 12M7013 Поддерживаемые модели1450CW, 1550CW Serial No.060001-______ Примечание:10.200 mm
13 - Гайка 14M7274 Поддерживаемые модели1450CW, 1550CW Примечание:M10

Наверх

EXTENSION - ST549925 ( Расширение )


EXTENSION - ST549925 41.jpg


1 - Стержень Z47951 Поддерживаемые модели1450AL, 1450CW
2 - Болт 03M7069 Поддерживаемые модели1450AL, 1450CW Примечание:M8 X 35
3 - Хомут CQ52846 Количество:2 Поддерживаемые модели1450AL, 1450CW
4 - Стопор Z47953 Количество:4 Поддерживаемые модели1450AL, 1450CW
5 - Стопорная шайба 12M7065 Поддерживаемые модели1450AL, 1450CW Примечание:8 mm
6 - Гайка-барашек 14M7020 Поддерживаемые модели1450AL, 1450CW Примечание:M8

Наверх

EXTENSION - ST549926 ( Расширение )


EXTENSION - ST549926 42.jpg


1 - Стержень Z47951 Поддерживаемые модели1550CW
2 - Болт 03M7069 Поддерживаемые модели1550CW Примечание:M8 X 35
3 - Хомут CQ21310 Количество:4 Поддерживаемые модели1550CW
4 - Корп. подшипн. без подш. CQ21309 Количество:8 Поддерживаемые модели1550CW
5 - Стопорная шайба 12M7065 Поддерживаемые модели1550CW Примечание:8 mm
6 - Гайка-барашек 14M7020 Поддерживаемые модели1550CW Примечание:M8

Наверх

CLEANING SHOE SUSPENSION - ST549927 ( ЧИСТКА ПОДВЕСКИ ОБУВИ )


CLEANING SHOE SUSPENSION - ST549927 43.jpg


1 - Втулка P42100 Количество:6 Поддерживаемые модели1450AL, 1450CW, 1550CW
2 - Направляющая AZ54780 Поддерживаемые модели1450AL, 1450CW, 1550CW
3 - Пружинное кольцо 40M1861 Поддерживаемые модели1450AL, 1450CW, 1550CW
4 - Стопорная гайка 14M7170 Поддерживаемые модели1450AL, 1450CW, 1550CW Примечание:M16

Наверх

CLEANING SHOE SUSPENSION - ST549928 ( ЧИСТКА ПОДВЕСКИ ОБУВИ )


CLEANING SHOE SUSPENSION - ST549928 44.jpg


1 - Втулка P49545 Количество:8 Поддерживаемые модели1450AL, 1450CW, 1550CW

Наверх

GRAIN PAN SHAFT AND SUSPENSION - ST549929 ( ЗЕРНО ПАН ВАЛА И ПОДВЕСКИ - )


GRAIN PAN SHAFT AND SUSPENSION - ST549929 45.jpg


1 - Ось AZ30679 Поддерживаемые модели1550CW Примечание:INCL KEYS 2
1 - Ось DQ20676 Поддерживаемые модели1450AL, 1450CW Примечание:INCL KEYS 2
2 - Втулка Z37972 Поддерживаемые модели1450AL, 1450CW, 1550CW
3 - Направляющая AZ54780 Количество:4 Поддерживаемые модели1450AL, 1450CW, 1550CW
4 - Втулка P42100 Количество:4 Поддерживаемые модели1450AL, 1450CW, 1550CW

Наверх

STRAW WALKERS - ST549930 ( СОЛОМОТРЯС - )


STRAW WALKERS - ST549930 46.jpg


1 - Винт Z47790 Поддерживаемые модели1450AL, 1450CW, 1550CW Serial No.______-54550
2 - Хомут CQ38643 Количество:60 Поддерживаемые модели1450AL, 1450CW Serial No.______-54550
2 - Хомут CQ38643 Количество:72 Поддерживаемые модели1550CW Serial No.______-54550
3 - Блокирующий зажим DQ08888 5 Поддерживаемые модели1450AL, 1450CW Serial No.______-54550
3 - Блокирующий зажим DQ08888 8 Поддерживаемые модели1550CW Serial No.______-54550
4 - Шайба Z26250 Поддерживаемые модели1450AL, 1450CW, 1550CW Serial No.______-54550
5 - Стопорная гайка 14M7165 Поддерживаемые модели1450AL, 1450CW, 1550CW Serial No.______-54550 Примечание:M6
6 - Болт Z40205 Поддерживаемые модели1450AL, 1450CW, 1550CW Serial No.______-46296
7 - Разъемный хомут Z41561 Количество:24 Поддерживаемые модели1550CW Serial No.______-46296
7 - Разъемный хомут Z41561 Количество:20 Поддерживаемые модели1450AL, 1450CW Serial No.______-46296
8 - Прокладка Z40787 Поддерживаемые модели1450AL, 1450CW, 1550CW Serial No.______-46296 Примечание:TK=1.0 MM
9 - Прокладка CQ05162 Поддерживаемые модели1450AL, 1450CW, 1550CW Serial No.______-46296 Примечание:TK=0.3 MM
10 - Корп. подшипн. без подш. CQ74491 Количество:24 Поддерживаемые модели1550CW Примечание:(SUB FOR Z39428)
10 - Корп. подшипн. без подш. CQ74491 Количество:20 Поддерживаемые модели1450AL, 1450CW Примечание:(SUB FOR Z39428)
11 - Ограждение CQ14776 Количество: 10 Поддерживаемые модели1450AL, 1450CW Serial No.______-46296
11 - Ограждение CQ14776 2 Поддерживаемые модели1550CW Serial No.______-46296
12 - Стопорная гайка 14M7167 Поддерживаемые модели1450AL, 1450CW, 1550CW Примечание:M10
13 - Винт с головкой 19M7325 Поддерживаемые модели1450AL, 1450CW, 1550CW Serial No.46297-______ Примечание:M8 X 80
14 - Разъемный хомут Z57754 Количество:24 Поддерживаемые модели1550CW Serial No.46297-______
14 - Разъемный хомут Z57754 Количество:20 Поддерживаемые модели1450AL, 1450CW Serial No.46297-______
15 - Шайба 24M7036 Поддерживаемые модели1450AL, 1450CW, 1550CW Serial No.46297-______ Примечание:9 X 16 X 1.600 mm
16 - Стопорная гайка 14M7166 Поддерживаемые модели1450AL, 1450CW, 1550CW Serial No.46297-______ Примечание:M8
17 - Опора Z56208 2 Поддерживаемые модели1550CW Serial No.46297-______
17 - Опора Z56208 Количество: 10 Поддерживаемые модели1450AL, 1450CW Serial No.46297-______
18 - Трак Z22701 Количество:4 Поддерживаемые модели1450AL, 1450CW, 1550CW
19 - Болт 03M7098 Поддерживаемые модели1450AL, 1450CW, 1550CW
20 - Фланец DQ15126 Количество:4 Поддерживаемые модели1450AL, 1450CW, 1550CW
21 - Шариковый подшипник 13P1004 Количество:4 Поддерживаемые модели1450AL, 1450CW, 1550CW
22 - Стопорная шайба 12M7066 Поддерживаемые модели1450AL, 1450CW, 1550CW Примечание:10 mm
23 - Гайка 14M7140 Поддерживаемые модели1450AL, 1450CW, 1550CW Примечание:M10
24 - Шайба 24M7040 Поддерживаемые модели1450AL, 1450CW, 1550CW Примечание:11 X 20 X 2 mm
25 - Опора CQ26896 Поддерживаемые модели1450AL, 1450CW, 1550CW
26 - Ограждение Z38380 Поддерживаемые модели1550CW Serial No.______-XXXXX
26 - Ограждение Z47452 Поддерживаемые модели1450AL, 1450CW Serial No.______-XXXXX
27 - Шайба Z36140 Поддерживаемые модели1450AL, 1450CW, 1550CW
28 - Винт с головкой 19M7167 Поддерживаемые модели1450AL, 1450CW, 1550CW Примечание:M10 X 25
29 - Опора CQ26841 Количество:2 Поддерживаемые модели1450AL, 1450CW, 1550CW

Наверх

STRAW WALKER - ST549931 ( СОЛОМОТРЯС - )


STRAW WALKER - ST549931 47.jpg


1 - Решетка клав. соломотряса CQ26290 Поддерживаемые модели1450AL, 1450CW, 1550CW Примечание:(LIP TYPE)
1 - Решетка клав. соломотряса Z38552 Поддерживаемые модели1450AL, 1450CW Примечание:(Модификация для риса)
2 - Решетка клав. соломотряса CQ37598 Поддерживаемые модели1450AL, 1450CW, 1550CW Примечание:(Базовое исполнение)
2 - Решетка клав. соломотряса CQ32261 Поддерживаемые модели1450AL, 1450CW, 1550CW Serial No.054551-______ Примечание:(Модификация для риса)
2 - Решетка клав. соломотряса Z36520 Поддерживаемые модели1450AL, 1450CW, 1550CW Примечание:(LIP TYPE)
3 - Решетка клав. соломотряса CQ37599 Поддерживаемые модели1450AL, 1450CW, 1550CW Примечание:(Базовое исполнение)
3 - Решетка клав. соломотряса CQ64925 Поддерживаемые модели1450AL, 1450CW, 1550CW Serial No.054551-______ Примечание:(Модификация для риса)
3 - Сито CQ58820 Поддерживаемые модели1450AL, 1450CW, 1550CW Serial No.054551-______ Примечание:(LIP TYPE)
4 - Решетка клав. соломотряса Z53450 Поддерживаемые модели1450AL, 1450CW, 1550CW Примечание:(Базовое исполнение)
4 - Решетка клав. соломотряса CQ64923 Поддерживаемые модели1450AL, 1450CW, 1550CW Serial No.054551-______ Примечание:(Модификация для риса)
4 - Решето грубой очистки CQ58819 Поддерживаемые модели1450AL, 1450CW, 1550CW Serial No.054551-______ Примечание:(LIP TYPE)
5 - Решетка клав. соломотряса CQ40092 Поддерживаемые модели1450AL, 1450CW, 1550CW Примечание:(Базовое исполнение)
5 - Сито CQ64921 Поддерживаемые модели1450AL, 1450CW, 1550CW Serial No.054551-______ Примечание:(Модификация для риса)
5 - Решетка клав. соломотряса CQ58818 Поддерживаемые модели1450AL, 1450CW, 1550CW Serial No.054551-______ Примечание:(LIP TYPE)

Наверх