'
Каталог Запчастей John Deere :6830 Tractor (Engine 6068HL281,6068HL283) (Europe Edition) - PC4558 26 Двигатель 6068HL283-DD21812
Перейти к другим разделам
Содержимое: Каталог Запчастей John Deere :6830 Tractor (Engine 6068HL281,6068HL283) (Europe Edition) - PC4558 26 Двигатель 6068HL283-DD21812
1157 Крышка клапанного механизма - ST274912
1240 Маслоналивная горловина - ST52892
1331 Демпфер и шкив коленчатого вала - ST633630
1466 Корпус маховика ( - 121401) - ST155007
1480 Корпус маховика (130401 - ) - ST141949
1593 Маховик - ST275123
16J7 Топливный впрыскивающий насос ( - 101449) - ST52896
17BX Впускной коллектор - ST633616
19CH Масляный поддон - ST711844
2001 Шкив водяного насоса - ST35375
2160 Крышка термостата - ST711859
2219 Термостат двигателя - ST275241
28AA Выхлопной коллектор - ST711864
2970 Вентиляционная система - ST52903
35DX Топливный фильтр тонкой очистки - ST274726
3612 Front Plate - ST35333 ( Передняя Панель - )
3799 Крышка перекач. топл. насоса - ST151775
3925 Корпус термостата - ST633705
4058 Щуп для измерения уровня масла - ST274731
4335 Вспомогательное пусковое устройство - ST275251
4457 Крышка распределительных шестерен и водяной насос - ST711927
4644 Блок цилиндров - ST37722
4712 Коленчатый вал и подшипники - ST816629
4839 Шатуны и поршни - ST569320
4902 Клапанный исполнительный механизм - ST661341
5001 Масляный насос двигателя - ST73533
5123 Головка цилиндров - ST274744
5701 Впуск водяного насоса - ST633713
5935 Маслоохладитель - ST275101
6396 Топливопроводы низкого давления - ST52922
65QS Турбонагнетатель - ST740585
6698 Заглушка термодатчика - ST151855
6737 Датчики двигателя - ST275319
7601 Реле давления - ST348666
8168 Топл. фильтр грубой очистки - ST757144
8889 Фильтр моторного масла - ST275061
9573 Передние кронштейны двигателя - ST151784
9901 Жидкая прокладка, смазка втулки распредвала, охлаждающая жидкость - ST151808
9901 Комплект для капитального ремонта двигателя (12) - ST275113
9901 Комплект для капитального ремонта двигателя (22) - ST52783
9901 Комплект прокладок для капитального ремонта двигателя (22) - ST52784
9901 Комплект прокладок для капитального ремонта двигателя (12) - ST37754
9901 Комплект прокладок для снятия головки блока цилиндров - ST52936
9901 Винты комплекта, головка блока цилиндров - ST52937
9901 Укороченный блок в сборе - ST239790
9901 Укомплектованный двигатель - ST52938
1157 Крышка клапанного механизма - ST274912
![Джон Дир 6830 1157 Крышка клапанного механизма 1157 Крышка клапанного механизма]()
1 - Винт RE527858 Количество:3
2 - Теплозащитный экран R522410
3 - Заглушка H23125 Количество:6
4 - Гайка R123574 Количество:6
5 - Уплотнительное кольцо R123575 Количество:6
6 - Крышка клапана R520731
7 - Прокладка R524469 Примечание:SUB FOR R523926Посмотреть аналогичные детали
8 - Отражательная пластина RE528742
9 - Винт 19M7862 Примечание:M6 X 20
Наверх
1240 Маслоналивная горловина - ST52892
![Джон Дир 6830 1240 Маслоналивная горловина 1240 Маслоналивная горловина]()
1 - Крышка заливной горловины RE529554
2 - Прокладка R80135
3 - Наливная горловина R517353
4 - Винт 19M7798 Количество:2 Примечание:M8 X 40, SUB FOR APPL 19M7799
5 - Прокладка R136495 Количество:2
6 - Крышка R116296
7 - Винт RE67238 Количество:2 Примечание:Резьба с предварительно нанесенным герметиком
Наверх
1331 Демпфер и шкив коленчатого вала - ST633630
![Джон Дир 6830 1331 Демпфер и шкив коленчатого вала 1331 Демпфер и шкив коленчатого вала]()
1 - Шкив с демпфером DZ103168 Примечание:SUB FOR RE516509 OR RE537578
2 - Втулка R517237
3 - Винт с головкой R516648
Наверх
1466 Корпус маховика ( - 121401) - ST155007
![Джон Дир 6830 1466 Корпус маховика ( 1466 Корпус маховика (]()
1 - Корпус R521314 Примечание:(Order R529487)
2 - Уплотнительное кольцо R61467 Примечание:69.520 X 2.616 mm
3 - Сальник RE44574 Посмотреть аналогичные детали
4 - Заглушка R520982
5 - Болт R135918 2 Примечание:M12 X 38
Наверх
1480 Корпус маховика (130401 - ) - ST141949
![Джон Дир 6830 1480 Корпус маховика (130401 1480 Корпус маховика (130401]()
1 - Корпус R529487 Примечание:Маховик MARKED R520663
2 - Уплотнительное кольцо R61467
3 - Сальник DZ111672 Примечание:Задний SUB FOR APPL RE537070 OR RE524227
4 - Заглушка R520982
5 - Болт R135918 2
Наверх
1593 Маховик - ST275123
![Джон Дир 6830 1593 Маховик 1593 Маховик]()
1 - Маховик RE526326 Примечание:MARKED R521313
2 - Зубчатый венец R28811 Примечание:Z = 129; ID = 385 mmПосмотреть аналогичные детали
3 - Винт с головкой R522205 Количество:6 Примечание:M12 X 30, Одноразовый
Наверх
16J7 Топливный впрыскивающий насос ( - 101449) - ST52896
![Джон Дир 6830 16J7 Топливный впрыскивающий насос ( 16J7 Топливный впрыскивающий насос (]()
1 - Жгут проводов RE530106
2 - Впрыскивающие форсунки RE531209
2 - Впрыск. форсунка восст. SE501925 Примечание:REMAN FOR RE531209
3 - Колпачок электр. разъема RE528588 Количество:6
4 - Гайка R134920 2 Примечание:M4
5 - Сальник R522630
6 - Уплотнительная шайба R522899
7 - Электронный насос-форсунка ....... Количество:6 Примечание:ORDER RE531209
8 - Уплотнительное кольцо R516647 Количество:6 Примечание:21.946 X 1.778 mm
9 - Шайба R523499 Количество:6 Примечание:7.300 X 12.700 X 2.200 mm
10 - Винт с шайбой RE528096 Количество:6
11 - Скоба R520813 Количество:6
12 - Винт 19M8528 Количество:3 Примечание:M10 X 55
13 - Нагнетат. топливный насос RE527528 Примечание:ORDER RE507959; SUB FOR RE522595
13 - Нагн. топл. насос восст. SE501916 Примечание:REMAN FOR RE527528; ORDER SE501915
13 - Нагнетат. топливный насос RE507959
13 - Нагн. топл. насос восст. SE501915 Примечание:REMAN FOR RE507959
14 - Контрольный клапан ....... Примечание:ORDER RE560091
14 - Контрольный клапан RE560091 Примечание:USE WITH RE527528; SUB FOR RE534109 OR RE532250
15 - Датчик температ. топлива RE516336
16 - Уплотнительное кольцо R50919 Примечание:9.804 X 1.900 mm
17 - Сито RE516999
18 - Уплотнительное кольцо R516125 Примечание:53.645 X 2.616 mm
19 - Фланцевая гайка 14M7298 Количество:3 Примечание:M8
20 - Фитинг переходника R504577
21 - Уплотнительное кольцо R55453 Примечание:117.069 X 3.531 mm
22 - Передача R502541 Примечание:Z= 30
23 - Гайка R91360 Примечание:M14
24 - Уплотнительное кольцо R116031 Примечание:21.946 X 1.778 mm
25 - Винт 19M7868 Количество:2 Примечание:M8 X 30
26 - Топливопровод RE527054
27 - Топливопровод RE527055
28 - Магистраль RE520928
29 - Датчик RE520930
30 - Винт 19M7785 Количество:2 Примечание:M10 X 25
31 - Кронштейн R504239
32 - Ограничитель RE515636 Количество:6
33 - Редукционный клапан RE516335 Примечание:(Содержит уплотнительное кольцо)
34 - Топливопровод RE526692 Количество:2
35 - Топливопровод RE526693 Количество:2
36 - Топливопровод RE526694 Количество:2
37 - Кронштейн RE531219
38 - Винт 19M7775 Количество:2 Примечание:M6 X 16
39 - Винт RE527858 Количество:7 Примечание:(Резьба с предварительно нанесенным герметиком) M6 X 12
40 - Зажимная скоба AH80916 Количество:6
41 - Винт 19M8062 Количество:2 Примечание:M8 X 20
42 - Карман RE539127
43 - Жгут проводов AL177623
44 - Контрольный клапан ....... Примечание:ORDER RE530337
44 - Контрольный клапан RE530337 Примечание:Не показано USE WITH RE507959
Наверх
17BX Впускной коллектор - ST633616
![Джон Дир 6830 17BX Впускной коллектор 17BX Впускной коллектор]()
1 - Винт 19M8580 Примечание:M12 X 50
2 - Винт 19M7805 Количество:3 Примечание:M10 X 45
3 - Крышка R523345
4 - Уплотнительное кольцо R99693
Наверх
19CH Масляный поддон - ST711844
![Джон Дир 6830 19CH Масляный поддон 19CH Масляный поддон]()
1 - Винт 19M10075 Количество:2 Примечание:M8 X 110
2 - Впуск масляного насоса RE71143
3 - Уплотнительное кольцо R61871
4 - Масляный поддон RE545881 Примечание:SUB FOR RE525238 OR RE528734
5 - Прокладка R521498
6 - Болт 19M8163 Количество:30 Примечание:M8 X 16
7 - Винт 19M8062 Количество:6 Примечание:M8 X 20
8 - Заглушка фитинга RE523251
9 - Сальник DZ107007 Примечание:SUB FOR R519742
Наверх
2001 Шкив водяного насоса - ST35375
![Джон Дир 6830 2001 Шкив водяного насоса 2001 Шкив водяного насоса]()
1 - Шкив R115250
2 - Винт 19M7774 Количество:3 Примечание:M6 X 12
Наверх
2160 Крышка термостата - ST711859
![Джон Дир 6830 2160 Крышка термостата 2160 Крышка термостата]()
1 - Корпус R530428 Примечание:SUB FOR R524712
2 - Винт 19M7785 Количество:2 Примечание:M10 X 25
Наверх
2219 Термостат двигателя - ST275241
![Джон Дир 6830 2219 Термостат двигателя 2219 Термостат двигателя]()
1 - Термостат DZ111682
2 - Термостат DZ113382
3 - Сальник R521548
4 - Термостат RE517011 Примечание:ORDER DZ113382Посмотреть аналогичные детали
5 - Термостат RE532105 Примечание:ORDER DZ111682
Наверх
28AA Выхлопной коллектор - ST711864
![Джон Дир 6830 28AA Выхлопной коллектор 28AA Выхлопной коллектор]()
1 - Винт с головкой R522554 2
2 - Выпускной коллектор R535059 Примечание:MARKED R535826; SUB FOR R524633
3 - Прокладка R544294 Количество:6 Примечание:SUB FOR R521439 OR R532937
Наверх
2970 Вентиляционная система - ST52903
![Джон Дир 6830 2970 Вентиляционная система 2970 Вентиляционная система]()
1 - Коленчатый патрубок R120467
2 - Уплотнительное кольцо R72328
3 - Шланг R527326
4 - Скоба RE65978
5 - Скоба R519502 Количество:2
6 - Винт 19M7865 Количество:2 Примечание:M8 X 16
7 - Труба R527322
8 - Кронштейн RE538876
9 - Винт 19M7788 Количество:2 Примечание:M12 X 25
Наверх
35DX Топливный фильтр тонкой очистки - ST274726
![Джон Дир 6830 35DX Топливный фильтр тонкой очистки 35DX Топливный фильтр тонкой очистки]()
1 - Фильтр RE525802
2 - Комплект уплотнений RE516553
3 - Комплект клапанов RE60854
4 - Фильтрующий элемент RE522878 Примечание:ALSO ORDER R113565
5 - Комплект уплотн. колец RE516512
6 - Комплект фильтра RE526834
7 - Винт 19M7785 Количество:2 Примечание:M10 X 25
Наверх
3612 Front Plate - ST35333 ( Передняя Панель - )
![Джон Дир 6830 3612 Front Plate 3612 Front Plate]()
1 - Винт 19M8966 Примечание:M10 X 50, SUB FOR APPL 19M7807
2 - Упорная шайба R131283
3 - Передача RE56369 Примечание:Z = 43
4 - Втулка R114193
5 - Винт R136475 Количество:5
6 - Шпилька R520139 Количество:7 Примечание:SUB FOR APPL R123584
7 - Упорная шайба R101225
8 - Ось R114194
9 - Винт 19M10876 Количество:2 Примечание:M10 X 55, SUB FOR APPL 19M8844
10 - Установочный штифт R515408
11 - Упорная шайба R534219 Количество:2
12 - Ось R534218 Примечание:SUB FOR APPL R504843
13 - Передача RE508489 Примечание:Z = 60
14 - Пластина ....... Примечание:ORDER R537771
14 - Пластина R537771 Примечание:SUB FOR R504576
15 - Шпилька R134518 Количество:2
16 - Упорная шайба R515494 Количество:2 Примечание:ORDER R534219
Наверх
3799 Крышка перекач. топл. насоса - ST151775
![Джон Дир 6830 3799 Крышка перекач. топл. насоса 3799 Крышка перекач. топл. насоса]()
1 - Винт с головкой RE66334 Количество:2 Примечание:(Резьба с предварительно нанесенным герметиком)
2 - Крышка R123396
Наверх
3925 Корпус термостата - ST633705
![Джон Дир 6830 3925 Корпус термостата 3925 Корпус термостата]()
1 - Прокладка R123345 Примечание:SUB FOR APPL R502814
2 - Заглушка CD16284
3 - Корпус RE532337 Примечание:MARKED R524713
4 - Винт 19M7811 Количество:2 Примечание:M10 X 90
5 - Заглушка фитинга RE46684 Количество:5 Примечание:M14 X 1.5
6 - Уплотнительное кольцо 51M7041 Примечание:11.300 X 2.200 mm
7 - Сальник R123226
8 - Труба R521315 Примечание:Байпасный трубопровод охлаждающей жидкости
9 - Скоба R123324
10 - Заглушка T21937
Наверх
4058 Щуп для измерения уровня масла - ST274731
![Джон Дир 6830 4058 Щуп для измерения уровня масла 4058 Щуп для измерения уровня масла]()
1 - Щуп RE529421
2 - Уплотнительное кольцо R525152 Количество:2
3 - Трубка щупа R524905
4 - Заглушка R502725
Наверх
4335 Вспомогательное пусковое устройство - ST275251
![Джон Дир 6830 4335 Вспомогательное пусковое устройство 4335 Вспомогательное пусковое устройство]()
1 - Обогреватель RE530654 Примечание:12 V
2 - Уплотнительное кольцо R525794
3 - Гайка 14M7272 Количество:3 Примечание:M6
4 - Шайба 24M7088 Примечание:6.600 X 12 X 1.600 mm
5 - Винт с головкой 19M6614 Примечание:M6 X 12
6 - Винт 19M7863 Примечание:M6 X 25
7 - Шайба 24M7139 Количество:2 Примечание:6.400 X 18 X 1.600 mm
8 - Винт 19M7775 Количество:4 Примечание:M6 X 16
Наверх
4457 Крышка распределительных шестерен и водяной насос - ST711927
![Джон Дир 6830 4457 Крышка распределительных шестерен и водяной насос 4457 Крышка распределительных шестерен и водяной насос]()
1 - Винт 19M7867 Примечание:M8 X 25
2 - Прокладка R545884 Примечание:SUB FOR R526945
3 - Сальник RE537071 Примечание:Пер. масл. упл. SUB FOR RE538097
4 - Фланцевая гайка 14M7296 Количество:9 Примечание:M10
5 - Пробка сливного отверстия RE46687
6 - Уплотнительное кольцо 51M7045 Примечание:19.300 X 2.200 mm
7 - Винт 19M7801 Количество:4 Примечание:M8 X 60
8 - Фитинг RE517370
9 - Уплотнительное кольцо 51M7044 Примечание:17.300 X 2.200 mm
10 - Винт 19M7800 Количество:4 Примечание:M8 X 50
11 - Крышка DZ10385 Примечание:MARKED DZ104972; SUB FOR RE505840 OR RE546905
12 - Уплотнительное кольцо R504734
13 - Вкладыш RE508566
14 - Прокладка R123417 Посмотреть аналогичные детали
15 - Водяной насос RE546906 Примечание:MARKED R532562; SUB FOR RE546906Посмотреть аналогичные детали
15 - Водяной насос восст. SE501609 Примечание:REMAN FOR RE546906Посмотреть аналогичные детали
16 - Заглушка фитинга RE46685
17 - Уплотнительное кольцо 51M7043 Примечание:15.300 X 2.200 mm
18 - Сальник R123226
19 - Кольцо R71228
20 - Пружинное кольцо A364R
21 - Винт 19M7796 Количество:8 Примечание:M6 X 30
Наверх
4644 Блок цилиндров - ST37722
![Джон Дир 6830 4644 Блок цилиндров 4644 Блок цилиндров]()
1 - Блок цилиндра ....... Примечание:Закажите короткий двигатель MARKED R504850
2 - Трубная заглушка 15H584 Примечание:1/2"
3 - Установочный штифт A120R Количество:4
4 - Жиклер R131182 Количество:6
5 - Заглушка T18891 Количество:2
6 - Фитинг RE508185 Количество:2
7 - Уплотнительное кольцо U13639
8 - Крышка подшипника R114240
9 - Винт с головкой R535005 4 Примечание:LGTH = 98 mm
9 - Винт с головкой R528387 4 Примечание:LGTH = 92 mm, Не показано SUB FOR T23474 AND T20168
10 - Крышка подшипника R114241 Количество:6
11 - Трубная заглушка 15H695 Примечание:3/8 дюйма
12 - Уплотнительное кольцо R97185
13 - Шар D2361R
14 - Установочный штифт B153R Количество:2
15 - Клапан R121043
16 - Пружина R111137
17 - Выпускной клапан RE505501
18 - Пружина сжатия R131425
19 - Втулка R119874
20 - Заглушка R116466
21 - Трубная заглушка RE71255 Количество:7
22 - Трубная заглушка RE507807
23 - Клапан RE63674
24 - Распредвал RE532239 Примечание:MARKED R518861
25 - Шпонка вала R133303
26 - Шайба T20168 Примечание:USE WITH T23474
Наверх
4712 Коленчатый вал и подшипники - ST816629
![Джон Дир 6830 4712 Коленчатый вал и подшипники 4712 Коленчатый вал и подшипники]()
1 - Коленвал RE505921 Примечание:MARKED R503470; ALSO ORDER RE537070 AND RE537071
1 - Коленчатый вал восст. SE501655 Примечание:With Bearings, REMAN FOR RE505921
2 - Шпонка вала R505609 Примечание:LGTH = 18.5 mm
3 - Передача R120631 Примечание:Z = 30
4 - Установочный штифт R48685 Примечание:SUB FOR A120R
5 - Болт R135918 Количество:6 Примечание:ORDER 19M7363 AND T77258
6 - Подшипниковый комплект RE65165 Количество:6 Примечание:STD, Комплект R123561 AND R123562Посмотреть аналогичные детали
6 - Подшипник RE65911 Примечание:US = 0.254 mm, Комплект R130576 AND R130577Посмотреть аналогичные детали
7 - Подшипниковый комплект RE65168 Примечание:STD, Комплект R123564 AND R123563Посмотреть аналогичные детали
7 - Упорный подшипник RE65912 Примечание:US = 0.254 mm, Комплект R130574 AND R130575Посмотреть аналогичные детали
8 - Винт с головкой 19M7363 Количество:6 Примечание:M12 X 60
9 - Шайба T77258 Количество:6
Наверх
4839 Шатуны и поршни - ST569320
![Джон Дир 6830 4839 Шатуны и поршни 4839 Шатуны и поршни]()
1 - Комплект поршня-гильзы DZ109732 Количество:6 Примечание:PISTON MARKED RE527039; SUB FOR RE527843 OR RE536083; INCLUDES R55453, R522512 AND R54114Посмотреть аналогичные детали
2 - Комплект уплотнений RE539558
3 - Комплект колец поршня RE507852 Посмотреть аналогичные детали
4 - Пружинное кольцо R54114 2
5 - Штифт поршня R502755 Количество:6
6 - Подшипник RE65908 Количество:6 Примечание:STDКомплект INCLUDES (2) R113698Посмотреть аналогичные детали
6 - Подшипник RE65909 Примечание:Для СШАКомплект INCLUDES (2) R130578Посмотреть аналогичные детали
7 - Соединительная тяга RE500608 Количество:6 Посмотреть аналогичные детали
7 - Соединит. тяга восст. SE501094 Примечание:REMAN FOR RE500608
8 - Втулка R114082 Посмотреть аналогичные детали
9 - Винт R501124 Количество:2 Посмотреть аналогичные детали
10 - Уплотнительное кольцо R55453 Количество:6
11 - Уплотнительное кольцо R26121 Количество:6
12 - Прокладка CD15466 Примечание:TK = 0.05 mm , Не показано
12 - Прокладка R65833 Примечание:TK = 0.10 mm , Не показано
Наверх
4902 Клапанный исполнительный механизм - ST661341
![Джон Дир 6830 4902 Клапанный исполнительный механизм 4902 Клапанный исполнительный механизм]()
1 - Комплект вала RE548060 Примечание:SUB FOR RE519737 OR RE523806 OR RE547826
2 - Самофиксирующийся винт R504813 Количество:6
3 - Пружина T20314 Количество:5
4 - Коромысло RE508317 2 Примечание:MARKED R133629
5 - Гайка 14M7148 Примечание:M10
6 - Опора R123161 Количество:6 Примечание:(Алюминий) SUB FOR R519767
7 - Шайба R529416 Количество:6 Примечание:SUB FOR 24M7346
8 - Шпилька R123271 Количество:6
9 - Шайба T20316 Количество:2
10 - Заглушка R54565 Количество:2
11 - Толкатель R107731 2 Примечание:LGTH = 265 mm; 10.43"
12 - Следящий элемент кулачка DZ101670 2 Примечание:SUB FOR R123565
Наверх
5001 Масляный насос двигателя - ST73533
![Джон Дир 6830 5001 Масляный насос двигателя 5001 Масляный насос двигателя]()
1 - Винт 19M8987 Количество:2 Примечание:M8 X 65
2 - Передача R120638 Примечание:Z = 30, Привод масляного насоса
3 - Гайка 14M7066 Примечание:M12
4 - Масляный насос DZ100057 Примечание:SUB FOR RE504914
5 - Уплотнительное кольцо R97185
6 - Труба R121376 Примечание:Выпуск масляного насоса
Наверх
5123 Головка цилиндров - ST274744
![Джон Дир 6830 5123 Головка цилиндров 5123 Головка цилиндров]()
1 - Головка блока цилиндров RE525456 Примечание:MARKED R520301 OR R525485
1 - Голов. блока цил. восст. SE501805 Примечание:REMAN FOR RE525456
2 - Стопор R91889 Количество:24 Примечание:OD = 11.7 mmПосмотреть аналогичные детали
3 - Сальник RE31617 2 Примечание:SUB FOR RE529811Посмотреть аналогичные детали
3 - Сальник RE37643 2 Примечание:0.015 mm, Увеличенный размер ORDER RE31617
3 - Сальник RE37644 2 Примечание:0.030 mm, Увеличенный размер ORDER RE31617
4 - Поворотное устройство RE60005 2
5 - Пружина R26125 2 Посмотреть аналогичные детали
6 - Заглушка CD16284 Количество:6 Примечание:OD = 32.6 mm
7 - Вставка седла клапана R98063 Количество:6 Примечание:OD = 47.168 mm
7 - Вставка седла клапана R98335 Количество:6 Примечание:OD = 47.168 mm
7 - Вставка седла клапана R106831 Количество:6 Примечание:OD = 47.2 mm
8 - Впускной клапан R98062 Количество:6 Примечание:STDПосмотреть аналогичные детали
8 - Впускной клапан R97490 Количество:6 Примечание:0.381 mm, Увеличенный размер
8 - Впускной клапан R97491 Количество:6 Примечание:0.762 mm, Увеличенный размер
9 - Выхлопной клапан R90692 Количество:6 Примечание:СтандартныйПосмотреть аналогичные детали
9 - Выхлопной клапан R97492 Количество:6 Примечание:0.381 mm, Увеличенный размер
9 - Выхлопной клапан R97493 Количество:6 Примечание:0.762 mm, Увеличенный размер
10 - Вставка седла клапана R85687 Количество:6 Примечание:OD = 43.05 mm
10 - Вставка седла клапана R93910 Количество:6 Примечание:OD = 43.05 mm
10 - Вставка седла клапана R106829 Количество:6 Примечание:OD = 43.1 mm
11 - Фитинг T58477 Примечание:7/8” – 14UNF, ALSO ORDER R26906
12 - Уплотнительное кольцо R26906
13 - Заглушка R43409 Количество:3
14 - Гильза RE527456 Количество:6
15 - Винт с головкой R85363 Количество:24 Примечание:12.700 X 112 mmПосмотреть аналогичные детали
16 - Винт с головкой R534091 Количество:2 Примечание:SUB FOR R502511
17 - Прокл. гол. цил. двигат. R116516 Посмотреть аналогичные детали
Наверх
5701 Впуск водяного насоса - ST633713
![Джон Дир 6830 5701 Впуск водяного насоса 5701 Впуск водяного насоса]()
1 - Винт 19M7867 Количество:2 Примечание:M8 X 25
2 - Корпус R121634
3 - Уплотнительное кольцо R89944
Наверх
5935 Маслоохладитель - ST275101
![Джон Дир 6830 5935 Маслоохладитель 5935 Маслоохладитель]()
1 - Винт RE67231 Количество:6 Примечание:(Резьба с предварительно нанесенным герметиком) M6 X 16
2 - Маслоохладитель RE560752 Примечание:(7 панелей) SUB FOR RE56690
3 - Уплотнительное кольцо T122075 Количество:2 Примечание:29.820 X 2.616 mm
4 - Прокладка R123501
5 - Заглушка фитинга RE46685
6 - Винт 19M7802 Количество:2 Примечание:M8 X 65
7 - Корпус R504952
8 - Фитинг RE539115 Примечание:SUB FOR L41384 OR 15M7025
9 - Уплотнительное кольцо 51M7043 Количество:2 Примечание:15.300 X 2.200 mm
10 - Фитинг RE46686
11 - Уплотнительное кольцо 51M7040 Примечание:9.300 X 2.200 mm
12 - Прокладка R501428 Посмотреть аналогичные детали
13 - Адаптер DZ105608 Примечание:MARKED DZ105607; SUB FOR R502811
14 - Винт RE67238 Примечание:(Резьба с предварительно нанесенным герметиком) M8 X 20
15 - Винт 19M7970 Количество:2 Примечание:M8 X 100
17 - Уплотнительное кольцо R504734 Примечание:USE WITH R502811
Наверх
6396 Топливопроводы низкого давления - ST52922
![Джон Дир 6830 6396 Топливопроводы низкого давления 6396 Топливопроводы низкого давления]()
1 - Винт 19M7784 Количество:2 Примечание:M10 X 20
2 - Кронштейн R530863 Примечание:Не показано
3 - Полый винт 38M7009 Количество:7
4 - Уплотнительная шайба R522899 Количество:6
5 - Фитинг шланга RE500044 Количество:2
6 - Уплотнительное кольцо 51M7040 Примечание:9.300 X 2.200 mm
7 - Фитинг RE46686 Количество:4
8 - Фитинг RE60030
9 - Шайба R62107 Количество:2
10 - Фитинг переходника R503333
11 - Скоба L112347 Количество:2 Примечание:USE WITH L63765
11 - Зажимная скоба R56101 Количество:2 Примечание:USE WITH L65383
12 - Топливопровод RE570986 Примечание:SUB FOR RE534941 OR RE524310
13 - Фитинг RE502173
14 - Уплотнительное кольцо 51M7039 Примечание:8.100 X 1.600 mm
15 - Шайба R504067 Количество:2
16 - Фитинг переходника R524103
17 - Полый винт 38M6640
18 - Топливопровод RE524310
19 - Уплотнительная шайба R51936 Количество:2 Посмотреть аналогичные детали
20 - Фитинг RE524220
21 - Фитинг RE60031
22 - Топливопровод RE524312
23 - Шланг L63765 Примечание:ORDER L65383
23 - Шланг L65383
24 - Топливопровод RE534943 Примечание:SUB FOR RE531136
25 - Топливопровод RE529915
26 - Трубная гайка R123593
27 - Уплотнительная шайба R67092 Количество:2
28 - Фитинг ....... Количество:2 Примечание:Не показано
Наверх
65QS Турбонагнетатель - ST740585
![Джон Дир 6830 65QS Турбонагнетатель 65QS Турбонагнетатель]()
1 - Фитинг шланга RE54885 Примечание:Резьба с предварительно нанесенным герметиком
2 - Скоба RE65978 Количество:2
3 - Шланг R523372 Примечание:SUB FOR R115138
4 - Маслопровод RE531262
5 - Винт 19M8062 Количество:2 Примечание:M8 X 20, SUB FOR APPL 19M7866
6 - Прокладка R123570
7 - Прокладка R123572
8 - Винт с головкой R522679 Количество:3
9 - Турбонагнетатель RE550932 Примечание:SUB FOR RE531335
9 - Турбонагнетатель восст. SE502442 Примечание:REMAN FOR RE550932 OR RE531335
10 - Фланцевая гайка 14M7296 Количество:2 Примечание:M10
11 - Фитинг переходника RE518109 Примечание:Резьба с предварительно нанесенным герметиком ALSO ORDER R63548
12 - Уплотнительное кольцо R63548 Количество:2
13 - Маслопровод RE532535
14 - Зажимная скоба R524925
15 - Винт с головкой R519484
16 - Фитинг переходника R519312
17 - Фитинг переходника RE521531
Наверх
6698 Заглушка термодатчика - ST151855
![Джон Дир 6830 6698 Заглушка термодатчика 6698 Заглушка термодатчика]()
1 - Трубная заглушка 15H584 Примечание:1/2"
Наверх
6737 Датчики двигателя - ST275319
![Джон Дир 6830 6737 Датчики двигателя 6737 Датчики двигателя]()
1 - Термопара RE525016 Примечание:Температура воздуха
2 - Уплотнительное кольцо 51M7041 Количество:2 Примечание:11.300 X 2.200 mm
3 - Датчик температуры RE52722 Примечание:Температура охлаждающей жидкости
4 - Датчик RE519144 Количество:2 Примечание:Датчик скорости вращения двигателя
5 - Уплотнительное кольцо 51M7044 Количество:2 Примечание:17.300 X 2.200 mm
6 - КОЛЕСО R517471 Примечание:Временное колесо коленчатого вала
Наверх
7601 Реле давления - ST348666
![Джон Дир 6830 7601 Реле давления 7601 Реле давления]()
1 - Переключатель AT85174 Посмотреть аналогичные детали
Наверх
8168 Топл. фильтр грубой очистки - ST757144
![Джон Дир 6830 8168 Топл. фильтр грубой очистки 8168 Топл. фильтр грубой очистки]()
1 - Корпус фильтра RE529641 Примечание:SUB FOR APPL RE524724
2 - Датчик RE519696 Примечание:Датчик наличия воды в топливе
3 - Корпус электр. разъема 57M7256
4 - Вспом. электр. разъем 57M9556
5 - Отстойник RE51650
6 - Комплект уплотнений RE516553
7 - Фильтрующий элемент RE541922 Примечание:SUB FOR RE529643
8 - Комплект клапанов RE60854
9 - Уплотнительное кольцо RE516512
10 - Комплект фильтра RE526834
11 - Винт 19M7835 Количество:2 Примечание:M10 X 35
Наверх
8889 Фильтр моторного масла - ST275061
![Джон Дир 6830 8889 Фильтр моторного масла 8889 Фильтр моторного масла]()
1 - Корпус фильтра RE504563
2 - Сальник R502513 Примечание:ПыльПосмотреть аналогичные детали
3 - Винт 19M7785 Количество:2 Примечание:M10 X 25
4 - Пробка сливного отверстия RE52242
5 - Уплотнительное кольцо 51M7042 Примечание:13.300 X 2.200 mm
6 - Винт 19M7784 Количество:2 Примечание:M10 X 20
7 - Распорная втулка R114358 Количество:2
8 - Кронштейн R516427
9 - Фитинг RE505232 Количество:2
10 - Уплотнительное кольцо 51M7045 Количество:2 Примечание:19.300 X 2.200 mm
11 - Разъемный хомут R518145
12 - Разъемный хомут R518146
13 - Упаковка DZ109700 Количество:4
14 - Труба R526862 Примечание:ALSO ORDER (2) DZ109700
15 - Труба R526861 Примечание:ALSO ORDER (2) DZ109700
16 - Прокладка R502864
17 - Адаптер R501436
18 - Винт RE67238 Примечание:Резьба с предварительно нанесенным герметиком
19 - Винт 19M7913 Количество:2 Примечание:M8 X 90
20 - Винт 19M7802 Количество:3 Примечание:M8 X 65
21 - Масляный фильтр RE504836 Примечание:SUB FOR RE541420Посмотреть аналогичные детали
22 - Клапан RE504543 Примечание:Байпас
23 - Винт 19M9560 Примечание:M6 X 10, SUB FOR APPL 19M8618
24 - Комплект зажимов RE520368 Примечание:INCLUDES (5) R518145, (5) R518146 AND (5) 19M9560
25 - Уплотнительное кольцо R517488 Количество:4 Примечание:ORDER DZ109700
26 - Труба RE536145 Примечание:SUB FOR RE519749; ORDER (2) DZ109700 AND R526862
27 - Труба RE536144 Примечание:SUB FOR RE519748; ORDER (2) DZ109700 AND R526861
Наверх
9573 Передние кронштейны двигателя - ST151784
![Джон Дир 6830 9573 Передние кронштейны двигателя 9573 Передние кронштейны двигателя]()
1 - Кронштейн R524855 Примечание:NLA; SUB FOR RE527532; ORDER RE548194; LH
2 - Кронштейн R524854 Примечание:NLA; SUB FOR RE527531; ORDER RE548194; RH
3 - Винт 19M7793 Количество:4 Примечание:M16 X 40
4 - Комплект кронштейна RE548194 Примечание:KIT; INCLUDES (4) 19M8746
Наверх
9901 Жидкая прокладка, смазка втулки распредвала, охлаждающая жидкость - ST151808
![Джон Дир 6830 9901 Жидкая прокладка, смазка втулки распредвала, охлаждающая жидкость 9901 Жидкая прокладка, смазка втулки распредвала, охлаждающая жидкость]()
1 - Жидкая прокладка DD15664 Примечание:(Жидкая прокладка)
2 - Консистентная смазка TY6333 Примечание:(Смазка для втулки распредвала)
3 - COOL-GARD EPH76215-005 Примечание:(Охлаждающая жидкость) 5 L
3 - COOL-GARD EPH76215-020 Примечание:(Охлаждающая жидкость) 20 L
3 - COOL-GARD EPH76215-200 Примечание:(Охлаждающая жидкость) 200 L
Наверх
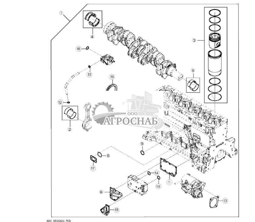
9901 Комплект для капитального ремонта двигателя (12) - ST275113
![Джон Дир 6830 9901 Комплект для капитального ремонта двигателя (12) 9901 Комплект для капитального ремонта двигателя (12)]()
1 - Компл. для рем. двигат. RE540226 Примечание:SUB FOR APPL RE532634; ALSO ORDER (12) R501124 CON ROD SCREW AND RE532993 CYLINDER HEAD BOLT KIT
2 - Подшипник R113698 2 Посмотреть аналогичные детали
3 - Комплект поршня-гильзы DZ109732 Количество:6 Примечание:SUB FOR RE536083Посмотреть аналогичные детали
4 - Подшипниковый комплект RE65168 Посмотреть аналогичные детали
5 - Подшипниковый комплект RE65165 Количество:6 Посмотреть аналогичные детали
6 - Прокладка R502864
6 - Прокладка R500374
6 - Прокладка R501484
6 - Прокладка R123525
7 - Уплотнительное кольцо R61467
8 - Уплотнительное кольцо R151097
9 - Уплотнительное кольцо U13639
10 - Уплотнительное кольцо R123273
11 - Прокладка R123501
12 - Уплотнительное кольцо R97185 Количество:2
13 - Прокладка R53108
14 - Уплотнительное кольцо T122075 Количество:2
15 - Прокладка R501428 Посмотреть аналогичные детали
16 - Уплотнительное кольцо R61871
17 - Прокладка R136495 Количество:4
18 - Сальник DZ111672 Примечание:SUB FOR APPL RE524227
Наверх
9901 Комплект для капитального ремонта двигателя (22) - ST52783
![Джон Дир 6830 9901 Комплект для капитального ремонта двигателя (22) 9901 Комплект для капитального ремонта двигателя (22)]()
1 - Компл. для рем. двигат. RE540226 Примечание:SUB FOR APPL RE532634; ALSO ORDER (12) R501124 CON ROD SCREW AND RE532993 CYLINDER HEAD BOLT KIT
2 - Уплотнительное кольцо R55453 Количество:7
3 - Прокладка R519488 Количество:6
3 - Прокладка R521439 Количество:6 Посмотреть аналогичные детали
4 - Прокладка R123676
5 - Уплотнительное кольцо R112857
6 - Прокладка R502814
7 - Сальник R521548
8 - Прокладка R81275 Количество:2
9 - Прокладка R524469 Посмотреть аналогичные детали
10 - Уплотнительное кольцо R123575 Количество:6
11 - Уплотнительное кольцо R89944
12 - Уплотнительное кольцо R504734
13 - Прокладка R123417 Посмотреть аналогичные детали
14 - Прокладка R123570
15 - Уплотнительное кольцо R116031
16 - Сальник R123226 Количество:2
17 - Прокладка R545883
17 - Прокладка R545884
18 - Прокладка R123572
19 - Прокладка R96935
20 - Сальник R501228
21 - Уплотнительное кольцо R516125
22 - Уплотнительное кольцо R63548
23 - Уплотнительное кольцо R72328 Примечание:Вентиляционное отверстие крышки клапанного коромысла
24 - Прокладка R521498
25 - Прокладка R133893
26 - Прокладка R531534
27 - Прокладка R134465
28 - Сальник DZ111671 Примечание:SUB FOR RE538097
29 - Уплотнительное кольцо R99693
30 - Прокл. гол. цил. двигат. R116516 Посмотреть аналогичные детали
31 - Уплотнительное кольцо T20758
Наверх
9901 Комплект прокладок для капитального ремонта двигателя (22) - ST52784
![Джон Дир 6830 9901 Комплект прокладок для капитального ремонта двигателя (22) 9901 Комплект прокладок для капитального ремонта двигателя (22)]()
1 - Комплект прокладок RE532631 Примечание:ALSO ORDER RE44574 REAR OIL SEAL AND RE538097 FRONT OIL SEALПосмотреть аналогичные детали
2 - Уплотнительное кольцо R61105
3 - Уплотнительное кольцо R61467
4 - Прокладка R123676
5 - Уплотнительное кольцо R112857
6 - Уплотнительное кольцо R151097
7 - Уплотнительное кольцо U13639
8 - Уплотнительное кольцо R123273
9 - Прокладка R123570
10 - Прокладка R123501
11 - Уплотнительное кольцо R97185 Количество:2
12 - Прокладка R53108
13 - Прокладка R123525
13 - Прокладка R502864
13 - Прокладка R501484
13 - Прокладка R500374
14 - Прокладка R123572
15 - Уплотнительное кольцо T122075 Количество:2
16 - Прокладка R501428 Посмотреть аналогичные детали
17 - Прокладка R96935
18 - Уплотнительное кольцо R63548 Примечание:Масляный впускной трубопровод турбокомпрессора
19 - Уплотнительное кольцо R61871
20 - Прокладка R136495 Количество:4
21 - Уплотнительное кольцо R72328 Примечание:Вентиляционное отверстие крышки клапанного коромысла
22 - Прокладка R531534
23 - Прокладка R134465
24 - Сальник DZ111672 Примечание:Задний SUB FOR APPL RE524227
25 - Уплотнительное кольцо R99693
26 - Уплотнительное кольцо T20758
Наверх
9901 Комплект прокладок для капитального ремонта двигателя (12) - ST37754
![Джон Дир 6830 9901 Комплект прокладок для капитального ремонта двигателя (12) 9901 Комплект прокладок для капитального ремонта двигателя (12)]()
1 - Комплект прокладок RE532631 Примечание:ALSO ORDER RE44574 REAR OIL SEAL AND RE538097 FRONT OIL SEALПосмотреть аналогичные детали
2 - Уплотнительное кольцо R55453
3 - Прокладка R519488 Количество:6
3 - Прокладка R521439 Количество:6 Посмотреть аналогичные детали
4 - Прокладка R502814
5 - Сальник R521548
6 - Прокладка R81275 Количество:2
7 - Прокладка R524469 Посмотреть аналогичные детали
8 - Уплотнительное кольцо R123575 Количество:6
9 - Уплотнительное кольцо R89944
10 - Уплотнительное кольцо R504734
11 - Прокладка R123417 Посмотреть аналогичные детали
12 - Уплотнительное кольцо R116031
13 - Сальник R123226 Количество:2
14 - Сальник R501228
15 - Уплотнительное кольцо R516125
16 - Прокладка R521498
17 - Прокладка R133893
18 - Прокл. гол. цил. двигат. R116516 Посмотреть аналогичные детали
19 - Прокладка R545883
19 - Прокладка R545884
Наверх
9901 Комплект прокладок для снятия головки блока цилиндров - ST52936
![Джон Дир 6830 9901 Комплект прокладок для снятия головки блока цилиндров 9901 Комплект прокладок для снятия головки блока цилиндров]()
1 - Комплект прокладок RE532841 Примечание:ALSO ORDER RE532993Посмотреть аналогичные детали
2 - Прокладка R81275 Количество:2
3 - Сальник R501228
4 - Прокладка R519488 Количество:6
4 - Прокладка R521439 Количество:6 Посмотреть аналогичные детали
5 - Прокладка R133893
6 - Прокладка R524469 Посмотреть аналогичные детали
7 - Прокладка R502814
8 - Прокладка R123570
9 - Сальник R521548
10 - Уплотнительное кольцо R123575 Количество:6
11 - Уплотнительное кольцо R72328 Примечание:Вентиляционное отверстие крышки клапанного коромысла
12 - Прокладка R123572
13 - Уплотнительное кольцо R63548
14 - Сальник R123226 Количество:2
15 - Уплотнительное кольцо R99693
16 - Прокл. гол. цил. двигат. R116516 Посмотреть аналогичные детали
Наверх
9901 Винты комплекта, головка блока цилиндров - ST52937
![Джон Дир 6830 9901 Винты комплекта, головка блока цилиндров 9901 Винты комплекта, головка блока цилиндров]()
1 - Комплект болтов RE532993
Наверх
9901 Укороченный блок в сборе - ST239790
![Джон Дир 6830 9901 Укороченный блок в сборе 9901 Укороченный блок в сборе]()
1 - Узел короткого блока RE532651 Примечание:(Also Order RE532631 And RE532993)
Наверх
9901 Укомплектованный двигатель - ST52938
![Джон Дир 6830 9901 Укомплектованный двигатель 9901 Укомплектованный двигатель]()
1 - Дизельный двигатель DD21812 Примечание:(Серийный двигатель) NSEP; ORDER DD21835
1 - Дизельный двигатель DD21835 Примечание:(Запасной двигатель) (Предоставьте укороченный блок цилиндров и компоненты)
Наверх