Содержимое: Каталог Запчастей John Deere :7930 Tractor (Russian Edition)(Russian) - PC11511 20 Двигатель 6068RW203-RE548549
1144 Крышка клапанного механизма - ST304037
1202 Маслоналивная горловина - ST308623
1320 Шкив коленчатого вала - ST163408
1409 Корпус маховика - ST297415
1580 Маховик - ST297416
169Z Система впрыска топлива - ST34770
17CP Воздухозаборник - ST320219
1988 Масляный поддон - ST320174
2001 Шкив водяного насоса - ST35375
2154 Крышка термостата - ST275027
2255 Термостат - ST71894
28AC Выхлопной коллектор - ST320210
2997 Вентиляционная система (144041 - ) - ST321197
3042 Пусковой двигатель - ST74371
35DW Топливный фильтр - ST320213
3614 Пер. пласт. - ST803537
3701 Топливный перекачивающий насос - ST318331
3926 Корпус термостата - ST30416
4001 Масломерный щуп двигателя - ST686503
4342 Вспомогательное пусковое устройство - ST320218
4440 Крышка распределительных шестерен и водяной насос - ST852887
4633 Блок цилиндров - ST74383
4712 Коленчатый вал и подшипники - ST816629
4834 Шатуны и поршни - ST85600
4905 Клапанный исполнительный механизм - ST274893
5024 Масляный насос двигателя - ST458807
5128 Головка блока цилиндров с клапанами - ST856041
5204 Крышка вспомогательного привода - ST34862
5701 Впуск водяного насоса - ST166237
5951 Охладитель моторного масла - ST30432
6297 Крепежные детали генератора переменного тока - ST245655
63BA Топливопроводы низкого давления - ST320214
65HH Турбонагнетатель - ST320216
6698 Заглушка термодатчика - ST628077
6736 Датчики двигателя - ST320160
8193 Водоотделитель - ST320165
8487 Жгут проводки - ST320170
8797 Крепежные детали натяжителя ремня - ST320212
8856 Фильтр моторного масла - ST320215
9801 Подъемные ремни - ST396965
9901 Комплект уплотнительных колец, гильза цилиндра - ST412019
9901 Заднее масляное уплотнение - ST304024
9901 Комплект, гильза поршня - ST54298
9901 Комплект поршневых колец - ST85639
9901 Распределительный вал и шестерня распределительного вала - ST320123
9901 Клапан управления всасыванием - ST37756
9901 Переднее масляное уплотнение - ST303855
9901 Комплект для капитального ремонта двигателя - ST320126
9901 Комплект подшипников коленчатого вала - ST73553
9901 Комплект упорных подшипников - ST625975
9901 Комплект шатунных подшипников - ST625879
9901 Комплект шатунных подшипников - ST628310
9901 Комплект упорных подшипников - ST625882
9901 Комплект упорных подшипников - ST34883
9901 Укороченный блок в сборе - ST54301
9901 Запасной двигатель - ST722634
1144 Крышка клапанного механизма - ST304037
![Джон Дир 7930 1144 Крышка клапанного механизма 1144 Крышка клапанного механизма]()
1 - Заглушка H23125 Количество:7
2 - Винт R521390 Количество:7
3 - Уплотнительное кольцо R123575 Количество:7
4 - Крышка клапана R522198 Примечание:SUB FOR R521468
5 - Прокладка R524497 Примечание:SUB FOR R504882Посмотреть аналогичные детали
6 - Отражательная пластина R515555 Примечание:SUB FOR R522488
7 - Винт 19M7775 Количество:2 Примечание:M6 X 16
8 - Эмблема R521401 Примечание:SUB FOR R516138
Наверх
1202 Маслоналивная горловина - ST308623
![Джон Дир 7930 1202 Маслоналивная горловина 1202 Маслоналивная горловина]()
1 - Винт RE67238 Количество:2
2 - Крышка R116296 Примечание:Маслоналивная горловина
3 - Прокладка R136495 Количество:2 Примечание:Крышка маслоналивной горловины
4 - Наливная горловина RE501377 Примечание:Масло
5 - Упаковка R502902 Примечание:Крышка маслоналивной горловины
6 - Крышка заливной горловины RE535560 Примечание:Масло SUB FOR RE500005Посмотреть аналогичные детали
7 - Винт RE67239 Количество:2
Наверх
1320 Шкив коленчатого вала - ST163408
![Джон Дир 7930 1320 Шкив коленчатого вала 1320 Шкив коленчатого вала]()
1 - Шкив RE508578 Примечание:OD = 188 mm
2 - Втулка R517237
3 - Винт с головкой R516648
Наверх
1409 Корпус маховика - ST297415
![Джон Дир 7930 1409 Корпус маховика 1409 Корпус маховика]()
1 - Корпус R524023 Примечание:Маховик
2 - Болт R135918 2
3 - Уплотнительное кольцо R61467
4 - Заглушка R131769
5 - Сальник DZ111672 Примечание:ЗаднийКоленчатый вал SUB FOR APPL RE524227 OR RE537070
Наверх
1580 Маховик - ST297416
![Джон Дир 7930 1580 Маховик 1580 Маховик]()
1 - Маховик RE509854 Примечание:MARKED R505742
2 - Зубчатый венец R28811 Примечание:z = 129Посмотреть аналогичные детали
3 - Винт 19M7813 Количество:6 Примечание:M12 X 45
Наверх
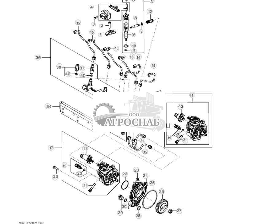
169Z Система впрыска топлива - ST34770
![Джон Дир 7930 169Z Система впрыска топлива 169Z Система впрыска топлива]()
1 - Скоба R522417 Количество:6 Примечание:SUB FOR R518345
2 - Винт с шайбой RE528096 Количество:6 Примечание:USE WITH R522417
2 - Винт с головкой R504781 Количество:6 Примечание:USE WITH R518345
3 - Винт 19M7775 Количество:2 Примечание:M6 X 16
4 - Жгут проводов RE509093
5 - Комплект сопел DZ100217 Примечание:SUB FOR RE546781 OR RE524382
5 - Впрыск. форсунка восст. SE501926 Примечание:REMAN FOR RE546781 OR RE524382
6 - Гайка R134920 2
7 - Уплотнительное кольцо R65397 Количество:6
8 - Труба RE522594 Количество:6 Примечание:LGTH = 61 mm
9 - Впрыскивающие форсунки ....... Количество:6
Примечание:TYPE 70 - 1200 cc, ORDER DZ100217
10 - Уплотнительное кольцо R505452 Количество:6
11 - Шайба R131051 Количество:6 Примечание:SUB FOR APPL R515535
12 - Фитинг R515044 Количество:6 Примечание:M16 X 1.5 X M14 X 1.5, ALSO ORDER R65397
13 - Топливопровод DZ104957 Количество:2 Примечание:Цилиндры 3 и 4 SUB FOR RE507540
14 - Топливопровод DZ104958 Количество:2 Примечание:Цилиндры 1 и 2 SUB FOR RE507539
15 - Топливопровод DZ104959 Количество:2 Примечание:Цилиндры 5 и 6 SUB FOR RE523249
16 - Шпилька R529168 Количество:3 Примечание:M10; LGTH = 90 mm, SUB FOR R521159
17 - Нагнетат. топливный насос RE507959
17 - Нагн. топл. насос восст. SE501915 Примечание:REMAN FOR RE507959
18 - Контрольный клапан DZ111135 Примечание:USE WITH RE507959; SUB FOR RE530337
19 - Датчик температ. топлива RE516336 Количество:2
20 - Уплотнительное кольцо R524234 Количество:2
21 - Сито RE516999 Количество:2
22 - Уплотнительное кольцо R516125
23 - Фланцевая гайка 14M7298 Количество:3 Примечание:M8
24 - Фитинг переходника R504577
25 - Уплотнительное кольцо R55453
26 - Передача R502541 Примечание:Z = 30
27 - Гайка R91360
28 - Уплотнительное кольцо R116031
29 - Фитинг RE517370
30 - Уплотнительное кольцо 51M7044 Примечание:17.300 X 2.200 mm
31 - Топливопровод DZ104988 Примечание:SUB FOR RE544262 OR RE527054
32 - Топливопровод DZ104989 Примечание:SUB FOR RE527055; RE544263 OR RE507538
33 - Винт 19M7868 Количество:2 Примечание:M8 X 30
34 - Кронштейн R521530
35 - Винт 19M7785 Количество:2 Примечание:M10 X 25
36 - Магистраль RE522596 Примечание:SUB FOR RE520928
37 - Ограничитель RE515636 Количество:6 Примечание:USE WITH R515454
38 - Редукционный клапан RE516335 Примечание:INCLUDES R515454
39 - Датчик RE520930 Примечание:Датчик давления топлива в рампе
40 - Прокладка R515454 Количество:7
41 - Нагнетат. топливный насос RE527528 Примечание:ORDER RE507959
41 - Нагн. топл. насос восст. SE501916 Примечание:REMAN FOR RE527528; ORDER SE501915
42 - Контрольный клапан DZ111137 Примечание:USE WITH RE527528; SUB FOR RE534109, RE532250 OR RE560091
Наверх
17CP Воздухозаборник - ST320219
![Джон Дир 7930 17CP Воздухозаборник 17CP Воздухозаборник]()
1 - Система забора воздуха R521482
2 - Винт 19M8337 Количество:2 Примечание:M10 X 30
3 - Прокладка R521061
4 - Прокладка R515030
5 - Крышка R524483
6 - Винт 19M7785 Количество:9 Примечание:M10 X 25
Наверх
1988 Масляный поддон - ST320174
![Джон Дир 7930 1988 Масляный поддон 1988 Масляный поддон]()
1 - Прокладка R521498 Примечание:SUB FOR R500349
2 - Винт 19M10075 Количество:2 Примечание:M8 X 110, SUB FOR APPL 19M8986
3 - Впуск масляного насоса RE515881
4 - Уплотнительное кольцо R61871
5 - Масляный поддон RE526901 Примечание:MARKED RE515643
6 - Заглушка фитинга RE523251
7 - Сальник R519742
8 - Болт 19M8163 Количество:30 Примечание:M8 X 16
9 - Винт 19M8062 Количество:6 Примечание:M8 X 20
Наверх
2001 Шкив водяного насоса - ST35375
![Джон Дир 7930 2001 Шкив водяного насоса 2001 Шкив водяного насоса]()
1 - Шкив R115250
2 - Винт 19M7774 Количество:3 Примечание:M6 X 12
Наверх
2154 Крышка термостата - ST275027
![Джон Дир 7930 2154 Крышка термостата 2154 Крышка термостата]()
1 - Крышка R519491
2 - Винт 19M7786 Количество:3 Примечание:M10 X 30
Наверх
2255 Термостат - ST71894
![Джон Дир 7930 2255 Термостат 2255 Термостат]()
1 - Термостат RE33705 Примечание:SUB FOR APPL RE528652; USE WITH R521548Посмотреть аналогичные детали
2 - Сальник R521548 Примечание:USE WITH RE33705
3 - Термостат RE538289 Количество:2 Примечание:SUB FOR RE538806
Наверх
28AC Выхлопной коллектор - ST320210
![Джон Дир 7930 28AC Выхлопной коллектор 28AC Выхлопной коллектор]()
1 - Выпускной коллектор R524796
2 - Прокладка R519488 Количество:6
3 - Винт с головкой R522554 2 Примечание:LGTH = 80 mm
Наверх
2997 Вентиляционная система (144041 - ) - ST321197
![Джон Дир 7930 2997 Вентиляционная система (144041 2997 Вентиляционная система (144041]()
1 - Коленчатый патрубок R120467
2 - Уплотнительное кольцо R72328
Наверх
3042 Пусковой двигатель - ST74371
![Джон Дир 7930 3042 Пусковой двигатель 3042 Пусковой двигатель]()
1 - Комплект стартера двигат. RE501298 Примечание:MARKED RE501294
1 - Мотор стартера восст. SE501403 Примечание:REMAN FOR RE501298
2 - Винт 19M7786 Количество:3 Примечание:M10 X 30
3 - Метка T146102
3 - Предупредительные знаки T146106 Примечание:Испанский
3 - Предупредительные знаки T146104 Примечание:Французский
3 - Предупредительные знаки T146515 Примечание:Немецкий
3 - Предупредительные знаки T146516 Примечание:Итальянский
4 - Винт с шайбой RE71256
5 - Уплотнительное кольцо R135510
6 - Уплотнительное кольцо R135509
7 - Переключатель RE70486
8 - Муфта RE70487 Примечание:Не показано
9 - Комплект стартера двигат. RE70756 Примечание:Не показано
Наверх
35DW Топливный фильтр - ST320213
![Джон Дир 7930 35DW Топливный фильтр 35DW Топливный фильтр]()
1 - Винт 19M7785 Количество:2 Примечание:M10 X 25
2 - Топливный фильтр RE524723
3 - Комплект клапанов RE60854
4 - Фильтрующий элемент RE522878
5 - Комплект уплотн. колец RE516512
6 - Комплект фильтра RE526834
7 - Комплект уплотнений RE516553
Наверх
3614 Пер. пласт. - ST803537
![Джон Дир 7930 3614 Пер. пласт. 3614 Пер. пласт.]()
1 - Пластина ....... Примечание:ORDER R537772
1 - Пластина R537772 Примечание:SUB FOR R504282
2 - Шпилька R520139 Количество:7 Примечание:SUB FOR APPL R123584
3 - Шпилька R134518 Количество:2
4 - Упорная шайба R534219 Количество:2
5 - Ось R534218 Примечание:Верхняя промежуточная шестерня
6 - Передача RE508489 Примечание:Z = 60, Верхнее натяжное колесо
7 - Винт 19M10876 Количество:2 Примечание:M10 X 55, SUB FOR APPL 19M8844 OR 19M7807
8 - Установочный штифт R515408
9 - Винт R136475 Количество:5
10 - Винт 19M8966 Примечание:M10 X 50
11 - Упорная шайба R131283
12 - Передача RE56369 Примечание:Z = 43, Нижняя промежуточная шестерня
13 - Втулка R114193
14 - Ось R114194 Примечание:Нижняя промежуточная шестерня
15 - Упорная шайба R101225
16 - Ось R504843 Примечание:ORDER R534218
17 - Упорная шайба R515494 Количество:2 Примечание:ORDER R534219
Наверх
3701 Топливный перекачивающий насос - ST318331
![Джон Дир 7930 3701 Топливный перекачивающий насос 3701 Топливный перекачивающий насос]()
1 - Топливный насос DZ110617 Примечание:SUB FOR RE66153
2 - Фитинг DZ113063 Количество:2 Примечание:SUB FOR R500270
3 - Уплотнительное кольцо R531962 Количество:2
4 - Уплотнительное кольцо R123273
5 - Винт с головкой RE504233 Количество:2
6 - Штифт R133405 Примечание:ТОПЛИВОПЕРЕКАЧИВАЮЩИЙ НАСОС
7 - Шайба 24M7055 Количество:2 Примечание:8.400 X 16 X 1.600 mm, USE WITH RE66298
8 - Винт с головкой RE66298 Количество:2 Примечание:ORDER RE504233
Наверх
3926 Корпус термостата - ST30416
![Джон Дир 7930 3926 Корпус термостата 3926 Корпус термостата]()
1 - Корпус R524482 Примечание:MARKED R522776
2 - Пробка сливного отверстия RE52242
3 - Уплотнительное кольцо 51M7042 Примечание:13.300 X 2.200 mm
4 - Фитинг RE46686
5 - Уплотнительное кольцо 51M7040 Примечание:9.300 X 2.200 mm
6 - Заглушка фитинга RE46684 Количество:3
7 - Уплотнительное кольцо 51M7041 Количество:3 Примечание:11.300 X 2.200 mm
8 - Уплотнительное кольцо R63185 Количество:4
9 - Труба RE516026
10 - Труба RE523250
11 - Винт 19M7785 Количество:3 Примечание:M10 X 25
12 - Коллектор R504754
13 - Прокладка R505480 Количество:2
14 - Скоба R128415 Количество:2
15 - Труба R519025
16 - Труба R519517
17 - Прокладка R505479
18 - Коллектор R519737
19 - Винт 19M8528 Примечание:M10 X 55
20 - Сальник R123226 Количество:2
21 - Винт 19M7786 Примечание:M10 X 30
22 - Винт 19M7810 Количество:2 Примечание:M10 X 80
Наверх
4001 Масломерный щуп двигателя - ST686503
![Джон Дир 7930 4001 Масломерный щуп двигателя 4001 Масломерный щуп двигателя]()
1 - Щуп RE69243
2 - Трубка щупа R130055 Примечание:Картер двигателя
3 - Заглушка R502725
Наверх
4342 Вспомогательное пусковое устройство - ST320218
![Джон Дир 7930 4342 Вспомогательное пусковое устройство 4342 Вспомогательное пусковое устройство]()
1 - Запальная свеча RE504580 Количество:6
2 - Жгут проводов RE523892
3 - Шайба 24M7088 Количество:3 Примечание:6.600 X 12 X 1.600 mm
4 - Винт 19M8618 Количество:3 Примечание:M6 X 12
Наверх
4440 Крышка распределительных шестерен и водяной насос - ST852887
![Джон Дир 7930 4440 Крышка распределительных шестерен и водяной насос 4440 Крышка распределительных шестерен и водяной насос]()
1 - Крышка DZ10380 Примечание:Распределительная шестерня MARKED DZ104970; SUB FOR RE523168
2 - Уплотнительное кольцо R504734
3 - Вкладыш RE508566 Примечание:Водяной насос
4 - Прокладка R123417 Посмотреть аналогичные детали
5 - Водяной насос RE546918 Примечание:MARKED RE532564; SUB FOR RE523169Посмотреть аналогичные детали
5 - Водяной насос восст. SE501227 Примечание:REMAN FOR RE546918 OR RE523169Посмотреть аналогичные детали
6 - Сальник R123226 Количество:2
7 - Заглушка фитинга R107770
8 - Уплотнительное кольцо 51M7043 Примечание:15.300 X 2.200 mm
9 - Пружинное кольцо A364R
10 - Кольцо R71228
11 - Винт 19M7797 Количество:3 Примечание:M6 X 40
12 - Винт 19M7796 Количество:5 Примечание:M6 X 30
13 - Винт 19M7801 Количество:3 Примечание:M8 X 60
14 - Винт 19M8317 Примечание:M8 X 40
15 - Сальник DZ111671 Примечание:Коленчатый вал SUB FOR APPL RE537071, RE538097
16 - Фитинг RE517370
17 - Уплотнительное кольцо 51M7044 Примечание:17.300 X 2.200 mm
18 - Фланцевая гайка 14M7296 Количество:9 Примечание:M10
19 - Пробка сливного отверстия RE46687
20 - Уплотнительное кольцо 51M7045 Примечание:19.300 X 2.200 mm
21 - Винт 19M7800 Количество:8 Примечание:M8 X 50
22 - Прокладка R545883 Примечание:SUB FOR R526944 OR R523184 OR R519657
23 - Заглушка фитинга RE46685
24 - Фильтр R98527 Количество:2 Примечание:USE WITH RE523169
Наверх
4633 Блок цилиндров - ST74383
![Джон Дир 7930 4633 Блок цилиндров 4633 Блок цилиндров]()
1 - Блок цилиндра ....... Примечание:MARKED R504850; ORDER RE528638
1 - Узел короткого блока RE528638 Примечание:Компоненты представлены на отдельных страницах
2 - Заглушка R116466
3 - Трубная заглушка RE71255 Примечание:SUB FOR R104592 AND RE42713
4 - Установочный штифт B153R Количество:2
5 - Втулка R119874
6 - Выпускной клапан RE505501 Примечание:Регулировка давления масла
7 - Пружина сжатия R131425
8 - Клапан R121043 Примечание:Байпас
9 - Пружина R111137
10 - Уплотнительное кольцо R97185
11 - Шар D2361R
12 - Трубная заглушка 15H695 Примечание:3/8"
13 - Крышка подшипника R536082 Количество:6
14 - Винт с головкой R528387 4 Примечание:LGTH = 92 mm, USE WITH R515365 AND R515366
14 - Винт с головкой R535005 4 Примечание:LGTH = 98 mm, USE WITH R536082 AND R535004
15 - Крышка подшипника R535004
16 - Фитинг RE508185 Количество:2
17 - Уплотнительное кольцо U13639
18 - Установочный штифт R48685 Количество:4 Примечание:SUB FOR A120R
19 - Заглушка T18891 Количество:2 Примечание:OD = 16 mm
20 - Трубная заглушка 15H584 Примечание:1/2"
21 - Жиклер R131182 Количество:6 Примечание:Охлаждение поршня
22 - Трубная заглушка RE507807
23 - Крышка подшипника R515365 Количество:6
24 - Крышка подшипника R515366
Наверх
4712 Коленчатый вал и подшипники - ST816629
![Джон Дир 7930 4712 Коленчатый вал и подшипники 4712 Коленчатый вал и подшипники]()
1 - Коленвал RE505921 Примечание:MARKED R503470; ALSO ORDER RE537070 AND RE537071
1 - Коленчатый вал восст. SE501655 Примечание:With Bearings, REMAN FOR RE505921
2 - Шпонка вала R505609 Примечание:LGTH = 18.5 mm
3 - Передача R120631 Примечание:Z = 30
4 - Установочный штифт R48685 Примечание:SUB FOR A120R
5 - Болт R135918 Количество:6 Примечание:ORDER 19M7363 AND T77258
6 - Подшипниковый комплект RE65165 Количество:6 Примечание:STD, Комплект R123561 AND R123562Посмотреть аналогичные детали
6 - Подшипник RE65911 Примечание:US = 0.254 mm, Комплект R130576 AND R130577Посмотреть аналогичные детали
7 - Подшипниковый комплект RE65168 Примечание:STD, Комплект R123564 AND R123563Посмотреть аналогичные детали
7 - Упорный подшипник RE65912 Примечание:US = 0.254 mm, Комплект R130574 AND R130575Посмотреть аналогичные детали
8 - Винт с головкой 19M7363 Количество:6 Примечание:M12 X 60
9 - Шайба T77258 Количество:6
Наверх
4834 Шатуны и поршни - ST85600
![Джон Дир 7930 4834 Шатуны и поршни 4834 Шатуны и поршни]()
1 - Комплект поршня-гильзы RE524450 Количество:6 Примечание:PISTON MARKED RE521616Посмотреть аналогичные детали
2 - Комплект колец поршня RE524453 Количество:6 Посмотреть аналогичные детали
3 - Комплект уплотн. колец AR65507 Количество:6 Посмотреть аналогичные детали
4 - Упаковка R527841 Количество:6 Примечание:SUB FOR R48767
5 - Уплотнительное кольцо R26121 Количество:6
6 - Уплотнительное кольцо R55453 Количество:6
7 - Пружинное кольцо R54114 2
8 - Штифт поршня R502755 Количество:6
9 - Соединительная тяга RE500608 Количество:6 Примечание:INCLUDES (2) R501124 AND R114082Посмотреть аналогичные детали
9 - Соединит. тяга восст. SE501094 Примечание:REMAN FOR RE500608
10 - Винт R501124 2 Посмотреть аналогичные детали
11 - Втулка R114082 Количество:6 Посмотреть аналогичные детали
12 - Подшипник RE65908 Количество:6 Примечание:Стандартный KIT; (2) R113698Посмотреть аналогичные детали
12 - Подшипник RE65909 Примечание:Уменьшенного размера KIT; (2) R130578Посмотреть аналогичные детали
Наверх
4905 Клапанный исполнительный механизм - ST274893
![Джон Дир 7930 4905 Клапанный исполнительный механизм 4905 Клапанный исполнительный механизм]()
1 - Распредвал RE528950 Примечание:MARKED R518861
1 - Camshaft Remanufactured SE501812 Примечание:REMAN FOR RE528950
2 - Шпонка вала R133303
3 - Пластина R132518 Примечание:Упорный
4 - Винт 19M8999 Количество:2 Примечание:M8 X 25
5 - Следящий элемент кулачка DZ101670 2 Примечание:SUB FOR APPL R123565
6 - Толкатель DZ111102 2 Примечание:SUB FOR RE556544 OR RE547909 OR RE566623 OR R504209
7 - Клапанная перемычка R541677 2 Примечание:SUB FOR R502341
8 - Прокладка R524496 Примечание:SUB FOR R504882
9 - Корпус DZ107828 Примечание:Передатчик MARKED DZ107829
10 - Уплотнительное кольцо R520867
11 - Заглушка 30M7004 Количество:2
12 - Колпачок RE523032 Примечание:MARKED R518810
13 - Шар R69281
14 - Винт 19M8966 Примечание:M10 X 50
15 - Ось клапанного коромысла RE516491 Примечание:INCLUDES (2) 30M7004
16 - Хомут R516140 Количество:5 Примечание:SUB FOR APPL R518811
17 - Винт R521458 Количество:7
18 - Винт RE539912 Примечание:M8 X 50, SUB FOR 19M9170
19 - Скоба R504631
20 - Шайба 24M7096 Количество:2 Примечание:10.500 X 18 X 1.600 mm
21 - Коромысло DZ102746 Количество:6 Примечание:Выпускной MARKED DZ102821; SUB FOR RE504210
22 - Гайка 14M7148 2 Примечание:M10
23 - Пружина R505543 Количество:6
24 - Коромысло DZ102744 Количество:6 Примечание:Впуск MARKED DZ102820; SUB FOR RE523023
25 - Ось клапанного коромысла RE533148 Примечание:ЗАКАЗЫВАЙТЕ ОТДЕЛЬНЫЕ ДЕТАЛИНе показаноКомплект SUB FOR RE521605
Наверх
5024 Масляный насос двигателя - ST458807
![Джон Дир 7930 5024 Масляный насос двигателя 5024 Масляный насос двигателя]()
1 - Масляный насос DZ100021 Примечание:SUB FOR RE521756
1 - Масляный насос восст. SE501813 Примечание:REMAN FOR RE521756Посмотреть аналогичные детали
2 - Уплотнительное кольцо R97185
3 - Передача R120638
4 - Гайка 14M7066 Примечание:M12
5 - Винт 19M8987 Количество:2 Примечание:M8 X 65, SUB FOR APPL 19M9355
6 - Масляная трубка R526838 Примечание:SUB FOR R518880
Наверх
5128 Головка блока цилиндров с клапанами - ST856041
![Джон Дир 7930 5128 Головка блока цилиндров с клапанами 5128 Головка блока цилиндров с клапанами]()
1 - Винт с головкой R534091 Количество:26 Примечание:SUB FOR R502511
2 - Втулка R521544 Количество:2
3 - Уплотнительное кольцо R520867 Количество:7
4 - Гильза R502512 Количество:6 Примечание:Выпускной коллектор
5 - Головка блока цилиндров RE553421 Примечание:SUB FOR APPL RE521639
5 - Голов. блока цил. восст. SE501583 Примечание:REMAN FOR RE521639 OR RE553421
6 - Гильза RE543935 Количество:6 Примечание:SUB FOR RE517435
7 - Стопор R534978 Количество:48
8 - Колпачок R502367 Количество:24
9 - Сальник RE526519 Количество:24
10 - Пружина ....... Количество:24 Примечание:ORDER RE531223
10 - Комплект пружин RE531223 Примечание:Комплект MARKED (2) R518872
11 - Вставка седла клапана ....... 2 Примечание:Впуск ORDER RE518082
11 - Вставка седла клапана RE518082 Примечание:Не показаноВпускКомплект (2) R504969
12 - Впускной клапан ....... 2 Примечание:MARKED R536135; ORDER RE557890
12 - Комплект клапанов RE557890 Примечание:Не показано INCLUDES (4) R534978, (2) R502367, (2) R536135, (2) RE519115 AND (2) RE526519Посмотреть аналогичные детали
13 - Выхлопной клапан ....... 2 Примечание:MARKED R536136; ORDER RE557891
13 - Комплект клапанов RE557891 Примечание:Не показано INCLUDES (4) R534978, (2) R502367, (2) R536136, (2) RE519115 AND (2) RE526519Посмотреть аналогичные детали
14 - Вставка седла клапана ....... 2 Примечание:Выпускной ORDER RE518083
14 - Вставка седла клапана RE518083 Примечание:Не показаноВыпускнойКомплект (2) R504968
15 - Трубная заглушка RE71255
16 - Заглушка CD16284 Количество:4
17 - Прокл. гол. цил. двигат. R116516 Посмотреть аналогичные детали
Наверх
5204 Крышка вспомогательного привода - ST34862
![Джон Дир 7930 5204 Крышка вспомогательного привода 5204 Крышка вспомогательного привода]()
1 - Винт 19M7790 Количество:2 Примечание:M12 X 35
2 - Крышка R135757
3 - Уплотнительное кольцо T20758
Наверх
5701 Впуск водяного насоса - ST166237
![Джон Дир 7930 5701 Впуск водяного насоса 5701 Впуск водяного насоса]()
1 - Винт 19M7867 Количество:2 Примечание:M8 X 25
2 - Корпус R121634
3 - Уплотнительное кольцо R89944
Наверх
5951 Охладитель моторного масла - ST30432
![Джон Дир 7930 5951 Охладитель моторного масла 5951 Охладитель моторного масла]()
1 - Винт RE67231 Количество:6
2 - Маслоохладитель RE560754 Примечание:9 пластин SUB FOR RE59298
3 - Уплотнительное кольцо T122075 Количество:2
4 - Прокладка R123501
5 - Корпус R521037
6 - Заглушка фитинга RE46685
7 - Уплотнительное кольцо 51M7043 Примечание:15.300 X 2.200 mm
8 - Фитинг RE46686
9 - Уплотнительное кольцо 51M7040 Примечание:9.300 X 2.200 mm
10 - Прокладка R501428 Посмотреть аналогичные детали
11 - Адаптер DZ105608 Примечание:MARKED DZ105607; SUB FOR R502811
11 - Фитинг переходника RE508599 Примечание:Комплект INCLUDES R504734
12 - Винт RE67238
13 - Винт 19M7802 Количество:2 Примечание:M8 X 65
14 - Винт 19M7970 Количество:2 Примечание:M8 X 100
Наверх
6297 Крепежные детали генератора переменного тока - ST245655
![Джон Дир 7930 6297 Крепежные детали генератора переменного тока 6297 Крепежные детали генератора переменного тока]()
1 - Распорная втулка CD14689
2 - Винт 19M7800 Примечание:M8 X 50
3 - Винт 19M7801 Примечание:M8 X 60
Наверх
63BA Топливопроводы низкого давления - ST320214
![Джон Дир 7930 63BA Топливопроводы низкого давления 63BA Топливопроводы низкого давления]()
1 - Фитинг RE60071 Количество:2
2 - Уплотнительное кольцо 51M7039 Количество:5 Примечание:8.100 X 1.600 mm
3 - Фитинг RE502173
4 - Топливопровод RE523464
5 - Фитинг RE60028
6 - Топливопровод RE523462
7 - Тройник R97061
8 - Топливопровод RE523629
9 - Фитинг RE524220
10 - Трубная гайка R123593
11 - Заглушка AR85519
12 - Топливопровод RE525961
13 - Коленчатый патрубок RE502174
14 - Фитинг переходника RE60029 Количество:2
15 - Уплотнительное кольцо 51M7040 Количество:8 Примечание:9.300 X 2.200 mm
16 - Фитинг RE46686 Количество:5
17 - Уплотнительное кольцо 51M7041 Примечание:11.300 X 2.200 mm
18 - Топливопровод RE515837
19 - Топливопровод RE508981
20 - Шайба R62107
21 - Фитинг RE60030
22 - Шайба 24M7213 Примечание:10.500 X 25 X 4 mm
23 - Скоба T13814
24 - Винт 19M7786 Примечание:M10 X 30
25 - Винт 19M7785 Примечание:M10 X 25
26 - Кронштейн R522094
Наверх
65HH Турбонагнетатель - ST320216
![Джон Дир 7930 65HH Турбонагнетатель 65HH Турбонагнетатель]()
1 - Уплотнительное кольцо R63548
2 - Фитинг переходника M87733
3 - Турбонагнетатель RE519833
3 - Турбонагнетатель восст. SE502372 Примечание:(Reman For RE519833)
4 - Прокладка R123572
5 - Прокладка R123570
6 - Винт 19M8062 Количество:2 Примечание:M8 X 20
7 - Линия RE515882
8 - Скоба RE65978 Количество:2
9 - Шланг R523372
10 - Фитинг шланга RE54885
11 - Фитинг 38H1415
12 - Уплотнительное кольцо T77613 Количество:2
13 - Уплотнительное кольцо 51M7042 Примечание:13.300 X 2.200 mm
14 - Тройник 38H5165
15 - Шланг RE503215
16 - Винт 19M7785 Количество:4 Примечание:M10 X 25
Наверх
6698 Заглушка термодатчика - ST628077
![Джон Дир 7930 6698 Заглушка термодатчика 6698 Заглушка термодатчика]()
1 - Трубная заглушка 15H584 Примечание:1/2"
Наверх
6736 Датчики двигателя - ST320160
![Джон Дир 7930 6736 Датчики двигателя 6736 Датчики двигателя]()
1 - КОЛЕСО R517471 Примечание:Синхронизация коленчатого вала
2 - Датчик RE519144 Количество:2 Примечание:Датчик скорости вращения двигателя
3 - Уплотнительное кольцо 51M7044 Количество:2 Примечание:17.300 X 2.200 mm
4 - Датчик температуры RE52722 Примечание:Температура охлаждающей жидкости
5 - Уплотнительное кольцо 51M7041 Примечание:11.300 X 2.200 mm
6 - Датчик температуры RE522823 Примечание:Температура воздуха
7 - Трубная заглушка RE507807
Наверх
8193 Водоотделитель - ST320165
![Джон Дир 7930 8193 Водоотделитель 8193 Водоотделитель]()
1 - Корпус фильтра RE529641
2 - Датчик RE519696
3 - Отстойник RE51650
4 - Фильтрующий элемент RE529643 Примечание:ORDER RE541922
5 - Комплект уплотнений RE516553
6 - Комплект уплотн. колец RE516512
7 - Комплект фильтра RE526834
8 - Винт 19M8578 Количество:2 Примечание:M10 X 40
9 - Шайба 24M7096 Количество:2 Примечание:10.500 X 18 X 1.600 mm
Наверх
8487 Жгут проводки - ST320170
![Джон Дир 7930 8487 Жгут проводки 8487 Жгут проводки]()
1 - Кронштейн R521540
2 - Винт с головкой RE524730 Количество:2
3 - Фланцевая гайка 14M7296 Количество:3 Примечание:M10
4 - Кронштейн RE529804 Примечание:SUB FOR RE526917
5 - Винт 19M7836 Количество:2 Примечание:M10 X 110
6 - Винт 19M7783 Количество:2 Примечание:M10 X 16
7 - Кронштейн R521207 Количество:2
8 - Кронштейн R524515
Наверх
8797 Крепежные детали натяжителя ремня - ST320212
![Джон Дир 7930 8797 Крепежные детали натяжителя ремня 8797 Крепежные детали натяжителя ремня]()
1 - Винт 19M7801 Примечание:M8 X 60
2 - Распорная втулка CD14689
Наверх
8856 Фильтр моторного масла - ST320215
![Джон Дир 7930 8856 Фильтр моторного масла 8856 Фильтр моторного масла]()
1 - Пробка сливного отверстия RE52242
2 - Уплотнительное кольцо 51M7042 Примечание:13.300 X 2.200 mm
3 - Фитинг RE505232 Количество:2
4 - Фитинг R116115
5 - Уплотнительное кольцо 51M7045 Примечание:19.300 X 2.200 mm
6 - Упаковка DZ109700 Количество:4 Примечание:SUB FOR APPL R517488
7 - Разъемный хомут R518146 Количество:2
8 - Труба RE520397 Количество:2 Примечание:ORDER R515344 AND (2) DZ109700
9 - Масляная трубка R515344 Количество:2 Примечание:ALSO ORDER (2) DZ109700
10 - Прокладка R123525
11 - Фитинг переходника R504153
12 - Винт 19M7802 Количество:5 Примечание:M8 X 65
13 - Винт RE67238
14 - Масляный фильтр RE504836 Примечание:ALSO ORDER R502513Посмотреть аналогичные детали
15 - Разъемный хомут R518145 Количество:2
16 - Винт 19M9560 Количество:2 Примечание:M6 X 10
17 - Корпус фильтра RE504563 Примечание:MARKED R502504
18 - Сальник R502513 Посмотреть аналогичные детали
19 - Клапан RE504543
20 - Винт 19M7784 Количество:2 Примечание:M10 X 20
21 - Кронштейн R505145
22 - Распорная втулка 28H1495 Примечание:0.493" X 0.675" X 1"
23 - Винт 19M8528 Примечание:M10 X 55
Наверх
9801 Подъемные ремни - ST396965
![Джон Дир 7930 9801 Подъемные ремни 9801 Подъемные ремни]()
1 - Винт 19M7788 Количество:2 Примечание:M12 X 25
2 - Хомут R502329 Примечание:Задний
3 - Хомут R502175 Примечание:Передн.
Наверх
9901 Комплект уплотнительных колец, гильза цилиндра - ST412019
![Джон Дир 7930 9901 Комплект уплотнительных колец, гильза цилиндра 9901 Комплект уплотнительных колец, гильза цилиндра]()
1 - Уплотнительное кольцо R55453
2 - Уплотнительное кольцо R26121
3 - Упаковка R48767
4 - Комплект уплотн. колец AR65507 Посмотреть аналогичные детали
Наверх
9901 Заднее масляное уплотнение - ST304024
![Джон Дир 7930 9901 Заднее масляное уплотнение 9901 Заднее масляное уплотнение]()
1 - Сальник RE44574 Посмотреть аналогичные детали
Наверх
9901 Комплект, гильза поршня - ST54298
![Джон Дир 7930 9901 Комплект, гильза поршня 9901 Комплект, гильза поршня]()
1 - Комплект поршня-гильзы RE524450 Посмотреть аналогичные детали
2 - Комплект уплотн. колец AR65507 Посмотреть аналогичные детали
3 - Комплект колец поршня RE524453 Посмотреть аналогичные детали
Наверх
9901 Комплект поршневых колец - ST85639
![Джон Дир 7930 9901 Комплект поршневых колец 9901 Комплект поршневых колец]()
1 - Комплект колец поршня RE524453 Посмотреть аналогичные детали
Наверх
9901 Распределительный вал и шестерня распределительного вала - ST320123
![Джон Дир 7930 9901 Распределительный вал и шестерня распределительного вала 9901 Распределительный вал и шестерня распределительного вала]()
1 - Распредвал RE528950
Наверх
9901 Клапан управления всасыванием - ST37756
![Джон Дир 7930 9901 Клапан управления всасыванием 9901 Клапан управления всасыванием]()
1 - Контрольный клапан ....... Примечание:ORDER RE560091
1 - Контрольный клапан RE560091 Примечание:SUB FOR RE534109 OR RE532250
Наверх
9901 Переднее масляное уплотнение - ST303855
![Джон Дир 7930 9901 Переднее масляное уплотнение 9901 Переднее масляное уплотнение]()
1 - Сальник DZ111671 Примечание:SUB FOR RE505515 OR RE538097
Наверх
9901 Комплект для капитального ремонта двигателя - ST320126
![Джон Дир 7930 9901 Комплект для капитального ремонта двигателя 9901 Комплект для капитального ремонта двигателя]()
1 - Компл. для рем. двигат. RE546994 Примечание:(6068HDW64 (RE535514))
Наверх
9901 Комплект подшипников коленчатого вала - ST73553
![Джон Дир 7930 9901 Комплект подшипников коленчатого вала 9901 Комплект подшипников коленчатого вала]()
1 - Подшипниковый комплект RE65165 Примечание:СтандартныйПосмотреть аналогичные детали
Наверх
9901 Комплект упорных подшипников - ST625975
![Джон Дир 7930 9901 Комплект упорных подшипников 9901 Комплект упорных подшипников]()
1 - Подшипниковый комплект RE65168 Примечание:СтандартныйОсновной Kit; R123563 AND R123564Посмотреть аналогичные детали
Наверх
9901 Комплект шатунных подшипников - ST625879
![Джон Дир 7930 9901 Комплект шатунных подшипников 9901 Комплект шатунных подшипников]()
1 - Подшипник RE65908 Примечание:СтандартныйПосмотреть аналогичные детали
Наверх
9901 Комплект шатунных подшипников - ST628310
![Джон Дир 7930 9901 Комплект шатунных подшипников 9901 Комплект шатунных подшипников]()
1 - Подшипник RE65909 Примечание:Уменьшенного размераПосмотреть аналогичные детали
Наверх
9901 Комплект упорных подшипников - ST625882
![Джон Дир 7930 9901 Комплект упорных подшипников 9901 Комплект упорных подшипников]()
1 - Подшипниковый комплект RE65911 Примечание:0.254 mm; US, ОсновнойКомплект R130576 AND R130577Посмотреть аналогичные детали
Наверх
9901 Комплект упорных подшипников - ST34883
![Джон Дир 7930 9901 Комплект упорных подшипников 9901 Комплект упорных подшипников]()
1 - Упорный подшипник RE65912 Примечание:0.254 mm; US, Комплект R130574 AND R130575Посмотреть аналогичные детали
Наверх
9901 Укороченный блок в сборе - ST54301
![Джон Дир 7930 9901 Укороченный блок в сборе 9901 Укороченный блок в сборе]()
1 - Узел короткого блока RE528638
Наверх
9901 Запасной двигатель - ST722634
![Джон Дир 7930 9901 Запасной двигатель 9901 Запасной двигатель]()
1 - Дизельный двигатель PE11195 Примечание:(Может отличаться от рисунка) (Stage II) 6068RW203
Наверх