Содержимое: Каталог Запчастей John Deere :7930 Tractor (Russian Edition)(Russian) - PC11511 21 Двигатель 6068RW301-DZ10635

1144 Крышка клапанного механизма - ST304037

1202 Маслоналивная горловина - ST308623

1320 Шкив коленчатого вала - ST163408

1409 Корпус маховика - ST297415

1580 Маховик - ST297416

169Z Система впрыска топлива - ST34770

17BT Воздухозаборник - ST297418

1988 Масляный поддон - ST320174

2001 Шкив водяного насоса - ST35375

2154 Крышка термостата - ST275027

2255 Термостат - ST71894

2879 Выхлопной коллектор - ST297424

2998 Система вентиляции - ST133855

3042 Пусковой двигатель - ST74371

35EJ Топливный фильтр тонкой очистки - ST141471

3614 Пер. пласт. - ST616255

3799 Крышка перекач. топл. насоса - ST151775

3917 Корпус термостата - ST54256

4001 Масломерный щуп двигателя - ST686503

4336 Вспомогательное пусковое устройство - ST297431

4440 Крышка распределительных шестерен и водяной насос - ST852887

4633 Блок цилиндров - ST74383

4712 Коленчатый вал и подшипники - ST816629

4834 Шатуны и поршни - ST85600

4905 Клапанный исполнительный механизм - ST274893

5024 Масляный насос двигателя - ST458807

5128 Головка блока цилиндров с клапанами - ST856041

5204 Крышка вспомогательного привода - ST34862

5701 Впуск водяного насоса - ST633713

5951 Охладитель моторного масла - ST30432

6297 Крепежные детали генератора переменного тока - ST245655

6379 Топливопроводы низкого давления - ST297445

65PP Турбонагнетатель - ST551071

6698 Заглушка термодатчика - ST628077

6725 Датчики двигателя - ST297449

81A2 Топл. фильтр грубой очистки - ST839951

8492 Крепежные детали жгута проводов двигателя - ST297451

8797 Крепежные детали натяжителя ремня - ST320212

8872 Фильтр моторного масла - ST297453

8905 Система рециркуляции выхлопных газов - ST297454

9801 Подъемные ремни - ST396965

9901 Комплект уплотнительных колец, гильза цилиндра - ST412019

9901 Комплект впрыскивающей форсунки - ST389596

9901 Комплект, гильза поршня - ST54298

9901 Комплект поршневых колец - ST85639

9901 Укороченный блок в сборе - ST54301

9901 Распределительный вал и шестерня распределительного вала - ST320123

9901 Комплект прокладок двигателя - ST320124

9901 Комплект для капитального ремонта двигателя - ST320126

9901 Комплект подшипников коленчатого вала - ST73553

9901 Комплект упорных подшипников - ST625975

9901 Комплект шатунных подшипников - ST625879

9901 Комплект шатунных подшипников - ST628310

9901 Комплект упорных подшипников - ST625882

9901 Комплект упорных подшипников - ST34883

9901 Запасной двигатель - ST839962

1144 Крышка клапанного механизма - ST304037


1144 Крышка клапанного механизма


1 - Заглушка H23125 Количество:7
2 - Винт R521390 Количество:7
3 - Уплотнительное кольцо R123575 Количество:7
4 - Крышка клапана R522198 Примечание:SUB FOR R521468
5 - Прокладка R524497 Примечание:SUB FOR R504882Посмотреть аналогичные детали
6 - Отражательная пластина R515555 Примечание:SUB FOR R522488
7 - Винт 19M7775 Количество:2 Примечание:M6 X 16
8 - Эмблема R521401 Примечание:SUB FOR R516138

Наверх

1202 Маслоналивная горловина - ST308623


1202 Маслоналивная горловина


1 - Винт RE67238 Количество:2
2 - Крышка R116296 Примечание:Маслоналивная горловина
3 - Прокладка R136495 Количество:2 Примечание:Крышка маслоналивной горловины
4 - Наливная горловина RE501377 Примечание:Масло
5 - Упаковка R502902 Примечание:Крышка маслоналивной горловины
6 - Крышка заливной горловины RE535560 Примечание:Масло SUB FOR RE500005Посмотреть аналогичные детали
7 - Винт RE67239 Количество:2

Наверх

1320 Шкив коленчатого вала - ST163408


1320 Шкив коленчатого вала


1 - Шкив RE508578 Примечание:OD = 188 mm
2 - Втулка R517237
3 - Винт с головкой R516648

Наверх

1409 Корпус маховика - ST297415


1409 Корпус маховика


1 - Корпус R524023 Примечание:Маховик
2 - Болт R135918 2
3 - Уплотнительное кольцо R61467
4 - Заглушка R131769
5 - Сальник DZ111672 Примечание:ЗаднийКоленчатый вал SUB FOR APPL RE524227 OR RE537070

Наверх

1580 Маховик - ST297416


1580 Маховик


1 - Маховик RE509854 Примечание:MARKED R505742
2 - Зубчатый венец R28811 Примечание:z = 129Посмотреть аналогичные детали
3 - Винт 19M7813 Количество:6 Примечание:M12 X 45

Наверх

169Z Система впрыска топлива - ST34770


169Z Система впрыска топлива


1 - Скоба R522417 Количество:6 Примечание:SUB FOR R518345
2 - Винт с шайбой RE528096 Количество:6 Примечание:USE WITH R522417
2 - Винт с головкой R504781 Количество:6 Примечание:USE WITH R518345
3 - Винт 19M7775 Количество:2 Примечание:M6 X 16
4 - Жгут проводов RE509093
5 - Комплект сопел DZ100217 Примечание:SUB FOR RE546781 OR RE524382
5 - Впрыск. форсунка восст. SE501926 Примечание:REMAN FOR RE546781 OR RE524382
6 - Гайка R134920 2
7 - Уплотнительное кольцо R65397 Количество:6
8 - Труба RE522594 Количество:6 Примечание:LGTH = 61 mm
9 - Впрыскивающие форсунки ....... Количество:6
Примечание:TYPE 70 - 1200 cc, ORDER DZ100217
10 - Уплотнительное кольцо R505452 Количество:6
11 - Шайба R131051 Количество:6 Примечание:SUB FOR APPL R515535
12 - Фитинг R515044 Количество:6 Примечание:M16 X 1.5 X M14 X 1.5, ALSO ORDER R65397
13 - Топливопровод DZ104957 Количество:2 Примечание:Цилиндры 3 и 4 SUB FOR RE507540
14 - Топливопровод DZ104958 Количество:2 Примечание:Цилиндры 1 и 2 SUB FOR RE507539
15 - Топливопровод DZ104959 Количество:2 Примечание:Цилиндры 5 и 6 SUB FOR RE523249
16 - Шпилька R529168 Количество:3 Примечание:M10; LGTH = 90 mm, SUB FOR R521159
17 - Нагнетат. топливный насос RE507959
17 - Нагн. топл. насос восст. SE501915 Примечание:REMAN FOR RE507959
18 - Контрольный клапан DZ111135 Примечание:USE WITH RE507959; SUB FOR RE530337
19 - Датчик температ. топлива RE516336 Количество:2
20 - Уплотнительное кольцо R524234 Количество:2
21 - Сито RE516999 Количество:2
22 - Уплотнительное кольцо R516125
23 - Фланцевая гайка 14M7298 Количество:3 Примечание:M8
24 - Фитинг переходника R504577
25 - Уплотнительное кольцо R55453
26 - Передача R502541 Примечание:Z = 30
27 - Гайка R91360
28 - Уплотнительное кольцо R116031
29 - Фитинг RE517370
30 - Уплотнительное кольцо 51M7044 Примечание:17.300 X 2.200 mm
31 - Топливопровод DZ104988 Примечание:SUB FOR RE544262 OR RE527054
32 - Топливопровод DZ104989 Примечание:SUB FOR RE527055; RE544263 OR RE507538
33 - Винт 19M7868 Количество:2 Примечание:M8 X 30
34 - Кронштейн R521530
35 - Винт 19M7785 Количество:2 Примечание:M10 X 25
36 - Магистраль RE522596 Примечание:SUB FOR RE520928
37 - Ограничитель RE515636 Количество:6 Примечание:USE WITH R515454
38 - Редукционный клапан RE516335 Примечание:INCLUDES R515454
39 - Датчик RE520930 Примечание:Датчик давления топлива в рампе
40 - Прокладка R515454 Количество:7
41 - Нагнетат. топливный насос RE527528 Примечание:ORDER RE507959
41 - Нагн. топл. насос восст. SE501916 Примечание:REMAN FOR RE527528; ORDER SE501915
42 - Контрольный клапан DZ111137 Примечание:USE WITH RE527528; SUB FOR RE534109, RE532250 OR RE560091

Наверх

17BT Воздухозаборник - ST297418


17BT Воздухозаборник


1 - Винт 19M8337 Количество:2 Примечание:M10 X 30
2 - Система забора воздуха R521482
3 - Прокладка R521061
4 - Гильза R521083
5 - Прокладка R515030
6 - Крышка R521325 Примечание:MARKED R519308
7 - Винт 19M7785 Количество:8 Примечание:M10 X 25
8 - Винт R522106 Количество:4

Наверх

1988 Масляный поддон - ST320174


1988 Масляный поддон


1 - Прокладка R521498 Примечание:SUB FOR R500349
2 - Винт 19M10075 Количество:2 Примечание:M8 X 110, SUB FOR APPL 19M8986
3 - Впуск масляного насоса RE515881
4 - Уплотнительное кольцо R61871
5 - Масляный поддон RE526901 Примечание:MARKED RE515643
6 - Заглушка фитинга RE523251
7 - Сальник R519742
8 - Болт 19M8163 Количество:30 Примечание:M8 X 16
9 - Винт 19M8062 Количество:6 Примечание:M8 X 20

Наверх

2001 Шкив водяного насоса - ST35375


2001 Шкив водяного насоса


1 - Шкив R115250
2 - Винт 19M7774 Количество:3 Примечание:M6 X 12

Наверх

2154 Крышка термостата - ST275027


2154 Крышка термостата


1 - Крышка R519491
2 - Винт 19M7786 Количество:3 Примечание:M10 X 30

Наверх

2255 Термостат - ST71894


2255 Термостат


1 - Термостат RE33705 Примечание:SUB FOR APPL RE528652; USE WITH R521548Посмотреть аналогичные детали
2 - Сальник R521548 Примечание:USE WITH RE33705
3 - Термостат RE538289 Количество:2 Примечание:SUB FOR RE538806

Наверх

2879 Выхлопной коллектор - ST297424


2879 Выхлопной коллектор


1 - Выпускной коллектор DZ106822 Примечание:MARKED DZ106821; ALSO ORDER (6) R502512; USE WITH (12) R539762, (12) DZ105787, (12) DZ10229 AND (6) R519488; SUB FOR R536471
2 - Прокладка R519488 Количество:6 Примечание:Выпускной коллектор
3 - Шпилька DZ10229 2 Примечание:SUB FOR R530022
4 - Распорная втулка DZ105787 2
5 - Фланцевая гайка R539762 2
6 - Гильза R502512 Количество:6 Примечание:USE WITH R536471 OR DZ106822
7 - Выпускной коллектор R520899 Примечание:ORDER DZ106822; ALSO ORDER (6) R519582; USE WITH RE71255, (12) R519486 AND (6) R519488
8 - Гильза R519582 Количество:6 Примечание:USE WITH R520899
9 - Прокладка R532937 Количество:6 Примечание:ORDER R519488
10 - Трубная заглушка RE71255 Примечание:USE WITH R520899
11 - Винт с головкой R519486 2 Примечание:LGTH = 125 mm, USE WITH R520899

Наверх

2998 Система вентиляции - ST133855


2998 Система вентиляции


1 - Уплотнительное кольцо R72328
2 - Коленчатый патрубок R120467

Наверх

3042 Пусковой двигатель - ST74371


3042 Пусковой двигатель


1 - Комплект стартера двигат. RE501298 Примечание:MARKED RE501294
1 - Мотор стартера восст. SE501403 Примечание:REMAN FOR RE501298
2 - Винт 19M7786 Количество:3 Примечание:M10 X 30
3 - Метка T146102
3 - Предупредительные знаки T146106 Примечание:Испанский
3 - Предупредительные знаки T146104 Примечание:Французский
3 - Предупредительные знаки T146515 Примечание:Немецкий
3 - Предупредительные знаки T146516 Примечание:Итальянский
4 - Винт с шайбой RE71256
5 - Уплотнительное кольцо R135510
6 - Уплотнительное кольцо R135509
7 - Переключатель RE70486
8 - Муфта RE70487 Примечание:Не показано
9 - Комплект стартера двигат. RE70756 Примечание:Не показано

Наверх

35EJ Топливный фильтр тонкой очистки - ST141471


35EJ Топливный фильтр тонкой очистки


1 - Фильтр RE525802
2 - Комплект клапанов RE60854
3 - Фильтрующий элемент RE522878
4 - Комплект уплотнений RE516553
5 - Комплект уплотн. колец RE516512
6 - Комплект фильтра RE526834
7 - Винт 19M7785 Количество:2 Примечание:M10 X 25

Наверх

3614 Пер. пласт. - ST616255


3614 Пер. пласт.


1 - Пластина ....... Примечание:ORDER R537772
1 - Пластина R537772 Примечание:SUB FOR R504282
2 - Шпилька R520139 Количество:7 Примечание:SUB FOR APPL R123584
3 - Шпилька R134518 Количество:2
4 - Упорная шайба R534219 Количество:2
5 - Ось R534218 Примечание:Верхняя промежуточная шестерня
6 - Передача RE508489 Примечание:Z = 60, Верхнее натяжное колесо
7 - Винт 19M10876 Количество:2 Примечание:M10 X 55, SUB FOR APPL 19M8844 OR 19M7807
8 - Установочный штифт R515408
9 - Винт R136475 Количество:5
10 - Винт 19M8966 Примечание:M10 X 50
11 - Упорная шайба R131283
12 - Передача RE56369 Примечание:Z = 43, Нижняя промежуточная шестерня
13 - Втулка R114193
14 - Ось R114194 Примечание:Нижняя промежуточная шестерня
15 - Упорная шайба R101225
16 - Ось R504843 Примечание:ORDER R534218
17 - Упорная шайба R515494 Количество:2 Примечание:ORDER R534219

Наверх

3799 Крышка перекач. топл. насоса - ST151775


3799 Крышка перекач. топл. насоса


1 - Винт с головкой RE66334 Количество:2 Примечание:(Резьба с предварительно нанесенным герметиком)
2 - Крышка R123396

Наверх

3917 Корпус термостата - ST54256


3917 Корпус термостата


1 - Винт 19M7785 Количество:3 Примечание:M10 X 25
2 - Коллектор R504754
3 - Прокладка R505480 Количество:2
4 - Труба RE523250
5 - Уплотнительное кольцо R63185 Количество:4
6 - Коллектор R519737
7 - Винт 19M8528 Примечание:M10 X 55
8 - Скоба R128415 Количество:2 Примечание:SUB FOR APPL R123324
9 - Сальник R123226 Количество:2
10 - Труба R519517 Примечание:Байпасный трубопровод охлаждающей жидкости
11 - Заглушка фитинга RE46684 Количество:4
12 - Уплотнительное кольцо 51M7041 Примечание:11.300 X 2.200 mm
13 - Винт 19M7810 Количество:2 Примечание:M10 X 80
14 - Винт 19M7786 Примечание:M10 X 30
15 - Фитинг переходника AT323961
16 - Уплотнительное кольцо 51M7040 Примечание:9.300 X 2.200 mm
17 - Сальник RE57190
18 - Корпус R522776 Примечание:MARKED R522776; SUB FOR R519490
19 - Прокладка R505479
20 - Труба R519025 Примечание:Байпасный трубопровод охлаждающей жидкости
21 - Труба RE516026

Наверх

4001 Масломерный щуп двигателя - ST686503


4001 Масломерный щуп двигателя


1 - Щуп RE69243
2 - Трубка щупа R130055 Примечание:Картер двигателя
3 - Заглушка R502725

Наверх

4336 Вспомогательное пусковое устройство - ST297431


4336 Вспомогательное пусковое устройство


1 - Запальная свеча RE504580 Количество:6
2 - Винт 19M8618 Количество:3 Примечание:M6 X 12
3 - Шайба 24M7088 Количество:3 Примечание:6.600 X 12 X 1.600 mm
4 - Жгут проводов RE523892
5 - Обвязной хомут R44302 Посмотреть аналогичные детали
6 - Винт 19M8627 Количество:2 Примечание:M6 X 20
7 - Опора R523004

Наверх

4440 Крышка распределительных шестерен и водяной насос - ST852887


4440 Крышка распределительных шестерен и водяной насос


1 - Крышка DZ10380 Примечание:Распределительная шестерня MARKED DZ104970; SUB FOR RE523168
2 - Уплотнительное кольцо R504734
3 - Вкладыш RE508566 Примечание:Водяной насос
4 - Прокладка R123417 Посмотреть аналогичные детали
5 - Водяной насос RE546918 Примечание:MARKED RE532564; SUB FOR RE523169Посмотреть аналогичные детали
5 - Водяной насос восст. SE501227 Примечание:REMAN FOR RE546918 OR RE523169Посмотреть аналогичные детали
6 - Сальник R123226 Количество:2
7 - Заглушка фитинга R107770
8 - Уплотнительное кольцо 51M7043 Примечание:15.300 X 2.200 mm
9 - Пружинное кольцо A364R
10 - Кольцо R71228
11 - Винт 19M7797 Количество:3 Примечание:M6 X 40
12 - Винт 19M7796 Количество:5 Примечание:M6 X 30
13 - Винт 19M7801 Количество:3 Примечание:M8 X 60
14 - Винт 19M8317 Примечание:M8 X 40
15 - Сальник DZ111671 Примечание:Коленчатый вал SUB FOR APPL RE537071, RE538097
16 - Фитинг RE517370
17 - Уплотнительное кольцо 51M7044 Примечание:17.300 X 2.200 mm
18 - Фланцевая гайка 14M7296 Количество:9 Примечание:M10
19 - Пробка сливного отверстия RE46687
20 - Уплотнительное кольцо 51M7045 Примечание:19.300 X 2.200 mm
21 - Винт 19M7800 Количество:8 Примечание:M8 X 50
22 - Прокладка R545883 Примечание:SUB FOR R526944 OR R523184 OR R519657
23 - Заглушка фитинга RE46685
24 - Фильтр R98527 Количество:2 Примечание:USE WITH RE523169

Наверх

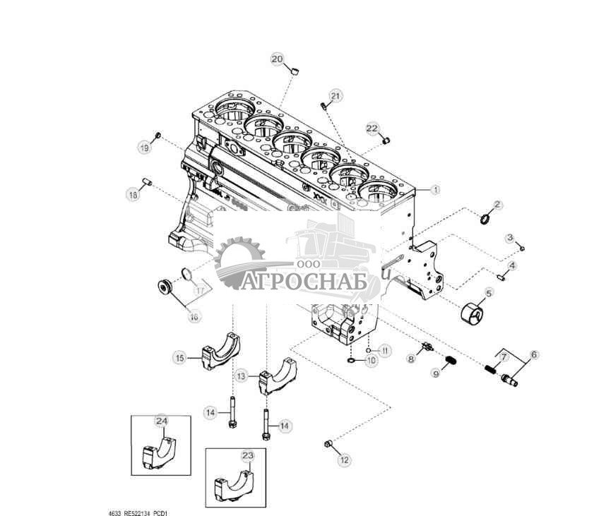
4633 Блок цилиндров - ST74383


4633 Блок цилиндров


1 - Блок цилиндра ....... Примечание:MARKED R504850; ORDER RE528638
1 - Узел короткого блока RE528638 Примечание:Компоненты представлены на отдельных страницах
2 - Заглушка R116466
3 - Трубная заглушка RE71255 Примечание:SUB FOR R104592 AND RE42713
4 - Установочный штифт B153R Количество:2
5 - Втулка R119874
6 - Выпускной клапан RE505501 Примечание:Регулировка давления масла
7 - Пружина сжатия R131425
8 - Клапан R121043 Примечание:Байпас
9 - Пружина R111137
10 - Уплотнительное кольцо R97185
11 - Шар D2361R
12 - Трубная заглушка 15H695 Примечание:3/8"
13 - Крышка подшипника R536082 Количество:6
14 - Винт с головкой R528387 4 Примечание:LGTH = 92 mm, USE WITH R515365 AND R515366
14 - Винт с головкой R535005 4 Примечание:LGTH = 98 mm, USE WITH R536082 AND R535004
15 - Крышка подшипника R535004
16 - Фитинг RE508185 Количество:2
17 - Уплотнительное кольцо U13639
18 - Установочный штифт R48685 Количество:4 Примечание:SUB FOR A120R
19 - Заглушка T18891 Количество:2 Примечание:OD = 16 mm
20 - Трубная заглушка 15H584 Примечание:1/2"
21 - Жиклер R131182 Количество:6 Примечание:Охлаждение поршня
22 - Трубная заглушка RE507807
23 - Крышка подшипника R515365 Количество:6
24 - Крышка подшипника R515366

Наверх

4712 Коленчатый вал и подшипники - ST816629


4712 Коленчатый вал и подшипники


1 - Коленвал RE505921 Примечание:MARKED R503470; ALSO ORDER RE537070 AND RE537071
1 - Коленчатый вал восст. SE501655 Примечание:With Bearings, REMAN FOR RE505921
2 - Шпонка вала R505609 Примечание:LGTH = 18.5 mm
3 - Передача R120631 Примечание:Z = 30
4 - Установочный штифт R48685 Примечание:SUB FOR A120R
5 - Болт R135918 Количество:6 Примечание:ORDER 19M7363 AND T77258
6 - Подшипниковый комплект RE65165 Количество:6 Примечание:STD, Комплект R123561 AND R123562Посмотреть аналогичные детали
6 - Подшипник RE65911 Примечание:US = 0.254 mm, Комплект R130576 AND R130577Посмотреть аналогичные детали
7 - Подшипниковый комплект RE65168 Примечание:STD, Комплект R123564 AND R123563Посмотреть аналогичные детали
7 - Упорный подшипник RE65912 Примечание:US = 0.254 mm, Комплект R130574 AND R130575Посмотреть аналогичные детали
8 - Винт с головкой 19M7363 Количество:6 Примечание:M12 X 60
9 - Шайба T77258 Количество:6

Наверх

4834 Шатуны и поршни - ST85600


4834 Шатуны и поршни


1 - Комплект поршня-гильзы RE524450 Количество:6 Примечание:PISTON MARKED RE521616Посмотреть аналогичные детали
2 - Комплект колец поршня RE524453 Количество:6 Посмотреть аналогичные детали
3 - Комплект уплотн. колец AR65507 Количество:6 Посмотреть аналогичные детали
4 - Упаковка R527841 Количество:6 Примечание:SUB FOR R48767
5 - Уплотнительное кольцо R26121 Количество:6
6 - Уплотнительное кольцо R55453 Количество:6
7 - Пружинное кольцо R54114 2
8 - Штифт поршня R502755 Количество:6
9 - Соединительная тяга RE500608 Количество:6 Примечание:INCLUDES (2) R501124 AND R114082Посмотреть аналогичные детали
9 - Соединит. тяга восст. SE501094 Примечание:REMAN FOR RE500608
10 - Винт R501124 2 Посмотреть аналогичные детали
11 - Втулка R114082 Количество:6 Посмотреть аналогичные детали
12 - Подшипник RE65908 Количество:6 Примечание:Стандартный KIT; (2) R113698Посмотреть аналогичные детали
12 - Подшипник RE65909 Примечание:Уменьшенного размера KIT; (2) R130578Посмотреть аналогичные детали

Наверх

4905 Клапанный исполнительный механизм - ST274893


4905 Клапанный исполнительный механизм


1 - Распредвал RE528950 Примечание:MARKED R518861
1 - Camshaft Remanufactured SE501812 Примечание:REMAN FOR RE528950
2 - Шпонка вала R133303
3 - Пластина R132518 Примечание:Упорный
4 - Винт 19M8999 Количество:2 Примечание:M8 X 25
5 - Следящий элемент кулачка DZ101670 2 Примечание:SUB FOR APPL R123565
6 - Толкатель DZ111102 2 Примечание:SUB FOR RE556544 OR RE547909 OR RE566623 OR R504209
7 - Клапанная перемычка R541677 2 Примечание:SUB FOR R502341
8 - Прокладка R524496 Примечание:SUB FOR R504882
9 - Корпус DZ107828 Примечание:Передатчик MARKED DZ107829
10 - Уплотнительное кольцо R520867
11 - Заглушка 30M7004 Количество:2
12 - Колпачок RE523032 Примечание:MARKED R518810
13 - Шар R69281
14 - Винт 19M8966 Примечание:M10 X 50
15 - Ось клапанного коромысла RE516491 Примечание:INCLUDES (2) 30M7004
16 - Хомут R516140 Количество:5 Примечание:SUB FOR APPL R518811
17 - Винт R521458 Количество:7
18 - Винт RE539912 Примечание:M8 X 50, SUB FOR 19M9170
19 - Скоба R504631
20 - Шайба 24M7096 Количество:2 Примечание:10.500 X 18 X 1.600 mm
21 - Коромысло DZ102746 Количество:6 Примечание:Выпускной MARKED DZ102821; SUB FOR RE504210
22 - Гайка 14M7148 2 Примечание:M10
23 - Пружина R505543 Количество:6
24 - Коромысло DZ102744 Количество:6 Примечание:Впуск MARKED DZ102820; SUB FOR RE523023
25 - Ось клапанного коромысла RE533148 Примечание:ЗАКАЗЫВАЙТЕ ОТДЕЛЬНЫЕ ДЕТАЛИНе показаноКомплект SUB FOR RE521605

Наверх

5024 Масляный насос двигателя - ST458807


5024 Масляный насос двигателя


1 - Масляный насос DZ100021 Примечание:SUB FOR RE521756
1 - Масляный насос восст. SE501813 Примечание:REMAN FOR RE521756Посмотреть аналогичные детали
2 - Уплотнительное кольцо R97185
3 - Передача R120638
4 - Гайка 14M7066 Примечание:M12
5 - Винт 19M8987 Количество:2 Примечание:M8 X 65, SUB FOR APPL 19M9355
6 - Масляная трубка R526838 Примечание:SUB FOR R518880

Наверх

5128 Головка блока цилиндров с клапанами - ST856041


5128 Головка блока цилиндров с клапанами


1 - Винт с головкой R534091 Количество:26 Примечание:SUB FOR R502511
2 - Втулка R521544 Количество:2
3 - Уплотнительное кольцо R520867 Количество:7
4 - Гильза R502512 Количество:6 Примечание:Выпускной коллектор
5 - Головка блока цилиндров RE553421 Примечание:SUB FOR APPL RE521639
5 - Голов. блока цил. восст. SE501583 Примечание:REMAN FOR RE521639 OR RE553421
6 - Гильза RE543935 Количество:6 Примечание:SUB FOR RE517435
7 - Стопор R534978 Количество:48
8 - Колпачок R502367 Количество:24
9 - Сальник RE526519 Количество:24
10 - Пружина ....... Количество:24 Примечание:ORDER RE531223
10 - Комплект пружин RE531223 Примечание:Комплект MARKED (2) R518872
11 - Вставка седла клапана ....... 2 Примечание:Впуск ORDER RE518082
11 - Вставка седла клапана RE518082 Примечание:Не показаноВпускКомплект (2) R504969
12 - Впускной клапан ....... 2 Примечание:MARKED R536135; ORDER RE557890
12 - Комплект клапанов RE557890 Примечание:Не показано INCLUDES (4) R534978, (2) R502367, (2) R536135, (2) RE519115 AND (2) RE526519Посмотреть аналогичные детали
13 - Выхлопной клапан ....... 2 Примечание:MARKED R536136; ORDER RE557891
13 - Комплект клапанов RE557891 Примечание:Не показано INCLUDES (4) R534978, (2) R502367, (2) R536136, (2) RE519115 AND (2) RE526519Посмотреть аналогичные детали
14 - Вставка седла клапана ....... 2 Примечание:Выпускной ORDER RE518083
14 - Вставка седла клапана RE518083 Примечание:Не показаноВыпускнойКомплект (2) R504968
15 - Трубная заглушка RE71255
16 - Заглушка CD16284 Количество:4
17 - Прокл. гол. цил. двигат. R116516 Посмотреть аналогичные детали

Наверх

5204 Крышка вспомогательного привода - ST34862


5204 Крышка вспомогательного привода


1 - Винт 19M7790 Количество:2 Примечание:M12 X 35
2 - Крышка R135757
3 - Уплотнительное кольцо T20758

Наверх

5701 Впуск водяного насоса - ST633713


5701 Впуск водяного насоса


1 - Винт 19M7867 Количество:2 Примечание:M8 X 25
2 - Корпус R121634
3 - Уплотнительное кольцо R89944

Наверх

5951 Охладитель моторного масла - ST30432


5951 Охладитель моторного масла


1 - Винт RE67231 Количество:6
2 - Маслоохладитель RE560754 Примечание:9 пластин SUB FOR RE59298
3 - Уплотнительное кольцо T122075 Количество:2
4 - Прокладка R123501
5 - Корпус R521037
6 - Заглушка фитинга RE46685
7 - Уплотнительное кольцо 51M7043 Примечание:15.300 X 2.200 mm
8 - Фитинг RE46686
9 - Уплотнительное кольцо 51M7040 Примечание:9.300 X 2.200 mm
10 - Прокладка R501428 Посмотреть аналогичные детали
11 - Адаптер DZ105608 Примечание:MARKED DZ105607; SUB FOR R502811
11 - Фитинг переходника RE508599 Примечание:Комплект INCLUDES R504734
12 - Винт RE67238
13 - Винт 19M7802 Количество:2 Примечание:M8 X 65
14 - Винт 19M7970 Количество:2 Примечание:M8 X 100

Наверх

6297 Крепежные детали генератора переменного тока - ST245655


6297 Крепежные детали генератора переменного тока


1 - Распорная втулка CD14689
2 - Винт 19M7800 Примечание:M8 X 50
3 - Винт 19M7801 Примечание:M8 X 60

Наверх

6379 Топливопроводы низкого давления - ST297445


6379 Топливопроводы низкого давления


1 - Фитинг RE502173
2 - Уплотнительное кольцо 51M7039 Количество:5 Примечание:8.100 X 1.600 mm
3 - Топливопровод RE523464 Примечание:INCLUDES R123593 AND R51936
3 - Уплотнительная шайба R51936 Посмотреть аналогичные детали
4 - Топливопровод RE523462 Примечание:INCLUDES R123593 AND R51936
5 - Фитинг RE60028 Количество:2
6 - Фитинг переходника RE60029 Количество:2
7 - Тройник R97061
8 - Топливопровод RE523629 Примечание:INCLUDES R123593 AND R51936
9 - Фитинг RE524220
10 - Уплотнительное кольцо 51M7040 Количество:8 Примечание:9.300 X 2.200 mm
11 - Трубная гайка R123593
12 - Заглушка AR85519
13 - Топливопровод RE525961
14 - Коленчатый патрубок RE502174
15 - Уплотнительное кольцо 51M7041 Примечание:11.300 X 2.200 mm
16 - Фитинг RE60030
17 - Фитинг RE46686 Количество:5
18 - Фитинг RE60071
19 - Топливопровод RE527294 Примечание:INCLUDES R123593 AND R51936
20 - Полый винт 38M7009
21 - Шайба R62107 Количество:2
22 - Винт 19M7775 Примечание:M6 X 16
23 - Зажимная скоба AH87142
24 - Винт 19M7785 Примечание:M10 X 25
25 - Винт 19M7786 Примечание:M10 X 30
26 - Кронштейн R522094
27 - Линия RE525382

Наверх

65PP Турбонагнетатель - ST551071


65PP Турбонагнетатель


1 - Турбонагнетатель DZ108142 Примечание:Безроликовый SUB FOR RE534565
1 - Турбонагнетатель восст. SE502340 Примечание:REMAN FOR DZ108142 OR RE534565
2 - Фланцевая гайка 14M7296 Примечание:M10
3 - Рычажный механизм RE535990 Примечание:С шаровой опорой MARKED 177665; ALSO ORDER RE528219
4 - Винт с шайбой RE528219 Количество:4
5 - Скоба R521407
6 - Скоба R524453 Количество:2
7 - Фитинг RE524231 Примечание:Соединитель, впуск масла
8 - Уплотнительное кольцо R63548
9 - Корпус RE538123 Примечание:Безроликовый
10 - Датчик RE523319 Примечание:Скорость турбокомпрессора с изменяемой геометрией
11 - Гайка E63524 Количество:4
12 - Пускатель DZ115245 Примечание:12 V, SUB FOR APPL DZ108095 OR RE523318; ALSO ORDER RE528219; USE WITH DZ108142
12 - Активатор восст. RM100084 Примечание:REMAN FOR RE523318
13 - Прокладка R519489 Примечание:Турбонагнетатель
14 - Винт с головкой R519484
15 - Винт с головкой R520121 Количество:3
16 - Шланг RE540703 Примечание:Масло
17 - Тройник 38H5165 Примечание:Торц. упл. кольцо
18 - Уплотнительное кольцо T77613 Количество:6
19 - Уплотнительное кольцо 51M7042 Примечание:13.300 X 2.200 mm
20 - Фитинг 38H1415
21 - Фитинг RE523864
22 - Уплотнительное кольцо 51M7040 Количество:4 Примечание:9.300 X 2.200 mm
23 - Шланг RE527318
24 - Фитинг переходника 38H5008 Количество:3 Примечание:Торц. упл. кольцо
25 - Скоба H75541
26 - Шланг RE530917 Примечание:Охлаждающая жидкость силового привода
27 - Винт 19M8063 Количество:2 Примечание:M8 X 25
28 - Прокладка R521158 Примечание:Возвр. маслопровод турбонагнетателя
29 - Линия RE532972 Примечание:Сливной трубопровод турбокомпрессора SUB FOR RE526360
30 - Скоба RE65978 Количество:2 Примечание:Шланг
31 - Шланг R523372 Примечание:LGTH = 95 mm, Сливной трубопровод турбокомпрессора SUB FOR APPL R115138
32 - Фитинг шланга RE54885
33 - Рычажный механизм RE523819 Примечание:Со штифтовым соединением MARKED 175505 AND 175506; ORDER RE535990
34 - Шланг радиатора RE529058 Примечание:ORDER RE540703
35 - Шланг радиатора RE529057 Примечание:ORDER RE530917
36 - Турбонагнетатель RE534530 Примечание:Не показано ORDER DZ108142; SUB FOR RE526247

Наверх

6698 Заглушка термодатчика - ST628077


6698 Заглушка термодатчика


1 - Трубная заглушка 15H584 Примечание:1/2"

Наверх

6725 Датчики двигателя - ST297449


6725 Датчики двигателя


1 - Уплотнительное кольцо 51M7041 Примечание:11.300 X 2.200 mm
2 - Датчик температуры RE52722 Примечание:(Температура охлаждающей жидкости) (ALSO ORDER 51M7041)
3 - Датчик RE519144 Количество:2 Примечание:(Датчик частоты вращения двигателя)
4 - Уплотнительное кольцо 51M7044 Примечание:17.300 X 2.200 mm
5 - КОЛЕСО R517471
6 - Датчик температуры RE522823 Количество:2 Примечание:(Температура воздуха)
7 - Датчик температуры RE522824 Примечание:(Система рециркуляции выхлопных газов)
8 - Датч. давл.возд. в колл. RE522723 Количество:2 Примечание:(Датчик температуры на выпуске охладителя наддувочного воздуха)
9 - Датчик RE167207 Примечание:Не показаноДатчик давления моторного масла

Наверх

81A2 Топл. фильтр грубой очистки - ST839951


81A2 Топл. фильтр грубой очистки


1 - Топливный фильтр RE569926
2 - Комплект фильтра RE526834
3 - Фильтрующий элемент RE541922
4 - Отстойник RE51650
5 - Комплект уплотнений RE516553
6 - Датчик RE519696
7 - Вспом. электр. разъем 57M9556
8 - Корпус электр. разъема 57M7256
9 - Винт 19M7785 Количество:2 Примечание:M10 X 25
10 - Кронштейн R525528 Примечание:USE WITH RE530385
11 - Комплект уплотн. колец RE516512 Примечание:USE WITH RE530385
12 - Фильтр RE530385 Примечание:Не показано ORDER RE569926

Наверх

8492 Крепежные детали жгута проводов двигателя - ST297451


8492 Крепежные детали жгута проводов двигателя


1 - Кронштейн R521207 Количество:2
2 - Кронштейн RE529804
3 - Кронштейн R521540
4 - Винт с головкой RE524730 Количество:2
5 - Фланцевая гайка 14M7296 Количество:3 Примечание:M10

Наверх

8797 Крепежные детали натяжителя ремня - ST320212


8797 Крепежные детали натяжителя ремня


1 - Винт 19M7801 Примечание:M8 X 60
2 - Распорная втулка CD14689

Наверх

8872 Фильтр моторного масла - ST297453


8872 Фильтр моторного масла


1 - Пробка сливного отверстия RE52242
2 - Уплотнительное кольцо 51M7042 Примечание:13.300 X 2.200 mm
3 - Фитинг RE505232 Количество:2
4 - Фитинг R116115
5 - Уплотнительное кольцо 51M7045 Примечание:19.300 X 2.200 mm
6 - Упаковка DZ109700 Количество:4 Примечание:SUB FOR APPL R517488
7 - Труба R521106 Количество:2 Примечание:ALSO ORDER (2) DZ109700
8 - Разъемный хомут R518146 Количество:2
9 - Прокладка R123525
10 - Фитинг переходника R504153
11 - Винт 19M7785 Примечание:M10 X 25
12 - Винт 19M7866 Примечание:M8 X 20
13 - Винт 19M7802 Количество:5 Примечание:M8 X 65
14 - Масляный фильтр RE504836 Посмотреть аналогичные детали
15 - Разъемный хомут R518145 Количество:2
16 - Винт 19M9560 Количество:2 Примечание:M6 X 10
17 - Винт 19M7784 Количество:2 Примечание:M10 X 20
18 - Корпус фильтра RE504563
19 - Клапан RE504543
20 - Сальник R502513 Посмотреть аналогичные детали
21 - Винт 19M8528 Количество:2 Примечание:M10 X 55
22 - Втулка R64449 Количество:2
23 - Кронштейн R520941
24 - Труба RE525307 Количество:2 Примечание:Не показано ORDER R521106 AND (2) DZ109700

Наверх

8905 Система рециркуляции выхлопных газов - ST297454


8905 Система рециркуляции выхлопных газов


1 - Винт 19M7867 Количество:4 Примечание:M8 X 25
2 - Труба RE524036
3 - Прокладка R519487 Количество:3 Примечание:SUB FOR APPL R518858
4 - Винт 19M7798 Примечание:M8 X 40
5 - Втулка R518859
6 - Радиатор отопителя RE522589
7 - Уплотнительное кольцо R518543 Количество:2
8 - Винт 19M7866 Количество:2 Примечание:M8 X 20
9 - Труба RE525213 Примечание:Охлаждающая жидкость
10 - Винт 19M7786 Примечание:M10 X 30
11 - Скоба T74416
12 - Фланцевая гайка 14M7298 Примечание:M8
13 - Скоба T27523
14 - Кронштейн RE523617
15 - Винт 19M7868 Количество:2 Примечание:M8 X 30
16 - Скоба RE65978 Количество:2
17 - Шланг без конц. арматуры ....... Примечание:Сливной трубопровод турбокомпрессора CTL = 75 mm, MF R120013
18 - Фитинг R521324
19 - Уплотнительное кольцо 51M7043 Примечание:15.300 X 2.200 mm
20 - Клап. рецирк. выхл. газ. DZ109968 Примечание:SUB FOR RE537143 OR RE535292 OR RE532848 OR RE528472 OR RE543306
21 - Прокладка R519398
22 - Уплотнительное кольцо R519989 Количество:2
23 - Шайба 24M7088 Количество:2 Примечание:6.600 X 12 X 1.600 mm
24 - Винт 19M8627 Количество:2 Примечание:M6 X 20
25 - Винт 19M7865 Примечание:M8 X 16
26 - Труба RE538044 Примечание:Охлаждающая жидкость SUB FOR RE522798
27 - Винт с головкой R520672 Количество:2
28 - Скоба R519482
29 - Винт 19M7864 Примечание:M8 X 12

Наверх

9801 Подъемные ремни - ST396965


9801 Подъемные ремни


1 - Винт 19M7788 Количество:2 Примечание:M12 X 25
2 - Хомут R502329 Примечание:Задний
3 - Хомут R502175 Примечание:Передн.

Наверх

9901 Комплект уплотнительных колец, гильза цилиндра - ST412019


9901 Комплект уплотнительных колец, гильза цилиндра


1 - Уплотнительное кольцо R55453
2 - Уплотнительное кольцо R26121
3 - Упаковка R48767
4 - Комплект уплотн. колец AR65507 Посмотреть аналогичные детали

Наверх

9901 Комплект впрыскивающей форсунки - ST389596


9901 Комплект впрыскивающей форсунки


1 - Комплект сопел DZ100217 Примечание:SUB FOR RE546781 AND RE524382
1 - Впрыск. форсунка восст. SE501926 Примечание:REMAN FOR RE546781
2 - Гайка R134920 Количество:2
3 - Уплотнительное кольцо R505452
4 - Шайба R515535
5 - Уплотнительное кольцо R65397
6 - Труба RE522594

Наверх

9901 Комплект, гильза поршня - ST54298


9901 Комплект, гильза поршня


1 - Комплект поршня-гильзы RE524450 Посмотреть аналогичные детали
2 - Комплект уплотн. колец AR65507 Посмотреть аналогичные детали
3 - Комплект колец поршня RE524453 Посмотреть аналогичные детали

Наверх

9901 Комплект поршневых колец - ST85639


9901 Комплект поршневых колец


1 - Комплект колец поршня RE524453 Посмотреть аналогичные детали

Наверх

9901 Укороченный блок в сборе - ST54301


9901 Укороченный блок в сборе


1 - Узел короткого блока RE528638

Наверх

9901 Распределительный вал и шестерня распределительного вала - ST320123


9901 Распределительный вал и шестерня распределительного вала


1 - Распредвал RE528950

Наверх

9901 Комплект прокладок двигателя - ST320124


9901 Комплект прокладок двигателя


1 - Комплект прокладок RE539969 Примечание:SUB FOR APPL RE527833
2 - Прокладка R123417 Примечание:Водяной насосПосмотреть аналогичные детали
3 - Прокладка R123501
4 - Прокладка R123525
5 - Прокладка R136495 Количество:2
6 - Прокладка R500374
7 - Прокладка R501428 Посмотреть аналогичные детали
8 - Прокладка R501484
9 - Прокладка R502864
10 - Прокладка R545884 Примечание:SUB FOR R526945
11 - Прокладка R53108
12 - Уплотнительное кольцо R72328 Количество:4
13 - Уплотнительное кольцо R89944
14 - Уплотнительное кольцо T122075 Количество:2
15 - Прокладка R521158
16 - Прокладка R505480 Количество:2
17 - Уплотнительное кольцо R61871
18 - Уплотнительное кольцо R63185 Количество:4
19 - Уплотнительное кольцо R97185 Количество:5
20 - Прокладка R519489
21 - Сальник R123226 Количество:2
22 - Прокладка R519488 Количество:6
23 - Прокладка R521498
23 - Прокладка R123354
24 - Прокладка R124607
25 - Прокладка R524496
26 - Прокладка R515030
27 - Уплотнительное кольцо R516158 Количество:7
28 - Прокладка R505479
29 - Прокладка R524497 Посмотреть аналогичные детали
30 - Уплотнительное кольцо R518543 Количество:2
31 - Прокладка R519398 Примечание:Клапан Erg
32 - Уплотнительное кольцо R519989 Количество:2
33 - Прокладка R519487 Количество:4 Примечание:Охладитель EGR
34 - Уплотнительное кольцо R123575 Количество:7
35 - Сальник RE537071 Примечание:SUB FOR RE516340 OR RE538097
36 - Сальник R521548 Количество:3
37 - Уплотнительное кольцо R504734
38 - Уплотнительное кольцо R63548 Количество:2
39 - Прокладка R502428
40 - Сальник RE537070 Примечание:SUB FOR APPL RE524227
41 - Уплотнительное кольцо U12198
42 - Прокл. гол. цил. двигат. R116516 Посмотреть аналогичные детали
43 - Прокладка R545883 Примечание:SUB FOR R526944

Наверх

9901 Комплект для капитального ремонта двигателя - ST320126


9901 Комплект для капитального ремонта двигателя


1 - Компл. для рем. двигат. RE546994 Примечание:(6068HDW64 (RE535514))

Наверх

9901 Комплект подшипников коленчатого вала - ST73553


9901 Комплект подшипников коленчатого вала


1 - Подшипниковый комплект RE65165 Примечание:СтандартныйПосмотреть аналогичные детали

Наверх

9901 Комплект упорных подшипников - ST625975


9901 Комплект упорных подшипников


1 - Подшипниковый комплект RE65168 Примечание:СтандартныйОсновной Kit; R123563 AND R123564Посмотреть аналогичные детали

Наверх

9901 Комплект шатунных подшипников - ST625879


9901 Комплект шатунных подшипников


1 - Подшипник RE65908 Примечание:СтандартныйПосмотреть аналогичные детали

Наверх

9901 Комплект шатунных подшипников - ST628310


9901 Комплект шатунных подшипников


1 - Подшипник RE65909 Примечание:Уменьшенного размераПосмотреть аналогичные детали

Наверх

9901 Комплект упорных подшипников - ST625882


9901 Комплект упорных подшипников


1 - Подшипниковый комплект RE65911 Примечание:0.254 mm; US, ОсновнойКомплект R130576 AND R130577Посмотреть аналогичные детали

Наверх

9901 Комплект упорных подшипников - ST34883


9901 Комплект упорных подшипников


1 - Упорный подшипник RE65912 Примечание:0.254 mm; US, Комплект R130574 AND R130575Посмотреть аналогичные детали

Наверх

9901 Запасной двигатель - ST839962


9901 Запасной двигатель


1 - Дизельный двигатель PE11506 Примечание:(Может отличаться от рисунка) (Stage II) 6068RW301 – DZ10635

Наверх