Содержимое: Каталог Запчастей John Deere :7930 Tractor (Russian Edition)(Russian) - PC11511 35 Агрегаты двигателя, топливный бак, воздушная система 7930 Russian Version
Фильтры - ST711957
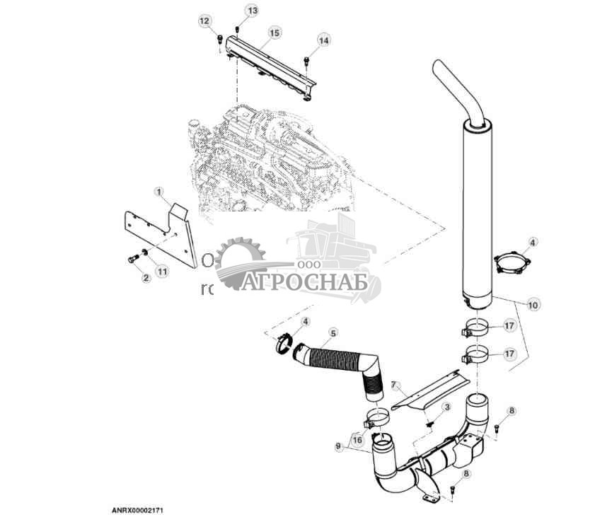
Выхлопная труба и кронштейн - ST712499
КРОНШТЕЙНЫ БАЧКА-ДЕАЭРАТОРА - ST319545
Привод вентилятора на двигателе - ST711983
Комплект ремней, Stage III – низкая мощность, высокая мощность – без сертификации - ST799166
ПОДОГРЕВАТЕЛЬ ОХЛАЖДАЮЩЕЙ ЖИДКОСТИ ДВИГАТЕЛЯ (240 V) - ST711935
ЩИТКИ МАХОВИКА - ST319550
Детали крепления, двигатель - ST732024
Фильтр предварительной очистки - ST319552
Система впуска воздуха - ST711996
Выхлопная труба и кронштейн, несертифицированный двигатель - ST699706
Топл. фильтр и водоотделитель - ST711975
Топливопроводы - ST319557
Топливный бак и указатель, левый - ST711993
ПРАВЫЙ ТОПЛИВНЫЙ БАК - ST711947
Кронштейны топливного бака - ST711992
УЗЕЛ КОЖУХА ВЕНТИЛЯТОРА - ST319562
Комплект элементов системы охлаждения - ST731933
Промежуточный охладитель - ST711938
Радиатор - ST711991
Шланг радиатора, двигатель объемом 6,8 L - ST733994
Фильтры - ST711957
![Джон Дир 7930 Фильтры Фильтры]()
1 - Воздушный фильтр RE196945 Посмотреть аналогичные детали
2 - Воздушный фильтр RE181915 Посмотреть аналогичные детали
3 - Воздушный фильтр RE24619 Посмотреть аналогичные детали
3 - Фильтр RE237396 Примечание:(УГОЛЬНЫЙ ФИЛЬТР)
4 - Воздушный фильтр RE187966 Посмотреть аналогичные детали
5 - Масляный фильтр RE504836 Примечание:(ФИЛЬТР МОТОРНОГО МАСЛА)Посмотреть аналогичные детали
6 - Фильтрующий элемент RE529643 Примечание:(ГЛАВНЫЙ)
7 - Фильтрующий элемент RE522878 Примечание:(ВСПОМОГАТЕЛЬНЫЙ)
8 - Масляный фильтр RE205726 Примечание:(МАСЛЯНЫЙ ФИЛЬТР ТРАНСМИССИИ) (PQT)
9 - Гидравлический фильтр RE273801 Примечание:(ГИДРАВЛИЧЕСКИЙ МАСЛЯНЫЙ ФИЛЬТР) (SUB FOR RE198381)Посмотреть аналогичные детали
10 - Гидравлический фильтр LVU14258 Примечание:(НАСОС ПЕРЕДНЕГО PTO)
Наверх
Выхлопная труба и кронштейн - ST712499
![Джон Дир 7930 Выхлопная труба и кронштейн Выхлопная труба и кронштейн]()
1 - Щиток RE233975
2 - Винт R268905 Количество:6 Примечание:M10 X 19
3 - Гайка M84972 Количество:4
4 - Скоба RE166242
5 - Выхлопная труба RE231873
6 - Винт 19M7775 Количество:4 Примечание:M6 X 16
7 - Щиток R224411
8 - Винт 19M7789 Количество:5 Примечание:M12 X 30
9 - Выхлопная труба RE219768
10 - Глушитель RE200884
11 - Шайба R267349 Количество:6
12 - Винт 19M9500 Количество:2 Примечание:M12 X 16
13 - Винт 19M7774 Количество:3 Примечание:M6 X 12
14 - Винт 19M7695 Примечание:M10 X 20
15 - Теплозащитный экран R516174 Примечание:SUB FOR R214561
16 - Скоба RE52087
17 - Скоба RE53282 Количество:2
Наверх
КРОНШТЕЙНЫ БАЧКА-ДЕАЭРАТОРА - ST319545
![Джон Дир 7930 КРОНШТЕЙНЫ БАЧКА-ДЕАЭРАТОРА КРОНШТЕЙНЫ БАЧКА-ДЕАЭРАТОРА]()
1 - Винт 19M8006 Примечание:M8 X 120
2 - Винт 19M7970 Количество:3 Примечание:M8 X 100
3 - Винт R253764 Количество:3
4 - Фланцевая гайка 14M7298 Примечание:M8
5 - Кронштейн R226346
6 - Пружинный шплинт L115093 Количество:4 Примечание:11 X 8 mm (0.433" X 0.315")
7 - Распорная втулка 28H3390 Примечание:0.364" X 0.540" X 1"
Наверх
Привод вентилятора на двигателе - ST711983
![Джон Дир 7930 Привод вентилятора на двигателе Привод вентилятора на двигателе]()
1 - Гайка 14M7273 Примечание:M8
2 - Фланцевая гайка 14M7298 Количество:2 Примечание:M8
3 - Винт 19M7805 Примечание:M10 X 45
4 - Винт 19M7811 Количество:4 Примечание:M10 X 90
5 - Винт 19M7866 Количество:2 Примечание:M8 X 20
6 - Винт 19M7865 Примечание:(Привод вентилятора (фиксированный)) M8 X 16
7 - Винт 19M7970 Количество:3 Примечание:M8 X 100
8 - Винт 19M8006 Примечание:M8 X 120
9 - Винт с головкой 19M8197 Примечание:M10 X 85
10 - Винт 19M9128 Количество:2 Примечание:M10 X 75
11 - Распорная втулка 28H3390 Примечание:0.364" X 0.540" X 1"
12 - Пружинный шплинт 34M7189 Количество:4 Примечание:11 X 8 mm
13 - Пружинное кольцо M3649T
14 - Заглушка R116466
15 - Распорная втулка R518210 Примечание:SUB FOR R135946
16 - Кронштейн R226346
17 - Щиток от пыли R242392 Количество:2
18 - Ось R244287
19 - Кронштейн R244291
20 - Ограждение R246756
21 - Генератор переменн. тока RE210793 Примечание:ORDER RE555751
22 - Шкив RE232483 Количество:2
23 - Шариковый подшипник RE239458
24 - Вентилятор RE245935
25 - Шкив R186317 Примечание:USE WITH RE210793
26 - Компрессор AH169875 Примечание:SUB FOR RE46609 APPLПосмотреть аналогичные детали
26 - Компрессор восст. SE503065 Примечание:REMAN FOR AH169875
26 - Компрессор RE46609 Посмотреть аналогичные детали
26 - Компрессор восст. SE501459 Примечание:REMAN FOR RE46609Посмотреть аналогичные детали
27 - Шариковый подшипник RE508764
28 - Пружинное кольцо T15509
29 - Клиновой ремень R267275 Примечание:(Привод вентилятора (фиксированный)) 2540 mm
30 - Натяжное устр. для ремня RE582501 Количество:2
31 - Шкив R267230 Примечание:(Привод вентилятора (фиксированный))
32 - Винт с головкой R254492 Количество:6
33 - Гайка 14M7273 Примечание:M8
34 - Гайка RE231948
34 - Гайка RE285712
35 - Адаптер R259720 Примечание:(Привод вентилятора (фиксированный))
36 - Регулятор RE553702
37 - Шкив R529748 Примечание:USE WITH RE555751
38 - Генератор переменн. тока RE555751
39 - Фитинг переходника RE227256
40 - Уплотнительное кольцо R227258
41 - Фитинг переходника RE227257
42 - Уплотнительное кольцо R227261
43 - Уплотнительное кольцо R183411
.. - Уплотнение R202947
Наверх
Комплект ремней, Stage III – низкая мощность, высокая мощность – без сертификации - ST799166
![Джон Дир 7930 Комплект ремней, Stage III – низкая мощность, высокая мощность – без сертификации Комплект ремней, Stage III – низкая мощность, высокая мощность – без сертификации]()
1 - Шкив R244286
2 - Клиновой ремень R245222 Посмотреть аналогичные детали
Наверх
ПОДОГРЕВАТЕЛЬ ОХЛАЖДАЮЩЕЙ ЖИДКОСТИ ДВИГАТЕЛЯ (240 V) - ST711935
![Джон Дир 7930 ПОДОГРЕВАТЕЛЬ ОХЛАЖДАЮЩЕЙ ЖИДКОСТИ ДВИГАТЕЛЯ (240 V) ПОДОГРЕВАТЕЛЬ ОХЛАЖДАЮЩЕЙ ЖИДКОСТИ ДВИГАТЕЛЯ (240 V)]()
1 - Нагревательный элемент RE524675
2 - Уплотнительное кольцо U13639
3 - Фитинг переходника R54123
4 - Шнур электропитания AR87079
.. - Комплект нагревателя RE524692
Наверх
ЩИТКИ МАХОВИКА - ST319550
![Джон Дир 7930 ЩИТКИ МАХОВИКА ЩИТКИ МАХОВИКА]()
1 - Крышка R270446 Примечание:(SUB FOR R208642, THIS APPLICATION), LH
2 - Крышка R270447 Примечание:(SUB FOR R208643, THIS APPLICATION) RH
3 - Винт 19M7788 Количество:4 Примечание:M12 X 25
4 - Щиток R183173
5 - Винт 19M7865 Количество:2 Примечание:M8 X 16
Наверх
Детали крепления, двигатель - ST732024
![Джон Дир 7930 Детали крепления, двигатель Детали крепления, двигатель]()
1 - Изолятор RE181435
2 - Изолятор RE60720 Количество:2
3 - Винт R107975 Количество:2
4 - Опора R200418
5 - Крепежные детали R234523
6 - Крепежные детали R234524
7 - Втулка T26929 Количество:2
8 - Винт с головкой 19H2001 Примечание:3/4" X 5-1/2"
9 - Винт с головкой 19M7720 Количество:4 Примечание:M16 X 80
10 - Винт 19M7816 Количество:4 Примечание:M12 X 65
11 - Шайба 24M7053 Количество:4 Примечание:17 X 30 X 3 mm
12 - Шайба 24M7180 Количество:2 Примечание:13 X 37 X 3 mm
13 - Пружинное кольцо 40M7043
14 - Втулка 28H1993 Примечание:0.622" X 0.840" X 2"
15 - Фитинг шланга RE211525
16 - Фитинг R254183
17 - Фитинг AL116423
18 - Уплотнительное кольцо 51M7043 Примечание:15.300 X 2.200 mm
19 - Шпилька R117158
20 - Винт с головкой 19M8566 Примечание:M14 X 75
21 - Шланг ....... Примечание:CTL 184 mm, MF T79477
22 - Крышка R270446 Примечание:LH
23 - Крышка R270447 Примечание:RH
24 - Винт 19M7789 Количество:4 Примечание:M12 X 30
25 - Труба R150812
26 - Датчик RE167207
27 - Щиток R183173
28 - Зажимная скоба R56101
29 - Винт 19M7865 Количество:3 Примечание:M8 X 16
30 - Скоба R114103
31 - Фланцевая гайка 14M7298 Примечание:M8
Наверх
Фильтр предварительной очистки - ST319552
![Джон Дир 7930 Фильтр предварительной очистки Фильтр предварительной очистки]()
1 - Фильтр предв. очистки RE196946
2 - Шланг R226517
3 - Шланговый зажим TY22486 Количество:2
4 - Винт M117141 Количество:2
Наверх
Система впуска воздуха - ST711996
![Джон Дир 7930 Система впуска воздуха Система впуска воздуха]()
1 - Воздушный фильтр RE245265
2 - Крышка RE183175
3 - Воздушный фильтр RE196945 Посмотреть аналогичные детали
4 - Фильтр RE181915 Посмотреть аналогичные детали
5 - Бандаж R207138
6 - Прокладка R250723
7 - Опора R226514
8 - Винт 19M7783 Количество:6 Примечание:M10 X 16
9 - Фиксатор AT180680
10 - Уплотнительное кольцо 51M7040 Количество:2 Примечание:9.300 X 2.200 mm
11 - Уплотнительное кольцо R77673
12 - Датч. зас. возд. фильтра RE235237 Примечание:INCLUDES R77673
13 - Термопара RE525016
14 - Фитинг переходника RE239083
15 - Заглушка фитинга RE46684 Примечание:(Несертифицированный по выбросам двигатель)
16 - Уплотнительное кольцо 51M7041 Примечание:(Несертифицированный по выбросам двигатель) 11.300 X 2.200 mm
17 - Шланговый зажим RE52703 Примечание:(Несертифицированный по выбросам двигатель)
18 - Шланг R250490 Примечание:(Несертифицированный по выбросам двигатель) (БЕЗ ПНЕВМОТОРМОЗА)
19 - Скоба RE52702 Примечание:(Несертифицированный по выбросам двигатель)
Наверх
Выхлопная труба и кронштейн, несертифицированный двигатель - ST699706
![Джон Дир 7930 Выхлопная труба и кронштейн, несертифицированный двигатель Выхлопная труба и кронштейн, несертифицированный двигатель]()
1 - Выхлопная труба RE206289
2 - Щиток RE260948
3 - Шайба R267349 Количество:4
4 - Винт R268905 Количество:4
5 - Теплозащитный экран R516174
6 - Винт 19M7774 Количество:3 Примечание:M6 X 12
7 - Шайба 24M7047 Количество:2 Примечание:13 X 24 X 2.500 mm
8 - Винт 19M9500 Количество:2 Примечание:M12 X 16
9 - Скоба RE166242
Наверх
Топл. фильтр и водоотделитель - ST711975
![Джон Дир 7930 Топл. фильтр и водоотделитель Топл. фильтр и водоотделитель]()
1 - Отстойник RE575968 Примечание:SUB FOR RE242329
2 - Винт 19M7868 Количество:2 Примечание:M8 X 30
3 - Винт с головкой 19M7730 Количество:2 Примечание:M20 X 30
4 - Кронштейн R248818
5 - Фланцевая гайка 14M7298 Количество:2 Примечание:M8
6 - Шланговый зажим R184863 Количество:2
7 - Шланг без конц. арматуры ....... Примечание:CTL 966 mm, MF TY22553
8 - Коленчатый патрубок RE250659
9 - Клапан RE287835 Примечание:SUB FOR RE250665 APPL
10 - Шланг R272002 Примечание:(Не сертифицированный по выбросам двигатель) LGTH = 1060 mm
11 - Шланг R121306
12 - Стакан R281523
13 - Кольцо R281524
14 - Сливной клапан R281525 Примечание:ORDER R553405
15 - Прокладка R281527
16 - Крышка R281529
17 - Прокладка N378887
18 - Фильтрующий элемент N378886
19 - Уплотнительное кольцо HXE21461 Примечание:19.300 X 2.200 mm (0.760" X 0.087")
20 - Уплотнительное кольцо 51M7097 Примечание:18 X 2.500 mm
21 - Сливной клапан R553405
Наверх
Топливопроводы - ST319557
![Джон Дир 7930 Топливопроводы Топливопроводы]()
1 - Шланговый зажим R184863 8
2 - Шланг ....... Количество:2 Примечание:CTL 1063 mm, MF TY22553
3 - Скоба AH78237 Количество:2
4 - Винт 19M7865 Количество:6 Примечание:M8 X 16
5 - Винт 19M7801 Количество:2 Примечание:M8 X 60
6 - Шланг R258795 Примечание:(Выходное отверстие) CTL 700 mm, MF TY22553
7 - Тройник R210930
8 - Шланг R224203 Примечание:(Верхний)
9 - Шланговый зажим AE43629 Количество:2 Примечание:(Верхний)
9 - Скоба AH170895 Количество:2 Примечание:(Нижний)
10 - Шланг ....... Примечание:CTL 1850 mm, MF TY22553
11 - Уплотнительное кольцо 51M7040 Примечание:9.300 X 2.200 mm
12 - Труба RE251136
13 - Шайба 24M7298 Количество:3 Примечание:8.400 X 25 X 2 mm
14 - Скоба R72853 Количество:6
15 - Шланг ....... Примечание:RH; CTL 685 mm, MF TY22553
15 - Шланг ....... Примечание:LH; CTL 763 mm, MF TY22553
16 - Тройник R199195
17 - Скоба T28949 Количество:2
18 - Винт 19M7810 Примечание:M10 X 80
19 - Распорная втулка 28H1532 Примечание:0.493" X 0.675" X 2"
20 - Шланг ....... Примечание:CTL 966 mm, MF TY22553
20 - Шланг ....... Примечание:(Не сертифицированный по выбросам двигатель) CTL 1030 mm, MF TY22553
21 - Шпилька R502564
22 - Блокирующий зажим R239377 Количество:2
23 - Фитинг шланга RE211525
24 - Скоба R248715 Количество:3
25 - Винт 19M7798 Примечание:M8 X 40
26 - Зажимная скоба AH76882
27 - Шланг R230610 Примечание:CTL 233 mm, MF TY22553
28 - Топливопровод RE226640
29 - Топливопровод R248710
30 - Топливопровод R248709
31 - Шланг ....... Примечание:CTL 659 mm, MF TY22553
32 - Блокирующий зажим R248714 Примечание:(Впуск)
33 - Распорная втулка 28H3402 Примечание:0.493" X 0.675" X 2"
34 - Втулка 28H3396 Примечание:0.364" X 0.540" X 1-3/8"
35 - Гайка R219562 Количество:3
36 - Скоба R132927
37 - Винт 19M7783 Примечание:M10 X 16
38 - Зажимная скоба N191985 Количество:3
39 - Винт 19M7864 Примечание:M8 X 12
40 - Винт с головкой 19M7185 Примечание:M8 X 60
41 - Скоба T72393
42 - Шайба 28H3412 Примечание:0.493" X 0.675" X 3/8"
43 - Фланцевая гайка 14M7298 Примечание:M8
44 - Винт 37M7076
45 - Винт 37M7083 Примечание:M8 X 12
46 - Сапун RE52504
47 - Зажимная скоба R56101 Количество:2
48 - Труба R197706 Примечание:(Нижний) ORDER R565995
48 - Труба R565995 Примечание:(Нижний)
49 - Шланг ....... Примечание:CTL 2083 mm, MF TY22551
Наверх
Топливный бак и указатель, левый - ST711993
![Джон Дир 7930 Топливный бак и указатель, левый Топливный бак и указатель, левый]()
1 - Топливный бак RE257697
2 - Выпускное отверстие R237815
3 - Колпачок RE255763
4 - Винт T164203
5 - Уплотнение R114023 Примечание:ORDER R560528
5 - Уплотнение R560528
6 - Ручка RE191669
7 - Звено цепи RE255766
8 - Анкер H174831
9 - Шайба 24M7178 Примечание:10.500 X 30 X 2.500 mm
10 - Стопорная гайка 14M7517 Примечание:M10
11 - Винт 19M7783 Примечание:M10 X 16
12 - Прокладка R95430
13 - Датчик уровня топлива RE302167 Примечание:(SUB FOR RE253819)
14 - Винт с головкой 19M7640 Количество:6 Примечание:M5 X 12
15 - Крышка R182265
16 - Кронштейн RE195695
17 - Фланцевая гайка 14M7298 Примечание:M8
18 - Топливный фильтр RE222755
19 - Фитинг переходника N30405
20 - Трубная заглушка L2646N
21 - Коленчатый патрубок R199196
22 - Фитинг переходника AH165079
23 - Прокладка H172014
24 - Фитинг R219487
25 - Топливный фильтр AH165504
26 - Скоба AH170895 Количество:2
27 - Труба R197706 Примечание:ORDER R565995
27 - Труба R565995
28 - Зажимная скоба R56101 Количество:2
29 - Шланг без конц. арматуры TY22551 Примечание:(CUT TO 2083MM)
30 - Сапун RE52504
31 - Скоба H75541
32 - Винт с головкой 19M7981 Примечание:M8 X 55
Наверх
ПРАВЫЙ ТОПЛИВНЫЙ БАК - ST711947
![Джон Дир 7930 ПРАВЫЙ ТОПЛИВНЫЙ БАК ПРАВЫЙ ТОПЛИВНЫЙ БАК]()
1 - Топливный бак RE222483
1 - Топливный бак RE222484 Примечание:(С ПРАВОЙ ДВЕРЬЮ)
2 - Фитинг R219487
3 - Фитинг переходника N30405
4 - Трубная заглушка L2646N
5 - Коленчатый патрубок R199196
6 - Винт с головкой 19M8011 Количество:2 Примечание:M12 X 30
7 - Стопорная гайка 14M7517 Примечание:M10
8 - Шайба 24M7178 Примечание:10.500 X 30 X 2.500 mm
9 - Крышка R194892 Примечание:(БЕЗ УСТАНАВЛИВАЕМЫХ ПОСЕРЕДИНЕ КЛАПАНОВ)
10 - Кронштейн RE218315
11 - Ручка RE191669
12 - Топливный фильтр RE222755
13 - Топливный фильтр AH165504
Наверх
Кронштейны топливного бака - ST711992
![Джон Дир 7930 Кронштейны топливного бака Кронштейны топливного бака]()
1 - Опора R194877 Примечание:LH
1 - Опора R194878 Примечание:RH
2 - Винт 19M7790 1 Примечание:M12 X 35
3 - Уголок R181367 Количество:2
4 - Винт 19M8599 Количество:2 Примечание:M8 X 20
5 - Шайба 24M7298 Количество:2 Примечание:8.400 X 25 X 2 mm
6 - Хомут R556873 Tractor Serial No.______-004000 Примечание:LH; SUB FOR R181355
6 - Хомут R181363 Примечание:RH
7 - Хомут R203479 Количество:2
8 - Гайка R120213 Количество:2
Наверх
УЗЕЛ КОЖУХА ВЕНТИЛЯТОРА - ST319562
![Джон Дир 7930 УЗЕЛ КОЖУХА ВЕНТИЛЯТОРА УЗЕЛ КОЖУХА ВЕНТИЛЯТОРА]()
1 - Шайба 24M7298 Количество:6 Примечание:8.400 X 25 X 2 mm
2 - Винт с головкой 19M7288 Количество:6 Примечание:M8 X 30
3 - Кожух RE237111
4 - Стопорная гайка 14M7396 Количество:7 Примечание:M8
5 - Винт 19M7799 Количество:7 Примечание:M8 X 45
6 - Винт R264980 Количество:4 Примечание:M6 X 20, SUB FOR R253230
7 - Изолятор R226619 Количество:2
8 - Шайба 24M7178 Количество:4 Примечание:10.500 X 30 X 2.500 mm
9 - Винт 19M8528 Количество:2 Примечание:M10 X 55
10 - Кронштейн R183211
11 - Фланцевая гайка 14M7296 Количество:2 Примечание:M10
12 - Кожух RE226499
13 - Крышка R208029
14 - Винт 19M7866 Количество:7 Примечание:M8 X 20
15 - Гайка M84971 Количество:3
16 - Кожух R263588 Примечание:SUB FOR R226501
17 - Ограждение RE260068 Примечание:RH
18 - Ограждение RE260067 Примечание:LH
19 - Сальник R254016
20 - Винт 19M7785 Количество:2 Примечание:M10 X 25
21 - Винт 19M7866 Количество:6 Примечание:M8 X 20
22 - Шайба 24H1781 Количество:2 Примечание:13/32" X 7/8" X 1/4"
Наверх
Комплект элементов системы охлаждения - ST731933
![Джон Дир 7930 Комплект элементов системы охлаждения Комплект элементов системы охлаждения]()
1 - Сливной клапан AT13740 Посмотреть аналогичные детали
2 - Заклепка AT44188 Количество:4
3 - Пружинный стопорный штифт A15147 Количество:2
4 - Винт H169568 Количество:2
5 - Заклепка H85233 Количество:4
6 - Заклепка H86981
7 - Желоб RE226354
8 - Желоб RE226355 Количество:2
9 - Желоб RE226357
10 - Желоб RE226361
11 - Желоб RE226362
12 - Желоб RE226363
13 - Охладитель топлива RE226365
14 - Радиатор RE226366
15 - Послеохладитель RE226367
16 - Маслоохладитель RE566555 Примечание:SUB FOR RE226493
17 - Кронштейн RE235088
18 - Кронштейн RE235089
19 - Стержень RE250367
20 - Сердечник RE252363
21 - Фиксатор RE252364 Количество:2
22 - Скоба R122267 Количество:6
23 - Фитинг R130951
24 - Резиновая прокладка R209721 Количество:2
25 - Крепление со штифтом R226331 Количество:6
26 - Резиновая прокладка R230791 Количество:2
27 - Рукоятка R235093
28 - Болт R235094 Количество:4
29 - Болт R235095 Количество:2
30 - Установочный штифт R235096 Количество:2
31 - Заклепка R235098 Количество:2
32 - Кронштейн R245829
33 - Фланцевая гайка 14M7298 Количество:2 Примечание:M8
34 - Винт 19M7865 Количество:2 Примечание:M8 X 16
35 - Винт 21M7462 Количество:4 Примечание:M8 X 18
36 - Изолятор AT139776 Количество:2
37 - Гайка 14M7275 Количество:2 Примечание:M12
38 - Шайба 24M7180 Количество:2 Примечание:13 X 37 X 3 mm
39 - Шланг R226342
40 - Шланг R248396
41 - Зажимная скоба R56101 Количество:2
42 - Зажимная скоба R310225 Количество:2
43 - Шланг RE248822
44 - Уплотнительное кольцо R183409 Количество:3
45 - Уплотнительное кольцо R183410 Количество:2
46 - Шланговый зажим AL150169 Количество:2
47 - Расширит. бачок/осушитель RE576834 Примечание:SUB FOR RE291794
48 - Обратный клапан RE227937
49 - Сальник R258918
50 - Сальник R258919
Наверх
Промежуточный охладитель - ST711938
![Джон Дир 7930 Промежуточный охладитель Промежуточный охладитель]()
1 - Послеохладитель RE226367
2 - Скоба RE56098 Количество:6
3 - Шланг R259248
4 - Трубка RE250502
5 - Трубка RE257590
6 - Кронштейн R250577
7 - Сварочная гайка 14M7233 Количество:2 Примечание:M8
8 - Винт 19M7867 Примечание:M8 X 25
9 - Винт M117141
10 - Шланг R259319
11 - Шланг R240444
12 - Скоба AH170895 Количество:2
13 - Винт 19M7865 Примечание:M8 X 16
14 - Сварочная гайка 14M7233 Примечание:M8
Наверх
Радиатор - ST711991
![Джон Дир 7930 Радиатор Радиатор]()
1 - Зажимная скоба R56101 Количество:4
2 - Шланг R248396
3 - Обратный клапан RE227937
4 - Шланг R226342
5 - Винт R253764 Количество:3
6 - Крышка заливной горловины AT322214 Примечание:USE WITH RE323153
7 - Шланг ....... Примечание:CTL 1985 mm, MF TY22551
8 - Скоба TY22462 Количество:2
9 - Труба ....... Примечание:CTL 188 mm, MF R121759
10 - Скоба R213663
11 - Шланг ....... Примечание:CTL 1041 mm, MF TY22551
12 - Скоба R117721 Количество:2
13 - Фитинг RE252000
14 - Шланг R305836 Примечание:SUB FOR R240553
15 - Скоба AH170895
16 - Бак RE582551 Примечание:INCLUDES AT322214; SUB FOR RE323153 OR RE257981
17 - Шланг R257569
18 - Линия RE251443
19 - Фитинг переходника R132900
20 - Фитинг RE202113
21 - Кронштейн RE251817
22 - Скоба R46414
23 - Винт 19M7865 Примечание:M8 X 16
24 - Гайка 14M7163 Примечание:M8
25 - Крышка заливной горловины RE561406 Примечание:SUB FOR RE63194
26 - Винт 37M7131 Количество:2 Примечание:M6 X 20
27 - Шайба 24M7100 Количество:2 Примечание:6.600 X 22 X 2 mm
28 - Фитинг R130951
29 - Радиатор RE226366
30 - Трубка R248694
31 - Коленчатый патрубок R196306
32 - Шланг R248704 Количество:2
33 - Трубка R248693
34 - Шланг радиатора R226483
35 - Скоба RE56098 Количество:7
36 - Скоба R249145 Количество:2
37 - Уплотнительное кольцо T77932
38 - Бак RE201362
39 - Зажимная скоба R310225 Количество:3 Примечание:USE WITH RE323153
40 - Уплотнительное кольцо 51M7040 Примечание:9.300 X 2.200 mm
41 - Уплотнительное кольцо 51M7043 Примечание:15.300 X 2.200 mm
Наверх
Шланг радиатора, двигатель объемом 6,8 L - ST733994
![Джон Дир 7930 Шланг радиатора, двигатель объемом 6,8 L Шланг радиатора, двигатель объемом 6,8 L]()
1 - Зажимная скоба R56101
2 - Сальник R254016
3 - Сальник R226682
4 - Винт R250832 Количество:2
5 - Винт R253764 Количество:3
6 - Крышка заливной горловины AT322214
7 - Шланг ....... Примечание:CTL 1985 mm, MF TY22551
8 - Скоба TY22462 Количество:2
9 - Труба ....... Примечание:CTL 188 mm, MF R121759
10 - Скоба R213663
11 - Шланг ....... Примечание:CTL 1041 mm, MF TY22551
12 - Скоба R117721 Количество:2
13 - Фитинг RE252000
14 - Шланг R305836
15 - Скоба AH170895
16 - Бак RE582551 Примечание:SUB FOR RE323153; INCLUDES AT322214
17 - Шланг R257569
18 - Линия RE251443
19 - Фитинг переходника R132900
20 - Фитинг RE202113
21 - Кронштейн RE251817
22 - Скоба R46414
23 - Винт 19M7865 Примечание:M8 X 16
24 - Ограждение R246756
25 - Крышка заливной горловины RE561406 Примечание:SUB FOR RE63194
26 - Винт 37M7131 Количество:2 Примечание:M6 X 20
27 - Шайба 24M7100 Количество:2 Примечание:6.600 X 22 X 2 mm
28 - Винт 19M7866 Количество:2 Примечание:M8 X 20
29 - Зажимная скоба R310225 Количество:2
30 - Трубка R248694
31 - Коленчатый патрубок R196306
32 - Шланг R248704 Количество:2
33 - Трубка R248693
34 - Шланг радиатора R226483
35 - Скоба RE56098 Количество:7
36 - Скоба R249145 Количество:2
37 - Уплотнительное кольцо T77932
38 - Бак RE201362
39 - Уплотнительное кольцо 51M7040 Примечание:9.300 X 2.200 mm
40 - Уплотнительное кольцо 51M7043 Примечание:15.300 X 2.200 mm
Наверх