'
Каталог Запчастей John Deere :9120, 9220, 9320, 9420, 9520 and 9620 Tractors (Worldwide Edition) - PC2852 19 Engine 6125HRW13-RG30343
Вернуться на главную страницу каталога
Содержимое: Каталог Запчастей John Deere :9120, 9220, 9320, 9420, 9520 and 9620 Tractors (Worldwide Edition) - PC2852 19 Engine 6125HRW13-RG30343
1101 Rocker Arm Cover - ST439724 ( Крышка Коромысла Рукоятки - )
1211 Oil Filler Neck - ST132497 ( Маслозаливную Горловину - )
1310 Crankshaft Damper Pulley Front Seal - ST439726 ( Демпфер Шкива Коленвала, Передний Сальник - )
1499 Rear Crankshaft Oil Seal Housing - ST439727 ( Задний Коленчатый Вал Сальник Корпуса - )
1518 Flywheel - ST132499 ( Маховик - )
1649 Electronic Unit Injector - ST439729 ( Электронный Блок Инжектора - )
1711 Air Intake - ST439730 ( Потребление Воздуха - )
1909 Oil Pan - ST132470 ( Масляный Поддон - )
2001 Водяной насос - ST439932
2110 Thermostat Cover - ST439733 ( Крышку Термостата - )
2207 Thermostat - ST439734 ( Термостат - )
2302 Fan Drive - ST439736 ( Привод Вентилятора - )
2601 Engine Coolant Heater - ST132509 ( Двигателя Охлаждающей Жидкости Нагреватель - )
2811 Exhaust Manifolds - ST439738 ( Выпускной Коллектор - )
3011 Starting Motor - ST439739 ( Запуск Двигателя - )
3501 Fuel Filter and Lines - ST439741 ( Топливный фильтр и линии - )
3703 Fuel Transfer Pump - ST439742 ( Насос Для Перекачки Топлива - )
3903 Thermostat Housing - ST439743 ( Корпус Термостата - )
4001 Engine Oil Dipstick - ST132477 ( Двигатель Масла Щуп - )
4301 Starting Aid - ST132518 ( Начиная Помощи - )
4422 Sensors - ST140941 ( Датчики - )
4601 Блок цилиндров - ST439948
4701 Коленчатый вал и подшипники - ST439749
4802 Connecting Rods and Pistons - ST439750 ( Шатуны и поршни - )
4902 Valve Actuating Mechanism - ST439751 ( Клапанный Механизм Привода - )
5001 Engine Oil Pump - ST439752 ( Масляный Насос Двигателя )
5104 Cylinder Head - ST439754 ( Головка Блока Цилиндров - )
5297 Auxiliary Drive Hardware - ST132530 ( Вспомогательное Оборудование Привода - )
5901 Engine Oil Cooler, Filter and Sending Units - ST439757 ( Охладитель моторного масла, фильтра и отправка единиц - )
6520 Turbocharger and Oil Lines - ST439758 ( Турбонагнетатель и маслопроводов - )
6601 Temperature Switch - ST439759 ( Переключатель Температуры - )
7403 Air Conditioning Mounting - ST208890 ( Кондиционер Монтаж )
7699 Oil Pressure Switch - ST439762 ( Датчик Давления Масла - )
7708 Timing Gear Cover - ST439829 ( Крышка Газораспределительного Механизма - )
7897 Air Compressor Mounting Plug - ST439830 ( Воздушный Компрессор Установки Плагина )
9803 Lift Straps - ST439765 ( Лифт Ремни - )
5104 Engine Short Block - ST439766 ( Двигатель Короткий Блок - )
9902 Engine Gasket Kits - ST439767 ( Комплекты Прокладок Двигателя - )
9902 Engine Overhaul Kit - ST439768 ( Капитальный Ремонт Двигателя Комплект )
9902 Piston Liner Kit - ST439769 ( Набор Вкладыша Поршеня - )
9902 Water PumpSeal Kit - ST439770 ( Набор Воды PumpSeal - )
9902 Starter, Solenoid Cover Kit - ST439771 ( Стартера, Соленоид Крышки Комплект - )
9902 Starter, Solenoid Cover Kit - ST439772 ( Стартера, Соленоид Крышки Комплект - )
9902 Cylinder Liner Packing - ST439773 ( Гильза Цилиндра Упаковка - )
9902 Valve, Spring, Rotator - ST439775 ( Клапана, Пружины, Вращатель - )
9902 Engine Overhaul Kit - ST439776 ( Капитальный Ремонт Двигателя Комплект )
9902 Engine Gasket Kit - ST439778 ( Набор Прокладок Двигателя - )
9902 Engine Gasket Kit - ST439779 ( Набор Прокладок Двигателя - )
9902 Complete Block Assembly - ST439780 ( Полный Блок В Сборе - )
9901 Complete Engine - ST439781 ( Полный Двигатель - )
9902 Electronic Unit, Injector ECU Wiring Harness - ST439782 ( Электронный блок, форсунки, ЭБУ, жгут проводов - )
9902 Starter Motor Kit - ST439783 ( Стартер Комплект )
9902 Piston Ring Pack - ST439784 ( Кольцо Поршеня Пакет - )
9902 Camshaft Kit - ST439785 ( Комплект Распредвала - )
9902 Piston Ring Pack - ST439786 ( Кольцо Поршеня Пакет - )
9902 Electronic Unit, Injector ECU Wiring Harness - ST439787 ( Электронный блок, форсунки, ЭБУ, жгут проводов - )
1101 Rocker Arm Cover - ST439724 ( Крышка Коромысла Рукоятки - )
![Джон Дир 9120 1101 Rocker Arm Cover 1101 Rocker Arm Cover]()
1 - Винт 19M8039 Количество:3 Примечание:M8 X 80
2 - Изолятор RE71265 Количество:3
3 - Коленчатый патрубок R120467
4 - Уплотнительное кольцо R72328
5 - Крышка клапана R505450 Engine Serial No.014583-______
6 - Пружинный шплинт 34H312 Количество:2 Примечание:1/4" X 1"
7 - Уплотнение R501292 Количество:2 Примечание:(SUB FOR R127451)
8 - Уплотнительное кольцо R63185
9 - Отражательная пластина RE66329
10 - Винт R130091 Количество:2
11 - Прокладка R502124 Engine Serial No.014583-______ Примечание:(SUB FOR R130738)
Наверх
1211 Oil Filler Neck - ST132497 ( Маслозаливную Горловину - )
![Джон Дир 9120 1211 Oil Filler Neck 1211 Oil Filler Neck]()
1 - Крышка заливной горловины RE535517 Примечание:SUB FOR RE500250
2 - Винт 19M7804 Количество:2 Примечание:M10 X 40
3 - Кронштейн RE201564
4 - Трубка щупа R120801
5 - Скоба AR44217 Количество:2 Примечание:Не показано
6 - Шланг R133758 Примечание:Не показано
8 - Винт 19M7804 Примечание:M10 X 40, Не показано
9 - Уплотнительное кольцо R29936 Примечание:Не показано
Наверх
1310 Crankshaft Damper Pulley Front Seal - ST439726 ( Демпфер Шкива Коленвала, Передний Сальник - )
![Джон Дир 9120 1310 Crankshaft Damper Pulley Front Seal 1310 Crankshaft Damper Pulley Front Seal]()
1 - Сальник RE54073 Примечание:(Передний)
2 - Винт R522160 Количество:8
3 - Шкив с демпфером RE505520 Engine Serial No.______-053079 Примечание:(SUB RE523266, THIS APPLICATION AND R519753)
3 - Шкив с демпфером RE523266 Engine Serial No.053080-______
3 - Распорная втулка R519753 Engine Serial No.______-053079 Примечание:(USE WITH RE51761 AND RE523266)
4 - Распорная втулка R501561
5 - Винт 19M7818 Количество:6 Примечание:M12 X 80
Наверх
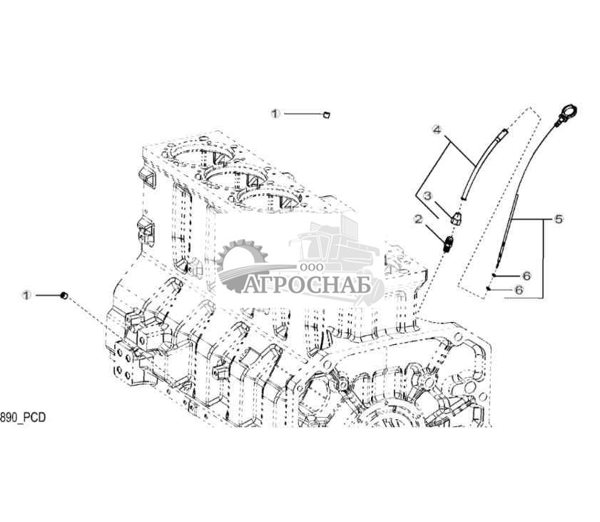
1499 Rear Crankshaft Oil Seal Housing - ST439727 ( Задний Коленчатый Вал Сальник Корпуса - )
![Джон Дир 9120 1499 Rear Crankshaft Oil Seal Housing 1499 Rear Crankshaft Oil Seal Housing]()
1 - Винт R522160 Количество:8
2 - Сальник RE53687
3 - Уплотнительное кольцо R27149
4 - Заглушка AR61533
5 - Винт 19M7868 Количество:7 Примечание:M8 X 30
6 - Корпус R116338
7 - Прокладка R520512
Наверх
1518 Flywheel - ST132499 ( Маховик - )
![Джон Дир 9120 1518 Flywheel 1518 Flywheel]()
1 - Винт с головкой R116911 2
2 - Маховик RE61413 Примечание:MARKED R124987
3 - Передача R76000
Наверх
1649 Electronic Unit Injector - ST439729 ( Электронный Блок Инжектора - )
![Джон Дир 9120 1649 Electronic Unit Injector 1649 Electronic Unit Injector]()
1 - Винт 19M7865 Количество:2 Примечание:M8 X 16
2 - Кронштейн R124676
3 - Жгут проводов RE508984 Примечание:(INCLUDES R56461)
4 - Уплотнительное кольцо R56461
5 - Винт 19M7864 Количество:5 Примечание:M8 X 12
6 - Скоба R128315 Количество:5
7 - Гайка R134920 2
8 - Винт R501390 Количество:6
9 - Скоба R505747 Количество:6
10 - Электронный насос-форсунка RG33966 Количество:6 Примечание:(MARKED RE517660 OR RE505430)
10 - Элект. насос-форс. восст. SE501956 Количество:6 Примечание:JD REMAN FOR RG33966
Наверх
1711 Air Intake - ST439730 ( Потребление Воздуха - )
![Джон Дир 9120 1711 Air Intake 1711 Air Intake]()
1 - Крышка R503791
2 - Скоба T76719 Количество:2
3 - Винт 19M7803 1 Примечание:M8 X 70
4 - Винт 19M8039 Количество:3 Примечание:M8 X 80
5 - Уплотнительное кольцо 51M7041 Примечание:11.300 X 2.200 mm
6 - Датчик RE61812
7 - Заглушка фитинга RE46684
8 - Уплотнительное кольцо 51M7041 Примечание:11.300 X 2.200 mm
9 - Коленчатый патрубок T12938
10 - Фитинг RE502650
11 - Шайба R10172
12 - Фильтр R65737
13 - Фитинг R65736
14 - Прокладка R116830
Наверх
1909 Oil Pan - ST132470 ( Масляный Поддон - )
![Джон Дир 9120 1909 Oil Pan 1909 Oil Pan]()
1 - Прокладка R519752 Примечание:SUB FOR RE521549
2 - Впуск масляного насоса RE529065 Примечание:SUB FOR RE62887
3 - Винт R524837 Количество:3 Примечание:SUB FOR 19M9312
4 - Заглушка фитинга R36636
5 - Уплотнительное кольцо R29936
6 - Пробка сливного отверстия R27175 Количество:4
7 - Уплотнительное кольцо R56751 Количество:4
8 - Винт 19M8528 Количество:8 Примечание:M10 X 55
9 - Винт 19M7835 Количество:22 Примечание:M10 X 35
10 - Масляный поддон RE522840 Примечание:SUB FOR RE508328; MARKED R519538
Наверх
2001 Водяной насос - ST439932
![Джон Дир 9120 2001 Водяной насос 2001 Водяной насос]()
1 - Водяной насос RE549153 Примечание:SUB FOR RE530870, RE540308 AND RE545360
1 - Водяной насос RE545360 Примечание:ORDER RE549153
1 - Водяной насос восст. SE501592 Примечание:REMAN FOR RE530870, RE540308 AND RE545360
2 - Скоба R121187
3 - Уплотнительное кольцо F37030254
4 - Трубная заглушка 15H690 Примечание:3/4"
5 - Трубная заглушка RE57836
6 - Труба R57503
7 - Фильтр R100369
8 - Уплотнительное кольцо R56757
9 - Винт H144962 Количество:3
Наверх
2110 Thermostat Cover - ST439733 ( Крышку Термостата - )
![Джон Дир 9120 2110 Thermostat Cover 2110 Thermostat Cover]()
1 - Крышка R89439
2 - Винт 19M8598 Примечание:M10 X 170
3 - Винт 19M7835 Примечание:M10 X 35
4 - Винт 19M7944 Количество:2 Примечание:M10 X 120
5 - Прокладка R133142
Наверх
2207 Thermostat - ST439734 ( Термостат - )
![Джон Дир 9120 2207 Thermostat 2207 Thermostat]()
1 - Термостат RE33705 Посмотреть аналогичные детали
2 - Термостат AR102258
Наверх
2302 Fan Drive - ST439736 ( Привод Вентилятора - )
![Джон Дир 9120 2302 Fan Drive 2302 Fan Drive]()
1 - Крышка RE523620
2 - Заглушка R116466
3 - Крышка R504677 Engine Serial No.______-038585 Примечание:(SUB R516835, THIS APPLICATION)
3 - Крышка R516835 Engine Serial No.038586-______
4 - Шариковый подшипник JD10329 Количество:2
5 - Ось R63987
6 - Пружинное кольцо R62194 Примечание:(Белый Белый)
7 - Пружинное кольцо R62193 Примечание:(Синий)
8 - Пружинное кольцо R62192 Примечание:(Зеленый)
9 - Пружинное кольцо R62191 Примечание:(Красный)
10 - Сальник RE20768
11 - Винт 19M7836 Примечание:M10 X 110
12 - Винт 19M7812 Количество:6 Примечание:M10 X 100
13 - Шкив R128972
14 - Шайба T20217
15 - Винт с головкой 19H1815 Примечание:1/2" X 1-1/4"
16 - Винт 19M7786 Количество:2 Примечание:M10 X 30
Наверх
2601 Engine Coolant Heater - ST132509 ( Двигателя Охлаждающей Жидкости Нагреватель - )
![Джон Дир 9120 2601 Engine Coolant Heater 2601 Engine Coolant Heater]()
1 - Обогреватель AR84185 Примечание:110 V
2 - Шнур электропитания AR87405 Примечание:110 V
Наверх
2811 Exhaust Manifolds - ST439738 ( Выпускной Коллектор - )
![Джон Дир 9120 2811 Exhaust Manifolds 2811 Exhaust Manifolds]()
1 - Выпускной коллектор R504613 Количество:2
2 - Кольцо R135482 Количество:4
3 - Выпускной коллектор R116838
4 - Прокладка R131809 Количество:6
5 - Шайба 24M7346 2 Примечание:11 X 20 X 2 mm
6 - Винт с головкой 19M8637 2 Примечание:M10 X 40
Наверх
3011 Starting Motor - ST439739 ( Запуск Двигателя - )
![Джон Дир 9120 3011 Starting Motor 3011 Starting Motor]()
1 - Комплект стартера двигат. RE515843 Примечание:(12V), (DENSO) (MARKED RE506825)
1 - Мотор стартера восст. SE501862 Примечание:(12V), (REMAN FOR RE515843)
2 - Винт 19M7813 Примечание:M12 X 45
3 - Фланцевая гайка R518381 Количество:2
4 - Провод заземления AR67069
5 - Метка T146102
6 - Фланцевая гайка 14M7299 Количество:2 Примечание:M12
7 - Шпилька 42M7029 Количество:2
Наверх
3501 Fuel Filter and Lines - ST439741 ( Топливный фильтр и линии - )
![Джон Дир 9120 3501 Fuel Filter and Lines 3501 Fuel Filter and Lines]()
1 - Топливный фильтр RE508282
2 - Колпачок R502490
3 - Фильтрующий элемент RE507284 Engine Serial No.______-XXXXXX Примечание:10 MICRON/2 MICRON
3 - Уплотнительное кольцо T12275 Engine Serial No.______-XXXXXX
4 - Труба RE504938 Engine Serial No.______-XXXXXX
5 - Кольцо R519441
6 - Метка R515471
7 - Уплотнительное кольцо T77857 Количество:2
8 - Трубная заглушка L41709
9 - Уплотнительное кольцо 51M7043 Количество:2 Примечание:15.300 X 2.200 mm
10 - Фитинг переходника 38H5037
11 - Уплотнительное кольцо 51M7042 Примечание:13.300 X 2.200 mm
12 - Уплотнительное кольцо T77613
13 - Клапан RE504500
14 - Уплотнительное кольцо T81686
15 - Фитинг переходника RE504939
16 - Уплотнительное кольцо R26906
17 - Уплотнительное кольцо 51M7042 Примечание:13.300 X 2.200 mm
18 - Рукоятка прокачки RE65265
19 - Коленчатый патрубок 38H5017
20 - Уплотнительное кольцо 51M7040 Примечание:9.300 X 2.200 mm
21 - Датчик влажности RE503590
22 - Датчик RE48419
23 - Уплотнительное кольцо 51M7041 Количество:4 Примечание:11.300 X 2.200 mm
24 - Вкладыш R502705
25 - Клапан RE526212
26 - Уплотнительное кольцо R56465
27 - Уплотнительное кольцо T81686
28 - Клапан R502704
29 - Упаковка R501632
30 - Впускной клапан RE504498 Количество:2
31 - Заглушка фитинга T122803 Количество:2
32 - Трубная заглушка L41079
33 - Фитинг переходника RE504503
34 - Уплотнительное кольцо R56465
35 - Датчик давления RE154966
36 - Уплотнительное кольцо R77673
37 - Коленчатый патрубок R504812
38 - Коленчатый патрубок R503753
39 - Коленчатый патрубок 38H5016
40 - Уплотнительное кольцо 51M7041 Примечание:11.300 X 2.200 mm
41 - Шланг RE507054
42 - Фитинг 38H1416
43 - Винт 19M7803 Примечание:M8 X 70
44 - Винт 19M7786 Количество:4 Примечание:M10 X 30
45 - Уплотнительное кольцо T77613 Количество:2
46 - Фитинг переходника 38H5002
47 - Шланг RE504509
48 - Шланг RE507055
49 - Клапан RE504499
Наверх
3703 Fuel Transfer Pump - ST439742 ( Насос Для Перекачки Топлива - )
![Джон Дир 9120 3703 Fuel Transfer Pump 3703 Fuel Transfer Pump]()
1 - Топливный насос RE522243
2 - Уплотнительное кольцо T77613
3 - Фитинг переходника 38H1160
4 - Уплотнительное кольцо R26448 Количество:2
5 - Винт 19M7867 Количество:2 Примечание:M8 X 25
6 - Фитинг переходника 38H1173
7 - Уплотнительное кольцо T77857
8 - Топливный насос RE533095 Примечание:(SUB FOR RE502974)
9 - Уплотнительное кольцо T35580
10 - Винт 19M7865 Количество:2 Примечание:M8 X 16
11 - Кронштейн R117063
12 - Уплотнительное кольцо R500318
13 - Винт 19M7835 Количество:3 Примечание:M10 X 35
Наверх
3903 Thermostat Housing - ST439743 ( Корпус Термостата - )
![Джон Дир 9120 3903 Thermostat Housing 3903 Thermostat Housing]()
1 - Датчик RE48419
2 - Уплотнительное кольцо 51M7041 Примечание:11.300 X 2.200 mm
3 - Трубная заглушка 15H685 Примечание:1/4 дюйма
4 - Трубная заглушка RE57836 Количество:2
5 - Прокладка R116205
6 - Фитинг переходника R121443
7 - Уплотнительное кольцо R56464
8 - Корпус RE501605
9 - Корпус R520362
10 - Труба R57503
11 - Скоба AR21839 Количество:2
12 - Шланг радиатора R121427
13 - Фитинг R51133
14 - Линия RE58336
Наверх
4001 Engine Oil Dipstick - ST132477 ( Двигатель Масла Щуп - )
![Джон Дир 9120 4001 Engine Oil Dipstick 4001 Engine Oil Dipstick]()
1 - Трубная заглушка 15H685 Количество:2 Примечание:1/4 дюйма
2 - Фитинг переходника A4925R
3 - Фитинг A4926R
4 - Трубка щупа RE526276 Примечание:SUB FOR R130049
5 - Щуп RE544248 Примечание:SUB FOR RE525818
6 - Уплотнительное кольцо T44604 Количество:2 Примечание:SUB FOR R76578
Наверх
4301 Starting Aid - ST132518 ( Начиная Помощи - )
![Джон Дир 9120 4301 Starting Aid 4301 Starting Aid]()
1 - Впрыскивающие форсунки RE560025 Примечание:SUB FOR R28583
2 - Держатель форсунки R47160
3 - Коленчатый патрубок RE21790
Наверх
4422 Sensors - ST140941 ( Датчики - )
![Джон Дир 9120 4422 Sensors 4422 Sensors]()
1 - Датчик RE519144 Количество:2 Примечание:Магнитный датчик SUB FOR RE71121 OR RE508195
2 - Уплотнительное кольцо 51M7044 Количество:2 Примечание:17.300 X 2.200 mm
3 - Шайба R60756
Наверх
4601 Блок цилиндров - ST439948
![Джон Дир 9120 4601 Блок цилиндров 4601 Блок цилиндров]()
1 - Комплект поршня-гильзы RE515942 Количество:6
2 - Комплект уплотн. колец AR72351 Количество:6
3 - Трубная заглушка 15H690 Примечание:3/4"
4 - Коленчатый патрубок T11370
5 - Фитинг R51133
6 - Заглушка R502753 Количество:2
7 - Трубная заглушка 15H685 Количество:2 Примечание:1/4 дюйма
8 - Крышка подшипника R116639 Engine Serial No.______-045313 Примечание:(Thrust) (Use With Cylinder Block Marked Number in Remarks) USE WITH R502884; THRUST
8 - Крышка подшипника R518573 Engine Serial No.045314-______ Примечание:(Thrust) (Use With Cylinder Block Marked Number in Remarks) USE WITH R518736, R522822 OR R526650; THRUST
9 - Винт R116640 4 Engine Serial No.______-045313 Примечание:(Use With Cylinder Block Marked Number in Remarks) USE WITH R502884
9 - Винт с головкой R518579 4 Engine Serial No.045314-______ Примечание:(Use With Cylinder Block Marked Number in Remarks) USE WITH R518736, R522822 OR R526650
10 - Крышка подшипника R116638 Количество:6 Engine Serial No.______-045313 Примечание:(Main) (Use With Cylinder Block Marked Number in Remarks) USE WITH R502884; MAIN
10 - Крышка подшипника R518501 Количество:6 Engine Serial No.045314-______ Примечание:(Main) (Use With Cylinder Block Marked Number in Remarks) USE WITH R518736, R522822 or R526650; MAIN
11 - Заглушка R116466
12 - Заглушка T21937
13 - Блок цилиндра ....... Примечание:R502884, R518736, R522822 or R526650; NSEP
14 - Сливной клапан AT13740 Посмотреть аналогичные детали
Наверх
4701 Коленчатый вал и подшипники - ST439749
![Джон Дир 9120 4701 Коленчатый вал и подшипники 4701 Коленчатый вал и подшипники]()
1 - Коленвал RE51761 Engine Serial No.______-053079 Примечание:(MARKED R116068) (SUB RE522871 AND RE523266)
1 - Коленвал RE522871 Engine Serial No.053080-______ Примечание:(MARKED R519559)
1 - Коленчатый вал восст. SE501664 Примечание:(With Bearings) (REMAN FOR RE522871)
2 - Пружинный шплинт 34M7129 Примечание:3 X 16 mm
3 - Датчик скор. вращ. кол. R122377
4 - Передача R116330 Engine Serial No.______-053079 Примечание:(USE WITH RE51761)
4 - Передача R519560 Engine Serial No.053080-______ Примечание:(USE WITH RE522871)
5 - Шпонка вала 26M4224 Примечание:4 X 16 mm
6 - Подшипник RE63903 Количество:6 Примечание:KIT; MARKED R129749 AND R129750 OR R517065 AND R517068
7 - Комплект шайб RE530885 Примечание:STD (MARKED R520586 OR R116299) (SUB FOR RE63906)
7 - Упорная шайба RE531770 Примечание:US 0.18MM, (MARKED (2) R133599, R116299, (2) R524653 OR R520586) (SUB FOR RE68659)
8 - Подшипниковый комплект RE530786 Примечание:(MARKED R129751, R129752, R517069 OR R517070) (SUB FOR RE63905) THRUST
Наверх
4802 Connecting Rods and Pistons - ST439750 ( Шатуны и поршни - )
![Джон Дир 9120 4802 Connecting Rods and Pistons 4802 Connecting Rods and Pistons]()
1 - Комплект колец поршня RE515941 Количество:6
2 - Комплект колец поршня RE504630
3 - Комплект поршня-гильзы RE519111 Количество:6
4 - Пружинное кольцо N51168 2
5 - Штифт поршня R64451 Количество:6
6 - Подшипниковый комплект RE530787 Количество:6
7 - Соединительная тяга RE535965 Количество:6 Примечание:SUB FOR RE532355
7 - Соединит. тяга восст. SE502394 Примечание:REMAN FOR RE535965
7 - Соединительная тяга RE532355 Количество:6 Примечание:ORDER RE535965
7 - Соединит. тяга восст. SE501726 Примечание:REMAN FOR RE532355
8 - Втулка R69045
9 - Винт с головкой R501380 Количество:2
10 - Жиклер RE503567 Количество:6
11 - Винт R130091 Количество:6
Наверх
4902 Valve Actuating Mechanism - ST439751 ( Клапанный Механизм Привода - )
![Джон Дир 9120 4902 Valve Actuating Mechanism 4902 Valve Actuating Mechanism]()
1 - Коромысло RE535520 Примечание:(SUB FOR RE520807)
2 - Коромысло RE53420 Количество:6 Примечание:(Выхлопная труба)
3 - Винт R116556 2
4 - Гайка R500145 2
5 - Коромысло RE508660 Количество:6 Примечание:(SUB FOR RE52232)
6 - Винт R115516
7 - Гайка R130643
8 - Коромысло RE53416 Количество:6 Примечание:(Впуск)
9 - Скоба R501647 Количество:5
10 - Винт R136507 2
11 - Заглушка 30M7010 Количество:4 Примечание:(SUB FOR 30M7004)
12 - Ось клапанного коромысла RE520808 Количество:2 Примечание:(SUB FOR RE515358) (INCL KEY 11)
13 - Скоба R501644 Количество:2 Примечание:(SUB FOR R130501)
14 - Толкатель R117069 2
15 - Поперечная перекладина R503824 2 Примечание:(SUB FOR R129215)
16 - Уплотнительное кольцо 51M7041 Примечание:11.300 X 2.200 mm
17 - Заглушка фитинга RE46684
18 - Промежут. зубчатое колесо RE535931 Примечание:(SUB FOR RE522242)
19 - Наружн. кольцо подшипн. ....... Примечание:NSEP (ORDER RE535931)
20 - Прямозубая шестерня RE53911
21 - Пластина ....... Примечание:NSEP (OREDER RE535931)
22 - Винт 19M7867 Количество:3 Примечание:M8 X 25
23 - Винт R521465 Количество:3
Наверх
5001 Engine Oil Pump - ST439752 ( Масляный Насос Двигателя )
![Джон Дир 9120 5001 Engine Oil Pump 5001 Engine Oil Pump]()
1 - Прокладка R500387
2 - Масляный насос RE527933 Примечание:(INCLUDES (4) 19M8675)
2 - Масляный насос восст. SE501594 Примечание:(REMAN FOR RE527933)
3 - Винт 19M8508 Количество:3 Примечание:M8 X 80
4 - Передача RE53654
5 - Пружинное кольцо 40M7076
Наверх
5104 Cylinder Head - ST439754 ( Головка Блока Цилиндров - )
![Джон Дир 9120 5104 Cylinder Head 5104 Cylinder Head]()
1 - Крестовина R545594 Примечание:SUB FOR R502027 AND R117022
2 - Муфта R117021
3 - Ось R117020
4 - Распредвал RE506962
4 - Camshaft Remanufactured SE501641 Примечание:REMAN FOR RE506962
5 - Прокладка R541154 Примечание:SUB FOR R500211 AND R119160
6 - Уплотнительное кольцо R62976
7 - Кольцо R119158
8 - Винт 19M7867 Количество:6 Примечание:M8 X 25
9 - Передача R116526
10 - Распорная втулка R526517
11 - Винт R114083 Количество:6
12 - Головка блока цилиндров RE518554 Примечание:NLA; ORDER RE542748
12 - Голов. блока цил. восст. SE500708 Примечание:REMAN FOR RE518554
12 - Головка блока цилиндров RE542748
13 - Втулка R522284 Количество:4
14 - Стопор R520798 Количество:48
15 - Комплект пружин RE505499 2 Примечание:INCLUDES (2) R133891 AND (2) RE69878
16 - Сальник RE66635 Количество:24
17 - Направляющая R517011 Количество:24
18 - Гильза RE531334 Количество:6
19 - Уплотнительное кольцо T122075
20 - Заглушка N102039 Количество:6
21 - Пружинный шплинт 34H309 Количество:2 Примечание:1/4" X 5/8"
22 - Заглушка AT107509
23 - Заглушка R524857 Количество:3
24 - Трубная заглушка 15H690 Количество:5 Примечание:3/4"
25 - Клапан R516892 Количество:24
26 - Вставка седла клапана R504713 Количество:24
27 - Заглушка M1206T Количество:7
28 - Прокл. гол. цил. двигат. RE522278
29 - Установочный штифт R116716 Количество:2
30 - Винт с головкой R519524 Количество:26
Наверх
5297 Auxiliary Drive Hardware - ST132530 ( Вспомогательное Оборудование Привода - )
![Джон Дир 9120 5297 Auxiliary Drive Hardware 5297 Auxiliary Drive Hardware]()
1 - Шайба R26333
2 - Винт с головкой 19M7488 Примечание:M16 X 40
Наверх
5901 Engine Oil Cooler, Filter and Sending Units - ST439757 ( Охладитель моторного масла, фильтра и отправка единиц - )
![Джон Дир 9120 5901 Engine Oil Cooler, Filter and Sending Units 5901 Engine Oil Cooler, Filter and Sending Units]()
1 - Маслоохладитель RE500657
2 - Уплотнительное кольцо R134716 Количество:2
3 - Прокладка R500209
4 - Корпус R515255
5 - Трубная заглушка 15H686 Примечание:1"
6 - Трубная заглушка RE57836
7 - Гайка R136500 Количество:2
8 - Прокладка R500210
9 - Винт 19M9763 Количество:2 Примечание:M10 X 80
10 - Уплотнительное кольцо 51M7040 Примечание:9.300 X 2.200 mm
11 - Фитинг RE46686
12 - Сливной клапан AT13740 Посмотреть аналогичные детали
13 - Трубная заглушка RE57836
14 - Скоба RE52702
15 - Шланг R117080
16 - Скоба RE52702
17 - Корпус RE515304 Примечание:INCLUDES R500283
18 - Фитинг переходника R127208
19 - Масляный фильтр RE58935
20 - Трубная заглушка 15H685 Примечание:1/4 дюйма
21 - Винт 19M7810 Примечание:M10 X 80
22 - Винт 19M7958 Количество:7 Примечание:M10 X 150
23 - Клапан R500055 Количество:2
24 - Пружина R98064 Количество:2
25 - Уплотнительное кольцо U17409 Количество:3
26 - Заглушка фитинга R500232 Количество:3
27 - Редукционный клапан R124186
28 - Пружина R130717
Наверх
6520 Turbocharger and Oil Lines - ST439758 ( Турбонагнетатель и маслопроводов - )
![Джон Дир 9120 6520 Turbocharger and Oil Lines 6520 Turbocharger and Oil Lines]()
1 - Винт с головкой R127941 Количество:4
2 - Шайба 24M7239 Количество:4 Примечание:10.700 X 21 X 2.500 mm
3 - Турбонагнетатель восст. SE501679
3 - Турбонагнетатель восст. SE502163
4 - Прокладка R520685
5 - Прокладка R521349
6 - Маслопровод RE534187
7 - Винт 19M7784 Количество:2 Примечание:M10 X 20, (SUB FOR N275620)
8 - Уплотнительное кольцо R72328
9 - Фитинг переходника R41285
10 - Коленчатый патрубок RE532777
11 - Маслопровод RE66525
12 - Фитинг переходника A4925R Примечание:(SUB FOR RE528740)
Наверх
6601 Temperature Switch - ST439759 ( Переключатель Температуры - )
![Джон Дир 9120 6601 Temperature Switch 6601 Temperature Switch]()
1 - Датчик RE48419 Примечание:(INCLUDES 51M7041)
2 - Уплотнительное кольцо 51M7041 Примечание:11.300 X 2.200 mm
Наверх
7403 Air Conditioning Mounting - ST208890 ( Кондиционер Монтаж )
![Джон Дир 9120 7403 Air Conditioning Mounting 7403 Air Conditioning Mounting]()
1 - Фланцевая гайка 14M7296 Количество:2 Примечание:M10
2 - Кронштейн R128858
3 - Кронштейн R516898
4 - Винт 19M7898 Количество:2 Примечание:M10 X 130
Наверх
7699 Oil Pressure Switch - ST439762 ( Датчик Давления Масла - )
![Джон Дир 9120 7699 Oil Pressure Switch 7699 Oil Pressure Switch]()
1 - Трубная заглушка R55233
Наверх
7708 Timing Gear Cover - ST439829 ( Крышка Газораспределительного Механизма - )
![Джон Дир 9120 7708 Timing Gear Cover 7708 Timing Gear Cover]()
1 - Прокладка R526360 Примечание:SUB FOR R520981
2 - Пластина R525937
3 - Винт 19M8551 Количество:5 Примечание:M10 X 25
4 - Установочный штифт R1612R Количество:2
5 - Кольц. упл. V-обр. сеч. R524334 Примечание:SUB FOR R502026
6 - Болт R119159
7 - Крышка R521189
8 - Винт 19M8528 Количество:9 Примечание:M10 X 55
9 - Фланцевая гайка 14M7296 Примечание:M10
10 - Кольц. упл. V-обр. сеч. R524335 Примечание:SUB FOR R502441
11 - Винт 19M8114 Примечание:M10 X 70
Наверх
7897 Air Compressor Mounting Plug - ST439830 ( Воздушный Компрессор Установки Плагина )
![Джон Дир 9120 7897 Air Compressor Mounting Plug 7897 Air Compressor Mounting Plug]()
1 - Трубная заглушка RE57836
2 - Трубная заглушка RE71255
Наверх
9803 Lift Straps - ST439765 ( Лифт Ремни - )
![Джон Дир 9120 9803 Lift Straps 9803 Lift Straps]()
1 - Хомут R128000 Примечание:(Задний)
1 - Хомут R503481 Примечание:(Передний)
2 - Винт 19M7789 Количество:2 Примечание:M12 X 30
Наверх
5104 Engine Short Block - ST439766 ( Двигатель Короткий Блок - )
![Джон Дир 9120 5104 Engine Short Block 5104 Engine Short Block]()
1 - Узел короткого блока RE524829 Engine Serial No.______-053079 Примечание:(SUB FOR RE528462, AND RE523266THIS APPLICATION ) (MARKED R502884 AND R116068)
1 - Узел короткого блока RE528462 Engine Serial No.053080-______ Примечание:(WITH HIGH COMPRESSION PISTONS) (MARKED R522822 AND R519559)
.. - Дизельный двиг. восст. SE501057 Примечание:(MARKED RG30343)
Наверх
9902 Engine Gasket Kits - ST439767 ( Комплекты Прокладок Двигателя - )
![Джон Дир 9120 9902 Engine Gasket Kits 9902 Engine Gasket Kits]()
1 - Уплотнительное кольцо R72328 Количество:2
2 - Уплотнительное кольцо R63185
3 - Прокладка R502124
4 - Уплотнительное кольцо R56461
5 - Уплотнительное кольцо R133651 Количество:6
6 - Упаковка R133652 Количество:6
6 - Уплотнительное кольцо R133653 Количество:6
7 - Упаковка R130772 Количество:6
8 - Уплотнительное кольцо R26375 Количество:3
9 - Уплотнительное кольцо T77613 Количество:7
10 - Уплотнительное кольцо T77857
11 - Уплотнительное кольцо 51M7045 Примечание:19.300 X 2.200 mm
12 - Прокладка R116830
13 - Уплотнительное кольцо 51M7041 Примечание:11.300 X 2.200 mm
14 - Уплотнительное кольцо R26448 Количество:6
15 - Прокл. гол. цил. двигат. RE57784
16 - Прокладка R541154 Примечание:SUB FOR R500211 AND R119160
17 - Уплотнительное кольцо R62976
18 - Прокладка R500212 Примечание:(ORDER (4) N102039)
19 - Уплотнительное кольцо T70176
19 - Уплотнительное кольцо R82459 Примечание:(Not used this application)
19 - Уплотнительное кольцо T74492 Примечание:(Not used this application)
20 - Кольц. упл. V-обр. сеч. R502026
21 - Кольц. упл. V-обр. сеч. R502441
22 - Прокладка R500387
23 - Уплотнительное кольцо R56757
24 - Уплотнительное кольцо E52687
25 - Уплотнительное кольцо R56751 Количество:4
26 - Уплотнительное кольцо R29936
27 - Прокладка RE521549
28 - Прокладка R126783
29 - Уплотнительное кольцо R63548 2
30 - Уплотнительное кольцо U17409 Количество:3
31 - Прокладка R500210
32 - Прокладка R500209
33 - Уплотнительное кольцо R134716 Количество:2
34 - Прокладка R520512
35 - Уплотнительное кольцо R56464
36 - Прокладка R133142
37 - Прокладка R116205
38 - Прокладка R105346
39 - Прокладка R520685
40 - Прокладка R131809 Количество:6
41 - Уплотнительное кольцо R500318
42 - Уплотнительное кольцо T35580
43 - Прокладка R119148
44 - Крестовина R117022
45 - Комплект прокладок RE524753 Примечание:(Головка блока цилиндров)
46 - Комплект прокладок RE524779 Примечание:(Engine Rebuild)
.. - Заглушка N102039 Количество:4
Наверх
9902 Engine Overhaul Kit - ST439768 ( Капитальный Ремонт Двигателя Комплект )
![Джон Дир 9120 9902 Engine Overhaul Kit 9902 Engine Overhaul Kit]()
1 - Компл. для рем. двигат. RE527659 Engine Serial No.______-010513 Примечание:(USE WITH RE519111) (MARKED R121174)
1 - Компл. для рем. двигат. ....... Engine Serial No.010514-______ Примечание:(FURNISH INDIVIDUAL PARTS)
Наверх
9902 Piston Liner Kit - ST439769 ( Набор Вкладыша Поршеня - )
![Джон Дир 9120 9902 Piston Liner Kit 9902 Piston Liner Kit]()
1 - Комплект поршня-гильзы RE519111
2 - Комплект колец поршня RE515941
3 - Штифт поршня R64451
4 - Пружинное кольцо N51168 Количество:2
5 - Комплект уплотн. колец AR72351
Наверх
9902 Water PumpSeal Kit - ST439770 ( Набор Воды PumpSeal - )
![Джон Дир 9120 9902 Water PumpSeal Kit 9902 Water PumpSeal Kit]()
1 - Комплект уплотнений RE68707
2 - Уплотнительное кольцо F37030254
3 - Уплотнительное кольцо R56757
Наверх
9902 Starter, Solenoid Cover Kit - ST439771 ( Стартера, Соленоид Крышки Комплект - )
![Джон Дир 9120 9902 Starter, Solenoid Cover Kit 9902 Starter, Solenoid Cover Kit]()
1 - Щиток RE41759
2 - Метка T146102
3 - Обвязной хомут H113196 Примечание:(SUB FOR R105388) (ORDER H77698)
4 - Обвязной хомут R44302 Посмотреть аналогичные детали
5 - Щиток RE41759
6 - Гайка 14H631 Примечание:0.190", (SUB AR102763) (ALSO ORDER 12H295)
7 - Гайка ....... Примечание:(ORDER 14H631 AND 12M7060)
Наверх
9902 Starter, Solenoid Cover Kit - ST439772 ( Стартера, Соленоид Крышки Комплект - )
![Джон Дир 9120 9902 Starter, Solenoid Cover Kit 9902 Starter, Solenoid Cover Kit]()
1 - Щиток RE515734 Примечание:KIT, STARTR TERMINAL INSULATION COVR
Наверх
9902 Cylinder Liner Packing - ST439773 ( Гильза Цилиндра Упаковка - )
![Джон Дир 9120 9902 Cylinder Liner Packing 9902 Cylinder Liner Packing]()
1 - Комплект уплотн. колец AR72351
Наверх
9902 Valve, Spring, Rotator - ST439775 ( Клапана, Пружины, Вращатель - )
![Джон Дир 9120 9902 Valve, Spring, Rotator 9902 Valve, Spring, Rotator]()
1 - Комплект пружин RE505499 Примечание:VALVE SPRING AND ROTATOR
2 - Поворотное устройство RE69878 Количество:2
Наверх
9902 Engine Overhaul Kit - ST439776 ( Капитальный Ремонт Двигателя Комплект )
![Джон Дир 9120 9902 Engine Overhaul Kit 9902 Engine Overhaul Kit]()
1 - Компл. для рем. двигат. RE535191
Наверх
9902 Engine Gasket Kit - ST439778 ( Набор Прокладок Двигателя - )
![Джон Дир 9120 9902 Engine Gasket Kit 9902 Engine Gasket Kit]()
1 - Комплект прокладок RE537388 Примечание:(SUB FOR RE524753 AND RE535189)
Наверх
9902 Engine Gasket Kit - ST439779 ( Набор Прокладок Двигателя - )
![Джон Дир 9120 9902 Engine Gasket Kit 9902 Engine Gasket Kit]()
1 - Комплект прокладок RE535190
Наверх
9902 Complete Block Assembly - ST439780 ( Полный Блок В Сборе - )
![Джон Дир 9120 9902 Complete Block Assembly 9902 Complete Block Assembly]()
1 - Узел полн. блока восст. SE501738 Engine Serial No.030000-______ Примечание:(БЕЗ ВСПОМОГАТЕЛЬНОГО ПРИВОДА)
Наверх
9901 Complete Engine - ST439781 ( Полный Двигатель - )
![Джон Дир 9120 9901 Complete Engine 9901 Complete Engine]()
1 - Дизельный двиг. восст. SE501057 Engine Serial No.030000-038585 Примечание:(May Not Be as Illustrated) (ORDER WITH ESN) (MARKED G30343)
1 - Дизельный двиг. восст. SE501780 Engine Serial No.038586-______ Примечание:(May Not Be as Illustrated) (ORDER WITH ESN)
Наверх
9902 Electronic Unit, Injector ECU Wiring Harness - ST439782 ( Электронный блок, форсунки, ЭБУ, жгут проводов - )
![Джон Дир 9120 9902 Electronic Unit, Injector ECU Wiring Harness 9902 Electronic Unit, Injector ECU Wiring Harness]()
1 - Комплект жгута проводов RE533647
Наверх
9902 Starter Motor Kit - ST439783 ( Стартер Комплект )
![Джон Дир 9120 9902 Starter Motor Kit 9902 Starter Motor Kit]()
1 - Комплект стартера двигат. RE515843
1 - Мотор стартера восст. SE501862 Примечание:(REMAN FOR RE515843)
Наверх
9902 Piston Ring Pack - ST439784 ( Кольцо Поршеня Пакет - )
![Джон Дир 9120 9902 Piston Ring Pack 9902 Piston Ring Pack]()
1 - Комплект колец поршня RE515941
Наверх
9902 Camshaft Kit - ST439785 ( Комплект Распредвала - )
![Джон Дир 9120 9902 Camshaft Kit 9902 Camshaft Kit]()
1 - Распредвал RE506962
1 - Camshaft Remanufactured SE501641 Примечание:(REMAN FOR RE506962)
2 - Ось R117020
3 - Распредвал ....... Примечание:(ORDER RE506962)
Наверх
9902 Piston Ring Pack - ST439786 ( Кольцо Поршеня Пакет - )
![Джон Дир 9120 9902 Piston Ring Pack 9902 Piston Ring Pack]()
1 - Комплект колец поршня RE504630
Наверх
9902 Electronic Unit, Injector ECU Wiring Harness - ST439787 ( Электронный блок, форсунки, ЭБУ, жгут проводов - )
![Джон Дир 9120 9902 Electronic Unit, Injector ECU Wiring Harness 9902 Electronic Unit, Injector ECU Wiring Harness]()
1 - Жгут проводов RE539958 Примечание:(INCLUDES R124676, R56461, (4) R528607, R524392)
2 - Кронштейн R124676
3 - Уплотнительное кольцо R56461
4 - Скоба R528607 Количество:4
5 - Скоба R524392
Наверх