Содержимое: Каталог Запчастей John Deere :1210E Forwarder (S.N. 001501-001976), Interim Tier 4, Fixed Cabin, Engine 6068HTJ91 - PC12415 05 Engine Auxiliary System 1210E IT4 FC 0505 Cold Weather Starting Aids 1210E IT4 FC 1210E IT4 FC

Mounting, Pre-Heater, Engine - ST769052 ( Установка, Подогреватель, Двигатель - )

Engine Pre-Heater Components - ST776706 ( Двигателя Предпусковой Подогреватель Компоненты - )

Fuel Supply, Pre-Heater, Engine - ST769105 ( Подачи Топлива, Предпусковой Подогреватель, Двигатель - )

Mounting, Fuel Cooler Oil Cooler Radiator - ST766495 ( Монтаж, Топлива Радиатор Масляный Радиатор Радиатор )

Mounting, Charge Air Cooler - ST766242 ( Монтаж, Охладителя Наддувочного Воздуха - )

Bracket, Oil Cooler Radiator - ST766563 ( Кронштейн, Масляный Радиатор Радиатор )

Mounting, Cooler - ST766413 ( Монтаж, Кулер - )

Mounting, Grate - ST766720 ( Крепления, Решетка - )

Mounting, Condenser - ST766651 ( Монтаж, Конденсатор - )

Subframe Mounting Parts - ST771590 ( Подрамник Детали Крепления - )

Tank, Surge - ST765922 ( Танк, Всплеск - )

Engine Water and CAC Hose Mounting - ST775092 ( Двигатель воды и CAC шланг - )

Coolant Fuel Filter Drain Hoses Turbo Outlet Pipe - ST778990 ( Охлаждающей Жидкости Топливного Фильтра Шланги Турбо Выпускная Труба - )

Filter, Water - ST766348 ( Фильтр, Воды - )

Fan Unit, Suction, Charge Air Cooler - ST766309 ( Агрегат Вентилятор, Всасывание, Интеркулера - )

Hydraulics, Charge Air Cooler - ST766315 ( Гидравлика, Охладителя Наддувочного Воздуха - )

Water Filter, Engine - ST819085 ( Фильтр Для Воды, Двигатель - )

Water Strainer, Engine - ST819084 ( Вода Фильтр, Двигатель - )

Mounting, Hydraulic Fan - ST766630 ( Монтаж, Гидравлический Вентилятор - )

Hoses, Hydraulic Fan Valve - ST843658 ( Шланги, Гидравлический Клапан Вентилятор - )

CAC Fan Pump Mounting - ST928503 ( Вентилятор ЦАК Установка насоса - )

Hydraulic Fan Drive Pump Mounting - ST771625 ( Гидравлический Привод Вентилятора Установка Насоса - )

Hydraulic Fan Pump - ST255802 ( Гидравлический Вентилятор Насос )

Двигат. привода гидравл. вент. - ST141652

Air Cleaner - ST766334 ( Воздухоочиститель )

Mounting, After Treatment Device (ATD) - ST766204 ( Монтаж, устройство, после лечения (АТД) - )

Выхлопная труба - ST781078

Exhaust Pipe Support - ST861021 ( Выхлопная Труба Поддержка - )

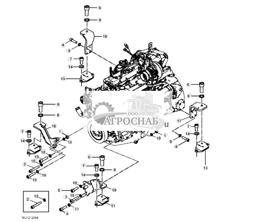
Engine Mounting Brackets Isolators - ST770972 ( Двигатель Кронштейнов Крепления Амортизаторов - )

Oil Drain, Engine, STD - ST764972 ( Слить масло, двигатель, СТД - )

Pump, Fuel Filling - ST766004 ( Насос, Заливая Топливо - )

Fuel Filling Pump Kit - ST814571 ( Топливно-Заправочный Насос Комплект )

Fuel Filling Pump Kit, Biodiesel 20 - ST809485 ( Топливно-Заправочный Насос Комплект, Биодизель - )

Hydraulic Pump, Mechanical - ST404552 ( Гидравлический Насос, Механический - )

WO Pump, Fuel Filling - ST766016 ( Жо насос, заливая топливо - )

Fuel Filling Hose - ST141662 ( Заполнение Топливного Шланга - )

Fuel Lines, BioDiesel 7 - ST771630 ( Топливопроводы, Биодизельного Топлива 7 - )

Fuel Lines W Water Separator, Biodiesel 7 - ST771795 ( Топливопроводы Ж Водоотделитель, Биодизельного Топлива 7 - )

Fuel Lines, BioDiesel 20 - ST771705 ( Топливопроводы, Биодизельного Топлива - )

Fuel Lines W Water Separator, Biodiesel 20 - ST771778 ( Топливопроводы Ж Водоотделитель, Биодизельного Топлива - )

Fuel Tank, Bio Diesel 7 - ST765446 ( Топливный Бак, Био-Дизель, 7 - )

Fuel Tank, BioDiesel 20 - ST771536 ( Топливный Бак, Биодизель - )

Wiring Harness Components, Pre-Heater, Engine - ST769309 ( Жгут Проводов Компонентов, Предпусковой Подогреватель, Двигатель - )

Wiring Harness Components, Cooler Fan Valve - ST766601 ( Жгут Проводов Компонентов, Охладитель Клапан Вентилятор - )

Wiring Harness, Fuel Tank - ST765510 ( Жгут Проводов, Топливный Бак - )

Wiring Harness Components, Fuel Pump - ST737588 ( Жгут Проводов Компоненты, Топливный Насос - )

Alternator Mounting - ST775574 ( Генератор Крепления - )

Mounting, Pressure Sensor, After Treatment Device - ST766220 ( Крепления, Датчик Давления, Устройство, После Лечения - )

Mounting, Pre-Heater, Engine - ST769052 ( Установка, Подогреватель, Двигатель - )


Mounting, Pre-Heater, Engine - ST769052 120.jpg


1 - Гайка 14M7614 Количество:2 Примечание:M10
2 - Винт 19M10358 Количество:2 Примечание:M10 X 16
3 - Винт 19M9566 Примечание:M6 X 12
4 - Винт 19M9567 Количество:6 Примечание:M8 X 16
5 - Шайба 24M7488 Количество:2 Примечание:10.500 X 20 X 2 mm
6 - Шпилька 42M7113 Количество:2
7 - Топливный насос F075188
8 - Шланговая опора F072109
9 - Скоба R34557 Количество:2
10 - Гильза F062772
11 - Шайба F064436 Количество:2
12 - Шланговый зажим F074853 Количество:4
13 - Шланговый зажим F074854
14 - Шланговый зажим F075168 Количество:6
15 - Обогреватель F075187 Примечание:Компоненты на отдельной стр.
16 - Шланг F644616
17 - Шланг F644617
18 - Уплотнитель F658415 Примечание:LGTH = 150 mm
19 - Кронштейн F661076
20 - Защитный шланг F661093 Примечание:LGTH = 300 mm
21 - Вылет F661094 Примечание:LGTH = 280 mm
22 - Шланг F661095 Примечание:LGTH = 290 mm
23 - Топливопровод F661097 Примечание:LGTH = 1740 mm
25 - Жгут проводов F661250 Примечание:Компоненты на отдельной стр.
26 - Шланговая опора F661142

Наверх

Engine Pre-Heater Components - ST776706 ( Двигателя Предпусковой Подогреватель Компоненты - )


Engine Pre-Heater Components - ST776706 121.jpg


1 - Обогреватель F075187 Примечание:Includes Fuel Supply, COMPONENTS ON SEPARATE PAGE
2 - Горелка F076846
3 - Кожух F076847
4 - Водяной насос F076848
5 - Датчик F056546
6 - Запальная свеча F076850 Количество:2
7 - Жгут проводов F076851
8 - Датчик температуры F076852
9 - Крышка F076853
10 - Крышка F076854
11 - Крышка F076855
12 - Сальник F076856
13 - Уплотнительное кольцо F076857
14 - Уплотнительное кольцо F076858
15 - Гильза F076849
16 - Гильза F076859
17 - Пружина F076860 Количество:2
18 - Форсунка F076861 Количество:2
19 - Зажимная скоба F076862
20 - Винт F076863 Количество:4
21 - Винт F076864 Количество:5
22 - Винт F076865 Количество:2
23 - Обвязной хомут F005334 Примечание:SUB FOR F076866
24 - Вентилятор F076844
25 - Трубка F054894

Наверх

Fuel Supply, Pre-Heater, Engine - ST769105 ( Подачи Топлива, Предпусковой Подогреватель, Двигатель - )


Fuel Supply, Pre-Heater, Engine - ST769105 122.jpg


1 - Топливный насос F075188 Примечание:Pump is delivered W/ Engine Pre-Heater Kit
2 - Винт 19M9445 Примечание:M6 X 25
3 - Кольцевой уплотнитель 51M7028
4 - Скоба F062774
5 - Фитинг F680608 Примечание:SUB FOR F075513
6 - Коленчатый патрубок F680609 Примечание:SUB FOR F075514
7 - Фитинг F680610 Примечание:SUB FOR F075515
8 - Сливной клапан F043677 Примечание:SUB FOR F075660; Hand Operated
9 - Фитинг F661133 Примечание:SUB FOR F658414
10 - Шайба 24M7507 Примечание:6.400 X 18 X 1.600 mm

Наверх

Mounting, Fuel Cooler Oil Cooler Radiator - ST766495 ( Монтаж, Топлива Радиатор Масляный Радиатор Радиатор )


Mounting, Fuel Cooler  Oil Cooler  Radiator - ST766495 123.jpg


1 - Гайка 14M7614 Количество:4 Примечание:M10
2 - Винт 19M9567 5 Примечание:M8 X 16
3 - Винт 19M9568 Количество:6 Примечание:M8 X 20
4 - Винт 19M9448 Количество:4 Примечание:M10 X 20
5 - Винт с головкой 19M9649 Количество:2 Примечание:M12 X 35
6 - Фитинг F005066
7 - Коленчатый патрубок F025373
8 - Демпфер крут. колебаний F040593 Количество:2
9 - Фитинг F043189
10 - Демпфер крут. колебаний F048323 Количество:2
11 - Стопорная шайба F064435 Количество:6
12 - Шайба F064436 Количество:8
13 - Стопорная шайба F064437 Количество:2
14 - Охладитель топлива F074423
15 - Фитинг F074537 Количество:2
16 - Коленчатый патрубок F076303
17 - Фитинг F076470
18 - Уплотнитель F638934 Количество:2
19 - Кожух F653874
20 - Кронштейн F663035 Количество:2
21 - Уплотнитель F673602 Количество:2
22 - Винт с головкой 19M9683 2 Примечание:M8 X 25
23 - Винт с головкой 19M9684 Количество:4 Примечание:M8 X 30
24 - Шайба 24M7508 Количество:8 Примечание:8.400 X 24 X 2 mm
25 - Шайба 24M7509 Количество:8 Примечание:8.400 X 16 X 1.600 mm
26 - Стопорная шайба F007709 6
27 - Маслоохладитель F075312
28 - Распорная втулка F076295 Количество:4
29 - Кронштейн F076324
30 - Кронштейн F076325
31 - Сальник F076326 Количество:2
32 - Радиатор F674970

Наверх

Mounting, Charge Air Cooler - ST766242 ( Монтаж, Охладителя Наддувочного Воздуха - )


Mounting, Charge Air Cooler - ST766242 124.jpg


1 - Винт 19M9567 1 Примечание:M8 X 16
2 - Винт 19M9569 Количество:6 Примечание:M8 X 25
3 - Винт с головкой 19M9685 Количество:5 Примечание:M8 X 35
4 - Шайба 24M7509 Количество:2 Примечание:8.400 X 16 X 1.600 mm
5 - Стопорная шайба F064435 Количество:22
6 - Послеохладитель F075310
7 - Кожух F659022
8 - Кожух F659023
9 - Уплотнитель F663091
10 - Уплотнитель F663092
11 - Уплотнитель F663093 Количество:4
12 - Втулка F672933 Количество:2
13 - Опора F672934
14 - Опора F672955

Наверх

Bracket, Oil Cooler Radiator - ST766563 ( Кронштейн, Масляный Радиатор Радиатор )


Bracket, Oil Cooler  Radiator - ST766563 125.jpg


1 - Стопорная гайка 14M7165 Примечание:M6
2 - Стопорная гайка 14M7610 Количество:2 Примечание:M10
3 - Стопорная гайка 14M7685 Примечание:M8
4 - Винт 19M9180 Количество:2 Примечание:M8 X 120
5 - Винт 19M9443 Примечание:M6 X 16
6 - Винт 19M9567 Примечание:M8 X 16
7 - Винт 19M9568 Примечание:M8 X 20
8 - Винт с головкой 19M9577 Количество:2 Примечание:M10 X 100
9 - Винт 19M9878 Примечание:M10 X 35
10 - Шайба 24M7488 Количество:4 Примечание:10.500 X 20 X 2 mm
11 - Шайба 24M7491 Примечание:13 X 24 X 2.500 mm
12 - Шайба 24M7509 Количество:2 Примечание:8.400 X 16 X 1.600 mm
13 - Гудок F005312
14 - Стопорная шайба F064435 Количество:3
15 - Прокладка F071010 Количество:6 Примечание:TK = 1.5 mm
16 - Пластина F625554
17 - Жгут проводов F639603 Примечание:Компоненты на отдельной стр.
18 - Шарнир F643985 Количество:2
19 - Прокладка F659857
20 - Фиксатор F660984
21 - Втулка F661254
22 - Уплотнитель F662327 Примечание:LGTH = 2440 mm
23 - Рама F663076
24 - Кронштейн F663296
25 - Уплотнитель F663447 Примечание:LGTH = 2820 mm
26 - Торсионные пружины F672390
27 - Уплотнитель F673586 Примечание:LGTH = 865 mm

Наверх

Mounting, Cooler - ST766413 ( Монтаж, Кулер - )


Mounting, Cooler - ST766413 126.jpg


1 - Винт 19M9444 Количество:3 Примечание:M6 X 20
2 - Винт 19M9704 Количество:2 Примечание:M10 X 25
3 - Винт 19M9717 Количество:4 Примечание:M16 X 30
4 - Ремень с пряжкой F011353 Количество:2
5 - Шланговый зажим F003673 Количество:2
6 - Стопорная шайба F005012 Количество:4
7 - Стопорная шайба F005551 Количество:2
8 - Гидрошланг F064312 Примечание:LGTH = 2500 mm
9 - Гидрошланг F072634 Количество:2 Примечание:LGTH = 1100 mm
10 - Шланг F662584
11 - Кронштейн F663114
12 - Решетка F663117
13 - Решетка F663118

Наверх

Mounting, Grate - ST766720 ( Крепления, Решетка - )


Mounting, Grate - ST766720 127.jpg


1 - Винт 19M9567 Количество:7 Примечание:M8 X 16
2 - Кронштейн F661173
3 - Решетка F661350
4 - Стопорная гайка 14M7640 Количество: 10 Примечание:M5
5 - Винт 21M7518 Количество:4 Примечание:M4 X 20
6 - Шайба 24M7501 Количество:4 Примечание:4.300 X 9 X 0.800 mm
7 - Шайба 24M7502 Количество: 10 Примечание:5.300 X 10 X 1 mm
8 - Шайба 24M7507 Количество:2 Примечание:6.400 X 18 X 1.600 mm
9 - Шайба 24M7538 Количество:4 Примечание:6.400 X 17 X 3 mm
10 - Быстрозамыкающийся штифт 99M7144 Количество:2
11 - Стопорная гайка F003584 Количество:4
12 - Винт F050294 Количество: 10
13 - Задвижка F676038 Количество:2
14 - Уплотнитель F661351
15 - Уплотнитель F661352 Количество:2
16 - Уплотнитель F661353 Количество:2
17 - Уплотнитель F661354 Количество:2
18 - Решетка F661348

Наверх

Mounting, Condenser - ST766651 ( Монтаж, Конденсатор - )


Mounting, Condenser - ST766651 128.jpg


1 - Стопорная гайка 14M7610 Количество:2 Примечание:M10
2 - Винт 19M9444 Количество:2 Примечание:M6 X 20
3 - Шайба 24M7488 Количество:2 Примечание:10.500 X 20 X 2 mm
4 - Шайба F064434 Количество:2
5 - Конденсатор пара F070372
6 - Прокладка F071010 Количество:4 Примечание:TK = 1.5 mm
7 - Кронштейн F661742
8 - Кронштейн F661743

Наверх

Subframe Mounting Parts - ST771590 ( Подрамник Детали Крепления - )


Subframe Mounting Parts - ST771590 129.jpg


1 - Фланцевая гайка 14M7603 Количество:6 Примечание:M12
2 - Винт с гол. п/торц. кл. 19M10165 Количество:2 Примечание:M12 X 50
3 - Винт 19M9448 Количество:9 Примечание:M10 X 20
4 - Винт 19M9568 Количество:8 Примечание:M8 X 20
5 - Винт 19M9570 Количество:6 Примечание:M12 X 25
6 - Винт с головкой 19M9599 Количество:2 Примечание:M12 X 50
7 - Винт 19M9714 Количество:8 Примечание:M12 X 35
8 - Стопорная шайба F002805 Количество: 10
9 - Карман F004424 Количество:2 Примечание:SUB FOR F010967
10 - Карман F053301 Количество:5
11 - Стопорная шайба F064435 Количество:8
12 - Ремень с пряжкой F011353 Примечание:ВЫПУСК ПРЕКРАЩЕН
13 - Опора F658872
14 - Демпфер крут. колебаний F075725 Количество:2
15 - Пластина F663088
16 - Пластина F663089 Количество:2
17 - Пластина F663096
18 - Кронштейн F663302 Количество:2
19 - Опора F673917 Количество:2

Наверх

Tank, Surge - ST765922 ( Танк, Всплеск - )


Tank, Surge - ST765922 130.jpg


1 - Винт 19M9446 Количество:2 Примечание:M8 X 12
2 - Винт 19M9567 Количество:6 Примечание:M8 X 16
3 - Винт 19M9568 Количество:3 Примечание:M8 X 20
4 - Крышка заливной горловины AT372657
5 - Бак AT372893 Примечание:INCLUDES (2) AL201300
6 - Переключатель уровня AL201300 Количество:2
7 - Шланг F649104 Примечание:LGTH = 1000 mm, To Engine Thermostat Cover, SUB FOR F002655
8 - Шланговый зажим F003673 Количество:2 Примечание:SUB FOR F003672
9 - Карман F053301 Количество:3
10 - Стопорная шайба F064435 Количество:7
11 - Шланговый зажим F071244
12 - Шланговый зажим F074853 Количество:4
13 - Шланг F638477 Примечание:LGTH =1200 mm, To Water Cooler Left Side
14 - Кронштейн F662415
15 - Шланг F663142 Примечание:LGTH =1065 mm, To Cooler Right Side
16 - Шланг F677062 Примечание:LGTH = 1600 mm
17 - Скоба R34557

Наверх

Engine Water and CAC Hose Mounting - ST775092 ( Двигатель воды и CAC шланг - )


Engine Water and CAC Hose Mounting - ST775092 131.jpg


1 - Винт 19M9566 Количество:3 Примечание:M6 X 12
2 - Шланговый зажим F048333 Количество:2
3 - Скоба AH170895 Количество:6 Примечание:SUB FOR F062672
4 - Скоба RE52702 Количество:4 Примечание:SUB FOR F062673
5 - Шланг F662263
6 - Шланг F662321
7 - Шланг F662298
8 - Шланг F662297
9 - Шланг F662509 Количество:2
10 - Трубка F662518
11 - Скоба R34557
12 - Датчик RE547358

Наверх

Coolant Fuel Filter Drain Hoses Turbo Outlet Pipe - ST778990 ( Охлаждающей Жидкости Топливного Фильтра Шланги Турбо Выпускная Труба - )


Coolant  Fuel Filter Drain Hoses  Turbo Outlet Pipe - ST778990 132.jpg


1 - Винт 19M9736 Примечание:M8 X 16
2 - Труба AT403509
3 - Труба T246040
4 - Коленчатый патрубок F012521
5 - Фитинг F026857
6 - Винт F040644
7 - Шланговый зажим F054587
8 - Сливной клапан F057660
9 - Фитинг F063792
11 - Фитинг F073354
12 - Шланговый зажим F074853
13 - Фитинг F679463 Примечание:SUB FOR F075087
14 - Шланг ....... Примечание:CTL 400 mm, MF F058630
15 - Шланг F675591 Примечание:LGTH = 400 mm
16 - Фитинг переходника PMH1613
17 - Скоба R46667
18 - Клиновой ремень R524011
19 - Прокладка R529509
20 - Скоба RE292067
21 - Скоба Z52508

Наверх

Filter, Water - ST766348 ( Фильтр, Воды - )


Filter, Water - ST766348 133.jpg


1 - Винт с головкой 19H3950 Количество:4 Примечание:3/8" X 3/4"
2 - База AR87111
3 - Фитинг F063792 Количество:2
4 - Шланг F067144
5 - Шланговый зажим F075168 Количество:2
6 - Коленчатый патрубок F075629
7 - Фитинг F075749
8 - Фильтр охлажд. жидкости RE11992

Наверх

Fan Unit, Suction, Charge Air Cooler - ST766309 ( Агрегат Вентилятор, Всасывание, Интеркулера - )


Fan Unit, Suction, Charge Air Cooler - ST766309 134.jpg


1 - Стопорная гайка 14M7610 Количество:4 Примечание:M10
2 - Винт 19M9567 2 Примечание:M8 X 16
3 - Винт с головкой 19M9585 Количество:4 Примечание:M10 X 45
4 - Шайба 24M7483 Количество:8 Примечание:11 X 34 X 3 mm
5 - Стопорная шайба F064435 2
6 - Шайба F064436 Количество:4
7 - Вентилятор F074727
8 - Гидравлический мотор F075241 Примечание:INCLUDES F678902
8 - Комплект уплотнений F678902 Примечание:Не показано
9 - Фитинг F075540
10 - Фитинг F075586 Количество:2
11 - Изолятор F076939 Количество:4
12 - Ступица F653915
13 - Кронштейн F659904
14 - Щиток F659905

Наверх

Hydraulics, Charge Air Cooler - ST766315 ( Гидравлика, Охладителя Наддувочного Воздуха - )


Hydraulics, Charge Air Cooler - ST766315 135.jpg


1 - Винт 19M9568 Количество:2 Примечание:M8 X 20
2 - Коленчатый патрубок F005044
3 - Коленчатый патрубок F005045
5 - Стопорная шайба F064435 Количество:2
6 - Гидрошланг F076428 Количество:2 Примечание:LGTH = 510 mm, FabricateValve Stack B to CAC Fan Hydraulic Motor B; Valve Stack A to CAC Fan Hydraulic Motor A
7 - Адаптер F071415 Количество:4
8 - Блок клапана F075117 Примечание:Компоненты на отдельной стр.
9 - Фитинг F075540 Количество:2
10 - Фитинг F075586 Количество:2
11 - Фитинг F075645
12 - Гидрошланг F673566 Примечание:LGTH = 520 mm, Valve Stack DrM to CAC Fan Hydraulic Motor D

Наверх

Water Filter, Engine - ST819085 ( Фильтр Для Воды, Двигатель - )


Water Filter, Engine - ST819085 136.jpg


1 - Винт с головкой 19H3950 Количество:4 Примечание:3/8" X 3/4"
2 - Фитинг F011482
3 - Фитинг F063792 Количество:2
4 - Шланговый зажим F075168 Количество:2
5 - Коленчатый патрубок F075629
6 - Фитинг F075749
7 - Фитинг F670487
8 - Шланг F682673 Примечание:LGTH = 590 mm
9 - Пластина F662217
10 - Фитинг переходника PMH1635
11 - База AR87111
12 - Фильтр охлажд. жидкости RE11992 Примечание:Use Water Strainer, Engine Option

Наверх

Water Strainer, Engine - ST819084 ( Вода Фильтр, Двигатель - )


Water Strainer, Engine - ST819084 137.jpg


1 - Фитинг F005098
2 - Сальник F005170
3 - Фитинг F011482
4 - Сетчатый фильтр F067274
5 - Фитинг шланга F069954
6 - Кольцевой уплотнитель F639480
7 - Фитинг переходника PMH1635

Наверх

Mounting, Hydraulic Fan - ST766630 ( Монтаж, Гидравлический Вентилятор - )


Mounting, Hydraulic Fan - ST766630 138.jpg


1 - Шплинт 11M7109 Примечание:4 X 40 mm
2 - Гайка 14H1118 Примечание:5/8"
3 - Винт 19M9568 Количество:6 Примечание:M8 X 20
4 - Винт 19M9569 Количество:6 Примечание:M8 X 25
5 - Винт 19M9713 Количество:2 Примечание:M12 X 30
6 - Кронштейн F661365 Количество:2
7 - Стопорная шайба F002805 Количество:2
8 - Фитинг F059213 Количество:2
9 - Стопорная шайба F064435 2
10 - Всасывающий вентилятор F069179
11 - Гидравлический мотор F070823 Примечание:Компоненты на отдельной стр.
12 - Фитинг F071435
13 - Ступица F638377
14 - Кронштейн F663143

Наверх

Hoses, Hydraulic Fan Valve - ST843658 ( Шланги, Гидравлический Клапан Вентилятор - )


Hoses, Hydraulic Fan Valve - ST843658 139.jpg


1 - Тройник F005073
2 - Гидрошланг F048984 Примечание:LGTH = 1300 mm, From Auxiliary Valve T to Tank Return Filter
3 - Гидрошланг F072512 Примечание:LGTH = 800 mm, From Fan Pump Pressure Port to Fan Valve P
4 - Гидрошланг F683123 Примечание:LGTH = 3500 mm, From Thermostat DR2 to Fan Valve T
5 - Гидрошланг F685498 Примечание:LGTH = 2950 mm, From Auxiliary Valve PS to Fan Valve PS

Наверх

CAC Fan Pump Mounting - ST928503 ( Вентилятор ЦАК Установка насоса - )


CAC Fan Pump Mounting - ST928503 140.jpg


1 - Стопорная гайка 14M7165 Количество:2 Примечание:M6
2 - Винт с головкой 19M9590 Примечание:M10 X 70
3 - Винт с головкой 19M9617 Количество:2 Примечание:M6 X 30
4 - Винт 19M9705 Количество:4 Примечание:M10 X 30
5 - Винт 19M9707 Количество:4 Примечание:M10 X 40
6 - Шайба 24M7506 Количество:4 Примечание:6.400 X 12 X 1.600 mm
7 - Коленчатый патрубок F005045
8 - Стопорная шайба F005551 Количество:9
9 - Фитинг F011482
10 - Фитинг F050224
11 - Стопорная шайба F059489 Количество:2
12 - Фитинг F063834 Примечание:SUB FOR F075087
13 - Фитинг F075620
14 - Полый винт F076311
15 - Кольцевой уплотнитель F076312 Количество:2
16 - Гидрошланг F076427
17 - Пластина F657337
18 - Гидравлический насос F674729 Примечание:NLA; ORDER F691217; INCLUDES F678831 AND F678841
18 - Комплект уплотнений F678831 Примечание:Не показано
18 - Ремонтный комплект насоса F678841 Примечание:Не показано
18 - Гидравлический насос F691217
19 - Шкив F674913
20 - Распорная втулка R529376
21 - Гильза R529790
22 - Шкив RE505264
23 - Прокладка F690425 Количество:2 Serial No.______-001873 Примечание:TK = 2.0 mm, USE WITH F691217

Наверх

Hydraulic Fan Drive Pump Mounting - ST771625 ( Гидравлический Привод Вентилятора Установка Насоса - )


Hydraulic Fan Drive Pump Mounting - ST771625 141.jpg


1 - Винт 19M8337 Количество:3 Примечание:M10 X 30
2 - Винт 19M8441 Количество:4 Примечание:M10 X 60
3 - Винт с головкой 19M9640 Примечание:M10 X 30
4 - Винт 19M9713 Количество:3 Примечание:M12 X 30
5 - Шайба 24M7488 Количество:4 Примечание:10.500 X 20 X 2 mm
6 - Стопорная шайба F002805 Количество:3
7 - Фланец F003757 Количество:2
8 - Стопорная шайба F005551 Количество:4
9 - Фитинг F023426
10 - Фитинг F024363
11 - Фитинг F024364
12 - Коленчатый патрубок F024599
13 - Стопорная шайба F064437 Количество:2
14 - Насос F069895 Примечание:COMPONENTS ON SEPARATE PAGE, NLA; ORDER F695364
14 - Гидравлический насос F695364 Примечание:Компоненты на отдельной стр.
15 - Фланец F638359
16 - Адаптер F648577
17 - Винт 19M9444 Количество:2 Примечание:M6 X 20
18 - Стопорная шайба F064435 Количество:2 Примечание:SUB FOR F008262
19 - Пластина F660325
20 - Кронштейн F661894
21 - Прокладка R96934
22 - Уплотнительное кольцо T59014 Количество:2
23 - Уплотнительное кольцо T78393

Наверх

Hydraulic Fan Pump - ST255802 ( Гидравлический Вентилятор Насос )


Hydraulic Fan Pump - ST255802 142.jpg


1 - Насос F069895 Примечание:NLA; ORDER F695364
1 - Гидравлический насос F695364
1 - Комплект уплотнений F074053 Примечание:Не показано
2 - Сальник F437341
3 - Пружинное кольцо F437334
4 - Контроллер насоса/клапана F695491 Примечание:SUB FOR F074054
5 - Прокладка T201521
6 - Винт F437345 Количество:4
7 - Соленоид F695514 Примечание:SUB FOR F073931
8 - Гайка F074767

Наверх

Двигат. привода гидравл. вент. - ST141652


Двигат. привода гидравл. вент. - ST141652 143.jpg


1 - Гидравлический мотор F070823
2 - Пружинное кольцо F437334
3 - Сальник F435990
4 - Шпонка вала F074055
5 - Уплотнительное кольцо F435991

Наверх

Air Cleaner - ST766334 ( Воздухоочиститель )


Air Cleaner - ST766334 144.jpg


1 - Фланцевая гайка 14M7601 Количество:2 Примечание:M8
2 - Винт 19M9569 Количество:2 Примечание:M8 X 25
3 - Винт 19M9568 Количество:4 Примечание:M8 X 20
4 - Стопорная шайба F064435 Количество:8
5 - Переключатель давления AL150289
6 - Воздушный фильтр F076305
7 - Воздушный фильтр AL150288 Посмотреть аналогичные детали
8 - Фильтрующий элемент F071909
9 - Обратный клапан F072986
10 - Переходная втулка F670154
11 - Кронштейн F664421

Наверх

Mounting, After Treatment Device (ATD) - ST766204 ( Монтаж, устройство, после лечения (АТД) - )


Mounting, After Treatment Device (ATD) - ST766204 145.jpg


1 - Фланцевая гайка 14M7603 Количество:4 Примечание:M12
2 - Стопорная гайка 14M7638 Количество:4 Примечание:M12
3 - Стопорная гайка 14M7718 Количество:4 Примечание:M12
4 - Винт 19M10032 Количество:4 Примечание:M12 X 35
5 - Винт 19M9443 Количество:4 Примечание:M6 X 16
6 - Шайба 24M7493 Количество:4 Примечание:13 X 37 X 3 mm
7 - Шайба 24M7544 Количество:4 Примечание:13 X 25 X 3 mm
8 - Скоба AT358461
9 - Хомут AT366596 Количество:2
10 - Изолятор AT375421 Количество:4
11 - Шланговая опора F072109 Количество:2 Примечание:SUB FOR F010517 AND F022508
12 - Прокладка R530552 Количество:4
13 - Винт F040644 Количество:4
14 - Стопорная шайба F064437 Количество:8
15 - Кронштейн F659031
16 - Кронштейн F662111
17 - Кронштейн F664346
18 - Форсунка F670019
19 - Хомут RE542006
20 - Датчик температуры RE542440
21 - Ремонтный комплект RE555009
22 - Ремонтный комплект RE555087
23 - Ремонтный комплект RE541816
24 - Скоба RE537767 Количество:2

Наверх

Выхлопная труба - ST781078


Выхлопная труба - ST781078 146.jpg


1 - Выхлопная труба F675123 Примечание:SUB FOR F076409
2 - Кольцевой уплотнитель R300529
3 - Прокладка R529510
4 - Скоба RE298757
5 - Скоба RE304965

Наверх

Exhaust Pipe Support - ST861021 ( Выхлопная Труба Поддержка - )


Exhaust Pipe Support - ST861021 147.jpg


1 - Гайка 14M7031 Количество:2 Примечание:M12
2 - Стопорная гайка 14M7725 Количество:2 Примечание:M12
3 - Винт 19M10032 Количество:2 Примечание:M12 X 35
4 - Винт с головкой 19M9600 Количество:2 Примечание:M12 X 55
5 - Стопорная шайба F064437 Количество:2 Serial No.______-001792
6 - Кронштейн F662605 Примечание:NLA; ORDER 14M7602, AN273958, F064436 AND F683925
7 - Кронштейн F662606 Примечание:NLA; ORDER 14M7602, AN273958, F064436 AND F683925
8 - Кронштейн F663747 Примечание:NLA; ORDER 14M7602, AN273958, F064436 AND F683925
9 - Винт 19M9572 Количество:2 Serial No.______-001792 Примечание:M12 X 40
10 - Опора F661879 Примечание:NLA; ORDER 14M7602, AN273958, F064436 AND F683925
11 - Фланцевая гайка 14M7689 Количество:2 Примечание:M10
12 - Скоба AN273958
13 - Шайба F064436 Количество:3
14 - Пластина F683925 Serial No.______-001792
15 - Кронштейн F691166 Serial No.001793-______
16 - Винт 19M9704 Примечание:M10 X 25
17 - Винт 19M9572 Количество:3 Serial No.001793-______ Примечание:M12 X 40
18 - Стопорная шайба F064437 Количество:3 Serial No.001793-______
19 - Кольцевой уплотнитель R300529
20 - Прокладка R529510

Наверх

Engine Mounting Brackets Isolators - ST770972 ( Двигатель Кронштейнов Крепления Амортизаторов - )


Engine Mounting Brackets  Isolators - ST770972 148.jpg


1 - Гайка 14M7398 Количество:2 Примечание:M16
2 - Винт с гол. п/торц. кл. 19M10391 Примечание:M14 X 90
3 - Винт с гол. п/торц. кл. F073035 Количество:2
4 - Винт 19M8895 Количество:8 Примечание:M12 X 40
5 - Винт 19M9517 Количество:2 Примечание:M16 X 50
6 - Винт 19M9530 Количество:4 Примечание:M20 X 50
7 - Винт 19M9717 Количество:8 Примечание:M16 X 30
8 - Стопорная шайба F002581 Количество:4
9 - Стопорная шайба F002805 Количество:8
10 - Стопорная шайба F005012 Количество:8
11 - Изолятор F007914 Количество:2
12 - Стопорная шайба F059489 Количество:4
13 - Изолятор F063485 Количество:2
14 - Стопорная шайба F064438 Количество:8
15 - Винт F073021 Количество:2
16 - Кронштейн F661883 Примечание:Переднее, правое
17 - Кронштейн F661887 Примечание:Задний, левый
18 - Кронштейн F664074 Примечание:Задний, правый
19 - Кронштейн F674356 Примечание:Переднее, левое

Наверх

Oil Drain, Engine, STD - ST764972 ( Слить масло, двигатель, СТД - )


Oil Drain, Engine, STD - ST764972 149.jpg


1 - Гайка F013269
2 - Фитинг F026188
3 - Гидрошланг F072676 Примечание:ДЛИНА = 1300 mm
4 - Коленчатый патрубок F062639

Наверх

Pump, Fuel Filling - ST766004 ( Насос, Заливая Топливо - )


Pump, Fuel Filling - ST766004 150.jpg


1 - Фланцевая гайка 14M7600 Примечание:M6
2 - Фланцевая гайка 14M7602 Количество:2 Примечание:M10
3 - Винт 19M9443 Примечание:M6 X 16
4 - Сальник F005170
5 - Переключатель F021719
6 - Крышка F041554
7 - Гайка F057599
8 - Переключатель F059851
9 - Топливопровод F071623 Примечание:LGTH = 550 mm
10 - Топливопровод F072644 Примечание:LGTH = 270 mm
11 - Коленчатый патрубок F678882 Количество:2 Примечание:SUB FOR F074961
12 - Фитинг F679159 Примечание:SUB FOR F075070
13 - Фитинг F680607 Примечание:SUB FOR F075071
14 - Пр. быстрос. гидр. муфты F075083
16 - Кольцевой уплотнитель F639480 Количество:2
17 - Фитинг F662120
18 - Жгут проводов F673930 Примечание:Компоненты на отдельной стр.
19 - Насос F674553 Примечание:NLA; ORDER F695378
19 - Насос F695378
20 - Сетчатый фильтр F688653 Примечание:SUB FOR F674554
21 - Уплотнительное кольцо T49819 Количество:2

Наверх

Fuel Filling Pump Kit - ST814571 ( Топливно-Заправочный Насос Комплект )


Fuel Filling Pump Kit - ST814571 151.jpg


1 - Комплект насосов F683733
2 - Фланцевая гайка 14M7600 Примечание:M6
3 - Фланцевая гайка 14M7602 Количество:2 Примечание:M10
4 - Винт 19M9443 Примечание:M6 X 16
5 - Коленчатый патрубок F005049 Количество:2
6 - Фитинг F005098
7 - Сальник F005170
8 - Переключатель F021719
9 - Уплотнительное кольцо F023635 Количество:2
10 - Фитинг F041553
11 - Гайка F057599
12 - Насос F703389 Примечание:SUB FOR F685378
13 - Эмблема F059851
14 - Сетчатый фильтр F688653 Примечание:SUB FOR F067274
15 - Топливопровод F071623
16 - Фитинг переходника F071845
17 - Топливопровод F072644
18 - Колпачок F122793
19 - Фитинг F616290
20 - Шланг F627396
21 - Шланговый зажим F003672 Количество:2
22 - Уплотнительная шайба F005171
23 - Шланг F039918
24 - Фитинг шланга F043141
25 - Фитинг шланга F043172
26 - Заглушка F043174
27 - Обратный клапан F059997
28 - Сетчатый фильтр F059998
29 - Шланг F616352
30 - Фитинг шланга F616395
31 - Кольцевой уплотнитель F639480 Количество:2
32 - Жгут проводов F673930 Примечание:Компоненты на отдельной стр.

Наверх

Fuel Filling Pump Kit, Biodiesel 20 - ST809485 ( Топливно-Заправочный Насос Комплект, Биодизель - )


Fuel Filling Pump Kit, Biodiesel 20 - ST809485 152.jpg


1 - Комплект насосов F683734
2 - Фланцевая гайка 14M7600 Примечание:M6
3 - Фланцевая гайка 14M7602 Количество:2 Примечание:M10
4 - Винт 19M9443 Примечание:M6 X 16
5 - Сальник F005170
6 - Переключатель F021719
7 - Крышка F041554
8 - Гайка F057599
9 - Эмблема F059851
10 - Топливопровод F071623 Примечание:LGTH = 550 mm
11 - Топливопровод F072644 Примечание:LGTH = 270 mm
12 - Фитинг F680607 Примечание:SUB FOR F075071
13 - Пр. быстрос. гидр. муфты F075083
14 - Шланг F627396
15 - Шланговый зажим F003672 Количество:2
16 - Уплотнительная шайба F005171
17 - Шланг F039918
18 - Фитинг шланга F043141
19 - Фитинг шланга F043172
20 - Заглушка F043174
21 - Обратный клапан F059997
22 - Сетчатый фильтр F059998
23 - Шланг F616352
24 - Фитинг шланга F616395
25 - Кольцевой уплотнитель F639480 Количество:2
26 - Фитинг F662120
27 - Жгут проводов F673930 Примечание:Компоненты на отдельной стр.
28 - Насос F674553 Примечание:NLA; ORDER F695378
28 - Насос F695378 Примечание:NLA; ORDER F703389
28 - Насос F703389
29 - Сетчатый фильтр F688653 Примечание:SUB FOR F674554
30 - Коленчатый патрубок F678882 Количество:2
31 - Фитинг F679159
32 - Уплотнительное кольцо T49819 Количество:2

Наверх

Hydraulic Pump, Mechanical - ST404552 ( Гидравлический Насос, Механический - )


Hydraulic Pump, Mechanical - ST404552 153.jpg


1 - Щиток от пыли AT117366
2 - Ремень с пряжкой F001355
3 - Шланговый зажим F003671 Количество:2
4 - Рукоятка прокачки F003793
5 - Фитинг F036438
6 - Фитинг F062179
7 - Гидрошланг F678917 Примечание:LGTH = 3000 mm

Наверх

WO Pump, Fuel Filling - ST766016 ( Жо насос, заливая топливо - )


WO Pump, Fuel Filling - ST766016 154.jpg


1 - Сальник F005170
2 - Уплотнительное кольцо T49819 Количество:2 Примечание:SUB FOR F023635
3 - Гайка F057599
4 - Топливопровод F680313 Примечание:LGTH = 1000 mm, SUB FOR F072643
5 - Пр. быстрос. гидр. муфты F075083
6 - Колпачок F122793
7 - Кольцевой уплотнитель F639480 Количество:2
8 - Фитинг F662120
9 - Коленчатый патрубок F678882 Примечание:SUB FOR F074961
10 - Фитинг F679159 Примечание:SUB FOR F685386
11 - Сетчатый фильтр F688653 Примечание:SUB FOR F067274

Наверх

Fuel Filling Hose - ST141662 ( Заполнение Топливного Шланга - )


Fuel Filling Hose - ST141662 155.jpg


1 - Шланговый зажим F003672 Количество:2
2 - Уплотнительная шайба F005171
3 - Шланг F039918
4 - Фитинг шланга F043141
5 - Фитинг шланга F043172
6 - Заглушка F043174
7 - Обратный клапан F059997
8 - Сетчатый фильтр F059998
9 - Шланг F616352
10 - Фитинг шланга F616395
11 - Шланг F627396

Наверх

Fuel Lines, BioDiesel 7 - ST771630 ( Топливопроводы, Биодизельного Топлива 7 - )


Fuel Lines, BioDiesel 7 - ST771630 156.jpg


1 - Винт 19M9567 Примечание:M8 X 16
2 - Винт с головкой 19M9637 Примечание:M10 X 16
3 - Шланговый зажим F004420 Примечание:NLA; ORDER AT124557
3 - Шланговый зажим AT124557
4 - Фитинг F005056 Количество:2
5 - Тройник F005076
6 - Шланговая опора F012860
7 - Коленчатый патрубок F013594
8 - Клапан F015440
9 - Коленчатый патрубок F022417 Количество:3
10 - Фитинг F024601
11 - Фитинг F024875
12 - Тройник F041859
13 - Топливопровод F073646 Примечание:LGTH = 3600 mm, Cooler to Fuel Tank Return Port
14 - Фитинг F075583
15 - Топливопровод F076450 Примечание:LGTH = 3300 mm, Fuel Tank Supply Port to Engine
16 - Топливопровод F076451 Примечание:LGTH = 660 mm, From Engine Fuel Return to Fuel Cooler
17 - Топливопровод F076453 Примечание:LGTH = 1250 mm, Cooler To Tank
18 - Топливопровод F076469 Примечание:LGTH = 1550 mm, Engine to Cooler
19 - Скоба Z52508 Примечание:SUB FOR F038308

Наверх

Fuel Lines W Water Separator, Biodiesel 7 - ST771795 ( Топливопроводы Ж Водоотделитель, Биодизельного Топлива 7 - )


Fuel Lines W Water Separator, Biodiesel 7 - ST771795 157.jpg


1 - Винт 19M9567 Примечание:M8 X 16
2 - Винт с головкой 19M9637 Примечание:M10 X 16
3 - Винт с головкой 19M9640 Количество:2 Примечание:M10 X 30
4 - Фильтр AT387536 Примечание:INCLUDES AT365870, AT374689, AT387539 AND AT387540
4 - Фильтрующий элемент AT365870 Примечание:Не показано
4 - Жгут проводов AT374689 Примечание:Не показано
4 - Отстойник AT387539 Примечание:Не показано
4 - Датчик химикатов AT387540 Примечание:Не показано
5 - Шланговый зажим AT124557
6 - Фитинг F005056 Количество:2
7 - Тройник F005076
8 - Коленчатый патрубок F013594
9 - Клапан F015440
10 - Коленчатый патрубок F022417 Количество:3
11 - Фитинг F024601
12 - Фитинг F024875
13 - Тройник F041859
14 - Шайба F064436 Количество:2
15 - Адаптер F071415 Количество:2
16 - Топливопровод F073646 Примечание:LGTH = 3600 mm, Fuel Tank Return Port
17 - Фитинг F075583
18 - Топливопровод F076450 Примечание:LGTH = 3300 mm, From Fuel Tank Supply Port to Engine
19 - Топливопровод F076451 Примечание:LGTH = 3600 mm,, From Engine Fuel Return to Fuel Cooler
20 - Топливопровод F076453 Примечание:LGTH = 1250 mm,, From Fuel Cooler Outlet to Tank
21 - Топливопровод F076469 Примечание:LGTH = 1550 mm, Fuel Cooler Inlet
22 - Топливопровод F076715 Примечание:LGTH = 350 mm, Engine Fuel Supply
23 - Жгут проводов F645013 Примечание:Fuel FilterCOMPONENTS ON SEPARATE PAGE
24 - Заглушка фитинга RE225377 Количество:2
25 - Уплотнительное кольцо 51M7042 Примечание:13.300 X 2.200 mm
26 - Заглушка фитинга T122803
27 - Скоба Z52508 Количество:3 Примечание:SUB FOR F038308

Наверх

Fuel Lines, BioDiesel 20 - ST771705 ( Топливопроводы, Биодизельного Топлива - )


Fuel Lines, BioDiesel 20 - ST771705 158.jpg


1 - Винт 19M10358 Количество:2 Примечание:M10 X 16
2 - Шланговый зажим AT124557 Примечание:SUB FOR F004420
3 - Обратный клапан F076408
4 - Коленчатый патрубок F679253 Количество:3
5 - Фитинг F679254 Количество:2
6 - Фитинг F679452 Примечание:SUB FOR F075282
7 - Тройник F679453 Примечание:SUB FOR F076307
8 - Топливопровод F679667 Примечание:LGTH = 1550 mm, Fuel Cooler Inlet, SUB FOR F076943
9 - Топливопровод F679668 Примечание:LGTH = 1250 mm, From Fuel Cooler Outlet to Tank, SUB FOR F076944
10 - Топливопровод F679669 Примечание:LGTH = 3600 mm, Fuel Tank Return Port, SUB FOR F076945
11 - Топливопровод F679670 Примечание:LGTH = 660 mm, From Engine Fuel Return to Fuel Cooler, SUB FOR F076946
12 - Топливопровод F679671 Примечание:LGTH = 3300 mm, From Fuel Tank Supply Port to Engine, SUB FOR F076947
13 - Фитинг F685387 Примечание:SUB FOR F679454
14 - Фитинг F685388 Примечание:SUB FOR F679464
15 - Тройник F685389 Примечание:SUB FOR F679455
16 - Фитинг F687446
17 - Скоба Z52508 Количество:3 Примечание:SUB FOR F038308

Наверх

Fuel Lines W Water Separator, Biodiesel 20 - ST771778 ( Топливопроводы Ж Водоотделитель, Биодизельного Топлива - )


Fuel Lines W Water Separator, Biodiesel 20 - ST771778 159.jpg


1 - Винт 19M10358 Количество:2 Примечание:M10 X 16
2 - Винт с головкой 19M9640 Количество:2 Примечание:M10 X 30
3 - Фильтр AT387536 Примечание:INCLUDES AT365870, AT374689, AT387539 AND AT387540
3 - Фильтрующий элемент AT365870 Примечание:Не показано
3 - Жгут проводов AT374689 Примечание:Не показано
3 - Отстойник AT387539 Примечание:Не показано
3 - Датчик химикатов AT387540 Примечание:Не показано
4 - Шланговый зажим AT124557
5 - Шайба F064436 Количество:2
6 - Обратный клапан F076408
7 - Жгут проводов F645013 Примечание:Компоненты на отдельной стр.
8 - Коленчатый патрубок F679253 Количество:3
9 - Фитинг F679254 Количество:2
10 - Фитинг F679452
11 - Тройник F679453
12 - Топливопровод F679667 Примечание:LGTH = 1550 mm, Fuel Cooler Inlet
13 - Топливопровод F679668 Примечание:LGTH = 1250 mm, From Fuel Cooler Outlet to Tank
14 - Топливопровод F679669 Примечание:LGTH = 3600 mm, Fuel Tank Return Port
15 - Топливопровод F679670 Примечание:LGTH = 660 mm, From Engine Fuel Return to Fuel Cooler
16 - Топливопровод F679671 Примечание:LGTH = 3300 mm, From Fuel Tank Supply Port to Engine
17 - Топливопровод F679681 Примечание:LGTH = 350 mm, Engine Fuel Supply
18 - Фитинг F679715 Количество:2
19 - Фитинг F685387 Примечание:SUB FOR F679454
20 - Фитинг F685388 Примечание:SUB FOR F679464 OR F674706
21 - Тройник F685389 Примечание:SUB FOR F679455
22 - Фитинг F687446
23 - Заглушка фитинга RE225377 Количество:2
24 - Уплотнительное кольцо 51M7042 Примечание:13.300 X 2.200 mm
25 - Заглушка фитинга T122803
26 - Скоба Z52508 Количество:3

Наверх

Fuel Tank, Bio Diesel 7 - ST765446 ( Топливный Бак, Био-Дизель, 7 - )


Fuel Tank, Bio Diesel 7 - ST765446 160.jpg


1 - Фланцевая гайка 14M7601 Количество:5 Примечание:M8
2 - Фланцевая гайка 14M7602 Примечание:M10
3 - Стопорная гайка 14M7638 Количество:2 Примечание:M12
4 - Винт 19M10358 Количество: 10 Примечание:M10 X 16
5 - Винт 19M9553 Количество:2 Примечание:M12 X 25
6 - Винт 19M9567 Количество:2 Примечание:M8 X 16
7 - Винт с головкой 19M9671 Количество:5 Примечание:M5 X 35
8 - Винт с головкой 19M9672 Количество:6 Примечание:M5 X 40
9 - Шайба 24M7492 Количество:2 Примечание:13 X 20 X 2 mm
10 - Быстрозамыкающийся штифт 99M7144
11 - Фитинг F063899
12 - Прокладка F071966
13 - Топливопровод F072491 Примечание:LGTH = 1200 mm
14 - Коленчатый патрубок F005049 Количество:2 Примечание:SUB FOR F074961
15 - Коленчатый патрубок F010072 Примечание:SUB FOR F074962
16 - Датчик F075567
17 - Коленчатый патрубок F024402 Примечание:SUB FOR F076448
18 - Шпилька F622525
19 - Винт с головкой 19M9681 2 Примечание:M8 X 16
20 - Стопорная шайба F008262 2
21 - Уплотнительное кольцо F003308
22 - Опора F639100
23 - Топливный бак F664627
24 - Фланцевая гайка 14M7600 Количество:5 Примечание:M6
25 - Винт 19M9443 1 Примечание:M6 X 16
26 - Гнездо F027042
27 - Кронштейн F687736 Примечание:SUB FOR F635614
28 - Пластина .......
29 - Шарнир F638507 Количество:2
30 - Фланец F639103
31 - Крышка F639428 Примечание:SUB FOR F662013
32 - Вспом. электр. разъем 57M8736 Количество:3
33 - Обвязной хомут F005335 Количество:4
34 - Жгут проводов F661661 Примечание:Fuel Tank Harness, COMPONENTS ON SEPARATE PAGE
35 - Кронштейн F671610
36 - Электромагнитный клапан F672106 Примечание:INCLUDES F676050 AND F676051
36 - Комплект мембраны F676050 Примечание:Не показано
36 - Катушка эл/магн. клапана F676051 Примечание:Не показано
37 - Фитинг F673654
38 - Кронштейн F677142
39 - Стопорная гайка 14M7165 Количество:8 Примечание:M6
40 - Винт 21M7605 Количество:8 Примечание:M6 X 16
41 - Шарнир F654030 Количество:2
42 - Пластина F656449
43 - Пластина F656450
44 - Опора F657593
45 - Дверца F677127
46 - Крышка заливной горловины F680880 Примечание:SUB FOR F062133
47 - Сетчатый фильтр F062134
48 - Комплект уплотнений F680885 Примечание:SUB FOR F062135
49 - Сапун F680896 Примечание:SUB FOR F062175
50 - Крышка Z45954 Количество:3
51 - Шланговая опора F062640
52 - Шланговая опора F008059
53 - Винт 19M9568 Примечание:M8 X 20
54 - Коленчатый патрубок F005045
55 - Уплотнитель F682400 Примечание:LGTH = 150 mm

Наверх

Fuel Tank, BioDiesel 20 - ST771536 ( Топливный Бак, Биодизель - )


Fuel Tank, BioDiesel 20 - ST771536 161.jpg


1 - Фланцевая гайка 14M7601 Количество:3 Примечание:M8
2 - Фланцевая гайка 14M7602 Примечание:M10
3 - Стопорная гайка 14M7638 Количество:2 Примечание:M12
4 - Винт 19M10358 Количество: 10 Примечание:M10 X 16
5 - Винт 19M9553 Количество:2 Примечание:M12 X 25
6 - Винт 19M9567 Количество:4 Примечание:M8 X 16
7 - Винт с головкой 19M9671 Количество:5 Примечание:M5 X 35
8 - Винт с головкой 19M9672 Количество:6 Примечание:M5 X 40
9 - Шайба 24M7492 Количество:2 Примечание:13 X 20 X 2 mm
10 - Быстрозамыкающийся штифт 99M7144
11 - Прокладка F071966
12 - Датчик F075567
13 - Шпилька F622525
14 - Винт с головкой 19M9681 2 Примечание:M8 X 16
15 - Стопорная шайба F008262 2
16 - Уплотнительное кольцо F003308
17 - Опора F639100
18 - Топливный бак F664627
19 - Фланцевая гайка 14M7600 Количество:5 Примечание:M6
20 - Винт 19M9443 1 Примечание:M6 X 16
21 - Гнездо F027042
22 - Кронштейн F687736
23 - Пластина F638413
24 - Шарнир F638507 Количество:2
25 - Фланец F639103
26 - Вспом. электр. разъем 57M8736 Количество:3
27 - Обвязной хомут F005335 Количество:4
28 - Жгут проводов F661661 Примечание:Компоненты на отдельной стр.
29 - Кронштейн F671610
30 - Электромагнитный клапан F672107 Примечание:INCLUDES F676050 AND F676051
30 - Комплект мембраны F676050 Примечание:Не показано
30 - Катушка эл/магн. клапана F676051 Примечание:Не показано
31 - Кронштейн F677142
32 - Стопорная гайка 14M7165 Количество:8 Примечание:M6
33 - Винт 21M7605 Количество:8 Примечание:M6 X 16
34 - Шарнир F654030 Количество:2
35 - Пластина F656449
36 - Пластина F656450
37 - Опора F657593
38 - Дверца F677127
39 - Фитинг F678874 Примечание:SUB FOR F674786
40 - Фитинг F678880 Примечание:SUB FOR F673694
41 - Коленчатый патрубок F678881 Примечание:SUB FOR F074962
42 - Коленчатый патрубок F678882 Количество:2 Примечание:SUB FOR F074961
43 - Коленчатый патрубок F679451 Примечание:SUB FOR F076448
44 - Топливопровод F680315 Примечание:LGTH = 1200 mm, SUB FOR F072491
45 - Крышка F680316 Примечание:SUB FOR F662013
46 - Крышка заливной горловины F680880 Примечание:SUB FOR F062133
47 - Сетчатый фильтр F062134
48 - Комплект уплотнений F680885
49 - Сапун F680896 Примечание:SUB FOR F026622
50 - Крышка Z45954 Количество:3
51 - Шланговая опора F062640
52 - Шланговая опора F008059 Количество:2
53 - Стопорная гайка 14M7596 Количество:2 Примечание:M8
54 - Винт 19M9568 Примечание:M8 X 20
55 - Уплотнитель F682400 Примечание:LGTH = 150 mm
56 - Коленчатый патрубок F679252
57 - Винт 19M9448 Примечание:M10 X 20

Наверх

Wiring Harness Components, Pre-Heater, Engine - ST769309 ( Жгут Проводов Компонентов, Предпусковой Подогреватель, Двигатель - )


Wiring Harness Components, Pre-Heater, Engine - ST769309 162.jpg


1 - Жгут проводов F661250
2 - Корпус электр. разъема AZ54536
2 - Клемма электр. разъема 57M7678
2 - Клемма электр. разъема 57M8164 Количество:4
2 - Клемма электр. разъема 57M9525 Количество:2
3 - Корпус электр. разъема 57M7406
3 - Клемма электр. разъема 57M7399 Количество:2
3 - Клемма электр. разъема 57M9532 Количество:2
4 - Обвязной хомут F005334
5 - Пробка пол. эл. разъема R78069
6 - Узел электрич. разъема F053271

Наверх

Wiring Harness Components, Cooler Fan Valve - ST766601 ( Жгут Проводов Компонентов, Охладитель Клапан Вентилятор - )


Wiring Harness Components, Cooler Fan Valve - ST766601 163.jpg


1 - Жгут проводов F639603
2 - Узел электрич. разъема F059559
2 - Блок. устр. эл. разъема 57M7619
2 - Клемма электр. разъема 57M7541 Количество:4
3 - Ограждение F031719 Количество:2
4 - Обвязной хомут Z36392
5 - Корпус электр. разъема F056901 Количество:2
5 - Клемма электр. разъема 57M7399 Количество:4
5 - Клемма электр. разъема 57M9532 Количество:4

Наверх

Wiring Harness, Fuel Tank - ST765510 ( Жгут Проводов, Топливный Бак - )


Wiring Harness, Fuel Tank - ST765510 164.jpg


1 - Жгут проводов F661661
2 - Корпус электр. разъема 57M8794
2 - Клемма электр. разъема 57M7542
2 - Клемма электр. разъема R78065
2 - Клемма электр. разъема R78067 Количество:3
3 - Узел электрич. разъема F059788
3 - Клемма электр. разъема 57M8019 Примечание:SUB FOR 57M7675
3 - Клемма электр. разъема R78065
4 - Корпус электр. разъема 57M10530 Примечание:SUB FOR F059558
4 - Блок. устр. эл. разъема 57M8016 Примечание:SUB FOR 57M7618
4 - Клемма электр. разъема 57M7542
4 - Клемма электр. разъема R78065
4 - Колпачок электр. разъема F076890
5 - Корпус электр. разъема 57M9032 Примечание:SUB FOR 57M10207
5 - Блок. устр. эл. разъема 57M8011 Примечание:SUB FOR 57M7679
5 - Клемма электр. разъема 57M7542
5 - Клемма электр. разъема R78065
5 - Колпачок электр. разъема F076892
6 - Жгут проводов F632746 Примечание:Компоненты на отдельной стр.
7 - Узел электрич. разъема F017866
7 - Клемма электр. разъема F008088 Количество:2
8 - Корпус электр. разъема 57M13029 Примечание:SUB FOR F056844
8 - Блок. устр. эл. разъема 57M8022 Примечание:SUB FOR 57M7620
8 - Клемма электр. разъема 57M7542
8 - Колпачок электр. разъема F076888
9 - Корпус электр. разъема 57M10523 Примечание:SUB FOR F056844
9 - Блок. устр. эл. разъема 57M8022 Примечание:SUB FOR 57M7620
9 - Клемма электр. разъема 57M7542
10 - Гнездо F005320

Наверх

Wiring Harness Components, Fuel Pump - ST737588 ( Жгут Проводов Компоненты, Топливный Насос - )


Wiring Harness Components, Fuel Pump - ST737588 165.jpg


1 - Жгут проводов F673930
2 - Корпус электр. разъема 57M10868 Примечание:To Refuelling Pump Motor
2 - Клемма электр. разъема 57M7541 Количество:8
2 - Клемма электр. разъема 57M7680
3 - Корпус электр. разъема F005398 Примечание:To Refuelling Pump Switch
4 - Клемма электр. разъема F060336
5 - Клемма электр. разъема F038440
6 - Гнездо F037112
7 - Корпус электр. разъема 57M10208 Примечание:To Refuelling Relay
7 - Клемма электр. разъема 57M10211 Количество:2
7 - Клемма электр. разъема F058395
7 - Клемма электр. разъема 57M10210
7 - Реле R529167
7 - Крышка R530294
7 - Уплотн. каб. эл. разъема 57M10212 Количество:2
7 - Уплотн. каб. эл. разъема 57M10213 Количество:2

Наверх

Alternator Mounting - ST775574 ( Генератор Крепления - )


Alternator Mounting - ST775574 166.jpg


1 - Генератор переменн. тока RE558678 Примечание:SUB FOR RE538242
2 - Клиновой ремень R524011

Наверх

Mounting, Pressure Sensor, After Treatment Device - ST766220 ( Крепления, Датчик Давления, Устройство, После Лечения - )


Mounting, Pressure Sensor, After Treatment Device - ST766220 167.jpg


1 - Винт 19M9443 Количество:3 Примечание:M6 X 16
2 - Винт 19M9568 Количество:2 Примечание:M8 X 20
3 - Шланговая опора F010517 Количество:3 Примечание:SUB FOR F022508
4 - Винт F040644 Количество:2
5 - Кронштейн F659028
6 - Трубка F662866
7 - Трубка F662867
8 - Фитинг RE540260
9 - Фитинг RE540261
10 - Комплект датчиков RE543190
11 - Винт 19M7861 Количество:4 Примечание:M6 X 10
12 - Уплотнительное кольцо R527968 Количество:2
13 - Коллектор R530632
14 - Датчик давления RE538131
15 - Фитинг RE542003
16 - Фитинг RE543081

Наверх