Содержимое: Каталог Запчастей John Deere :1210E Forwarder (S.N. 001501-001976), Interim Tier 4, Fixed Cabin, Engine 6068HTJ91 - PC12415 20 Safety, Convenience and Miscellaneous 1210E IT4 FC 2001 Radio 1210E IT4 FC 1210E IT4 FC

Радиоприемник, стандартный - ST790932

Радио, повышенного качества - ST943835

Fire Extinguisher, Cab - ST786396 ( Огнетушитель, Такси - )

Hydraulic Hoses and Fittings, Fire Suppression System - ST769784 ( Гидравлические шланги и фитинги, системы пожаротушения - )

Mounting, Tank, Fire Suppression System - ST769843 ( Монтаж, Бак, Система Пожаротушения - )

Line Sensor, Fire Suppression System, Hydraulic Tank - ST769857 ( Датчик Линии, Системы Пожаротушения, Гидравлический Бак - )

Lines, Fire Suppression System, Cab - ST787522 ( Линии, Системы Пожаротушения, Такси - )

Sensors, Fire Suppression System, Cab - ST769876 ( Датчики, Системы Пожаротушения, Такси - )

Lines Sensors, Fire Suppression System, Hood - ST769880 ( Датчики Линии, Система Пожаротушения, Вытяжка - )

Wiring Harness, Fire Suppression System - ST769770 ( Жгут Проводов, Система Пожаротушения - )

Fire Extinguisher, Boom Base - ST772129 ( Огнетушитель, Стрелой - )

Сигнал заднего хода - ST141782

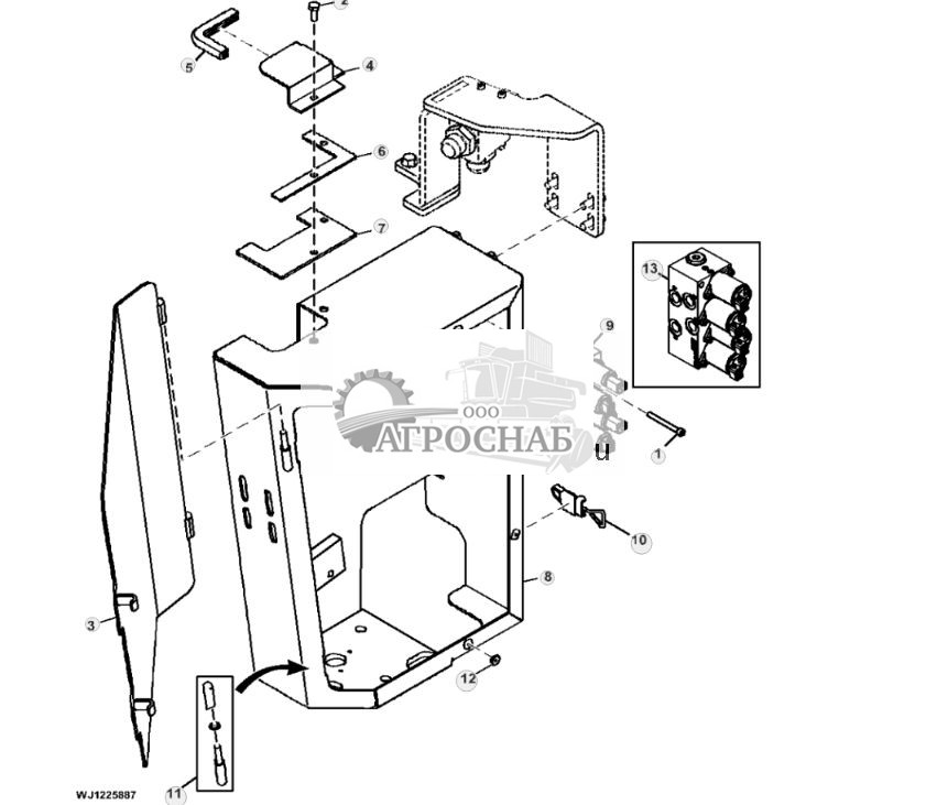
Toolbox Mounting - ST389355 ( Набор Инструментов Для Монтажа )

Инструментальный ящик - ST696593

Gauge Kit - ST944062 ( Набор Датчика - )

Storage Boxes, 6 Wheels - ST765717 ( Ящики Для Хранения, 6 Колес - )

Side Box Mounting - ST772050 ( Боковое Крепление Коробки )

Side Box Compartments, RH ( - 001659) - ST772353 ( Боковых отсеков, резус ( - ) - )

Side Box Compartments, RH (001660 - ) - ST873848 ( Боковых отсеков, резус ( - ) - )

Side Box Compartments, LH - ST772364 ( Боковых отсеков, ЛГ - )

Storage Box, Boom Base, CF7 - ST765748 ( Коробка Для Хранения, Стрелой, - )

Солнцезащитный козырек, кабина - ST787874

Sun Curtain, Front and Rear Window - ST787741 ( Солнцезащитный занавес, передние и задние окна )

Reflectors (For Germany) - ST141789 ( Отражатели (Для Германии) - )

Reflectors (For Sweden and Austria) - ST850145 ( Отражатели (для Швеции и Австрии) - )

Warning Triangle - ST869188 ( Предупреждающий Треугольник - )

Радиоприемник, стандартный - ST790932


Радиоприемник, стандартный - ST790932 64.jpg


1 - Радиоаппаратура F076935 Примечание:Not in North America
1 - Радиоаппаратура F695268 Примечание:Use only in America, SUB FOR F678626
2 - Жгут проводов F675288
3 - Антенна F071914

Наверх

Радио, повышенного качества - ST943835


Радио, повышенного качества - ST943835 65.jpg


1 - Радио (доп. функция) F075374 Примечание:Remote Control
2 - Радиоаппаратура F076936 Примечание:Not for North America
3 - Лента F688219 Количество:4 Примечание:SUB FOR F682618
4 - Лента F696165 Примечание:Не показано
5 - Жгут проводов F675288
6 - Антенна F071914

Наверх

Fire Extinguisher, Cab - ST786396 ( Огнетушитель, Такси - )


Fire Extinguisher, Cab - ST786396 66.jpg


1 - Винт 19M9435 Количество:2 Примечание:M6 X 16
2 - Винт 19M9567 Количество:2 Примечание:M8 X 16
3 - Кронштейн F680867
4 - Огнетушитель F683386 Примечание:Finnish / Swedish / Norwegian / English
4 - Огнетушитель F683564 Примечание:German / Danish / Spanish / Italian
4 - Огнетушитель F683565 Примечание:Французский

Наверх

Hydraulic Hoses and Fittings, Fire Suppression System - ST769784 ( Гидравлические шланги и фитинги, системы пожаротушения - )


Hydraulic Hoses and Fittings, Fire Suppression System - ST769784 67.jpg


1 - Фитинг F010124
2 - Фитинг F026843
3 - Гидрошланг F050993 Примечание:LGTH = 800 mm
4 - Гидрошланг F075114 Примечание:LGTH = 1300 mm, SUB FOR F072511
5 - Гидрошланг F072922 Примечание:ДЛИНА = 1300 mm

Наверх

Mounting, Tank, Fire Suppression System - ST769843 ( Монтаж, Бак, Система Пожаротушения - )


Mounting, Tank, Fire Suppression System - ST769843 68.jpg


1 - Винт 19M9448 Количество:4 Примечание:M10 X 20
2 - Фитинг F011482
3 - Винт F040644 Количество:4
4 - Винт 19M9736 Количество:4 Примечание:M8 X 16
5 - Фитинг переходника .......
6 - Огнетушитель F071855
7 - Гидрошланг F072982 Примечание:LGTH = 500 mm
8 - Коленчатый патрубок F005044
9 - Пускатель F071238
10 - Кронштейн F071242
11 - Шайба F071837
12 - Адаптер F071838
13 - Пускатель F071839
14 - Кронштейн F660582
15 - Пластина F672108
16 - Пускатель F071243

Наверх

Line Sensor, Fire Suppression System, Hydraulic Tank - ST769857 ( Датчик Линии, Системы Пожаротушения, Гидравлический Бак - )


Line  Sensor, Fire Suppression System, Hydraulic Tank - ST769857 69.jpg


1 - Винт 19M9443 Примечание:M6 X 16
2 - Винт 19M9444 Количество:2 Примечание:M6 X 20
3 - Шайба 24M7538 Примечание:6.400 X 17 X 3 mm
4 - Датчик F007760
5 - Шланговая опора F010517
6 - Резистор F072856
7 - Винт 19M9725 Количество:2 Примечание:M6 X 20
8 - Шланговая опора F005181 Количество:2
9 - Линия F661181 Примечание:To Hydraulic Hose
10 - Заглушка F024659
11 - Форсунка F063100

Наверх

Lines, Fire Suppression System, Cab - ST787522 ( Линии, Системы Пожаротушения, Такси - )


Lines, Fire Suppression System, Cab - ST787522 70.jpg


1 - Винт 19M9446 Количество:2 Примечание:M8 X 12
2 - Винт 19M9566 Количество: 10 Примечание:M6 X 12
3 - Шайба 24M7538 Количество: 10 Примечание:6.400 X 17 X 3 mm
4 - Фитинг F010124
5 - Шланговый зажим F015016 Количество: 10
6 - Фитинг F026843 Количество:2
7 - Коленчатый патрубок F051873
8 - Линия F678219
9 - Форсунка F063100 Количество:8
10 - Линия F678221
11 - Заглушка F024659
12 - Линия F678222
13 - Пластина F678413
14 - Линия F686147 Примечание:SUB FOR F683868 AND F678220

Наверх

Sensors, Fire Suppression System, Cab - ST769876 ( Датчики, Системы Пожаротушения, Такси - )


Sensors, Fire Suppression System, Cab - ST769876 71.jpg


1 - Винт 19M9443 Количество:4 Примечание:M6 X 16
2 - Винт 19M9566 Количество:4 Примечание:M6 X 12
3 - Шайба 24M7538 Количество:4 Примечание:6.400 X 17 X 3 mm
4 - Датчик F007760 Количество:2
5 - Шланговая опора F010517 Количество:4

Наверх

Lines Sensors, Fire Suppression System, Hood - ST769880 ( Датчики Линии, Система Пожаротушения, Вытяжка - )


Lines  Sensors, Fire Suppression System, Hood - ST769880 72.jpg


1 - Винт 19M9443 Количество:5 Примечание:M6 X 16
2 - Винт 19M9445 Количество:2 Примечание:M6 X 25
3 - Винт 19M9472 Количество:4 Примечание:M4 X 16
4 - Винт 19M9566 Количество:6 Примечание:M6 X 12
5 - Винт 19M9567 Примечание:M8 X 16
6 - Винт 19M9725 Количество:6 Примечание:M6 X 20
7 - Шайба 24M7538 Количество:6 Примечание:6.400 X 17 X 3 mm
8 - Шланговая опора F005181 Количество:6
9 - Гудок F005312
10 - Датчик F007760
11 - Шланговая опора F010517 Количество:6
12 - Пульт управления F071241
13 - Датчик F073619 Количество:2
14 - Кронштейн F626476
15 - Коленчатый патрубок F005045 Количество:2
16 - Тройник F005073
17 - Фитинг F010124
18 - Коленчатый патрубок F012521
19 - Заглушка F024659 Количество:4
20 - Фитинг F026843
21 - Линия F662773
22 - Форсунка F063100 Количество:8
23 - Линия F662774
24 - Линия F662775
25 - Линия F662776
26 - Линия F662777

Наверх

Wiring Harness, Fire Suppression System - ST769770 ( Жгут Проводов, Система Пожаротушения - )


Wiring Harness, Fire Suppression System - ST769770 73.jpg


1 - Обвязной хомут F005333 Количество:20
2 - Резистор F072856
3 - Жгут проводов F623918 Примечание:LGTH = 850 mm
4 - Жгут проводов F634264 Количество:3 Примечание:LGTH = 1000 mm
5 - Жгут проводов F651121 Примечание:LGTH = 1500 mm, To Sensors
6 - Жгут проводов F651124 Примечание:LGTH = 1200 mm, To Power SupplyCOMPONENTS ON SEPARATE PAGE
7 - Жгут проводов F652466 Количество:2 Примечание:LGTH = 1600 mm
8 - Жгут проводов F652467 Количество:2 Примечание:LGTH = 1850 mm
9 - Жгут проводов F652468 Примечание:LGTH = 3000 mm, To Cabin
10 - Жгут проводов F653118 Примечание:LGTH = 3250 mm, To Pressure Bottle
11 - Жгут проводов F653119 Количество:2 Примечание:LGTH = 400 mm
12 - Жгут проводов F655991 Примечание:LGTH = 400 mm, To Alarm

Наверх

Fire Extinguisher, Boom Base - ST772129 ( Огнетушитель, Стрелой - )


Fire Extinguisher, Boom Base - ST772129 74.jpg


1 - Стопорная гайка 14M7610 Количество:6 Примечание:M10
2 - Винт с головкой 19M9638 Количество:6 Примечание:M10 X 20
3 - Шайба 24M7488 Количество:6 Примечание:10.500 X 20 X 2 mm
4 - Коробка F039745 Примечание:INCLUDES 99M7143
5 - Быстрозамыкающийся штифт 99M7143
6 - Противокольз. накладка F048721
7 - Огнетушитель F686463 Примечание:Swedish / English / Finnish / Norwegian, SUB FOR F060056
7 - Огнетушитель F686464 Примечание:German / Danish / Spanish / Italian
7 - Огнетушитель F686465 Примечание:Французский
8 - Пластина F657975

Наверх

Сигнал заднего хода - ST141782


Сигнал заднего хода - ST141782 75.jpg


1 - Винт 19M9704 Количество:4 Примечание:M10 X 25
2 - Стопорная шайба F005551 Количество:4
3 - Жгут проводов F638484
4 - Узел электрич. разъема F059559 Примечание:X36
4 - Блок. устр. эл. разъема 57M7619
4 - Клемма электр. разъема 57M7541 Количество:4
5 - Узел электрич. разъема F056844 Примечание:B43
5 - Узел электрич. разъема 57M7620
5 - Клемма электр. разъема 57M7542 Количество:2
6 - Узел электрич. разъема F056844 Примечание:E54
6 - Узел электрич. разъема 57M7620
6 - Клемма электр. разъема 57M7542 Количество:2
7 - Винт 19M9446 Количество:2 Примечание:M8 X 12
8 - Предупр. сигнал движения F062170
9 - Стопорная шайба F064435 Количество:2
10 - Кронштейн F649290

Наверх

Toolbox Mounting - ST389355 ( Набор Инструментов Для Монтажа )


Toolbox Mounting - ST389355 76.jpg


1 - Спец. инстр. д/техобсл. F075435 Примечание:Компоненты на отдельной стр.
3 - Кронштейн F638929
4 - Кронштейн F638933
5 - Ремень с пряжкой F013024
6 - Указатель F629675 Примечание:Not IllustratedComponents on Separate PageTool Kit, Gauges

Наверх

Инструментальный ящик - ST696593


Инструментальный ящик - ST696593 77.jpg


1 - Инструментальный ящик F075435 Примечание:Tool Kit
1 - Инструмент F672205 Примечание:Feeding Gauge, ORDER F075435
1 - Инструмент F672206 Примечание:Head for File, ORDER F075435
1 - Инструмент F672207 Примечание:Cylinder Chisel 8 mm, ORDER F075435
1 - Инструмент F672208 Примечание:T-Handle 1/2", ORDER F075435
1 - Инструмент F672209 Примечание:Allen Wrench 12 mm, ORDER F075435
1 - Инструмент F672210 Примечание:Allen Wrench 14 mm, ORDER F075435
1 - Инструмент F672211 Примечание:Allen Wrench 17 mm, ORDER F075435
1 - Инструмент F672212 Примечание:Allen Wrench 19 mm, ORDER F075435
1 - Инструмент F672213 Примечание:Plane File 250 mm, ORDER F075435
1 - Инструмент F672214 Примечание:Hammer 500 g, ORDER F075435
1 - Инструмент F672215 Примечание:Grease Gun, Complete, ORDER F075435
1 - Инструмент F672216 Примечание:Tester 6-24 V, ORDER F075435
1 - Инструмент F672217 Примечание:Knife, ORDER F075435
1 - Инструмент F672218 Примечание:Combination Wrench 10, ORDER F075435
1 - Инструмент F672219 Примечание:Combination Wrench 13, ORDER F075435
1 - Инструмент F672220 Примечание:Combination Wrench 16, ORDER F075435
1 - Инструмент F672221 Примечание:Combination Wrench 17, ORDER F075435
1 - Инструмент F672222 Примечание:Combination Wrench 18, ORDER F075435
1 - Инструмент F672223 Примечание:Combination Wrench 19, ORDER F075435
1 - Инструмент F672224 Примечание:Combination Wrench 22, ORDER F075435
1 - Инструмент F672225 Примечание:Combination Wrench 24, ORDER F075435
1 - Инструмент F672226 Примечание:Combination Wrench 27, ORDER F075435
1 - Инструмент F672227 Примечание:Combination Wrench 30, ORDER F075435
1 - Инструмент F672228 Примечание:Combination Wrench 32, ORDER F075435
1 - Инструмент F672229 Примечание:Combination Wrench 8, ORDER F075435
1 - Инструмент F672230 Примечание:Padlock, ORDER F075435
1 - Инструмент F672231 Примечание:Combination Wrench 9, ORDER F075435
1 - Инструмент F672232 Примечание:Extension 1/2" 125 mm, ORDER F075435
1 - Инструмент F672233 Примечание:Socket 1/2" 10 mm, ORDER F075435
1 - Инструмент F672234 Примечание:Socket 1/2" 13 mm, ORDER F075435
1 - Инструмент F672235 Примечание:Socket 1/2" 17 mm, ORDER F075435
1 - Инструмент F672236 Примечание:Socket 1/2" 19 mm, ORDER F075435
1 - Инструмент F672237 Примечание:Socket 1/2" 24 mm, ORDER F075435
1 - Инструмент F672238 Примечание:Socket 1/2" 27 mm, ORDER F075435
1 - Инструмент F672239 Примечание:Measuring Tape, ORDER F075435
1 - Инструмент F672240 Примечание:Caliber Rule, ORDER F075435
1 - Инструмент F672241 Примечание:Screwdriver 3.5x100, ORDER F075435
1 - Инструмент F672242 Примечание:Screwdriver 5.5x125, ORDER F075435
1 - Инструмент F672243 Примечание:Screwdriver 8.0x175, ORDER F075435
1 - Инструмент F672244 Примечание:Screwdriver PH 2 100 mm, ORDER F075435
1 - Инструмент F672245 Примечание:Reversible Ratchet 1/2", ORDER F075435
1 - Инструмент F672246 Примечание:Socket 1/2" 16 mm, ORDER F075435
1 - Инструмент F672247 Примечание:Socket 1/2" 18 mm, ORDER F075435
1 - Инструмент F672248 Примечание:Socket 1/2" 30 mm, ORDER F075435
1 - Инструмент F672249 Примечание:Screwdriver 12x200, ORDER F075435
1 - Инструмент F672250 Примечание:Socket Head Cap Spaner, ORDER F075435
1 - Инструмент F672251 Примечание:Tool Box 5pcs 430 mm, ORDER F075435
1 - Инструмент F672252 Примечание:Combination Pliers, ORDER F075435
1 - Инструмент F672253 Примечание:Water Pump Pliers, ORDER F075435
1 - Инструмент F672254 Примечание:Combination Wrench 7, ORDER F075435
1 - Инструмент F672255 Примечание:Allen Wrench Set 1.5-10 mm, ORDER F075435
1 - Инструмент F672256 Примечание:Oil Filter Wrench, ORDER F075435
1 - Инструмент F672257 Примечание:Wheel Nut Socket, ORDER F075435
1 - Инструмент F672258 Примечание:Torque Bar for Set Wheel Nut Socket, ORDER F075435
1 - Инструмент F672259 Примечание:Allen Wrench 22 mm, ORDER F075435
1 - Инструмент F672260 Примечание:Anti-Rebound Hammer, ORDER F075435
1 - Инструмент F672261 Примечание:Adjustable Wrench 15", ORDER F075435
1 - Инструмент F672262 Примечание:Adjustable Wrench 8", ORDER F075435
1 - Инструмент F683870 Примечание:Tool Box Without Tools

Наверх

Gauge Kit - ST944062 ( Набор Датчика - )


Gauge Kit - ST944062 78.jpg


1 - Указатель F629675 Примечание:Tool Kit, Gauges

Наверх

Storage Boxes, 6 Wheels - ST765717 ( Ящики Для Хранения, 6 Колес - )


Storage Boxes, 6 Wheels - ST765717 79.jpg


1 - Стопорная гайка 14M7166 Количество:4 Примечание:M8
2 - Винт 19M9737 Количество:4 Примечание:M8 X 20
3 - Крышка F663499
4 - Резиновая прокладка F663502
5 - Крышка F663498
6 - Резиновая прокладка F663503
7 - Стопорная гайка 14M7609 Количество:4 Примечание:M16
8 - Винт с головкой 19M9656 Количество:8 Примечание:M16 X 30

Наверх

Side Box Mounting - ST772050 ( Боковое Крепление Коробки )


Side Box Mounting - ST772050 80.jpg


1 - Фланцевая гайка 14M7600 Количество:4 Примечание:M6
2 - Винт 19M10261 Количество:8 Примечание:M10 X 25
3 - Винт 19M9448 Количество:4 Примечание:M10 X 20
4 - Винт 19M9570 Количество:6 Примечание:M12 X 25
5 - Винт 19M9735 Количество:4 Примечание:M6 X 90
6 - Стопорная шайба F064437 Количество:6
7 - Кронштейн F638651
8 - Фитинг F071441 Количество:2 Примечание:SUB FOR F005095
9 - Коленчатый патрубок F012592
10 - Коллектор F656944 Количество:2
11 - Кронштейн F659780

Наверх

Side Box Compartments, RH ( - 001659) - ST772353 ( Боковых отсеков, резус ( - ) - )


Side Box Compartments, RH ( - 001659) - ST772353 81.jpg


1 - Отсек для хран. инстр. F639447
2 - Заглушка F071487 Количество:2
3 - Кожух F638640
4 - Стержень F653711
5 - Крышка F638939
6 - Винт 19M9569 Количество:2 Примечание:M8 X 25
7 - Смазочная арматура 58M5575 Количество:2
8 - Задвижка F005243 Количество:2

Наверх

Side Box Compartments, RH (001660 - ) - ST873848 ( Боковых отсеков, резус ( - ) - )


Side Box Compartments, RH (001660 - ) - ST873848 82.jpg


1 - Заглушка F071487 Количество:2
2 - Кожух F638640
3 - Крышка F638939
4 - Винт 19M9569 Количество:2 Примечание:M8 X 25
5 - Смазочная арматура 58M5575 Количество:2
6 - Стержень F653711
7 - Шарнир F610572 Количество:2
8 - Задвижка F005243 Количество:2
9 - Фитинг F073050 Количество:2

Наверх

Side Box Compartments, LH - ST772364 ( Боковых отсеков, ЛГ - )


Side Box Compartments, LH - ST772364 83.jpg


1 - Винт 19M9732 Количество:2 Примечание:M6 X 60
2 - Винт с головкой 19M9682 Количество:2 Примечание:M8 X 20
3 - Крышка F638940
4 - Крышка F649433
5 - Уплотнитель F649436 Примечание:LGTH = 120 mm
6 - Крепежная деталь F655168
7 - Ограждение F655169
8 - Коробка F686575 Примечание:SUB FOR F661873
9 - Клапан гидравл./сервоупр. F680373 Примечание:Компоненты на отдельной стр.
10 - Задвижка F005243 Количество:2
11 - Шарнир F610572 Количество:2
12 - Заглушка F670479 Количество:4
13 - Блок клапана F676088 Примечание:NLA; ORDER F680373; COMPONENTS ON SEPARATE PAGE

Наверх

Storage Box, Boom Base, CF7 - ST765748 ( Коробка Для Хранения, Стрелой, - )


Storage Box, Boom Base, CF7 - ST765748 84.jpg


1 - Стопорная гайка 14M7610 Количество:6 Примечание:M10
2 - Винт с головкой 19M9638 Количество:6 Примечание:M10 X 20
3 - Шайба 24M7488 Количество:6 Примечание:10.500 X 20 X 2 mm
4 - Коробка F039745 Примечание:INCLUDES 99M7143
5 - Быстрозамыкающийся штифт 99M7143
6 - Противокольз. накладка F048721
7 - Пластина F657975

Наверх

Солнцезащитный козырек, кабина - ST787874


Солнцезащитный козырек, кабина - ST787874 85.jpg


1 - Компл. солнцез. козырька F689544
2 - Винт 37M7423 Количество:7
3 - Защитный козырек F681748
4 - Защитный козырек F681749
5 - Защитный козырек F681750
6 - Защитный козырек F681751
7 - Защитный козырек F681752
8 - Защитный козырек F681753
9 - Кронштейн F681754
10 - Винт 21M7439 Количество:6 Примечание:M5 X 35
11 - Крышка F684154
12 - Крышка F684155
13 - Крышка F684156
14 - Крышка F684158
15 - Крышка F684160
16 - Защитный козырек F684161 Примечание:Комплект

Наверх

Sun Curtain, Front and Rear Window - ST787741 ( Солнцезащитный занавес, передние и задние окна )


Sun Curtain, Front and Rear Window - ST787741 86.jpg


1 - Шайба 24M7503 Количество:4 Примечание:5.300 X 15 X 1 mm
2 - Защитный козырек F034244
3 - Винт F681376 Количество:8
4 - Шпилька F682266 Количество:2
5 - Кронштейн F682267 Количество:2 Примечание:Задний

Наверх

Reflectors (For Germany) - ST141789 ( Отражатели (Для Германии) - )


Reflectors (For Germany) - ST141789 87.jpg


1 - Быстрозамыкающийся штифт 99M7143 Количество:2
2 - Отражатель F008176 Количество:8
3 - Знак F011666 Количество:2
4 - Кронштейн F638929 Количество:2
5 - Отражатель F690093 Количество:2 Примечание:INCLUDES F690082 AND F690083
5 - Метка F690082 Количество:2 Примечание:Не показано
5 - Кронштейн F690083 Количество:2 Примечание:Не показано
6 - Винт 21M7545 Количество:6 Примечание:M5 X 16
7 - Винт с барашком 21M7636 Количество:2

Наверх

Reflectors (For Sweden and Austria) - ST850145 ( Отражатели (для Швеции и Австрии) - )


Reflectors (For Sweden and Austria) - ST850145 88.jpg


1 - Винт 21M7545 Количество:6 Примечание:M5 X 16
2 - Отражатель F008176 Количество:6 Примечание:Austria
2 - Отражатель F008176 Количество:2 Примечание:Sweden

Наверх

Warning Triangle - ST869188 ( Предупреждающий Треугольник - )


Warning Triangle - ST869188 89.jpg


1 - Отражатель F005194

Наверх