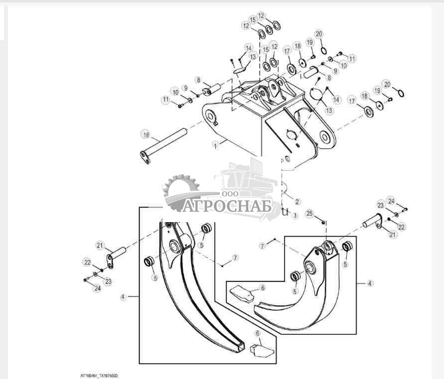
Содержимое: Каталог Запчастей John Deere :648H Grapple Skidder (PIN 1DW648HX_ _C630436 - C666892) (PIN 1DW648HX_ _D630436 - D666892)(Russian) - PC10161 38 Захват 3803 Механизм захвата
Головка и челюсти грейфера, одна функция, 10,4 кв. фута (115 ДЮЙМОВ) - ST130847
Комплект износных пластин, челюсти 10,4 кв. фута (115 дюймов) - ST771647
Головка и челюсти грейфера 12,5 кв. фута (125 дюймов) (одна или две функции) - ST130848
Комплект износных пластин, челюсти 12,5 кв. фута (125 дюймов) - ST771639
Головка и челюсти грейфера, 14,9 кв. фута (127 дюймов) - ST130849
Комплект износных пластин, челюсти 14,9 кв. фута (127 дюймов) - ST771646
Ограждения цилиндра арки (однофункциональные) - ST126643
Ограждения цилиндров арки и стрелы (двухфункциональные) - ST126645
Сервоконтроллер (однофункциональный) - ST126650
Сервоконтроллер (двухфункциональный) - ST126653
Жгут и компл. перекл. для напр. контроллера - ST140909
Демпферы траверсы и штифты - ST126655
Арка (двухфункциональная) - ST126656
Арка (однофункциональная) - ST126657
Стрела - ST126659
Стрела и комплект для техобслуживания поворота (двухфункциональный) - ST476135
Направляющие ролики троса лебедки (однофункциональные) - ST126663
Winch Fairlead Rollers, Dual Function - ST128309 ( Лебедка Клюз Ролики, Двойная Функция - )
Детали вращения (однофункциональные) - ST130860
Детали вращения (двухфункциональные) - ST130863
Крылья (однофункц. длинная рама и двухфункц.) - ST132581
Крылья (однофункциональная стандартная рама) - ST349602
Решетка арки (с лебедкой) - ST130831
Решетка арки (без лебедки) - ST130828
Электромагнитный клапан управления вращением - ST126664
Делитель расхода и поворотный коллектор - ST126667
Компоненты делит. расх. - ST65901
Клапан сервоуправления захватом (однофункциональный) - ST126687
Клапан сервоуправления захватом (двухфункциональный) - ST126690
Секция арки (клапан сервоуправления захватом) (однофункциональная) - ST144440
Секция арки и стрелы (управляющий клапан грейфера) (двухфункциональный) - ST146981
Секция впуска (клапан сервоуправления захватом) - ST144931
Секция отвала (клапан сервоуправления захватом) - ST145093
Секция клещевого устройства (клапан сервоуправления захватом) - ST146020
Гидролинии управления кабины (однофункциональные) - ST130845
Гидролинии управления кабины (двухфункциональные) - ST130832
Гидролинии сервоуправления машины (двухфункциональные) - ST126697
Линии сервоуправления машины (однофункциональные) - ST126705
Линии арки и стрелы (двухфункциональные) - ST130835
Трубопроводы цилиндра арки (однофункциональные) (большая рама) - ST130051
Трубопроводы цилиндра захвата (однофункциональные) (большая рама) - ST130054
Линии цилиндра клещевого устройства (двухфункциональные) - ST130046
Линии вращения и слива (однофункциональные) (прямой привод) - ST130815
Линии вращения и слива (однофункциональные) (гидротрансформатор) - ST130817
Линии вращения и слива (двухфункциональные) - ST127199
Линии вращения и слива (двухфункциональные) (628227 - ) - ST754655
Линии вращения и слива (двухфункциональные) (прямой привод) - ST127967
Трубопроводы поворота и картера (двухфункциональные) (гидротрансформатор) (648227 - ) - ST754654
Трубопроводы цилиндра захвата, одна функция, большая рама - ST811125
Цилиндры для грейфера (12,5 кв. фута, 125 дюймов) - ST127971
Компоненты цилиндра грейфера (12,5 КВ. ФУТА, 125 ДЮЙМОВ), 115 x 63 - ST149665
Цилиндры для грейфера (10,4 кв. фута, 115 дюймов) - ST127972
Компоненты цилиндра грейфера, 100 x 50 - ST142009
Цилиндры для грейфера (14,9 кв. фута, 127 дюймов) - ST793951
Grapple Cylinder Components, 125 X 75 - ST793952 ( Грейфер Компонентов Цилиндра, Х - )
Цилиндры арки, однофункциональные - ST127980
Цилиндры арки и стрелы, двухфункциональные - ST127974
Цилиндры стрелы (двухфункциональные) (повышенная производительность) - ST128306
Компоненты арки цилиндра 100X56-765,5, 1161 - ST141531
Компоненты цилиндра стрелы (двухфункциональные) (стандартная производительность) - ST142010
Компоненты цилиндра стрелы (двухфункциональные) (повышенная производительность) - ST142043
Мотор вращения круга - ST128311
Головка и челюсти грейфера, одна функция, 10,4 кв. фута (115 ДЮЙМОВ) - ST130847
![Джон Дир 648H Головка и челюсти грейфера, одна функция, 10,4 кв. фута (115 ДЮЙМОВ) Головка и челюсти грейфера, одна функция, 10,4 кв. фута (115 ДЮЙМОВ)]()
1 - Захват AT303371 Примечание:CA, SUB FOR AT323480
2 - Винт с головкой 19M7409 Количество:8 Примечание:M16 X 50
3 - Клещевой захват AT193267 Количество:2
4 - Втулка T81847 Количество:4
5 - Зуб T151947 Количество:2
6 - Смазочная арматура JD7759 Количество:2
7 - Штифт AT356091 Количество:2
8 - Распорная втулка 28H3401 Количество:2 Примечание:0.742" X 1.050" X 5/8"
9 - Шайба T146246 Количество:2
10 - Винт 19M7844 Количество:2 Примечание:M16 X 45
11 - Шайба T102171 Количество:3
12 - Шайба T166367 Количество:2
13 - Крышка T191208 Количество:2
14 - Винт 19M7835 Количество:4 Примечание:M10 X 35
15 - Штифт AT168664 Количество:2
16 - Шайба 24M7241 Количество:2 Примечание:17 X 34 X 4 mm
17 - Шайба 24M7315 Количество:2 Примечание:17 X 50 X 3 mm
18 - Винт с головкой 19M7409 Количество:2 Примечание:M16 X 50
19 - Фланцевая гайка 14M7291 Количество:2 Примечание:M16
20 - Штифт AT307623 Количество:2
21 - Втулка T153051 Количество:2
22 - Винт с головкой 19M8543 Количество:2 Примечание:M20 X 30
23 - Шайба U42380 Количество:2
Наверх
Комплект износных пластин, челюсти 10,4 кв. фута (115 дюймов) - ST771647
![Джон Дир 648H Комплект износных пластин, челюсти 10,4 кв. фута (115 дюймов) Комплект износных пластин, челюсти 10,4 кв. фута (115 дюймов)]()
1 - Комплект захвата AT436538 Примечание:Цельные изделия
2 - Пластина T331337 Количество:2 Примечание:Согните для установки над верхней пластиной
3 - Пластина T331337 Количество:2
Наверх
Головка и челюсти грейфера 12,5 кв. фута (125 дюймов) (одна или две функции) - ST130848
![Джон Дир 648H Головка и челюсти грейфера 12,5 кв. фута (125 дюймов) (одна или две функции) Головка и челюсти грейфера 12,5 кв. фута (125 дюймов) (одна или две функции)]()
1 - Захват AT323478 Примечание:Узел механизма
2 - Крышка T186752 Примечание:SUB FOR T186753
3 - Винт с головкой 19M7409 Количество:8 Примечание:M16 X 50
4 - Клещевой захват AT193157 Количество:2
5 - Втулка T81847 Количество:4
6 - Зуб T151947 Количество:2
7 - Смазочная арматура JD7759 Количество:2
8 - Штифт AT356091 Количество:2
9 - Распорная втулка 28H3401 Количество:2 Примечание:0.742" X 1.050" X 5/8"
10 - Шайба T146246 Количество:2
11 - Винт 19M7844 Количество:2 Примечание:M16 X 45
12 - Шайба T102171 Количество:3
13 - Крышка T191208 Количество:2
14 - Винт 19M7835 Количество:4 Примечание:M10 X 35
15 - Шайба T166367 Количество:2
16 - Штифт AT172277 Количество:2
17 - Распорная втулка T205996 Количество:2
18 - Втулка T153051 Количество:2
19 - Винт с головкой 19M8543 Количество:2 Примечание:M20 X 30
20 - Шайба U42380 Количество:2
21 - Штифт AT171094 Количество:2
22 - Шайба 24M7241 Количество:2 Примечание:17 X 34 X 4 mm
23 - Шайба 24M7315 Количество:2 Примечание:17 X 50 X 3 mm
24 - Винт с головкой 19M7409 Количество:2 Примечание:M16 X 50
25 - Фланцевая гайка 14M7291 Количество:2 Примечание:M16
Наверх
Комплект износных пластин, челюсти 12,5 кв. фута (125 дюймов) - ST771639
![Джон Дир 648H Комплект износных пластин, челюсти 12,5 кв. фута (125 дюймов) Комплект износных пластин, челюсти 12,5 кв. фута (125 дюймов)]()
1 - Комплект захвата AT436540 Примечание:Цельные изделия
2 - Пластина T331339 Количество:2 Примечание:Согните для установки над верхней пластиной
3 - Пластина T331339 Количество:2
Наверх
Головка и челюсти грейфера, 14,9 кв. фута (127 дюймов) - ST130849
![Джон Дир 648H Головка и челюсти грейфера, 14,9 кв. фута (127 дюймов) Головка и челюсти грейфера, 14,9 кв. фута (127 дюймов)]()
1 - Захват AT323478 Примечание:Узел приспособления
2 - Крышка T186752 Примечание:SUB FOR T186753
3 - Винт с головкой 19M7409 Количество:8 Примечание:M16 X 50
4 - Штифт AT356091 Количество:2
5 - Клещевой захват AT193161 Количество:2
6 - Втулка T81847 Количество:4
7 - Зуб T151947 Количество:2
8 - Смазочная арматура JD7759 Количество:2
9 - Шайба T102171 Количество:3
10 - Распорная втулка 28H3401 Количество:2 Примечание:0.742" X 1.050" X 5/8"
11 - Шайба T146246 Количество:2
12 - Винт 19M7844 Количество:2 Примечание:M16 X 45
13 - Шайба T166367 Количество:2
14 - Крышка T191208 Количество:2
15 - Винт 19M7835 Количество:4 Примечание:M10 X 35
16 - Штифт AT172277 Количество:2
17 - Распорная втулка T205996 Количество:2
18 - Шайба U42380 Количество:2
19 - Втулка T153051 Количество:2
20 - Винт с головкой 19M8543 Количество:2 Примечание:M20 X 30
21 - Штифт AT171094 Количество:2
22 - Шайба 24M7241 Количество:2 Примечание:17 X 34 X 4 mm
23 - Шайба 24M7315 Количество:2 Примечание:17 X 50 X 3 mm
24 - Винт с головкой 19M7409 Количество:2 Примечание:M16 X 50
25 - Фланцевая гайка 14M7291 Количество:2 Примечание:M16
Наверх
Комплект износных пластин, челюсти 14,9 кв. фута (127 дюймов) - ST771646
![Джон Дир 648H Комплект износных пластин, челюсти 14,9 кв. фута (127 дюймов) Комплект износных пластин, челюсти 14,9 кв. фута (127 дюймов)]()
1 - Комплект захвата AT436526 Примечание:Цельные изделия
2 - Пластина T331336 Количество:2 Примечание:Согните для установки над верхней пластиной
3 - Пластина T331336 Количество:2
Наверх
Ограждения цилиндра арки (однофункциональные) - ST126643
![Джон Дир 648H Ограждения цилиндра арки (однофункциональные) Ограждения цилиндра арки (однофункциональные)]()
1 - Уголок AT371798 Примечание:Правый
2 - Уголок T183635 Примечание:Левый
3 - Шайба 24M7296 Количество:6 Примечание:10.500 X 30 X 2.500 mm
4 - Винт 19M7785 Количество:8 Примечание:M10 X 25
5 - Хомут AT147140
6 - Ограждение AT147003 Примечание:Правый
7 - Ограждение AT147004 Примечание:Левый
8 - Скоба T137909 Количество:2
9 - Стопорная гайка 14M7400 Количество:2 Примечание:M10
10 - Винт 19M7811 Количество:2 Примечание:M10 X 90
11 - Шайба 24M7239 Количество:2 Примечание:10.700 X 21 X 2.500 mm
Наверх
Ограждения цилиндров арки и стрелы (двухфункциональные) - ST126645
![Джон Дир 648H Ограждения цилиндров арки и стрелы (двухфункциональные) Ограждения цилиндров арки и стрелы (двухфункциональные)]()
1 - Уголок AT371798 Примечание:Правый
2 - Уголок T183635 Примечание:Левый
3 - Шайба 24M7296 Количество:6 Примечание:10.500 X 30 X 2.500 mm
4 - Винт 19M7785 Количество: 10 Примечание:M10 X 25
5 - Хомут AT147140
6 - Ограждение AT147003 Примечание:Правый
7 - Ограждение AT147004 Примечание:Левый
8 - Скоба T137909 Количество:4
9 - Стопорная гайка 14M7400 Количество:4 Примечание:M10
10 - Винт 19M7811 Количество:4 Примечание:M10 X 90
11 - Шайба 24M7239 Количество:4 Примечание:10.700 X 21 X 2.500 mm
12 - Кронштейн AT183776
13 - Втулка T72414
14 - Ограждение AT345348 Примечание:Левая стрела
15 - Кронштейн AT183777
16 - Втулка T72414
17 - Ограждение AT345349 Примечание:Правая стрела
Наверх
Сервоконтроллер (однофункциональный) - ST126650
![Джон Дир 648H Сервоконтроллер (однофункциональный) Сервоконтроллер (однофункциональный)]()
1 - Опора AT311456
2 - Крышка AT363784
3 - Изолятор U42208 Количество:4
4 - Шайба 24M7296 Количество:8 Примечание:10.500 X 30 X 2.500 mm
5 - Винт 19M8162 Количество:4 Примечание:M10 X 40
6 - Прокладка T13333
7 - Шайба T104220 Количество:2
8 - Рычаг AT186534
9 - Кожух T183448
10 - Кольцо T183401
11 - Ручка AT186690
12 - Гайка 14M7415 Примечание:M12
13 - Зажимная скоба T183882 Количество:6
14 - Втулка T104482
15 - Шайба 24H1269 Примечание:21/32" X 1-1/8" X 0.060"
16 - Стопорная гайка U44915
17 - Шаровое соединение AT65619
18 - Стопорная гайка M68954
19 - Самофиксирующийся винт T134895 Количество:4
20 - Винт с головкой 19M8324 Количество:3 Примечание:M10 X 16
21 - Гайка R134098 Количество:3
22 - Многофункцион. контроллер AT330903 Примечание:Сервоконтроллер
22 - Комплект жгута проводов AT330905
23 - Захват ... Примечание:Компоненты перечислены на отдельных стр., NSEP, ORDER AT330903
24 - Кожух AT192951
25 - Кольцо T186287
26 - Зажимная скоба T183882 Количество:6
27 - Самофиксирующийся винт T133674 Количество:3
28 - Жгут проводов AT357317 Примечание:Сервоуправление
29 - Узел электрич. разъема 57M8018 Примечание:К рукоятке сервоуправления
30 - Узел электрич. разъема 57M8015 Примечание:К рукоятке сервоуправления
31 - Блок. устр. эл. разъема 57M8655 Примечание:Смыкание челюстей
31 - Клемма электр. разъема 57M8951 Количество:2
31 - Уплотнен. электр. разъема 57M8515 Количество:2
32 - Блок. устр. эл. разъема 57M8655 Примечание:Размыкание челюстей
32 - Клемма электр. разъема 57M8951 Количество:2
32 - Уплотнен. электр. разъема 57M8515 Количество:2
33 - Корпус электр. разъема 57M8023 Примечание:К нагрузочному центру
34 - Метка T186493 Примечание:Стопор дышла
35 - Метка T186281 Примечание:Однофункциональный рычаг
36 - Винт 19M7774 Количество:5 Примечание:M6 X 12
37 - Скоба T74410 Количество:2
38 - Фитинг переходника 38H1160
39 - Уплотнительное кольцо T77613
40 - Уплотнительное кольцо R26448
41 - Фитинг переходника 38H1168 Количество:3
42 - Уплотнительное кольцо T77814 Количество:3
43 - Уплотнительное кольцо R26448 Количество:3
44 - Уплотнение R71351 Примечание:SUB FOR R65476
Наверх
Сервоконтроллер (двухфункциональный) - ST126653
![Джон Дир 648H Сервоконтроллер (двухфункциональный) Сервоконтроллер (двухфункциональный)]()
1 - Опора AT311456
2 - Изолятор U42208 Количество:4
3 - Шайба 24M7296 Количество:8 Примечание:10.500 X 30 X 2.500 mm
4 - Винт 19M8162 Количество:4 Примечание:M10 X 40
5 - Крышка AT363784
6 - Прокладка T13333
7 - Шайба T104220 Количество:2
8 - Рычаг AT186534
9 - Кожух T183448
10 - Кольцо T183401
11 - Ручка AT186690
12 - Гайка 14M7415 Примечание:M12
13 - Зажимная скоба T183882 Количество:6
14 - Втулка T104482
15 - Шайба 24H1269 Примечание:21/32" X 1-1/8" X 0.060"
16 - Стопорная гайка U44915
17 - Шаровое соединение AT65619
18 - Стопорная гайка M68954
19 - Самофиксирующийся винт T134895 Количество:4
20 - Винт с головкой 19M8324 Количество:3 Примечание:M10 X 16
21 - Гайка R134098 Количество:3
22 - Многофункцион. контроллер AT330904 Примечание:Сервоконтроллер
22 - Комплект рыч. механизмов AT435548 Примечание:Комплект универсального шарнира
23 - Захват ... Примечание:Компоненты перечислены на отдельных стр., NSEP; ORDER AT330904
24 - Кожух AT192951
25 - Кольцо T186287
26 - Зажимная скоба T183882 Количество:6
27 - Жгут проводов AT357317
28 - Узел электрич. разъема 57M8018 Примечание:К рукоятке сервоуправления
29 - Узел электрич. разъема 57M8015 Примечание:К рукоятке сервоуправления
30 - Блок. устр. эл. разъема 57M8655 Примечание:Размыкание челюстей
30 - Клемма электр. разъема 57M8951 Количество:2
30 - Уплотнен. электр. разъема 57M8515 Количество:2
31 - Блок. устр. эл. разъема 57M8655 Примечание:Смыкание челюстей
31 - Клемма электр. разъема 57M8951 Количество:2
31 - Уплотнен. электр. разъема 57M8515 Количество:2
32 - Корпус электр. разъема 57M8023 Примечание:К нагрузочному центру
33 - Фитинг переходника 38H1160
34 - Уплотнительное кольцо T77613
35 - Уплотнительное кольцо R26448
36 - Фитинг переходника 38H1168 Количество:5
37 - Уплотнительное кольцо T77814 Количество:5
38 - Уплотнительное кольцо R26448 Количество:5
39 - Самофиксирующийся винт T133674 Количество:3
40 - Метка T186493 Примечание:Стопор дышла
41 - Скоба T74410 Количество:2
42 - Винт 19M7774 Количество:2 Примечание:M6 X 12
43 - Уплотнение R71351 Примечание:SUB FOR R65476
Наверх
Жгут и компл. перекл. для напр. контроллера - ST140909
![Джон Дир 648H Жгут и компл. перекл. для напр. контроллера Жгут и компл. перекл. для напр. контроллера]()
1 - Рукоятка F435020
1 - Винт F435871 Количество:3 Примечание:Не показано
2 - Комплект переключателя F434205 Количество:5
3 - Комплект жгута проводов AT330905 Примечание:Электропроводка рычага сервоконтроллера
4 - Колпачок T223995 Количество:5
Наверх
Демпферы траверсы и штифты - ST126655
![Джон Дир 648H Демпферы траверсы и штифты Демпферы траверсы и штифты]()
1 - Корпус AT165163
2 - Втулка R98334 Количество:2
3 - Втулка T70723
4 - Втулка T42843
5 - Амортизатор AT168168 Примечание:SUB AT427578
6 - Пружинное кольцо C19243
7 - Смазочная арматура JD7759 Количество:6
8 - Штифт AT171957
9 - Распорная втулка 28H3401 Примечание:0.742" X 1.050" X 5/8"
10 - Шайба T146246
11 - Штифт T237430
12 - Винт с головкой 19M7409 Примечание:M16 X 50
13 - Уплотнительное кольцо R61467
14 - Пластина T148934 Количество:6
15 - Шайба 24H1275 Количество:3 Примечание:1-1/64" X 1-1/2" X 0.075"
16 - Штифт T157511
17 - Крепление со штифтом 45M7053 Примечание:8 X 65 mm
18 - Шплинт 11M7078 Примечание:2 X 20 mm
19 - Винт с головкой 19M7936 Примечание:M24 X 130
20 - Стопорная гайка 14M7413 Примечание:M24
21 - Трубная заглушка 15H558 Примечание:1/8"
22 - Смазочная арматура JD7797 Количество:2
23 - Пружинное кольцо T150636
24 - Корпус T155451
25 - Уплотнительное кольцо F1649R
26 - Уплотнительное кольцо T14065
27 - Шайба 24M7141 Количество:24 Примечание:45 X 55 X 1.600 mm
28 - Пружина сжатия T155014 Количество:6
29 - Трубная заглушка T155015 Количество:6
30 - Уплотнительное кольцо T102419
31 - Дисковое орудие RE62896 Количество:5
Наверх
Арка (двухфункциональная) - ST126656
![Джон Дир 648H Арка (двухфункциональная) Арка (двухфункциональная)]()
1 - Боковая стрела AT334432 Примечание:Узел механизма, NLA; ORDER AT334431
1 - Трелевочная арка AT334431
2 - Распорная втулка T163899 Количество:2
3 - Саморазм. втулка AT157173 Количество:2
4 - Штифт AT173497 Количество:2
5 - Штифт AT334427 Количество:2
6 - Распорная втулка 28H3401 Количество:4 Примечание:0.742" X 1.050" X 5/8"
7 - Шайба T146246 Количество:4
8 - Винт с головкой 19M7488 Количество:4 Примечание:M16 X 40
9 - Шайба T143992 Количество:2
10 - Шайба T140731 Количество:2
11 - Смазочная арматура JD7759 Количество:2
12 - Упорная шайба T163930 Количество:6
13 - Шайба T230118 Количество:6
14 - Шайба T229915 Количество:2
Наверх
Арка (однофункциональная) - ST126657
![Джон Дир 648H Арка (однофункциональная) Арка (однофункциональная)]()
1 - Трелевочная арка AT357343 Примечание:Узел механизма, ALSO ORDER T244810
1 - Передача T244810
2 - Саморазм. втулка AT157173
3 - Смазочная арматура JD7759
4 - Саморазм. втулка AT157173
5 - Смазочная арматура JD7759
6 - Элемент жесткости T225954 Количество:2
7 - Элемент жесткости T224504 Количество:2
8 - Крышка AT326233
9 - Шайба T230118 Количество:6
10 - Шайба T229915 Количество:2
11 - Штифт AT334427 Количество:2
12 - Распорная втулка 28H3401 Количество:2 Примечание:0.742" X 1.050" X 5/8"
13 - Шайба T146246 Количество:2
14 - Винт с головкой 19M7488 Количество:2 Примечание:M16 X 40
15 - Распорная втулка 28H3442 Количество:2 Примечание:0.546" X 0.840" X 2-3/8"
16 - Винт 19M7820 Количество:2 Примечание:M12 X 100
17 - Шайба 24M7180 Количество:2 Примечание:13 X 37 X 3 mm
18 - Винт 19M7813 Количество:2 Примечание:M12 X 45
Наверх
Стрела - ST126659
![Джон Дир 648H Стрела Стрела]()
1 - Стрела захвата ... Примечание:Компоненты перечислены на отдельных стр., (ORDER AT367621)
2 - Саморазм. втулка AT157173 Количество:2
3 - Втулка T161173 Количество:4
4 - Втулка T153528 Количество:2
5 - Крышка T148630
6 - Винт 19M7813 Количество:4 Примечание:M12 X 45
7 - Смазочная арматура JD7759 Количество:4
Наверх
Стрела и комплект для техобслуживания поворота (двухфункциональный) - ST476135
![Джон Дир 648H Стрела и комплект для техобслуживания поворота (двухфункциональный) Стрела и комплект для техобслуживания поворота (двухфункциональный)]()
1 - Стрела захвата AT379869 Примечание:Цельные изделия
2 - Наружн. кольцо подшипн. JD9152 Количество:2
3 - Внутр. кольцо подшипника JD9083 Количество:2
4 - Кольцо T148779
5 - Вилка универсал. шарнира AT346665
6 - Втулка T36213
7 - Прокладка T237800 Количество:5
8 - Прокладка T237799 Количество:4
9 - Передача T235529
10 - Винт с головкой 19M9425 4 Примечание:M16 X 50
11 - Шариковый подшипник JD9396 Количество:2
12 - Передача T185957
13 - Смазочная арматура JD7759
14 - Винт 19M7813 Количество:2 Примечание:M12 X 45
15 - Штифт T237430
16 - Метка JD5789 Количество:2
Наверх
Направляющие ролики троса лебедки (однофункциональные) - ST126663
![Джон Дир 648H Направляющие ролики троса лебедки (однофункциональные) Направляющие ролики троса лебедки (однофункциональные)]()
1 - Каток AT90001
2 - Втулка T185659 Количество:2
3 - Ось T149729
4 - Шайба T39569 Количество:3
5 - Хомут T186577
6 - Шайба 24M7241 Количество:2 Примечание:17 X 34 X 4 mm
7 - Винт с головкой 19M8029 Количество:2 Примечание:M16 X 30
8 - Смазочная арматура JD7797 Количество:2
9 - Ролик AT197139 Количество:2 Примечание:Узел механизма
10 - Смазочная арматура JD7798 Количество:2
11 - Ось T161344 Количество:2
12 - Шайба 24H1900 Количество:2 Примечание:17/32" X 2" X 1/4"
13 - Винт 19M7787 Количество:2 Примечание:M12 X 20
14 - Заглушка фитинга N10145 Количество:2
15 - Упорная шайба U30429 Количество:4
Наверх
Winch Fairlead Rollers, Dual Function - ST128309 ( Лебедка Клюз Ролики, Двойная Функция - )
![Джон Дир 648H Winch Fairlead Rollers, Dual Function Winch Fairlead Rollers, Dual Function]()
1 - Крепежные детали AT308020 Примечание:CA, SUB FOR AT308063
2 - Каток AT90001
3 - Втулка T185659 Количество:2
4 - Шайба T39569 Количество:3
5 - Ось T149729
6 - Смазочная арматура JD7797 Количество:2
7 - Хомут T186574 Примечание:SUB FOR T186577
8 - Шайба 24M7241 Количество:2 Примечание:17 X 34 X 4 mm
9 - Винт с головкой 19M7394 Количество:2 Примечание:M16 X 25
10 - Ролик AT197139 Количество:2 Примечание:CA
11 - Смазочная арматура JD7798 Количество:4
12 - Ось T161344 Количество:2
13 - Шайба 24H1900 Количество:2 Примечание:17/32" X 2" X 1/4"
14 - Винт 19M7787 Количество:2 Примечание:M12 X 20
15 - Упорная шайба U30429 Количество:4
16 - Заглушка фитинга N10145 Количество:2
17 - Шайба 24M7242 Количество:8 Примечание:21.400 X 42 X 5 mm
18 - Винт с головкой 19M8639 Количество:4 Примечание:M20 X 70
19 - Стопорная гайка 14M7410 Количество:4 Примечание:M20
Наверх
Детали вращения (однофункциональные) - ST130860
![Джон Дир 648H Детали вращения (однофункциональные) Детали вращения (однофункциональные)]()
1 - Наружн. кольцо подшипн. JD9115
2 - Наружн. кольцо подшипн. JD9152
3 - Внутр. кольцо подшипника JD9083
4 - Внутр. кольцо подшипника JD9050
5 - Кольцо T148779
6 - Вилка AT349304
7 - Втулка T36213
8 - Прокладка T149060 Количество:8
9 - Прокладка T149059 Количество:3
10 - Передача T244810
11 - Винт с головкой 19M9425 2 Примечание:M16 X 50
12 - Шариковый подшипник JD9396 Количество:2
13 - Передача T185957
14 - Кулиса T225028
15 - Распорная втулка 28H3401 Количество:2 Примечание:0.742" X 1.050" X 5/8"
16 - Шайба 24H1698 Количество:2 Примечание:21/32" X 1-5/8" X 1/4"
17 - Винт с головкой 19M7409 Количество:2 Примечание:M16 X 50
18 - Смазочная арматура JD7759
19 - Упаковка RE63059 Примечание:Комплект, (INCLUDES (3) R120839 and (3) R120844)
Наверх
Детали вращения (двухфункциональные) - ST130863
![Джон Дир 648H Детали вращения (двухфункциональные) Детали вращения (двухфункциональные)]()
1 - Наружн. кольцо подшипн. JD9152 Количество:2
2 - Внутр. кольцо подшипника JD9083 Количество:2
3 - Кольцо T148779
4 - Вилка универсал. шарнира AT346665
5 - Втулка T36213
6 - Прокладка T237800 Количество:7
7 - Прокладка T237799 Количество:4
8 - Передача T235529
9 - Винт с головкой 19M9425 4 Примечание:M16 X 50
10 - Шариковый подшипник JD9396 Количество:2
11 - Передача T185957
12 - Кулиса T225028
13 - Распорная втулка 28H3401 Количество:2 Примечание:0.742" X 1.050" X 5/8"
14 - Шайба 24H1698 Количество:2 Примечание:21/32" X 1-5/8" X 1/4"
15 - Винт с головкой 19M7409 Количество:2 Примечание:M16 X 50
16 - Смазочная арматура JD7759
17 - Упаковка RE47297
Наверх
Крылья (однофункц. длинная рама и двухфункц.) - ST132581
![Джон Дир 648H Крылья (однофункц. длинная рама и двухфункц.) Крылья (однофункц. длинная рама и двухфункц.)]()
1 - Крыло AT330175 Примечание:Узел механизма
Наверх
Крылья (однофункциональная стандартная рама) - ST349602
![Джон Дир 648H Крылья (однофункциональная стандартная рама) Крылья (однофункциональная стандартная рама)]()
1 - Крыло AT342143 Примечание:Узел механизма, NLA
Наверх
Решетка арки (с лебедкой) - ST130831
![Джон Дир 648H Решетка арки (с лебедкой) Решетка арки (с лебедкой)]()
1 - Решетка AT193194 Примечание:SUB FOR AT193195
2 - Шайба 24M7242 Количество:4 Примечание:21.400 X 42 X 5 mm
3 - Винт с головкой 19M7892 Количество:2 Примечание:M20 X 80
4 - Стопорная гайка 14M7410 Количество:2 Примечание:M20
Наверх
Решетка арки (без лебедки) - ST130828
![Джон Дир 648H Решетка арки (без лебедки) Решетка арки (без лебедки)]()
1 - Решетка AT196303
2 - Шайба 24M7242 Количество:8 Примечание:21.400 X 42 X 5 mm
3 - Винт с головкой 19M7892 Количество:4 Примечание:M20 X 80
4 - Стопорная гайка 14M7410 Количество:4 Примечание:M20
Наверх
Электромагнитный клапан управления вращением - ST126664
![Джон Дир 648H Электромагнитный клапан управления вращением Электромагнитный клапан управления вращением]()
1 - Шланговая опора AT379702
2 - Винт 19M7785 Количество:2 Примечание:M10 X 25
3 - Кронштейн AT390866 Serial No.______-648226 Примечание:SUB FOR AT371320
3 - Пластина AT410920 Serial No.648227-______ Примечание:SUB FOR AT390866
4 - Электромагн. гидр. клапан AT371412 Примечание:Соленоид поворота
4 - Комплект уплотнений F433299
4 - Гайка N223292
5 - Винт 19M7786 Количество:2 Примечание:M10 X 30
6 - Шайба 24M7087 Количество:2 Примечание:5.500 X 10 X 1 mm
7 - Винт с головкой 19M7986 Количество:2 Примечание:M5 X 50
8 - Фланцевая гайка 14M7450 Количество:2 Примечание:M5
9 - Коленчатый патрубок 38H1045
10 - Уплотнительное кольцо T77613
11 - Уплотнительное кольцо R26448
12 - Коленчатый патрубок 38H1568
13 - Уплотнительное кольцо R26448
14 - Уплотнительное кольцо T77613
15 - Коленчатый патрубок 38H1004 Количество:2
16 - Уплотнительное кольцо R26448 Количество:2
17 - Уплотнительное кольцо T77613 Количество:2
18 - Катушка эл/магн. клапана AT333815 Примечание:Соленоид поворота по часовой стрелке
19 - Катушка эл/магн. клапана AT333862 Примечание:Соленоид поворота против часовой стрелки
Наверх
Делитель расхода и поворотный коллектор - ST126667
![Джон Дир 648H Делитель расхода и поворотный коллектор Делитель расхода и поворотный коллектор]()
1 - Коллектор AT347059 Serial No.______-647783 Примечание:ALSO ORDER AT430152
1 - Гидрошланг AT430152
1 - Комплект уплотнений AT351966 Serial No.______-647783 Примечание:Не показано
1 - Коллектор AT390442 Serial No.647784-664457 Примечание:Не показано
1 - Комплект уплотнений AT413914 Serial No.647784-664457 Примечание:Не показано
1 - Коллектор AT445414 Serial No.664458-______ Примечание:Не показано
1 - Комплект уплотнений AT413914 Serial No.664458-______ Примечание:Не показано
2 - Фитинг переходника 38H1215
3 - Уплотнительное кольцо T77858
4 - Уплотнительное кольцо U12547
5 - Коленчатый патрубок 38H1007 Количество:2
6 - Уплотнительное кольцо U12547 Количество:2
7 - Уплотнительное кольцо T77858 Количество:2
8 - Фитинг переходника 38H1163 Количество:2
9 - Уплотнительное кольцо T77858 Количество:2
10 - Уплотнительное кольцо U12547 Количество:2
11 - Делитель потока AT172636 Serial No.______-648426 Примечание:Перечень узлов указан на отдельной странице, NLA; ORDER AT411662
11 - Делитель потока AT411662 Serial No.648427-______ Примечание:Перечень узлов указан на отдельной странице
12 - Фитинг переходника 38H1175 Количество:2
13 - Уплотнительное кольцо T77857 Количество:2
14 - Уплотнительное кольцо U12547 Количество:2
15 - Винт 19M7812 Количество:2 Примечание:M10 X 100
16 - Стопорная гайка 14M7400 Количество:2 Примечание:M10
17 - Винт с головкой 19M8190 Количество:2 Примечание:M16 X 180
18 - Коленчатый патрубок 38H1045
19 - Уплотнительное кольцо T77613
20 - Уплотнительное кольцо R26448
Наверх
Компоненты делит. расх. - ST65901
![Джон Дир 648H Компоненты делит. расх. Компоненты делит. расх.]()
1 - Редукционный клапан AT422779 Количество:2 Примечание:SUB FOR AT414221
1 - Комплект уплотнений AT324914 Количество:2 Примечание:Не показано
1 - Редукционный клапан AT414221 Примечание:USE WITH AT411662
1 - Редукционный клапан AT169704 Примечание:USE WITH AT172636
2 - Комплект уплотнений AT112135 Количество:2 Примечание:USE WITH AT172636
2 - Комплект уплотнений AT414220 Количество:2 Примечание:USE WITH AT411662
3 - Винт 19M7812 Количество:2 Примечание:M10 X 100
4 - Стопорная гайка 14M7400 Количество:2 Примечание:M10
5 - Комплект уплотнений AT169705
6 - Расходный гидр. клапан AT169703
7 - Стопор AT172686 Количество:2
8 - Стопор AT191345
9 - Делитель потока AT172636 Serial No.______-648426 Примечание:NLA, ORDER AT411662
9 - Делитель потока AT411662 Serial No.648427-______
Наверх
Клапан сервоуправления захватом (однофункциональный) - ST126687
![Джон Дир 648H Клапан сервоуправления захватом (однофункциональный) Клапан сервоуправления захватом (однофункциональный)]()
1 - Золотниковый клапан AT408859 Примечание:Список доп. компонентов приведен на отдельных страницах, SUB FOR AT311516 THIS APPLICATION
2 - Контр. клап. с гидропр. AT312342 Примечание:ВпускКомпоненты перечислены на отдельных стр.
3 - Клапан гидравл./сервоупр. AT312346 Примечание:АркаКомпоненты перечислены на отдельных стр.
4 - Электромагн. гидр. клапан AT408882 Примечание:ДышлоКомпоненты перечислены на отдельных стр., SUB FOR AT312691 THIS APPLICATION
5 - Золотниковый клапан AT312341 Примечание:ОтвалКомпоненты перечислены на отдельных стр.
6 - Стержень AT169208 Количество:4
7 - Ограничитель T152706
8 - Фитинг переходника AT359328
9 - Уплотнительное кольцо U12547
10 - Уплотнительное кольцо T77858
11 - Винт с головкой 19M8637 Количество:2 Примечание:M10 X 40
12 - Винт с головкой 19M8183 Примечание:M10 X 90
13 - Фитинг переходника 38H1160
14 - Уплотнительное кольцо T77613
15 - Уплотнительное кольцо R26448
16 - Коленчатый патрубок 38H1007
17 - Уплотнительное кольцо U12547
18 - Уплотнительное кольцо T77858
19 - Фитинг переходника 38H1175
20 - Уплотнительное кольцо T77857
21 - Уплотнительное кольцо U12547
22 - Фитинг переходника 38H1163
23 - Уплотнительное кольцо T77858 Количество:2
24 - Уплотнительное кольцо U12547
25 - Коленчатый патрубок 38H1009
26 - Уплотнительное кольцо T77814
27 - Уплотнительное кольцо R26448
28 - Фитинг переходника 38H1159
29 - Уплотнительное кольцо T77814
30 - Уплотнительное кольцо R28782
31 - Коленчатый патрубок 38H1004
32 - Уплотнительное кольцо R26448
33 - Уплотнительное кольцо T77613
34 - Тройник 38H1030
35 - Уплотнительное кольцо T77613 Количество:2
36 - Тройник 38H1029
37 - Уплотнительное кольцо T77814 Количество:2
38 - Коленчатый патрубок 38H1093
39 - Уплотнительное кольцо T77814
40 - Тройник T215013
41 - Уплотнительное кольцо T77858
42 - Фитинг AT321211
43 - Уплотнительное кольцо R28782
44 - Коленчатый патрубок 38H1435
45 - Уплотнительное кольцо T77613
46 - Уплотнительное кольцо R28782
47 - Метка T217792
48 - Фитинг 38H1414 Количество:2
49 - Диагностическая муфта ....... Количество:2 Примечание:Деталь из комплекта диагностикиНаходится в кабине
50 - Фитинг переходника T302662
51 - Быстросъемн. гидр. муфта AH125760
52 - Уплотнительное кольцо R26448
Наверх
Клапан сервоуправления захватом (двухфункциональный) - ST126690
![Джон Дир 648H Клапан сервоуправления захватом (двухфункциональный) Клапан сервоуправления захватом (двухфункциональный)]()
1 - Золотниковый клапан AT408860 Примечание:Компоненты перечислены на отдельной странице, SUB FOR AT338622 THIS APPLICATION.
2 - Контр. клап. с гидропр. AT312342 Примечание:ВпускКомпоненты перечислены на отдельной странице
3 - Электромагн. гидр. клапан AT408882 Примечание:ДышлоКомпоненты перечислены на отдельной странице, SUB FOR AT312691 THIS APPLICATION.
4 - Клапан гидравл./сервоупр. AT338641 Количество:2 Примечание:СтрелаАрка или двухфункц.Компоненты перечислены на отдельной странице
5 - Золотниковый клапан AT312341 Примечание:ОтвалКомпоненты перечислены на отдельной странице
6 - Стержень AT312344 Количество:4
7 - Винт с головкой 19M8183 Примечание:M10 X 90
8 - Винт с головкой 19M8637 Количество:2 Примечание:M10 X 40
9 - Ограничитель T152706
10 - Фитинг переходника AT359328
11 - Уплотнительное кольцо U12547
12 - Уплотнительное кольцо T77858
13 - Коленчатый патрубок 38H1007
14 - Уплотнительное кольцо U12547
15 - Уплотнительное кольцо T77858
16 - Фитинг переходника 38H1163
17 - Уплотнительное кольцо T77858
18 - Уплотнительное кольцо U12547
19 - Фитинг переходника 38H1175
20 - Уплотнительное кольцо T77857
21 - Уплотнительное кольцо U12547
22 - Фитинг переходника 38H1215
23 - Уплотнительное кольцо T77858
24 - Уплотнительное кольцо U12547
25 - Коленчатый патрубок 38H1009
26 - Уплотнительное кольцо T77814
27 - Уплотнительное кольцо R26448
28 - Фитинг переходника 38H1160
29 - Уплотнительное кольцо T77613
30 - Уплотнительное кольцо R26448
31 - Фитинг переходника 38H1159
32 - Уплотнительное кольцо T77814
33 - Уплотнительное кольцо R28782
34 - Тройник 38H1029
35 - Уплотнительное кольцо T77814 Количество:2
36 - Коленчатый патрубок 38H1004
37 - Уплотнительное кольцо R26448
38 - Уплотнительное кольцо T77613
39 - Фитинг переходника 38H1168
40 - Уплотнительное кольцо T77814
41 - Уплотнительное кольцо R26448
42 - Тройник 38H1030
43 - Уплотнительное кольцо T77613 Количество:2
44 - Адаптер AT366652
45 - Уплотнительное кольцо T77814
46 - Тройник T215013
47 - Уплотнительное кольцо T77858
48 - Коленчатый патрубок 38H1435
49 - Уплотнительное кольцо T77613
50 - Уплотнительное кольцо R28782
51 - Фитинг AT321211
52 - Уплотнительное кольцо R28782
53 - Метка T217792
54 - Фитинг 38H1414 Количество:2
55 - Диагностическая муфта ....... Количество:2 Примечание:Деталь из комплекта диагностикиНаходится в кабине
56 - Фитинг переходника T302662
57 - Быстросъемн. гидр. муфта AH125760
58 - Уплотнительное кольцо R26448
Наверх
Секция арки (клапан сервоуправления захватом) (однофункциональная) - ST144440
![Джон Дир 648H Секция арки (клапан сервоуправления захватом) (однофункциональная) Секция арки (клапан сервоуправления захватом) (однофункциональная)]()
1 - Клапан гидравл./сервоупр. AT312346
2 - Уплотнительное кольцо M4125T Количество:2
3 - Втулка T213993 Количество:2
4 - Болт AT216589
5 - Шайба T103088 Количество:2
6 - Гильза T213982
7 - Пружина сжатия T102435
8 - Пружина сжатия T213980
9 - Гильза T102436 Количество:2
10 - Колпачок AT216587 Количество:2
11 - Уплотнительное кольцо H84318 Количество:4
12 - Винт с головкой T171072 Количество:4
13 - Пробка сливного отверстия T103366
14 - Уплотнительное кольцо U12547
15 - Пружина T103365
16 - Тарельчатый клапан T103364
17 - Кольцо T103464
18 - Сальник T103465 Количество:3
19 - Уплотнительное кольцо T169957 Количество:4
20 - Заглушка AT216586 Количество:2
21 - Уплотнительное кольцо R26448 Количество:2
22 - Редукционный клапан AT169149 Примечание:(3500 PSI)
23 - Защитное кольцо T154187
24 - Уплотнительное кольцо AT124574
25 - Редукционный клапан AT169153 Примечание:(2500 PSI)
26 - Защитное кольцо T154187
27 - Уплотнительное кольцо AT124574
28 - Комплект уплотн. колец AT170991
29 - Комплект уплотн. колец AT170991
Наверх
Секция арки и стрелы (управляющий клапан грейфера) (двухфункциональный) - ST146981
![Джон Дир 648H Секция арки и стрелы (управляющий клапан грейфера) (двухфункциональный) Секция арки и стрелы (управляющий клапан грейфера) (двухфункциональный)]()
1 - Клапан гидравл./сервоупр. AT338641
2 - Уплотнительное кольцо M4125T Количество:2
3 - Втулка T213993 Количество:2
4 - Болт AT216589
5 - Шайба T103088 Количество:2
6 - Гильза T213982
7 - Пружина сжатия T102435
8 - Пружина сжатия T213980
9 - Гильза T102436 Количество:2
10 - Колпачок AT216587 Количество:2
11 - Уплотнительное кольцо H84318 Количество:4
12 - Винт с головкой T171072 Количество:4
13 - Пробка сливного отверстия T103366
14 - Уплотнительное кольцо U12547
15 - Пружина T103365
16 - Тарельчатый клапан T103364
17 - Кольцо T103464
18 - Сальник T103465 Количество:3
19 - Заглушка AT216586 Количество:2
20 - Уплотнительное кольцо R26448 Количество:2
21 - Редукционный клапан AT169154 Примечание:(4000 PSI)
22 - Уплотнительное кольцо U12547
23 - Защитное кольцо T154187
24 - Уплотнительное кольцо AT124574
25 - Редукционный клапан AT169153 Примечание:(2500 PSI)
26 - Защитное кольцо T154187
27 - Уплотнительное кольцо AT124574
28 - Комплект уплотн. колец AT170991
29 - Комплект уплотн. колец AT170991
Наверх
Секция впуска (клапан сервоуправления захватом) - ST144931
![Джон Дир 648H Секция впуска (клапан сервоуправления захватом) Секция впуска (клапан сервоуправления захватом)]()
1 - Контр. клап. с гидропр. AT312342
2 - Контр. клап. с гидропр. AT169156 Примечание:(3500 PSI)
3 - Уплотнительное кольцо U12547
4 - Втулка T213966
5 - Пружина сжатия T204254
6 - Сетчатый фильтр T214264
7 - Втулка F034188
8 - Пружина сжатия T214265
9 - Фитинг T58477
10 - Уплотнительное кольцо R26906
11 - Фитинг AT63271
12 - Уплотнительное кольцо R26375
13 - Заглушка AT216586 Количество:3
14 - Кольцо T103464
15 - Сальник T103465 Количество:3
16 - Уплотнительное кольцо T169957 Количество:4
Наверх
Секция отвала (клапан сервоуправления захватом) - ST145093
![Джон Дир 648H Секция отвала (клапан сервоуправления захватом) Секция отвала (клапан сервоуправления захватом)]()
1 - Золотниковый клапан AT312341
2 - Уплотнительное кольцо T107282 Количество:2
3 - Защитное кольцо T107284
4 - Сальник T152782
5 - Пластина T107283
6 - Пластина T152732
7 - Болт T107280
8 - Круглый стопор T107281 Количество:2
9 - Пружина T107285
10 - Колпачок T213428
11 - Уплотнение T152729
12 - Винт 19H2924 Количество:2 Примечание:1/4" X 3/4"
13 - Винт 19H2925 Количество:2 Примечание:0.190" X 1/2"
14 - Пробка сливного отверстия T103366
15 - Уплотнительное кольцо U12547
16 - Пружина T103365
17 - Тарельчатый клапан T103364
18 - Кольцо T103464
19 - Сальник T103465 Количество:3
20 - Редукционный клапан AT169149 Количество:2 Примечание:(3500 PSI)
21 - Защитное кольцо T154187 Количество:2
22 - Уплотнительное кольцо AT124574 Количество:2
23 - Комплект уплотн. колец AT170991 Количество:2
Наверх
Секция клещевого устройства (клапан сервоуправления захватом) - ST146020
![Джон Дир 648H Секция клещевого устройства (клапан сервоуправления захватом) Секция клещевого устройства (клапан сервоуправления захватом)]()
1 - Электромагн. гидр. клапан AT408882 Примечание:SUB FOR AT312691 THIS APPLICATION
2 - Катушка эл/магн. клапана AT312682
3 - Соленоид AT318991 Примечание:Смыкание челюстей
3 - Комплект уплотнений AT319043
4 - Стопор T215066
5 - Винт с головкой F308978 Количество:2
6 - Уплотнительное кольцо T169957 Количество:3
7 - Стопорная шайба T166757 Количество:2
8 - Винт 19H2932 Примечание:1/4" X 1"
9 - Винт 19H3095 Примечание:1/4" X 2-3/4"
10 - Втулка T214022
11 - Уплотнительное кольцо T77928
12 - Уплотнительное кольцо H84318
13 - Винт T214056
14 - Шайба T103088
15 - Гильза T214055
16 - Стопор T214054
17 - Пружина сжатия T214053
18 - Пружина сжатия T214052
19 - Фитинг AT63271
20 - Уплотнительное кольцо R26375
21 - Уплотнительное кольцо T186658
22 - Защитное кольцо T107284
23 - Катушка эл/магн. клапана AT312683
24 - Соленоид AT318991 Примечание:Размыкание челюстей
24 - Комплект уплотнений AT319043
25 - Стопор T215066
26 - Винт с головкой F308978 Количество:2
27 - Уплотнительное кольцо T169957 Количество:3
28 - Стопорная шайба T166757 Количество:2
29 - Винт 19H2932 Примечание:1/4" X 1"
30 - Винт 19H3095 Примечание:1/4" X 2-3/4"
31 - Втулка T214022
32 - Уплотнительное кольцо T77928
33 - Уплотнительное кольцо H84318
34 - Фитинг AT63271
35 - Уплотнительное кольцо R26375
36 - Уплотнительное кольцо T186658
37 - Защитное кольцо T107284
38 - Тарельчатый клапан T103364
39 - Пружина T103365
40 - Уплотнительное кольцо U12547
41 - Пробка сливного отверстия T103366
42 - Сальник T103465 Количество:3
43 - Кольцо T103464
44 - Редукционный клапан AT169154 Примечание:4000 PSI
45 - Уплотнительное кольцо U12547
46 - Защитное кольцо T154187
47 - Уплотнительное кольцо AT124574
48 - Редукционный клапан AT169149 Примечание:3500 PSI
49 - Защитное кольцо T154187
50 - Уплотнительное кольцо AT124574
51 - Комплект уплотн. колец AT170991
52 - Комплект уплотн. колец AT170991
Наверх
Гидролинии управления кабины (однофункциональные) - ST130845
![Джон Дир 648H Гидролинии управления кабины (однофункциональные) Гидролинии управления кабины (однофункциональные)]()
1 - Гидрошланг AT306838 Примечание:17.4752" X 355 mm (14") X 9/16"
2 - Гидрошланг AT306839 Примечание:17.4752" X 711 mm (28") X 9/16"
3 - Гидрошланг AT136357 Примечание:9/16" X 400 mm (15-3/4") X 9/16"
4 - Гидрошланг AT318802 Примечание:17.4752" X 425 mm (16-3/4") X 17.4752"
Наверх
Гидролинии управления кабины (двухфункциональные) - ST130832
![Джон Дир 648H Гидролинии управления кабины (двухфункциональные) Гидролинии управления кабины (двухфункциональные)]()
1 - Гидрошланг AT306838
2 - Гидрошланг AT306839
3 - Гидрошланг AT306839
4 - Гидрошланг AT136357
5 - Гидрошланг AT136357
6 - Гидрошланг AT318802
Наверх
Гидролинии сервоуправления машины (двухфункциональные) - ST126697
![Джон Дир 648H Гидролинии сервоуправления машины (двухфункциональные) Гидролинии сервоуправления машины (двухфункциональные)]()
1 - Фитинг AT315363
2 - Гайка T81029 Количество:2
3 - Ручной клапан AT312849
4 - Тройник 38H1031
5 - Уплотнительное кольцо T77857 Количество:2
6 - Обратный клапан AT386002
7 - Тройник 38H1030 Количество:3
8 - Уплотнительное кольцо T77613 Количество:6
9 - Обратный клапан AT84495
10 - Уплотнительное кольцо T77613 Количество:2
11 - Коленчатый патрубок 38H1094
12 - Уплотнительное кольцо T77613
13 - Гидрошланг AT325620
14 - Гидрошланг AT321322
15 - Гидрошланг AT181497
16 - Гидрошланг AT371993 Примечание:Сваривать, (SUB FOR AT371284)
17 - Гидрошланг AT395269 Примечание:(SUB FOR AT371285)
Наверх
Линии сервоуправления машины (однофункциональные) - ST126705
![Джон Дир 648H Линии сервоуправления машины (однофункциональные) Линии сервоуправления машины (однофункциональные)]()
1 - Гайка T81029 Количество:2
2 - Фитинг AT315363
3 - Ручной клапан AT312849
4 - Тройник 38H1031
5 - Уплотнительное кольцо T77857 Количество:2
6 - Тройник 38H1030 Количество:3
7 - Уплотнительное кольцо T77613 Количество:6
8 - Коленчатый патрубок 38H1094
9 - Уплотнительное кольцо T77613
10 - Обратный клапан AT386002
11 - Гидрошланг AT325620
12 - Гидрошланг AT181497
13 - Гидрошланг AT395269 Примечание:(SUB FOR AT371285)
14 - Гидрошланг AT371993 Примечание:Сваривать
15 - Обратный клапан AT84495
16 - Уплотнительное кольцо T77613 Количество:2
17 - Гидрошланг AT321322
Наверх
Линии арки и стрелы (двухфункциональные) - ST130835
![Джон Дир 648H Линии арки и стрелы (двухфункциональные) Линии арки и стрелы (двухфункциональные)]()
1 - Тройник 38H1543 Количество:4
2 - Уплотнительное кольцо T77857 Количество:8
3 - Уплотнительное кольцо T77858 Количество:4
4 - Гайка T78707 Количество:4
5 - Коленчатый патрубок 38H1095
6 - Уплотнительное кольцо T77857
7 - Гидрошланг AT371154
8 - Гидрошланг AT371156
9 - Гидрошланг AT371155
10 - Гидрошланг AT199384
11 - Гидрошланг AT199394
12 - Гидрошланг AT380794
13 - Гидрошланг AT380909
14 - Гидрошланг AT199390
15 - Гидрошланг AT199393
16 - Гидрошланг AT371634
17 - Гидрошланг AT199387
18 - Гидрошланг AT361914
19 - Обвязной хомут H77698 Количество:4 Посмотреть аналогичные детали
Наверх
Трубопроводы цилиндра арки (однофункциональные) (большая рама) - ST130051
![Джон Дир 648H Трубопроводы цилиндра арки (однофункциональные) (большая рама) Трубопроводы цилиндра арки (однофункциональные) (большая рама)]()
1 - Тройник 38H1543 Количество:2
2 - Уплотнительное кольцо T77857 Количество:4
3 - Уплотнительное кольцо T77858 Количество:2
4 - Гайка T78707 Количество:2
5 - Гидрошланг AT199395
6 - Гидрошланг AT199396
7 - Гидрошланг AT199394 Примечание:Сваривать
8 - Гидрошланг AT199392 Примечание:Сваривать
9 - Гидрошланг AT199393 Примечание:Сваривать
10 - Гидрошланг AT199391 Примечание:Сваривать
11 - Обвязной хомут H77698 Количество:4 Посмотреть аналогичные детали
Наверх
Трубопроводы цилиндра захвата (однофункциональные) (большая рама) - ST130054
![Джон Дир 648H Трубопроводы цилиндра захвата (однофункциональные) (большая рама) Трубопроводы цилиндра захвата (однофункциональные) (большая рама)]()
1 - Штуцерное соединение 38H1272 Количество:2
2 - Уплотнительное кольцо T77858 Количество:4
3 - Тройник 38H1543
4 - Уплотнительное кольцо T77857 Количество:2
5 - Уплотнительное кольцо T77858
6 - Коленчатый патрубок 38H1095
7 - Уплотнительное кольцо T77857
8 - Гайка T78707 Количество:3
9 - Коленчатый патрубок 38H1324
10 - Уплотнительное кольцо T77858 Количество:2
11 - Коленчатый патрубок 38H1490
12 - Уплотнительное кольцо T77858 Количество:2
13 - Гидрошланг AT199379
14 - Гидрошланг AT199379
15 - Гидрошланг AT199381
16 - Гидрошланг AT199381
17 - Гидрошланг AT199384
18 - Гидрошланг AT199385
19 - Гидрошланг AT199405
20 - Гидрошланг AT356323
21 - Гидрошланг AT356337
22 - Гидрошланг AT313432
23 - Гидрошланг AT313432
24 - Гидрошланг AT326500
25 - Защитный шланг AT313439 Количество:4 Примечание:6 INCH
26 - Обвязной хомут H77698 2 Посмотреть аналогичные детали
Наверх
Линии цилиндра клещевого устройства (двухфункциональные) - ST130046
![Джон Дир 648H Линии цилиндра клещевого устройства (двухфункциональные) Линии цилиндра клещевого устройства (двухфункциональные)]()
1 - Тройник 38H1543
2 - Уплотнительное кольцо T77857 Количество:2
3 - Уплотнительное кольцо T77858
4 - Гайка T78707 Количество:4
5 - Коленчатый патрубок 38H1095
6 - Уплотнительное кольцо T77857
7 - Штуцерное соединение 38H1272
8 - Уплотнительное кольцо T77858 Количество:2
9 - Коленчатый патрубок 38H1490
10 - Уплотнительное кольцо T77858 Количество:2
11 - Винт 19M7866 Количество:2 Примечание:M8 X 20
12 - Гидрошланг AT199379
13 - Гидрошланг AT199379
14 - Гидрошланг AT199381
15 - Гидрошланг AT199381
16 - Гидрошланг AT371155
17 - Гидрошланг AT371154
18 - Гидрошланг AT313432
19 - Гидрошланг AT313432
20 - Гидрошланг AT326499
21 - Гидрошланг AT326503
22 - Защитный шланг AT313439 Количество:4 Примечание:6 INCH
23 - Гидрошланг AT356337
24 - Гидрошланг AT356323
25 - Обвязной хомут H77698 2 Посмотреть аналогичные детали
26 - Кронштейн AT307473
27 - Фитинг переходника 38H1276
28 - Уплотнительное кольцо T77858 Количество:2
29 - Коленчатый патрубок 38H1324
30 - Уплотнительное кольцо T77858 Количество:2
Наверх
Линии вращения и слива (однофункциональные) (прямой привод) - ST130815
![Джон Дир 648H Линии вращения и слива (однофункциональные) (прямой привод) Линии вращения и слива (однофункциональные) (прямой привод)]()
1 - Штуцерное соединение 38H1285 Количество:3
2 - Уплотнительное кольцо T77613 Количество:6
3 - Гайка T81029 Количество:3
4 - Коленчатый патрубок 38H1004
5 - Уплотнительное кольцо R26448
6 - Уплотнительное кольцо T77613
7 - Гидрошланг AT169939
8 - Гидрошланг AT169939
9 - Штуцерное соединение 38H1278 Количество:3
10 - Уплотнительное кольцо T77613 Количество:6
11 - Гидрошланг AT430152 Примечание:SUB FOR AT354006
12 - Фитинг переходника 38H1160
13 - Уплотнительное кольцо T77613
14 - Уплотнительное кольцо R26448
15 - Гидрошланг AT411007 Примечание:SUB FOR AT371006
16 - Гидрошланг AT371022
17 - Гидрошланг AT371022
18 - Тройник 38H1031
19 - Уплотнительное кольцо T77857 Количество:2
20 - Гидрошланг AT372112
21 - Гидрошланг AT372115
22 - Гидрошланг AT325836
23 - Гидрошланг AT325836
24 - Гидрошланг AT325840
25 - Гидрошланг AT393523 Примечание:SUB FOR AT376335
26 - Скоба RE67586
27 - Фланцевая гайка 14M7299 Примечание:M12
Наверх
Линии вращения и слива (однофункциональные) (гидротрансформатор) - ST130817
![Джон Дир 648H Линии вращения и слива (однофункциональные) (гидротрансформатор) Линии вращения и слива (однофункциональные) (гидротрансформатор)]()
1 - Штуцерное соединение 38H1285 Количество:3
2 - Уплотнительное кольцо T77613 Количество:6
3 - Гайка T81029 Количество:3
4 - Гидрошланг AT169939
5 - Гидрошланг AT169939
6 - Штуцерное соединение 38H1278 Количество:3
7 - Уплотнительное кольцо T77613 Количество:6
8 - Гидрошланг AT372112
9 - Гидрошланг AT430152 Примечание:SUB FOR AT354006
10 - Гидрошланг AT371022
11 - Гидрошланг AT371022
12 - Фитинг переходника 38H1160
13 - Уплотнительное кольцо T77613
14 - Уплотнительное кольцо R26448
15 - Тройник 38H1031
16 - Уплотнительное кольцо T77857 Количество:2
17 - Гидрошланг AT372115
18 - Гидрошланг AT325836
19 - Гидрошланг AT325836
20 - Гидрошланг AT325840
21 - Коленчатый патрубок 38H1004
22 - Уплотнительное кольцо R26448
23 - Уплотнительное кольцо T77613
24 - Гидрошланг AT411007 Примечание:SUB FOR AT371006
25 - Гидрошланг AT393523 Примечание:SUB FOR AT376335
26 - Скоба RE67586
27 - Фланцевая гайка 14M7299 Примечание:M12
Наверх
Линии вращения и слива (двухфункциональные) - ST127199
![Джон Дир 648H Линии вращения и слива (двухфункциональные) Линии вращения и слива (двухфункциональные)]()
1 - Штуцерное соединение 38H1285 Количество:3
2 - Уплотнительное кольцо T77613 Количество:6
3 - Гайка T81029 Количество:3
4 - Гидрошланг AT169939
5 - Гидрошланг AT169939
6 - Штуцерное соединение 38H1278 Количество:2
7 - Уплотнительное кольцо T77613 Количество:4
8 - Гидрошланг AT372112
9 - Гидрошланг AT325839
10 - Гидрошланг AT325839
11 - Гидрошланг AT325842
12 - Гидрошланг AT430152 Примечание:(SUB FOR AT354006)
13 - Гидрошланг AT371006
14 - Гидрошланг AT371022
15 - Гидрошланг AT371022
16 - Гидрошланг AT393523 Примечание:(SUB FOR AT376335)
17 - Фитинг переходника 38H1160
18 - Уплотнительное кольцо T77613
19 - Уплотнительное кольцо R26448
20 - Тройник 38H1031
21 - Уплотнительное кольцо T77857 Количество:2
22 - Гидрошланг AT372115
23 - Коленчатый патрубок 38H1004
24 - Уплотнительное кольцо R26448
25 - Уплотнительное кольцо T77613
Наверх
Линии вращения и слива (двухфункциональные) (628227 - ) - ST754655
![Джон Дир 648H Линии вращения и слива (двухфункциональные) (628227 Линии вращения и слива (двухфункциональные) (628227]()
1 - Штуцерное соединение 38H1285 Количество:3
2 - Уплотнительное кольцо T77613 Количество:6
3 - Гайка T81029 Количество:3
4 - Коленчатый патрубок 38H1004
5 - Уплотнительное кольцо R26448
6 - Уплотнительное кольцо T77613
7 - Гидрошланг AT169939
8 - Гидрошланг AT169939
9 - Штуцерное соединение 38H1278 Количество:3
10 - Уплотнительное кольцо T77613 Количество:6
11 - Гидрошланг AT325839
12 - Гидрошланг AT325839
13 - Гидрошланг AT325842
14 - Гидрошланг AT430152 Примечание:SUB FOR AT354006
15 - Фитинг переходника 38H1160
16 - Уплотнительное кольцо T77613
17 - Уплотнительное кольцо R26448
18 - Гидрошланг AT411007
19 - Гидрошланг AT371022
20 - Гидрошланг AT371022
21 - Тройник 38H1031
22 - Уплотнительное кольцо T77857 Количество:2
23 - Гидрошланг AT372112
24 - Гидрошланг AT372115
25 - Гидрошланг AT393523
26 - Скоба RE67586
27 - Фланцевая гайка 14M7299 Примечание:M12
Наверх
Линии вращения и слива (двухфункциональные) (прямой привод) - ST127967
![Джон Дир 648H Линии вращения и слива (двухфункциональные) (прямой привод) Линии вращения и слива (двухфункциональные) (прямой привод)]()
1 - Штуцерное соединение 38H1285 Количество:3
2 - Уплотнительное кольцо T77613 Количество:6
3 - Гайка T81029 Количество:3
4 - Коленчатый патрубок 38H1004
5 - Уплотнительное кольцо R26448
6 - Уплотнительное кольцо T77613
7 - Гидрошланг AT169939
8 - Гидрошланг AT169939
9 - Штуцерное соединение 38H1278 Количество:3
10 - Уплотнительное кольцо T77613 Количество:6
11 - Гидрошланг AT325839
12 - Гидрошланг AT325839
13 - Гидрошланг AT325842
14 - Гидрошланг AT430152 Примечание:SUB FOR AT354006
15 - Фитинг переходника 38H1160
16 - Уплотнительное кольцо T77613
17 - Уплотнительное кольцо R26448
18 - Гидрошланг AT393523 Примечание:SUB FOR AT376335
19 - Гидрошланг AT371006
20 - Гидрошланг AT371022
21 - Гидрошланг AT371022
22 - Тройник 38H1031
23 - Уплотнительное кольцо T77857 Количество:2
24 - Гидрошланг AT372112
25 - Гидрошланг AT372115
Наверх
Трубопроводы поворота и картера (двухфункциональные) (гидротрансформатор) (648227 - ) - ST754654
![Джон Дир 648H Трубопроводы поворота и картера (двухфункциональные) (гидротрансформатор) (648227 Трубопроводы поворота и картера (двухфункциональные) (гидротрансформатор) (648227]()
1 - Штуцерное соединение 38H1285 Количество:3
2 - Уплотнительное кольцо T77613 Количество:6
3 - Гайка T81029 Количество:3
4 - Гидрошланг AT169939
5 - Гидрошланг AT169939
6 - Штуцерное соединение 38H1278 Количество:3
7 - Уплотнительное кольцо T77613 Количество:6
8 - Гидрошланг AT372112
9 - Гидрошланг AT325839
10 - Гидрошланг AT325839
11 - Гидрошланг AT325842
12 - Гидрошланг AT430152 Примечание:SUB FOR AT354006
13 - Гидрошланг AT411007
14 - Гидрошланг AT371022
15 - Гидрошланг AT371022
16 - Фитинг переходника 38H1160
17 - Уплотнительное кольцо T77613
18 - Уплотнительное кольцо R26448
19 - Тройник 38H1031
20 - Уплотнительное кольцо T77857 Количество:2
21 - Гидрошланг AT372115
22 - Коленчатый патрубок 38H1004
23 - Уплотнительное кольцо R26448
24 - Уплотнительное кольцо T77613
25 - Гидрошланг AT393523
26 - Скоба RE67586
27 - Фланцевая гайка 14M7299 Примечание:M12
Наверх
Трубопроводы цилиндра захвата, одна функция, большая рама - ST811125
![Джон Дир 648H Трубопроводы цилиндра захвата, одна функция, большая рама Трубопроводы цилиндра захвата, одна функция, большая рама]()
1 - Штуцерное соединение 38H1272 Количество:2
2 - Уплотнительное кольцо T77858 Количество:4
3 - Коленчатый патрубок 38H1324
4 - Уплотнительное кольцо T77858 Количество:2
5 - Гайка T78707 Количество:2
6 - Коленчатый патрубок 38H1490
7 - Уплотнительное кольцо T77858 Количество:2
8 - Гидрошланг AT199384 Примечание:Двухфункциональный контроллер контура управления
9 - Гидрошланг AT199385 Примечание:Двухфункциональный контроллер контура управления
10 - Гидрошланг AT199405
11 - Гидрошланг AT356323
12 - Гидрошланг AT356337
13 - Гидрошланг AT326500
14 - Защитный шланг AT313439 Количество:4
15 - Обвязной хомут H77698 2 Посмотреть аналогичные детали
16 - Коллектор AT445414
16 - Комплект уплотнений AT413914 Примечание:Не показано
17 - Фитинг переходника 38H1163 Количество:2
18 - Уплотнительное кольцо T77858 Количество:2
19 - Уплотнительное кольцо U12547 Количество:2
20 - Коленчатый патрубок 38H1007
21 - Уплотнительное кольцо U12547
22 - Уплотнительное кольцо T77858
23 - Коленчатый патрубок 38H1045
24 - Уплотнительное кольцо T77613
25 - Уплотнительное кольцо R26448
26 - Винт с головкой 19M8190 Количество:2 Примечание:M16 X 180
27 - Фитинг переходника 38H1215
28 - Уплотнительное кольцо T77858
29 - Уплотнительное кольцо U12547
30 - Гидрошланг AT313432 Примечание:Поперечина с втулкой
31 - Гидрошланг AT313432 Примечание:Поперечина с втулкой
32 - Заглушка фитинга 38H1149 Количество:2
33 - Уплотнительное кольцо T77858 Количество:2
34 - Обвязной хомут R44302 Посмотреть аналогичные детали
Наверх
Цилиндры для грейфера (12,5 кв. фута, 125 дюймов) - ST127971
![Джон Дир 648H Цилиндры для грейфера (12,5 кв. фута, 125 дюймов) Цилиндры для грейфера (12,5 кв. фута, 125 дюймов)]()
1 - Гидравлический цилиндр AH231019 Количество:2 Примечание:Компоненты перечислены на отдельных стр.
2 - Смазочная арматура JD7759 Количество:4
3 - Коленчатый патрубок 38H1005 Количество:2
4 - Уплотнительное кольцо R26375 Количество:2
5 - Уплотнительное кольцо T77857 Количество:2
6 - Коленчатый патрубок 38H1013 Количество:2
7 - Уплотнительное кольцо T77857 Количество:2
8 - Уплотнительное кольцо U12547 Количество:2
Наверх
Компоненты цилиндра грейфера (12,5 КВ. ФУТА, 125 ДЮЙМОВ), 115 x 63 - ST149665
![Джон Дир 648H Компоненты цилиндра грейфера (12,5 КВ. ФУТА, 125 ДЮЙМОВ), 115 x 63 Компоненты цилиндра грейфера (12,5 КВ. ФУТА, 125 ДЮЙМОВ), 115 x 63]()
1 - Гидравлический цилиндр AH231019 Примечание:115 X 63, Используйте с грейфером 12,5 кв. фута
2 - Гильза гидравл. цилиндра AH229002
3 - Стержень AH229003
4 - Втулка T143106
5 - Направл. штока гидроцил. HC15854
6 - Защитное кольцо H151891
7 - Уплотнительное кольцо T38485
8 - Сальник AH146563
9 - Компенсационное кольцо H152796
10 - Сальник H152205
11 - Сальник AHC10932
12 - Поршень AH229088 Примечание:Составной узел
13 - Шайба H145139
14 - Винт с головкой H145161
15 - Гайка H180432
16 - Уплотнительное кольцо T12275
17 - Гидравлический цилиндр AH231019
18 - Комплект гидроцилиндров AH149815 Примечание:Тяга
19 - Комплект гидроцилиндров AH212103 Примечание:Отверстие
Наверх
Цилиндры для грейфера (10,4 кв. фута, 115 дюймов) - ST127972
![Джон Дир 648H Цилиндры для грейфера (10,4 кв. фута, 115 дюймов) Цилиндры для грейфера (10,4 кв. фута, 115 дюймов)]()
1 - Гидравлический цилиндр AH209813 Количество:2 Примечание:Компоненты перечислены на отдельных стр.
2 - Коленчатый патрубок 38H1013 Количество:2
3 - Уплотнительное кольцо T77857 Количество:2
4 - Уплотнительное кольцо U12547 Количество:2
5 - Фитинг переходника 38H1175 Количество:2
6 - Уплотнительное кольцо T77857 Количество:2
7 - Уплотнительное кольцо U12547 Количество:2
8 - Смазочная арматура JD7759 Количество:4
Наверх
Компоненты цилиндра грейфера, 100 x 50 - ST142009
![Джон Дир 648H Компоненты цилиндра грейфера, 100 x 50 Компоненты цилиндра грейфера, 100 x 50]()
2 - Шток гидравлич. цилиндра AH143918
3 - Втулка R97727
4 - Поршень AH205062
5 - Сальник AH146557
6 - Сальник AH146561
7 - Уплотнительное кольцо F950R
8 - Сальник H152203
9 - Пружинное кольцо H180080
10 - Пружинное кольцо H180094
11 - Компенсационное кольцо H208987
12 - Направл. штока гидроцил. H208995
13 - Защитное кольцо R81862
24 - Гайка H170539
25 - Сальник ......
26 - Сальник ......
27 - Уплотнительное кольцо ......
30 - Гидравлический цилиндр AH209813 Примечание:100 X 50, Используйте с грейфером 10,4 кв. фута
31 - Комплект гидроцилиндров AH210484 Примечание:Тяга
32 - Комплект гидроцилиндров AH212102 Примечание:Отверстие
Наверх
Цилиндры для грейфера (14,9 кв. фута, 127 дюймов) - ST793951
![Джон Дир 648H Цилиндры для грейфера (14,9 кв. фута, 127 дюймов) Цилиндры для грейфера (14,9 кв. фута, 127 дюймов)]()
1 - Гидравлический цилиндр AHC15842 Количество:2 Примечание:Перечень узлов указан на отдельной странице, SUB FOR AH231020
2 - Смазочная арматура JD7759 Количество:4
3 - Коленчатый патрубок 38H1005 Количество:2
4 - Уплотнительное кольцо R26375 Количество:2
5 - Уплотнительное кольцо T77857 Количество:2
6 - Коленчатый патрубок 38H1013 Количество:2
7 - Уплотнительное кольцо T77857 Количество:2
8 - Уплотнительное кольцо U12547 Количество:2
Наверх
Grapple Cylinder Components, 125 X 75 - ST793952 ( Грейфер Компонентов Цилиндра, Х - )
![Джон Дир 648H Grapple Cylinder Components, 125 X 75 Grapple Cylinder Components, 125 X 75]()
1 - Гидравлический цилиндр AHC15842 Примечание:125 X 75, Use with 14.9 sq ft Grapple, SUB FOR AH231020
2 - Гильза гидравл. цилиндра AH221695
3 - Шток гидравлич. цилиндра AH209764
4 - Втулка T143106
5 - Направл. штока гидроцил. H155770
6 - Защитное кольцо H151890
7 - Уплотнительное кольцо R72032
8 - Сальник AH146559
9 - Сальник H152205
10 - Компенсационное кольцо H152796
11 - Сальник AH146563
12 - Сальник H155660
13 - Защитное кольцо H155661
14 - Сальник RE30162
15 - Компенсационное кольцо R90653
16 - Поршень AH229015
17 - Шайба H145139
18 - Винт с головкой H145161
19 - Гайка H180324
20 - Уплотнительное кольцо E52687
21 - Комплект гидроцилиндров AH149815 Примечание:Тяга
22 - Комплект гидроцилиндров AH163672 Примечание:Отверстие
Наверх
Цилиндры арки, однофункциональные - ST127980
![Джон Дир 648H Цилиндры арки, однофункциональные Цилиндры арки, однофункциональные]()
1 - Гидравлический цилиндр AH215485 Примечание:АркаRКомпоненты перечислены на отдельной странице, SUB FOR AH215209
2 - Гидравлический цилиндр AH215479 Примечание:АркаLHКомпоненты перечислены на отдельной странице, SUB FOR AT215207
3 - Крепление со штифтом T147990 Количество:4
4 - Винт с головкой T142262 Количество:4
5 - Упорная шайба T163930 8
6 - Коленчатый патрубок 38H1013 Количество:2
7 - Уплотнительное кольцо T77857 Количество:2
8 - Уплотнительное кольцо U12547 Количество:2
9 - Фитинг переходника 38H1175 Количество:2
10 - Уплотнительное кольцо T77857 Количество:2
11 - Уплотнительное кольцо U12547 Количество:2
12 - Стопорная гайка 14M7319 Количество:4 Примечание:M12
Наверх
Цилиндры арки и стрелы, двухфункциональные - ST127974
![Джон Дир 648H Цилиндры арки и стрелы, двухфункциональные Цилиндры арки и стрелы, двухфункциональные]()
1 - Гидравлический цилиндр AH215485 Примечание:АркаRКомпоненты перечислены на отдельной странице, SUB FOR AH215209
2 - Гидравлический цилиндр AH215479 Примечание:АркаLHКомпоненты перечислены на отдельной странице, SUB FOR AT215207
3 - Гидравлический цилиндр AH215291 Количество:2 Примечание:СтрелаКомпоненты перечислены на отдельной странице
4 - Крепление со штифтом T147990 Количество:8
5 - Винт с головкой T142262 Количество:8
6 - Упорная шайба T163930 Количество:28
7 - Коленчатый патрубок 38H1013 Количество:4
8 - Уплотнительное кольцо T77857 Количество:4
9 - Уплотнительное кольцо U12547 Количество:4
10 - Фитинг переходника 38H1175 Количество:4
11 - Уплотнительное кольцо T77857 Количество:4
12 - Уплотнительное кольцо U12547 Количество:4
13 - Стопорная гайка 14M7319 Количество:8 Примечание:M12
Наверх
Цилиндры стрелы (двухфункциональные) (повышенная производительность) - ST128306
![Джон Дир 648H Цилиндры стрелы (двухфункциональные) (повышенная производительность) Цилиндры стрелы (двухфункциональные) (повышенная производительность)]()
1 - Гидравлический цилиндр AH215485 Примечание:АркаКомпоненты перечислены на отдельных стр., (RH)
2 - Гидравлический цилиндр AH215479 Примечание:АркаКомпоненты перечислены на отдельных стр., (LH)
3 - Гидравлический цилиндр AH227744 Количество:2 Примечание:СтрелаКомпоненты перечислены на отдельных стр.
4 - Коленчатый патрубок 38H1013 Количество:4
5 - Уплотнительное кольцо T77857 Количество:4
6 - Уплотнительное кольцо U12547 Количество:4
7 - Фитинг переходника 38H1175 Количество:4
8 - Уплотнительное кольцо T77857 Количество:4
9 - Уплотнительное кольцо U12547 Количество:4
10 - Крепление со штифтом T142303 Количество:8
11 - Винт с головкой T142262 Количество:8
12 - Упорная шайба T163930 Количество:24
13 - Стопорная гайка 14M7319 Количество:8 Примечание:M12
Наверх
Компоненты арки цилиндра 100X56-765,5, 1161 - ST141531
![Джон Дир 648H Компоненты арки цилиндра 100X56-765,5, 1161 Компоненты арки цилиндра 100X56-765,5, 1161]()
1 - Стопорная гайка H170540 Примечание:SUB FOR H180093
1 - Гайка H180093
2 - Шток гидравлич. цилиндра AH135328
3 - Сальник AH146558
4 - Сальник AH146562
5 - Сальник H152204
6 - Компенсационное кольцо H152795
7 - Поршень AH166637
8 - Уплотнительное кольцо F950R
9 - Пружинное кольцо H180080
10 - Пружинное кольцо H180094
11 - Направл. штока гидроцил. H210826
12 - Защитное кольцо R81862
13 - Гильза гидравл. цилиндра AH215231 Примечание:(RH)
13 - Гильза гидравл. цилиндра AH215230 Примечание:(LH)
14 - Сальник ......
15 - Защитное кольцо ......
16 - Уплотнительное кольцо ......
17 - Комплект гидроцилиндров AH149814 Примечание:Уплотнение тяги
18 - Комплект гидроцилиндров AH212102 Примечание:Уплотнение отверстия
20 - Гидравлический цилиндр AH215485 Примечание:R, SUB FOR AH215209
20 - Гидравлический цилиндр AH215479 Примечание:LH, SUB FOR AT215207
Наверх
Компоненты цилиндра стрелы (двухфункциональные) (стандартная производительность) - ST142010
![Джон Дир 648H Компоненты цилиндра стрелы (двухфункциональные) (стандартная производительность) Компоненты цилиндра стрелы (двухфункциональные) (стандартная производительность)]()
1 - Гидравлический цилиндр AH215291
2 - Поршень AH166637
3 - Сальник AH146558
4 - Сальник AH146562
5 - Уплотнительное кольцо F950R
6 - Сальник H152204
7 - Компенсационное кольцо H152795
8 - Пружинное кольцо H180080
9 - Пружинное кольцо H180094
10 - Направл. штока гидроцил. H210826
11 - Защитное кольцо R81862
12 - Шток гидравлич. цилиндра AH213320
13 - Гильза гидравл. цилиндра ......
14 - Шайба H145175
15 - Винт с головкой 19M8353 Примечание:M30 X 80
16 - Уплотнительное кольцо H210686
17 - Сальник ......
18 - Защитное кольцо ......
25 - Комплект гидроцилиндров AH212102 Примечание:Отверстие
26 - Комплект гидроцилиндров AH149814 Примечание:Тяга
Наверх
Компоненты цилиндра стрелы (двухфункциональные) (повышенная производительность) - ST142043
![Джон Дир 648H Компоненты цилиндра стрелы (двухфункциональные) (повышенная производительность) Компоненты цилиндра стрелы (двухфункциональные) (повышенная производительность)]()
1 - Сальник RE20809
2 - Компенсационное кольцо R82095
3 - Поршень R98329
4 - Сальник AH146559
5 - Сальник AH146563
6 - Сальник H152205
7 - Компенсационное кольцо H152796
8 - Пружинное кольцо H179659
9 - Пружинное кольцо H180100
10 - Направл. штока гидроцил. H210842
11 - Защитное кольцо R79001
12 - Уплотнительное кольцо U10746
13 - Шайба H145139
14 - Винт с головкой H145161
15 - Сальник ......
16 - Защитное кольцо ......
17 - Сальник ......
18 - Защитное кольцо ...... Количество:2
19 - Сальник ......
20 - Уплотнительное кольцо R83578
30 - Гидравлический цилиндр AH227744
32 - Комплект гидроцилиндров AH149815 Примечание:Тяга
34 - Комплект гидроцилиндров AH212103 Примечание:Отверстие
35 - Гильза гидравл. цилиндра AH227743
36 - Стержень AH227742
Наверх
Мотор вращения круга - ST128311
![Джон Дир 648H Мотор вращения круга Мотор вращения круга]()
1 - Гидравлический мотор AT315330
1 - Комплект уплотнений TCA16283
2 - Редукционный клапан AT326763
2 - Комплект уплотн. колец AE71183
3 - Винт 19M7814 Количество:2 Примечание:M12 X 50
4 - Тройник 38H1016
5 - Уплотнительное кольцо R26448
6 - Уплотнительное кольцо T77613 Количество:2
7 - Тройник 38H1017 Количество:2
8 - Уплотнительное кольцо R26375 Количество:2
9 - Уплотнительное кольцо T77857 Количество:4
10 - Крышка R77175 Количество:2
11 - Диагностическая муфта RE43774 Количество:2
12 - Шайба T29342 Количество:2
Наверх