Содержимое: Каталог Запчастей John Deere :753J753JH Tracked Feller BuncherHarvester (S.N. -220452) - PC10034 16 Электросистемы машины 1671 Аккумуляторные батареи, опора и кабели
Cables and Mounting, Battery - ST76437 ( Кабели и крепления, аккумуляторная батарея - )
Генератор переменного тока (80 А) - ST76438
Lights - ST76439 ( Света - )
Освещение машины - ST76440
Upper Cab - ST76441 ( Верхний Кабина - )
Air Ride Seat Harness (Feller Buncher) - ST551455 ( Пневматической Подвеской Проводов Сиденья (Валочно-Пакетирующая Машина) - )
Electrical System - UpperEnclosure - ST76442 ( Электрическая Система - UpperEnclosure - )
Electrical System - Turntable - ST76443 ( Электрическая Система - Проигрыватель - )
Electrical System - Hydraulic Tank - ST76444 ( Электрическая Система - Гидравлический Бак - )
Electrical System - Foot Pedal - ST76445 ( Электрическая Система - Педаль - )
Электросистема — вентилятор Flexxaire - ST76446
Engine Wiring - ST76447 ( Проводка Двигателя - )
Жгут проводки - ST76448
Electrical System - Feller Buncher ( - 172294) - ST76449 ( Электрическая Система - Валочно-Пакетирующая Машина ( - ) - )
Electrical System - Feller Buncher (172295 - ) - ST76450 ( Электрическая Система - Валочно-Пакетирующая Машина ( - ) - )
Разъемы жгута проводов клапана навесного оборудования - ST864428
Electrical System - Harvester - Cab - ST76451 ( Электрическая Система - Комбайн - Такси - )
Электросистема — комбайн — шасси - ST76453
Electrical System - Harvester - Hydraulic Tank - ST76454 ( Электрическая Система - Комбайн - Гидравлический Бак - )
Timberrite (T30) System - Computer Mounting Hardware ( - XXXXXX) - ST76455 ( Timberrite () системы крепления ( - ХХХХХХ) - )
Timberrite (T30) System - Computer Mounting Hardware (XXXXXX - ) - ST76456 ( Timberrite () системы - Установка компьютерного оборудования (ХХХХХХ - ) - )
Timberrite (T30) System - Computer Hardware - ST76457 ( Timberrite () Система - Вычислительная Техника - )
Electrical Panel and Gauge - ST166434 ( Электрические панели и датчика - )
Электрический блок - ST76459
Cables and Mounting, Battery - ST76437 ( Кабели и крепления, аккумуляторная батарея - )
![Джон Дир 753J Cables and Mounting, Battery Cables and Mounting, Battery]()
1 - Гайка 14H1042 Примечание:5/16"
2 - Фланцевая гайка 14M7518 Количество:3 Примечание:M10
3 - Хомут T256417
4 - Винт 19M7785 Примечание:M10 X 25
5 - Болт 19M7791 Количество:4 Примечание:M12 X 40
6 - Винт 19M7881 Количество:2 Примечание:M8 X 20
7 - Ручка T254998 Примечание:SUB FOR 700301900
8 - Обвязной хомут R44302 Количество:2 Посмотреть аналогичные детали
9 - Зажимная скоба T27550 Примечание:SUB FOR T140924
10 - Шайба 24M7036 Примечание:9 X 16 X 1.600 mm
11 - Изолятор ....... Примечание:MAKE FROM T61861, CTL 0.76 m (2.5 ft)
13 - Шайба 24M7240 Количество:2 Примечание:13 X 25 X 3 mm, SUB FOR F123561
15 - Кронштейн T250496 Примечание:SUB FOR F384860
16 - Кабель аккумулятора F386554 Примечание:Соединение батарей
17 - Кабель аккумулятора F386555 Примечание:Соединение батареи с реле батареи
18 - Кабель аккумулятора F386556 Примечание:Starter To Battery Relay
19 - Кабель аккумулятора F386557 Примечание:Соединение батареи с землей
20 - Кабель аккумулятора F386581 Примечание:Хомут заземл. стартера
21 - Крышка AT363595 Примечание:SUB FOR F386896
22 - Шпилька F386970
23 - Аккумуляторный ящик F388522
25 - Батарея сухой зарядки TY25879 Количество:2 Примечание:31 Cold Cranking Amps at 0°F (-18°C), 925-Minute Reserve Capacity at 25 Amps, ALSO ORDER TY25913; SUB FOR AT317963, RE161644 AND TY6128
25 - Войлок TY25913 Примечание:Защита контактаОтрицательныйНе показано, SUB FOR TY15733 AND TY25768
Наверх
Генератор переменного тока (80 А) - ST76438
![Джон Дир 753J Генератор переменного тока (80 А) Генератор переменного тока (80 А)]()
1 - Гайка 14M7297 Количество:4 Примечание:M5
2 - Винт с головкой 19H2472 Примечание:1/2" X 1"
3 - Шайба R70663 Примечание:(SUB FOR 810011600)
4 - Гайка 14H1047 Примечание:7/16"
5 - Обвязной хомут R44302 Количество:2 Посмотреть аналогичные детали
6 - Шайба 24M7027 Количество:4 Примечание:5.300 X 10 X 1 mm
7 - Гайка 14M7272 Примечание:M6
8 - Винт 19H3854 Примечание:1/2" X 1-1/4"
9 - Сито AT160704
10 - Генератор переменн. тока TY25955
11 - Шайба 810183200
12 - Стопорная гайка B30434 Примечание:15.875 mm (5/8")
13 - Фланцевая гайка E62934 Количество:2 Примечание:12.700 mm (1/2")
14 - Уплотнение F123217
15 - Проволочный вывод F387637
16 - Шкив R128859
17 - Жгут проводов RE505489 Примечание:Не показано
18 - Клиновой ремень T178416 Примечание:2555 X 28.480 mm (100.591" X 1.121")
19 - Винт 19H3619 Примечание:1/2" X 1-3/4"
20 - Винт 19H3890
Наверх
Lights - ST76439 ( Света - )
![Джон Дир 753J Lights Lights]()
1 - Фланцевая гайка 14M7296 Количество:6 Примечание:M10
2 - Винт 19M7785 2 Примечание:M10 X 25
3 - Прожектор F125499 Количество:5
4 - Винт с головкой 19M7402 Количество:5 Примечание:M10 X 25
5 - Зажимная скоба F125538 Количество:2
6 - Прожектор F125929
7 - Кронштейн F392540 Количество:2
8 - Сито F399049
10 - Шайба T105740 8 Примечание:11.400 X 25.400 X 2.286 mm (0.449" X 1" X 0.090")
11 - Пластина F385754 Количество:2
Наверх
Освещение машины - ST76440
![Джон Дир 753J Освещение машины Освещение машины]()
1 - Фланцевая гайка 14M7296 Примечание:M10, (SUB FOR 14M7274)
2 - Фланцевая гайка 14M7518 Количество:3 Примечание:M10
3 - Винт 19M7783 Примечание:M10 X 16
4 - Прожектор F125499 Количество:2
5 - Прожектор F125500 Количество:3
6 - Зажимная скоба F125538 Количество:4
7 - Кронштейн F392540 Количество:2
8 - Кронштейн F392541 Количество:2
9 - Труба F393748
10 - Болт F012699
11 - Винт с барашком T160108 Примечание:M8 X 25
Наверх
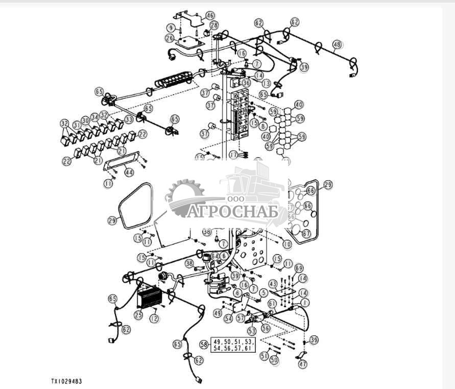
Upper Cab - ST76441 ( Верхний Кабина - )
![Джон Дир 753J Upper Cab Upper Cab]()
1 - Гайка 14H605 Количество:4 Примечание:0.164"
2 - Гайка 14M7100 Количество:4 Примечание:M4
3 - Фланцевая гайка 14M7296 Примечание:M10
4 - Фланцевая гайка 14M7518 Примечание:M10
5 - Винт 19M7775 Количество:2 Примечание:M6 X 16
6 - Винт 19M7783 Количество:2 Примечание:M10 X 16
7 - Винт 19M7784 Количество:3 Примечание:M10 X 20
8 - Винт 19M8092 Количество:3 Примечание:M6 X 50
9 - Винт 21M7248 Количество:2 Примечание:M6 X 30
10 - Винт 21M7250 Количество:4 Примечание:M4 X 12
11 - Винт 19M7862 4 Примечание:M6 X 20, (SUB FOR 21M7267)
12 - Винт 21M7271 Количество:4 Примечание:M5 X 16
13 - Винт 21M7475 Примечание:M4 X 35
14 - Шайба 24M7027 Количество:9 Примечание:5.300 X 10 X 1 mm
15 - Шайба 24H1287 3 Примечание:9/32" X 5/8" X 0.065"
16 - Шайба 24M7239 Количество:3 Примечание:10.700 X 21 X 2.500 mm
17 - Плавкий предохранитель 57M7121 Количество:6 Посмотреть аналогичные детали
18 - Плавкий предохранитель 57M7125 Количество:2
21 - Коробка 811866800 Количество:6
22 - Коробка 811866900 Количество:2
23 - Плавкий предохранитель 99M7065 Посмотреть аналогичные детали
25 - Преобразователь AT224894
26 - Лампа AT224923
26 - Лампа накаливания AT173355
28 - Тумблер/кулисный переключ. RE48838 Примечание:Потолочная лампа
29 - Уплотнитель T63019 Примечание:15240 mm (600"), (SUB FOR T59938)
30 - Переключатель F120938 Примечание:Скорость нагнетательного вентилятора
30 - Лампа накаливания F434492
31 - Переключатель F120939 Примечание:Вентилятор
31 - Лампа накаливания F434492
32 - Переключатель F120941 Количество:4
32 - Лампа накаливания F434492 Количество:4
33 - Переключатель F120947 Примечание:Переключатель дверцы отсека двигателя
33 - Лампа накаливания F434492
34 - Переключатель F120949
34 - Лампа накаливания F434492
36 - Модуль F123761
37 - Противовес F123801 Количество:3
38 - Вспом. электр. разъем 57M9649 Количество:2 Примечание:(SUB FOR F125299)
39 - Зажимная скоба F125538 Количество:6
40 - Модуль F125907 Количество:3
41 - Жгут проводов AT434120 Примечание:Not Illustrated, (SUB FOR F382473)
42 - Пластина F382794
43 - Пластина F385823
44 - Пластина F386853
45 - Перемычка F387535 Примечание:Не показано
46 - Кронштейн F387753
47 - Кронштейн F392541
48 - Жгут проводов F395118 Примечание:Cab Main, (1)
49 - Фланцевая гайка 14M7375 Количество:8 Примечание:M5
50 - Винт 19M9384 Количество:8 Примечание:M5 X 45
51 - Шайба 24H1943 Количество:8 Примечание:3/16" X 3/8" X 0.040"
53 - Узел электрич. разъема 811147300 Количество:2
54 - Кронштейн F385822 Количество:2
55 - Зажимная скоба T43361
56 - Переключатель F123771
57 - Зажимная скоба AH87142
59 - Реле AT162863 1
61 - Жгут проводов F389080
62 - Обвязной хомут R44302 Количество:36 Посмотреть аналогичные детали
64 - Зажимная скоба T43361 Количество:2
65 - Уплотнение T153734 Количество:6
66 - Метка T186793 Количество:2
67 - Метка T206106 Количество:4
68 - Перегородка T229584
69 - Винт T82791 Количество:4 Примечание:4.166 X 16.002 mm (0.164" X 0.630")
Наверх
Air Ride Seat Harness (Feller Buncher) - ST551455 ( Пневматической Подвеской Проводов Сиденья (Валочно-Пакетирующая Машина) - )
![Джон Дир 753J Air Ride Seat Harness (Feller Buncher) Air Ride Seat Harness (Feller Buncher)]()
1 - Жгут проводов AT399022
2 - Узел электрич. разъема 57M7627
2 - Блок. устр. эл. разъема ... Примечание:(ORDER 57M8019)
2 - Клемма электр. разъема ... Количество:3 Примечание:(ORDER 10613362016)
3 - Узел электрич. разъема 57M7626
3 - Блок. устр. эл. разъема ... Примечание:(ORDER 57M7676)
3 - Клемма электр. разъема ... Количество:3 Примечание:(ORDER 10613361016)
4 - Клемма электр. разъема RE12363
4 - Клемма электр. разъема ... Количество:2 Примечание:(ORDER R78060)
4 - Уплотн. каб. эл. разъема ... Количество:2 Примечание:(ORDER 57M9218)
Наверх
Electrical System - UpperEnclosure - ST76442 ( Электрическая Система - UpperEnclosure - )
![Джон Дир 753J Electrical System Electrical System]()
26 - Жгут проводов F394362 Примечание:Turntable
27 - Жгут проводов F395102 Примечание:Гидравлический бак
27 - Узел электрич. разъема AT421721 Примечание:Four Way Plug Socket
28 - Жгут проводов F395116 Примечание:Ножная педаль
Наверх
Electrical System - Turntable - ST76443 ( Электрическая Система - Проигрыватель - )
![Джон Дир 753J Electrical System Electrical System]()
1 - Гайка 14M7139 Количество:4 Примечание:M4
2 - Гайка 14M7274 Количество:30 Примечание:M10
4 - Фланцевая гайка 14M7518 Примечание:M10
5 - Винт 19M7783 Количество:5 Примечание:M10 X 16
7 - Винт с головкой 19M7938 Количество:5 Примечание:M10 X 20
9 - Скоба T75197 Количество:4
10 - Шайба 24M7433 Количество:29 Примечание:10.500 X 20 X 2 mm
11 - Обвязной хомут R44302 Количество:37 Посмотреть аналогичные детали
13 - Скоба T78974 Количество:23
14 - Стопор T75266 Количество:2
17 - Винт 811872100 Количество:4
20 - Шайба R70663 Количество:29 Примечание:13.500 X 25.400 X 3.050 mm (17/32" X 1" X 0.120")
21 - Кронштейн F125299 Количество:3
22 - Зажимная скоба F125538 Количество:5
24 - Кронштейн F392540
25 - Кронштейн F392541 Количество:3
26 - Жгут проводов F394362 Примечание:Turntable
29 - Уплотнение R41440 Количество:2
30 - Уплотнение R65476 Количество:2
34 - Скоба R46667
35 - Зажимная скоба T27550 Количество:2
36 - Винт 19M7785 Примечание:M10 X 25
Наверх
Electrical System - Hydraulic Tank - ST76444 ( Электрическая Система - Гидравлический Бак - )
![Джон Дир 753J Electrical System Electrical System]()
2 - Гайка 14M7274 Количество:7 Примечание:M10
3 - Фланцевая гайка 14M7296 Примечание:M10
4 - Коленчатый патрубок F038305
4 - Сальник F038303
4 - Гайка F027029
5 - Винт 19M7783 Количество:3 Примечание:M10 X 16
6 - Винт 19M7784 Примечание:M10 X 20
8 - Шайба 24M7106 Примечание:10 X 18 X 2.500 mm
9 - Скоба T75197
10 - Шайба 24M7433 Количество:4 Примечание:10.500 X 20 X 2 mm
11 - Обвязной хомут R44302 Количество:3 Посмотреть аналогичные детали
12 - Зажимная скоба T27550 Количество:3 Примечание:SUB FOR T140924
13 - Скоба T78974 Количество:4
15 - Шланговый зажим XCL-12
16 - Скоба T74410
19 - Датчик F075563 Примечание:Hydraulic Level, SUB FOR F038342
19 - Кольцевой уплотнитель 51M4237
19 - Узел электрич. разъема AT421721 Примечание:Four Way Plug Socket
20 - Шайба R70663 Количество:4 Примечание:13.500 X 25.400 X 3.050 mm (17/32" X 1" X 0.120")
21 - Кронштейн F125299
22 - Зажимная скоба F125538 Количество:2
23 - Кронштейн F391024
25 - Кронштейн F392541 Количество:2
27 - Жгут проводов F395102 Примечание:Гидравлический бак
27 - Узел электрич. разъема AT421721 Примечание:Four Way Plug Socket
31 - Датчик температуры RE65836 Примечание:Гидравлическое масло
32 - Уплотнительное кольцо 51M7041 Примечание:11.300 X 2.200 mm
Наверх
Electrical System - Foot Pedal - ST76445 ( Электрическая Система - Педаль - )
![Джон Дир 753J Electrical System Electrical System]()
11 - Обвязной хомут R44302 Количество:3 Посмотреть аналогичные детали
28 - Жгут проводов F395116 Примечание:Ножная педаль
Наверх
Электросистема — вентилятор Flexxaire - ST76446
![Джон Дир 753J Электросистема — вентилятор Flexxaire Электросистема — вентилятор Flexxaire]()
1 - Обвязной хомут R44302 5 Посмотреть аналогичные детали
2 - Жгут проводов AT337729 Примечание:Flexxaire
3 - Плавкий предохранитель 99M7065 Посмотреть аналогичные детали
4 - Скоба F125748
Наверх
Engine Wiring - ST76447 ( Проводка Двигателя - )
![Джон Дир 753J Engine Wiring Engine Wiring]()
1 - Гайка 14M7274 Количество:6 Примечание:M10
2 - Фланцевая гайка 14M7296 Количество:9 Примечание:M10
3 - Фланцевая гайка 14M7608 Количество:2
4 - Винт с головкой 19H1822 Примечание:7/16" X 1"
5 - Винт с головкой 19H2676 Примечание:3/8" X 1"
6 - Винт с головкой 19H2710 Примечание:5/8" X 1-3/4"
7 - Винт 19M7783 Количество:3 Примечание:M10 X 16
8 - Винт 19M7784 Количество:7 Примечание:M10 X 20
9 - Винт 19M7785 Количество:2 Примечание:M10 X 25
10 - Винт 19M7862 Количество:2 Примечание:M6 X 20
11 - Шайба 24H1219 Примечание:7/16" X 1" X 0.083", Ground
12 - Шайба 24M7240 3 Примечание:13 X 25 X 3 mm
13 - Жгут проводов 700070600
14 - Обвязной хомут R44302 Количество:5 Примечание:(SUB FOR 810402100) Посмотреть аналогичные детали
15 - Зажимная скоба T27550 Примечание:(SUB FOR 810533500 AND T140924)
16 - Скоба T26955 Количество:2 Примечание:(SUB FOR T26955)
17 - Стопор T75266 Примечание:(SUB FOR T75266)
18 - Шайба 24M7241 Примечание:17 X 34 X 4 mm, (SUB FOR F123563)
19 - Кронштейн F125299 Количество:2 Serial No.______-168642
19 - Хомут 810402100 Количество:2 Serial No.168642-______
20 - Уголок F386887
21 - Жгут проводов F387458
22 - Кронштейн F391024 Количество:5
23 - Кронштейн F392538
24 - Жгут проводов F394363
25 - Уплотнение ....... Примечание:(ORDER L113460)
26 - Переключатель R11274 Примечание:Реле стартера
27 - Вертлюг T233927
28 - Зажимная скоба T27550 Количество:2
29 - Скоба T74410 Количество:5 Примечание:Муфта кондиционера
30 - Скоба T74416 Количество:3
31 - Скоба T76252 Количество:4
Наверх
Жгут проводки - ST76448
![Джон Дир 753J Жгут проводки Жгут проводки]()
1 - Корпус электр. разъема 57M8591
2 - Корпус электр. разъема 57M7275
3 - Корпус электр. разъема 57M7276
4 - Узел электрич. разъема 57M8038
5 - Корпус электр. разъема 57M7850 Количество:4
6 - Корпус электр. разъема 57M8407
7 - Корпус электр. разъема 57M8403 Количество:2
8 - Корпус электр. разъема 57M7796
9 - Клемма электр. разъема ....... Примечание:(ORDER HDP262419SNL017)
10 - Узел электрич. разъема 57M7747
11 - Клемма электр. разъема ....... Количество: 10 Примечание:Ring 6GA
12 - Клемма электр. разъема ....... Количество:2 Примечание:Ring 32
13 - Корпус электр. разъема 57M8418
14 - Вспом. электр. разъем 57M9227
15 - Корпус электр. разъема 57M7534 Количество:2
16 - Клемма электр. разъема ....... Примечание:Split Ring 10 8GA
17 - Корпус электр. разъема 57M7533
18 - Клемма электр. разъема 57M7626
19 - Узел электрич. разъема 57M7627
20 - Корпус электр. разъема 57M7293 Количество:2
21 - Узел электрич. разъема R78052
22 - Уплотнение L113460
24 - Жгут проводов F394363
Наверх
Electrical System - Feller Buncher ( - 172294) - ST76449 ( Электрическая Система - Валочно-Пакетирующая Машина ( - ) - )
![Джон Дир 753J Electrical System Electrical System]()
1 - Гайка 14M7274 Количество:2 Примечание:M10
2 - Фланцевая гайка 14M7518 Количество:2 Примечание:M10
3 - Винт 19M7784 Количество:2 Примечание:M10 X 20
4 - Винт с головкой 19M7938 Количество:2 Примечание:M10 X 20
5 - Шайба 24M7346 Количество:2 Примечание:11 X 20 X 2 mm
6 - Шланговый зажим XCL-25 Количество:2
7 - Скоба 700579700
8 - Стопор T75266 Количество:2
9 - Кронштейн F125299
10 - Скоба F125748
11 - Кронштейн F390966 Количество:2
12 - Жгут проводов F394364 Примечание:СТРЕЛА
13 - Скоба TY22467 Количество:2
14 - Узел электрич. разъема 811874000 Количество:2
16 - Жгут проводов AT409926 Примечание:Attachment Valve HarnessComponents Listed On Separate Page, SUB FOR F395129
Наверх
Electrical System - Feller Buncher (172295 - ) - ST76450 ( Электрическая Система - Валочно-Пакетирующая Машина ( - ) - )
![Джон Дир 753J Electrical System Electrical System]()
1 - Гайка 14M7274 Количество:2 Примечание:M10
2 - Фланцевая гайка 14M7298 Количество:5 Примечание:M8
3 - Фланцевая гайка 14M7518 Количество:2 Примечание:M10
4 - Винт 19M7784 Количество:2 Примечание:M10 X 20
5 - Винт 19M8039 Примечание:M8 X 80
6 - Винт 19M7868 Количество:4 Примечание:M8 X 30
7 - Винт с головкой 19M7938 Количество:2 Примечание:M10 X 20
8 - Шайба 24M7346 Количество:2 Примечание:11 X 20 X 2 mm
9 - Шланговый зажим XCL-25 Количество:4
10 - Стопор T75266 Количество:2
11 - Кронштейн F125299
12 - Скоба F125748
13 - Кронштейн F390966 Количество:2
14 - Жгут проводов F394364
15 - Скоба TY22467 Количество:2
16 - Узел электрич. разъема 811595200 Количество:2
17 - Гидрошланг T228676
18 - Жгут проводов AT409926 Примечание:Attachment Valve HarnessComponents Listed On Separate Page, SUB FOR F395129
19 - Пластина H114901 Количество:2
20 - Блокирующий зажим T234537 Количество:2
21 - Кронштейн AT427665 Примечание:SUB FOR T255831
Наверх
Разъемы жгута проводов клапана навесного оборудования - ST864428
![Джон Дир 753J Разъемы жгута проводов клапана навесного оборудования Разъемы жгута проводов клапана навесного оборудования]()
1 - Жгут проводов AT409926 Примечание:Жгут проводов клапана навесного оборудования
2 - Корпус электр. разъема 57M9370
3 - Корпус электр. разъема 57M10436 Примечание:Верхний зажим, закрытие
3 - Клемма электр. разъема 57M8137 Количество:2
4 - Корпус электр. разъема 57M10436 Примечание:Нижний зажим, закрытие
4 - Клемма электр. разъема 57M8137 Количество:2
5 - Корпус электр. разъема 57M10436 Примечание:Поворот запястного шарнира вправо
5 - Клемма электр. разъема 57M8137 Количество:2
6 - Корпус электр. разъема 57M10436 Примечание:Верхний зажим, открытие
6 - Клемма электр. разъема 57M8137 Количество:2
7 - Корпус электр. разъема 57M10436 Примечание:Нижний зажим, открытие
7 - Клемма электр. разъема 57M8137 Количество:2
8 - Корпус электр. разъема 57M10436 Примечание:Поворот запястного шарнира влево
8 - Клемма электр. разъема 57M8137 Количество:2
9 - Диод AR94101
10 - Диод AR94101
11 - Диод AR94101
12 - Диод AR94101
13 - Диод AR94101
14 - Диод AR94101
15 - Обвязной хомут R44302 Количество:2 Посмотреть аналогичные детали
Наверх
Electrical System - Harvester - Cab - ST76451 ( Электрическая Система - Комбайн - Такси - )
![Джон Дир 753J Electrical System Electrical System]()
1 - Жгут проводов AT348571
1 - Комплект жгута проводов AT365758 Примечание:Logrite, (SUB FOR AT364975)
2 - Корпус электр. разъема 57M7476
2 - Клемма электр. разъема ....... Количество:3 Примечание:(ORDER 10613361016)
2 - Клемма электр. разъема 57M8264 Количество:3
2 - Пробка пол. эл. разъема R78069 Количество:3
3 - Корпус электр. разъема L39639 Примечание:Head On/Off
3 - Клемма электр. разъема ....... Количество:2 Примечание:(ORDER 927880–2)
4 - Гнездо F432023 Примечание:Head On/Off
4 - Клемма электр. разъема ....... Количество:2 Примечание:(ORDER 927880–2)
5 - Узел электрич. разъема R78053
5 - Клемма электр. разъема ....... Количество:2 Примечание:(ORDER 12124582)
5 - Узел электрич. разъема R78059 Количество:2
6 - Узел электрич. разъема 57M8008
6 - Клемма электр. разъема ....... Количество:7 Примечание:(ORDER 10613362016)
6 - Клемма электр. разъема 57M8263 Количество:3
6 - Пробка пол. эл. разъема R78069 Количество:2
6 - Блок. устр. эл. разъема 57M8009
7 - Узел электрич. разъема 57M7627
7 - Клемма электр. разъема ....... Количество:3 Примечание:(ORDER 10613362016)
7 - Блок. устр. эл. разъема 57M8009
8 - Клемма электр. разъема 57M7626
8 - Клемма электр. разъема ....... Количество:2 Примечание:(ORDER 10613361016)
8 - Узел электрич. разъема R78059
Наверх
Электросистема — комбайн — шасси - ST76453
![Джон Дир 753J Электросистема — комбайн — шасси Электросистема — комбайн — шасси]()
1 - Жгут проводов AT356546
2 - Узел электрич. разъема 57M7643
3 - Клемма электр. разъема 57M7535
4 - Узел электрич. разъема 57M8012
Наверх
Electrical System - Harvester - Hydraulic Tank - ST76454 ( Электрическая Система - Комбайн - Гидравлический Бак - )
![Джон Дир 753J Electrical System Electrical System]()
1 - Жгут проводов AT356547
2 - Корпус электр. разъема 57M8017
3 - Корпус электр. разъема 57M7254
4 - Корпус электр. разъема 57M8120
Наверх
Timberrite (T30) System - Computer Mounting Hardware ( - XXXXXX) - ST76455 ( Timberrite () системы крепления ( - ХХХХХХ) - )
![Джон Дир 753J Timberrite (T30) System Timberrite (T30) System]()
1 - Гайка 14M7157 Количество:2 Примечание:M14
2 - Винт 19M8553 Количество:8 Примечание:M6 X 16
2 - Гайка 14H786 Количество:8 Примечание:1/4 дюйма
3 - Гайка 14M7030 Количество:4 Примечание:M3
4 - Гайка 14M7100 Количество:4 Примечание:M4
5 - Стопорная гайка 14M7396 Количество:6 Примечание:M8
6 - Стопорная гайка 14M7397 Количество:4 Примечание:M6
7 - Винт 19M7775 Количество:4 Примечание:M6 X 16
8 - Винт 19M7796 Количество:2 Примечание:M6 X 30
9 - Винт 19M7897 Количество:6 Примечание:M8 X 35
10 - Винт 19M8092 Количество:4 Примечание:M6 X 50
11 - Винт 19M9326 Количество:4 Примечание:M4 X 30
13 - Винт 21M7284 Количество:4 Примечание:M3 X 16, (RH)
14 - Винт 21M7403 1 Примечание:M6 X 40, (LH)
15 - Шайба 24H1287 Количество:2 Примечание:9/32" X 5/8" X 0.065"
16 - Шайба 24H1943 6 Примечание:3/16" X 3/8" X 0.040"
17 - Шайба 24M7298 Количество:4 Примечание:8.400 X 25 X 2 mm
18 - Скоба 811819300
19 - Плавкий предохранитель 99M7065 Посмотреть аналогичные детали
20 - Гайка 14M7139 4 Примечание:M4
21 - Шайба 24M7146 Количество:4 Примечание:4.300 X 12 X 1 mm
22 - Винт 811872100 4
23 - Коробка AT348500 Примечание:(ПОСТАВКА УЗЛОВ ЧЕРЕЗ ДИЛЕРА WARATAH™)
24 - Переключатель AT348501 Примечание:(ПОСТАВКА УЗЛОВ ЧЕРЕЗ ДИЛЕРА WARATAH™)
25 - Лицевая панель ....... Примечание:(ORDER AT348501) (T238965 NLA)
26 - Переключатель ....... Примечание:(ORDER AT348501) (T238966 NLA)
27 - Жгут проводов AT348771
28 - База AT348774 Количество:4
29 - Реле T237624 Количество:4
30 - Магистраль T238703
31 - Стопор T241204 Количество:2
32 - Жгут проводов AT347518
33 - Рычаг переключения AT348569 Примечание:Компоненты перечислены на отдельных стр.
33 - Жгут проводов AT434120 Примечание:(SUB FOR F382473)
34 - Рычаг переключения AT348570 Примечание:Компоненты перечислены на отдельных стр.
34 - Жгут проводов AT434120 Примечание:(SUB FOR F382473)
35 - Жгут проводов AT348571
35 - Комплект жгута проводов AT365758 Примечание:Logrite, (SUB FOR AT364975)
36 - Жгут проводов AT434114 Примечание:(SUB FOR AT351165 AND AT390865)
41 - Уплотнение R45210
42 - Шайба 24H1646 5 Примечание:17/64" X 3/4" X 0.060"
43 - Кронштейн T231315
44 - Кронштейн T231316
45 - Кронштейн T231317
47 - Уплотнение T65643 Количество:2
48 - Скоба T78974 Количество:4
49 - Клапан гидравл./сервоупр. AT348334
49 - Узел пружины AT345928
50 - Клапан гидравл./сервоупр. AT348338
51 - Фитинг переходника F295311 Количество:2
52 - Кожух F433669 Количество:2
Наверх
Timberrite (T30) System - Computer Mounting Hardware (XXXXXX - ) - ST76456 ( Timberrite () системы - Установка компьютерного оборудования (ХХХХХХ - ) - )
![Джон Дир 753J Timberrite (T30) System Timberrite (T30) System]()
1 - Гайка 14M7030 Количество:4 Примечание:M3
2 - Гайка 14M7100 Количество:4 Примечание:M4
3 - Стопорная гайка 14M7396 Количество:8 Примечание:M8
4 - Стопорная гайка 14M7397 Количество:4 Примечание:M6
5 - Винт 19M7775 Количество:4 Примечание:M6 X 16
6 - Винт 19M7784 Количество:2 Примечание:M10 X 20
7 - Винт 19M7796 Количество:2 Примечание:M6 X 30
8 - Винт 19M7800 Количество:4 Примечание:M8 X 50
9 - Винт 19M7835 Количество:2 Примечание:M10 X 35
10 - Винт 19M7897 Количество:2 Примечание:M8 X 35
11 - Винт 19M8092 Количество:4 Примечание:M6 X 50
12 - Винт 19M9326 Количество:4 Примечание:M4 X 30
13 - Винт 21M7284 Количество:4 Примечание:M3 X 16, RH
14 - Винт 21M7403 1 Примечание:M6 X 40, LH
15 - Шайба 24H1943 6 Примечание:3/16" X 3/8" X 0.040"
16 - Шайба 24M7298 Количество:4 Примечание:8.400 X 25 X 2 mm
17 - Скоба T126299
18 - Плавкий предохранитель 99M7065 Посмотреть аналогичные детали
19 - Гайка 14M7139 4 Примечание:M4
20 - Шайба 24M7146 Количество:4 Примечание:4.300 X 12 X 1 mm
21 - Винт 811872100 4
22 - Коробка AT348500 Примечание:(ПОСТАВКА УЗЛОВ ЧЕРЕЗ ДИЛЕРА WARATAH™)
23 - Переключатель AT348501 Примечание:(ПОСТАВКА УЗЛОВ ЧЕРЕЗ ДИЛЕРА WARATAH™)
24 - Лицевая панель ....... Примечание:ORDER AT348501; T238965 NLA
25 - Переключатель ....... Примечание:ORDER AT348501; T238966 NLA
26 - Жгут проводов AT348771
27 - База AT348774 Количество:4
28 - Реле T237624 Количество:4
29 - Магистраль T238703
30 - Стопор T241204 Количество:2
31 - Жгут проводов AT347518
31 - Узел электрич. разъема 57M8018
31 - Электронный прерыватель 57M8131
32 - Рычаг переключения AT348569 Примечание:Перечень узлов указан на отдельной странице, LH
33 - Рычаг переключения AT348570 Примечание:Перечень узлов указан на отдельной странице, RH
34 - Жгут проводов AT348571
34 - Корпус электр. разъема 57M7476
34 - Клемма электр. разъема 57M7626
34 - Узел электрич. разъема 57M7627
35 - Жгут проводов AT434114 Примечание:SUB FOR AT351165 AND AT390865
35 - Корпус электр. разъема 57M7260
36 - Фланцевая гайка 14M7303 Количество:4 Примечание:M6
37 - Винт 19M7573 Количество:2 Примечание:M8 X 20
38 - Винт 21M7289 Количество:2 Примечание:M6 X 40
39 - Шайба 24H1287 Количество:2 Примечание:9/32" X 5/8" X 0.065"
40 - Ограничитель AT356910
41 - Фиксатор AT364072
42 - Изолятор T58056
43 - Лента T180494
44 - Резиновая прокладка H158596 Количество:2
45 - Обвязной хомут R44302 Посмотреть аналогичные детали
46 - Кронштейн T250356
47 - Гильза ....... Примечание:MF T344595, CTL 457.2 cm (15 ft)
49 - Стопорная гайка M142955 Количество:4 Примечание:M10
50 - Уплотнение R45210
51 - Шайба 24H1821 5 Примечание:9/32" X 47/64" X 1/16"
52 - Кронштейн T231315
53 - Кронштейн T231316
54 - Кронштейн T231317
55 - Метка T238675 Количество:2
56 - Кронштейн T255930
57 - Зажимная скоба T27550 Количество:3
58 - Уплотнение T65643 Количество:2
59 - Скоба T78974 Количество:4
Наверх
Timberrite (T30) System - Computer Hardware - ST76457 ( Timberrite () Система - Вычислительная Техника - )
![Джон Дир 753J Timberrite (T30) System Timberrite (T30) System]()
1 - Электрооборудование F630900 Примечание:(ПОСТАВКА УЗЛОВ ЧЕРЕЗ ДИЛЕРА WARATAH™)
2 - Модуль F066798 Примечание:(ПОСТАВКА УЗЛОВ ЧЕРЕЗ ДИЛЕРА WARATAH™)
3 - Монитор F070193 Примечание:(ПОСТАВКА УЗЛОВ ЧЕРЕЗ ДИЛЕРА WARATAH™)
4 - Микрокомпьютер F070191 Примечание:(ПОСТАВКА УЗЛОВ ЧЕРЕЗ ДИЛЕРА WARATAH™)
5 - Винт с головкой F350808 Количество:6 Примечание:(ПОСТАВКА УЗЛОВ ЧЕРЕЗ ДИЛЕРА WARATAH™)
6 - Жгут проводов F070471 Количество:3 Примечание:(Source Components Through Waratah™ Dealer) Not Illustrated
7 - Жгут проводов F070468 Примечание:(Source Components Through Waratah™ Dealer) Not Illustrated
8 - Пр. апп. части компьют. F628502 Примечание:(ПОСТАВКА УЗЛОВ ЧЕРЕЗ ДИЛЕРА WARATAH™)
9 - Компьютерные комплектующие F064443
10 - Пр. апп. части компьют. F070756 Примечание:Не показано
Наверх
Electrical Panel and Gauge - ST166434 ( Электрические панели и датчика - )
![Джон Дир 753J Electrical Panel and Gauge Electrical Panel and Gauge]()
1 - Кронштейн AT341237
2 - Гайка M84972 Количество:6
3 - Шайба 24H1287 5 Примечание:9/32" X 5/8" X 0.065"
4 - Винт 21M7267 Количество:9 Примечание:M6 X 20
5 - Пластина F387016
6 - Полоса F124049
7 - Выходное гнездо F124371 Примечание:12 В
8 - Винт 21M7216 Количество:4 Примечание:M4 X 20
9 - Гайка 14M7139 Количество:4 Примечание:M4
10 - Винт 21M7248 Количество: 10 Примечание:M6 X 30
11 - Пластина F393221
12 - Винт F120988 Количество:4
13 - Коробка 811866900 Количество:6
14 - Коробка 811866800 Количество:2
15 - Потенциометр F393389
16 - Нажимной переключатель F387757 Примечание:Кнопка останова
17 - Ручка F123809
18 - Переключатель F124213
18 - Лампа накаливания F434492 Примечание:Переключатель скорости движения
19 - Пластина 811866700 Количество:3 Примечание:Харвестер
19 - Переключатель F123022 Примечание:SawRed
19 - Переключатель F120944 Примечание:SawYellow
19 - Лампа накаливания F434492
20 - Переключатель F123022 Количество:2 Примечание:Сервоуправление
20 - Лампа накаливания F434492
21 - Шайба 24H1441 Примечание:1-1/64" X 1-1/2" X 0.048"
22 - Переключатель AT195301 Примечание:Ключ и переключатель
22 - Кнопка AT195302
23 - Гайка R44342
24 - Обвязной хомут R44302 Количество:3 Посмотреть аналогичные детали
25 - Переключатель F120943 Количество:2 Примечание:HornTravel Alarm
25 - Лампа накаливания F434492
26 - Метка F393219
27 - Указатель AT354028
27 - Лампа накаливания F434492
28 - Счетчик рабочих часов F121019
29 - Коробка 811866900 Количество:2
30 - Индикаторная лампа F120948 Примечание:Сигнальная лампа
31 - Жгут проводов F395092
31 - Диод AN153773 Примечание:Диодный модуль
32 - Указатель F125803 Примечание:Топливо
33 - Указатель AT350896 Примечание:(SUB FOR RE533087)
34 - Приборная панель AT379104
35 - Пластина T268841
36 - Винт 21M7250 Количество:4 Примечание:M4 X 12
37 - Метка T229764
38 - Метка T229763
Наверх
Электрический блок - ST76459
![Джон Дир 753J Электрический блок Электрический блок]()
1 - Гайка 14M7196 Количество:4 Примечание:M3
2 - Стопорная гайка 14M7265 Количество:6 Примечание:M5
3 - Гайка 14M7274 Количество:3 Примечание:M10
4 - Фланцевая гайка 14M7518 Количество:4 Примечание:M10
5 - Фланцевая гайка 14M7573 Количество:4 Примечание:M8
6 - Винт с головкой 19M7372 Количество:6 Примечание:M5 X 16
7 - Винт 19M7785 Количество:3 Примечание:M10 X 25
8 - Винт 19M7786 Примечание:M10 X 30
9 - Винт 19M7867 Количество:4 Примечание:M8 X 25
10 - Винт 19M8321 Количество:2 Примечание:M6 X 45
11 - Плавкий предохранитель 57M7121 Количество:3 Посмотреть аналогичные детали
12 - Плавкий предохранитель 57M7125
13 - Плавкий предохранитель 57M7146
14 - Ручка T254998 Примечание:(SUB FOR 700301900)
15 - Автоматич. выключатель 700793500 Примечание:(50 AMP)
16 - Шайба 24M7433 Количество:2 Примечание:10.500 X 20 X 2 mm
17 - Шланговый зажим AT124557
18 - Шайба 24M7036 Количество:2 Примечание:9 X 16 X 1.600 mm
19 - Винт 19M7881 Количество:2 Примечание:M8 X 20
20 - Стопорная гайка 14M7397 Количество:2 Примечание:M6
21 - Переключатель R11274 Количество:2
22 - Плавкий предохранитель 99M7065 Количество:2 Посмотреть аналогичные детали
23 - Плавкий предохранитель 99M7069 Количество:2
24 - Винт 21M7394 Количество:4 Примечание:M3 X 10
25 - Реле F123434 Примечание:Питание
26 - Шайба 24M7240 Количество:3 Примечание:13 X 25 X 3 mm, (SUB FOR F123561)
27 - Шайба R70663 Количество:3 Примечание:13.500 X 25.400 X 3.050 mm (17/32" X 1" X 0.120")
28 - Шайба 24H1942 Количество:6 Примечание:15/64" X 7/16" X 0.040"
29 - Противовес F123801 Количество:2
30 - Реле F124238 Примечание:Соленоид дверцы моторного отсека
31 - Модуль F125907
32 - Жгут проводов F391341 Примечание:Насос отсека
33 - Крышка F393573
34 - Коробка F393575
37 - Кронштейн F393576
38 - Жгут проводов F393578 Примечание:Распределительный ящик
39 - Корпус электр. разъема 57M7919
40 - Плавкий предохранитель 57M7120
41 - Кронштейн F391024
42 - Узел электрич. разъема F432009
43 - Скоба T76252
44 - Фланцевая гайка 14M7296 Примечание:M10
45 - Винт 19M7784 Примечание:M10 X 20
Наверх