'
Каталог Запчастей John Deere :8430 Tractor (1974-1981) (Worldwide Edition) - PC1485 50 Силовая передача
Содержимое: Каталог Запчастей John Deere :8430 Tractor (1974-1981) (Worldwide Edition) - PC1485 50 Силовая передача
КОРПУС МУФТЫ - ST428092
Clutch Housing Replacement Kit - ST428093 ( Замена Сцепления Комплект Жилья - )
Clutch Oil Pressure Regulating Valve Housing And Valves - ST428094 ( Масло Муфты Давления Регулирующий Клапан Корпус И Клапаны - )
Clutch Valve Housing And Valves - ST428095 ( Сцепления Корпус Клапана И Клапанов - )
Transmission Clutch Operating Piston Housing And Piston - ST428096 ( Передача Операционной Сцепления Корпус Поршня И Поршневого )
Transmission Clutch - ST428097 ( Сцеплением - )
Clutch Pedal And Linkage - ST428098 ( Педали Сцепления И Рычага - )
PTO Clutch Lever And Operating Rods - ST428099 ( Муфты вом рычаг и рабочие штанги - )
Clutch Oil Transfer Pump Lines - ST428100 ( Сцепления Масляный Насос Линии - )
Oil Transfer Pump Suction Tube And Screen - ST428101 ( Масло Передачи Насос Всасывающая Трубка И Экран - )
Clutch Oil Pressure Regulating Valve Oil Pressure Line - ST428102 ( Масло Муфты Давления Регулирующий Клапан Напорный Маслопровод - )
Clutch Housing Breather Hose - ST428103 ( Корпус Муфты Шланг Сапуна - )
Front Hinge - ST428104 ( Передний Шарнир - )
Brake Piston Housing And Clutch Drum - ST428105 ( Тормозной Поршень Корпуса И Муфты Барабана - )
Modified Tractor Replacement Parts - ST428106 ( Модифицированные Запасные Части Трактор - )
Planet Pinion Carrier And Clutch Output U-Joint Yoke - ST428107 ( Планеты Шестерня Несущей И Выходной Сцепления Вилка Карданного Шарнира - )
Hi-Lo Clutch Disks And Low Range Pinion Replacement Kit - ST428108 ( Привет-Ло Диски Сцепления И Низкий Замена Комплекта Серии Шестерней )
Hi-Lo Planetary Replacement Kit - ST428110 ( Привет-Ло Планетарный Комплект Замены - )
Planet Pinion Carrier And Clutch Output U-Joint Yoke - ST428111 ( Планеты Шестерня Несущей И Выходной Сцепления Вилка Карданного Шарнира - )
Front Hinge Cap Screw Location - ST428112 ( Передний Шарнир Крышка Винта Место - )
Rear Hinge Cap Screw Location - ST428113 ( Задний Шарнир Винт Расположение )
Independent PTO Clutch Output U-Joint Yoke - ST428115 ( Независимый выход муфты вом вилка карданного шарнира - )
Independent PTO Clutch - ST428116 ( Независимое сцепление вом - )
Independent PTO Clutch Input Gear And Support - ST428117 ( Независимый вом, муфты шестерни первичного вала и поддержка )
Clutch Oil Pump Drive Gear And Shaft - ST428118 ( Муфта Привода Насоса Масла Шестерни И Вал - )
PTO Clutch Kit - ST428119 ( Комплект сцепления ПТО - )
PTO Shaft, Master Shield And Guard 1000-RPM - ST428120 ( Вал ПТО, мастер Щит и охранно-об / мин - )
Independent PTO Clutch Oil Pressure And Lubrication Lines - ST428121 ( Независимый вом сцепления давление масла и смазки линии - )
PTO Brake Oil Lines - ST428122 ( Маслопроводы тормоза ПТО - )
Torque Divider Housing - ST428123 ( Крутящий Момент Делитель Жилищно - )
Input Gear Lubrication Line - ST428124 ( Входная Шестерня Линии Смазки - )
Upper Transmission Input Shaft And Gear - ST428125 ( Верхняя Часть Коробки Передач Первичного Вала И Шестерню - )
Upper Transmission Input Idler Shaft And Gear - ST428126 ( Верхняя Передача Входных Натяжной Вал И Шестерни - )
Upper PTO Idler Gear And Shaft - ST428127 ( Верхние ПТО шестерню и вал - )
Front Axle Drive Shaft - ST428128 ( Передний Мост Приводной Вал - )
Lower Transmission Input Gear And PTO Drive Pinion - ST428129 ( Нижний входной коробка передач и карданный привод шестерня - )
PTO Lower Drive Gear And Brake Piston - ST428131 ( ПТО нижнюю шестерню привода и тормозного поршня - )
Transmission Front Output U-Joint Yoke And Lower PTO Idler Gear - ST428132 ( Передачи передний выходной вилкой карданного шарнира и нижней ПТО шестерню - )
Universal Telescoping Joint (Rockwell) (Front Axle Drive) - ST428133 ( Совместные Универсальная Телескопическая (Роквелл) (Передний Мост Привод) - )
Universal Telescoping Joint (Mechanics) (Front Axle Drive) - ST428134 ( Совместные Универсальная Телескопическая (Механика) (Передний Мост Привод) - )
Universal Telescoping Joint (Rockwell) (PTO Clutch to Torque Divider) - ST428135 ( Совместные универсальная телескопическая (Роквелл) (муфты вом крутящий момент делителем) - )
Universal Telescoping Joint (Dana) (PTO Clutch to Torque Divider) - ST428136 ( Совместные универсальная телескопическая (Дана) (муфты вом крутящий момент делителем) - )
Universal Telescoping Joint (Rockwell) (Clutch to Torque Divider) - ST428137 ( Совместные универсальная телескопическая (Роквелл) (муфтой крутящего момента делителя) - )
Universal Telescoping Joint (Dana) (Clutch to Torque Divider) - ST428138 ( Совместные универсальная телескопическая (Дана) (муфтой крутящего момента делителя) - )
U-Joint Guards - ST428139 ( U-Соединения Охранники - )
Rear Hinge - ST428140 ( Задний Шарнир - )
Upper And Lower Hinge Pins - ST428141 ( Верхние И Нижние Штифты - )
Hinge Cover - ST428142 ( Петли Крышки - )
Картер трансмиссии - ST428143
Картер трансмиссии - ST428144
Transmission Case Front Cover - ST428146 ( Корпус Коробки Передач Передняя Крышка - )
Transmission Case Rear Cover - ST428147 ( Корпус Коробки Передач Задняя Крышка - )
Transmission Drive Shaft Bearing Kit - ST428148 ( Привод Передача Вал Подшипник Набор - )
Transmission Bearing And Shim Kit - ST428149 ( Передача Подшипник И Прокладку Комплект - )
Transmission Drive Shaft Assembly - ST428150 ( Коробки Передач В Сборе Вал Привода - )
Transmission Drive Shaft Assembly - ST428151 ( Коробки Передач В Сборе Вал Привода - )
Transmission Drive Shaft Assembly - ST428152 ( Коробки Передач В Сборе Вал Привода - )
Rear Differential Drive And Bevel Pinion Assembly - ST428153 ( Задний Дифференциальный Привод И Конические Шестерни Ассамблеи - )
Counter Shaft - ST428154 ( Счетчик Вал )
Shifters And Shifter Shafts - ST428155 ( Перевертыши И Валы Переключения - )
Transmission Drive Shaft Kit - ST428158 ( Передача Вал Комплект Привода - )
Long Shift Cables Conversion Kit - ST428159 ( Длинный Кабель Переключения Набор Преобразования - )
Gear Shifters And Shifter Shafts - ST428160 ( Шестерни И Валы Перевертыши Перевертыш - )
Transmission Shifter Control Cables and Arms ( - 002754) - ST428161 ( Переключения передач тросы управления и оружия ( - ) - )
Transmission Shifter Control Cables and Arms (002755 - ) - ST428162 ( Переключения передач тросы управления и оружия ( - ) - )
РЫЧАГИ УПРАВЛЕНИЯ ПЕРЕКЛЮЧАТЕЛЕМ ПЕРЕДАЧ ТРАНСМИССИИ, РЫЧАЖНЫЙ МЕХАНИЗМ И ОПОРА - ST428163
Transmission Shifter Control Rods And Bell Cranks, Inner - ST428164 ( Переключения Передач Тяг И Кривошипов Колокол, Внутренний - )
Transmission Shifter Control Rods And Bell Cranks, Outer - ST428165 ( Переключения Передач Тяг И Кривошипов Колокол, Внешний - )
Speed Selector Lever And Stop - ST428166 ( Рычаг Переключателя Скоростей И Остановка )
Quad-Range Planetary Lower Bell Crank Shifter - ST428167 ( Квад-Диапазон Планетарных Нижний Рычаг Переключения Передач - )
Transmission Oil Pump - ST428168 ( Трансмиссионное Масло Насоса )
Transmission Oil Filter - ST428169 ( Масляный Фильтр Коробка Передач - )
Transmission Oil Filter - ST428170 ( Масляный Фильтр Коробка Передач - )
Filter Kit 10-Micron - ST428171 ( Комплект Фильтров -Микронный )
Oil Filter Heater - ST428172 ( Обогреватель Масляный Фильтр - )
Front Axle Rear Pivot Bushing Grease Bank Adapter Kit - ST428173 ( Передняя Ось Задняя Втулка Оси Смазка Банк Комплект Адаптера - )
Front Differential Vent Kit - ST428174 ( Передний Дифференциал Вент Комплект )
Front Differential Case And Pin - ST428175 ( Передний Дифференциал И Пин - )
Front Differential Drive And Support Assembly - ST428176 ( Дифференциал Переднего Привода И Опора - )
Front Differential - ST428178 ( Передний Дифференциал - )
No Spin Front Differential Kit - ST428179 ( Нет Вращения Переднего Дифференциала Комплект )
No Spin Front Differential Kit - ST428180 ( Нет Вращения Переднего Дифференциала Комплект )
Differential Front AXLE Assembly - ST428181 ( Дифференциал переднего моста в сборе - )
Anti-Friction Differential Kit - ST428182 ( Анти-Трения Дифференциал Комплект )
Anti-Friction Differential Kit - ST428183 ( Анти-Трения Дифференциал Комплект )
Differential Front AXLE Assembly - ST428184 ( Дифференциал переднего моста в сборе - )
Differential Front AXLE Assembly - Continued - ST428185 ( Дифференциал переднего моста в сборе - продолжение - )
Rear Differential - ST428186 ( Задний Дифференциал - )
Rear Differential - ST428187 ( Задний Дифференциал - )
Differential Lock Valve - ST428188 ( Дифференциальный Клапан Блокировки )
Differential Lock Valve Lines - ST428189 ( Дифференциальный Клапан Линии Блокировки )
Planetary And Front Axle - ST428190 ( Планетарные И Передний Мост - )
Planetary And Rear AXLE - ST428191 ( Планетарные и задний мост - )
Front Axle Bearing And Seal Kit - ST428193 ( Передний Мост Подшипник И Печать Комплект )
Front Axle Bearing And Seal Kit - ST428194 ( Передний Мост Подшипник И Печать Комплект )
Rear Axle Bearing and Seal Kit - ST428195 ( Задний мост подшипник и печать комплект )
Rear Axle Bearing and Seal Kit - ST428196 ( Задний мост подшипник и печать комплект )
Remote AXLE Bearing Grease Bank Kit - ST428198 ( Удаленный мост смазка для подшипников банк КИТ - )
КОРПУС МУФТЫ - ST428092
![Джон Дир 8430 КОРПУС МУФТЫ КОРПУС МУФТЫ]()
1 - Крепление со штифтом R51923
2 - Корпус AR71689 Tractor Serial No.______-003594 Примечание:(MARKED R57151) PTO (SUB RE20010, AR77263, R62690, AND 34H264) LESS PTO (SUB AR85522, AR77263, R62690, 34H264, RE11574, (3) T31785, (3) R57696, R83045 AND T21242)
2 - Корпус AR77265 Tractor Serial No.003595-______ Примечание:(MARKED R62692 OR R65634) (SUB AR85522)
3 - Прокладка R99288 Примечание:(SUB FOR R51651 OR R77364)
4 - Установочный штифт T26565 Количество:2 Примечание:(SUB FOR C1220R)
5 - Шайба T21397 Количество:6
6 - Винт с головкой 19H1707 Количество:6 Примечание:3/4" X 2-3/4"
7 - Шайба A4808R
8 - Фитинг R40147
9 - Уплотнительное кольцо A5598R
Наверх
Clutch Housing Replacement Kit - ST428093 ( Замена Сцепления Комплект Жилья - )
![Джон Дир 8430 Clutch Housing Replacement Kit Clutch Housing Replacement Kit]()
1 - Пробка сливного отверстия R27094
2 - Крепление со штифтом R51923
3 - Уплотнительное кольцо R26286
4 - Установочный штифт T26565 Количество:2
5 - Шайба F2222R
6 - Корпус RE20010 Примечание:(MARKED R81581)
Наверх
Clutch Oil Pressure Regulating Valve Housing And Valves - ST428094 ( Масло Муфты Давления Регулирующий Клапан Корпус И Клапаны - )
![Джон Дир 8430 Clutch Oil Pressure Regulating Valve Housing And Valves Clutch Oil Pressure Regulating Valve Housing And Valves]()
1 - Пружинный шплинт 34H331 Количество:2 Примечание:5/16" X 1-1/2"
2 - Пружинный шплинт 34H247 Количество:2 Tractor Serial No.______-001086 Примечание:1/8" X 3/4"
3 - Рукоять R55391
4 - Сальник AF2907R Количество:2
5 - Рукоять R55392 Tractor Serial No.______-001086
5 - Рукоять R50334 Tractor Serial No.001087-______
6 - Переключатель давления AR72886 Примечание:ORDER RE562597
6 - Переключатель давления RE562597
7 - Трубная втулка 15H639 Tractor Serial No.______-002914 Примечание:1/8"
8A - Фитинг переходника T27461 Tractor Serial No.______-002914
8B - Тройник AR78132 Tractor Serial No.002915-______
9 - Уплотнительное кольцо R26286
10 - Винт с головкой 19H1731 Количество:3 Примечание:3/8" X 1"
11 - Шайба 24H1298 Количество:3 Примечание:3/8" X 5/8" X 0.032"
12 - Винт 19H3779 Количество:8 Примечание:5/16" X 2", (SUB FOR R52904)
13 - Уплотнительное кольцо R26286 Примечание:(1 USED WITH PTO) (2 USED LESS PTO)
14 - Пробка сливного отверстия R27094 Примечание:(1 USED WITH PTO) (2 USED LESS PTO)
15 - Тройник AT27142
16 - Фитинг R36926 Количество:2
17 - Уплотнительное кольцо R26286
18 - Винт 19H3727 Количество:5 Примечание:3/8" X 2", (SUB FOR R52906)
19 - Корпус R66623 Примечание:(SUB FOR R57743)
19 - Заглушка R35286 Примечание:PTO CLUTCH VALVE ARM SHAFT BORE (LESS PTO)
20 - Фитинг R65684 Tractor Serial No.______-006171 Примечание:(SUB FOR R55525)
20 - Фитинг R27272 Tractor Serial No.006172-______
21 - Шайба R27003
22 - Уплотнительное кольцо F3171R
23 - Тройник AR69281
24 - Прокладка R94286 Примечание:(SUB FOR R52905)
25 - Клапан R57559
26 - Пружина R52903
27 - Пружина R52394
28 - Прокладка R33521
29 - Шайба R1742R Количество:2
30 - Заглушка фитинга R52589
31 - Заглушка фитинга R51577
32 - Пружина R57585
33 - Клапан R57560 Примечание:OIL COOLER RELIEF
34 - Трубная заглушка 15H558 Примечание:1/8", (SUB FOR R21630)
35 - Уплотнительное кольцо B2762R
36 - Фитинг R76493 Примечание:(SUB FOR R56258)
Наверх
Clutch Valve Housing And Valves - ST428095 ( Сцепления Корпус Клапана И Клапанов - )
![Джон Дир 8430 Clutch Valve Housing And Valves Clutch Valve Housing And Valves]()
1 - Ось AR54526 Tractor Serial No.______-001144 Примечание:(SUB R62043, R63052, R58941 AND 34H313)
2 - Штифт R33145 Tractor Serial No.______-001144
3 - Ось R63052 Tractor Serial No.001145-______ Примечание:(ALSO ORDER R62043, R58941 AND 34H313) (SUB FOR R58940 OR R62041)
4 - Крепление со штифтом R58941 Tractor Serial No.001145-______
5 - Рукоять R62043 Tractor Serial No.001145-______ Примечание:(ALSO ORDER R63052, R58941 AND 34H313) (SUB FOR R58939)
6 - Пружинный шплинт 34H328 Tractor Serial No.001145-001220 Примечание:5/16" X 1-1/8"
6 - Пружинный шплинт 34H313 Tractor Serial No.001221-______ Примечание:1/4" X 1-1/8"
7 - Ограждение R53268
8 - Винт с головкой R30165
9 - Ось R63052 Tractor Serial No.001145-______ Примечание:(NOT REQUIRED ON TRACTORS LESS PTO.) (ALSO ORDER R62042, R58941 AND 34H313) (SUB FOR R61939 OR R62041)
10 - Крепление со штифтом R58941 Tractor Serial No.001145-______ Примечание:(NOT REQUIRED ON TRACTORS LESS PTO.)
11 - Рукоять R67981 Tractor Serial No.001145-______ Примечание:(NOT REQUIRED ON TRACTORS LESS PTO.) (ALSO ORDER R63052, R58941 AND 34H313) (SUB FOR R58942 OR R62042)
12 - Пружинный шплинт 34H328 Tractor Serial No.001145-001220 Примечание:(NOT REQUIRED ON TRACTORS LESS PTO.) 5/16" X 1-1/8"
12 - Пружинный шплинт 34H313 Tractor Serial No.001221-______ Примечание:(NOT REQUIRED ON TRACTORS LESS PTO.) 1/4" X 1-1/8"
13 - Ось AR54527 Tractor Serial No.______-001144 Примечание:(NOT REQUIRED ON TRACTORS LESS PTO.) (SUB R62042, R63052, R58941 AND 34H313)
14 - Штифт R33145 Tractor Serial No.______-001144 Примечание:(NOT REQUIRED ON TRACTORS LESS PTO.)
15 - Кулиса R52666 Примечание:(NOT REQUIRED ON TRACTORS LESS PTO.)
16 - Дисковое орудие R52665 Примечание:(NOT REQUIRED ON TRACTORS LESS PTO.)
17 - Пружина R52446 Примечание:(NOT REQUIRED ON TRACTORS LESS PTO.)
18 - Штифт R52448 Примечание:(NOT REQUIRED ON TRACTORS LESS PTO.)
19 - Пружина R52447 Примечание:(NOT REQUIRED ON TRACTORS LESS PTO.)
20 - Игольчатый ролик R53076 Примечание:(NOT REQUIRED ON TRACTORS LESS PTO.)
21 - Клапан R51856 Примечание:(NOT REQUIRED ON TRACTORS LESS PTO.) PTO CLUTCH
22 - Уплотнительное кольцо R26286 Количество:4
23 - Маслопровод AR102449 Примечание:PTO PRESSURE (SUB FOR AR70737)
24 - Фитинг переходника R50883
25 - Фитинг переходника R52329 Количество:3
26 - Уплотнительное кольцо R26286 Количество:6
27 - Игольчатый ролик R38295 Количество:2
28 - Корпус AR102797 Примечание:(MARKED R59597 OR R73809) (SUB FOR AR71960)
28 - Заглушка R54383 Примечание:(LESS PTO) PTO CLUTCH VALVE BORE
28 - Пружинный шплинт 34H268 Примечание:5/32" X 1-1/4"
29 - Быстрозамыкающийся штифт R52900 Примечание:(NOT REQUIRED ON TRACTORS LESS PTO.)
30 - Прокладка R99386 Примечание:(SUB FOR R59598)
31 - Клапан R62724
32 - Игольчатый ролик R53076
33 - Пружина R63849
34 - Штифт R52448
35 - Пружина R62726
36 - Дисковое орудие R52665
37 - Кулиса R62725
Наверх
Transmission Clutch Operating Piston Housing And Piston - ST428096 ( Передача Операционной Сцепления Корпус Поршня И Поршневого )
![Джон Дир 8430 Transmission Clutch Operating Piston Housing And Piston Transmission Clutch Operating Piston Housing And Piston]()
1 - Упаковка F2741R
2 - Гильза R58755
3 - Установочный штифт R26650
4 - Трубная заглушка 15H559 Количество:2 Примечание:1/4 дюйма
5 - Трубная заглушка 15H558 Количество:6 Примечание:1/8"
6 - Корпус AR70731 Tractor Serial No.______-003594 Примечание:MARKED R57208 OR R74198; SUB AR99266 AND R60038
6 - Корпус AR102977 Tractor Serial No.003595-______ Примечание:MARKED R62830 OR R74198; SUB FOR AR77516; SUB AR99266 AND R60038
7 - Шайба R26919
8 - Клапан R63734
9 - Пружина R50259
10 - Заглушка фитинга R41155
11 - Винт с головкой R41041 Количество:6
12 - Упаковка R65550 Примечание:SUB FOR R52911
13 - Муфта AR90871 Примечание:SUB FOR R57476; SUB R73757
14 - Шайба R65552 Примечание:SUB FOR R58402
15 - Поршень AR90870 Примечание:MARKED R57477; ORDER AR102978
16 - Дорожка подшипника JD9916 Примечание:USE WITH R57477
17 - Подшипник JD9918 Примечание:USE WITH R57477
18 - Дорожка подшипника R51340 Примечание:USE WITH R57477
19 - Стопор R51365 Примечание:USE WITH R57477
20 - Шар 400R Примечание:(NOT USED WHEN AR90870 OR AR90871 HAVE BEEN INSTALLED.) 6 MM (1/4")Посмотреть аналогичные детали
21 - Установочный винт 22H1012 Примечание:(NOT USED WHEN AR90870 OR AR90871 HAVE BEEN INSTALLED.) 1/4" X 3/4"
22 - Гайка 14H850 Примечание:(NOT USED WHEN AR90870 OR AR90871 HAVE BEEN INSTALLED.) 1/4"
23 - Винт AR61146 Количество:4
24 - Упаковка R60038
25 - Пружинное кольцо B474R
26 - Втулка R77800
27 - Пружина A354R
28 - Ось RE11891 Примечание:(ALSO ORDER RE10090) (SUB FOR R65538 OR AR104465)
29 - Кольцо R57315
30 - Ведущий вал R58415
31 - Поршень AR102978 Примечание:MARKED R73941 OR R73758; SUB FOR AR98513; ORDER COMPONENTS
32 - Поршень R73758
33 - Дорожка подшипника JD10160
34 - Игольчатый подшипник JD10159
35 - Дорожка подшипника R73940
36 - Стопор R73939
37 - Поршень AR99265
Наверх
Transmission Clutch - ST428097 ( Сцеплением - )
![Джон Дир 8430 Transmission Clutch Transmission Clutch]()
1 - Стопорная гайка F3220R Количество:3
2 - Гайка 14H1080 Количество:3 Примечание:3/8 дюйма
3 - Стопорная шайба R58008 Количество:6
4 - Крепление со штифтом R53625 Количество:3
5 - Шплинт 11M7021 Количество:3 Примечание:4 X 25 mm
6 - Рычаг AR78926 Количество:3 Примечание:(SUB (3) R73457 AND (6) R73460)
7 - Шайба 24M7096 Количество:3 Примечание:10.500 X 18 X 1.600 mm
8 - Винт с головкой R41920 Количество:6
9 - Крышка R57010
10 - Пружинное кольцо B3118R
11 - Диск муфты RE234264 Количество:4 Примечание:(SUB FOR AR73183, AR73712, AR89320 OR AR95827)
12 - Пластина муфты R59690 Количество:3 Примечание:(SUB FOR R54111)
13 - Пружина R58819 Количество:6
14 - Штифт R57331 Количество:3
15 - Болт R51230 Количество:3
16 - Фитинг переходника RE10090 Примечание:(SUB FOR AR83618)
17 - Штифт R57102 Количество:3
18 - Пластина R57330
19 - Ступица R66843 Примечание:(SUB FOR R58428)
Наверх
Clutch Pedal And Linkage - ST428098 ( Педали Сцепления И Рычага - )
![Джон Дир 8430 Clutch Pedal And Linkage Clutch Pedal And Linkage]()
1 - Винт с головкой R53028 Количество:4
2 - Шайба 24H1283 Количество:3 Примечание:7/32" X 1/2" X 0.049"
3 - Заглушка B2983R Примечание:(Выпуск прекращен)
4 - Кожух AR86495 Примечание:(SUB FOR AR58478)
5A - Стержень AR64400 Tractor Serial No.______-001086 Примечание:(SUB R65440, R65441, C284R, R65563, R62732, 11M7083, R56199, 14H732 AND 24H1302)
5A - Стержень AR73933 Tractor Serial No.001087-002459 Примечание:(SUB R65440, R65441, C284R, R65563, R62732, 11M7083, R56199, 14H732 AND 24H1302)
5A - Стержень AR77390 Tractor Serial No.002460-004243 Примечание:(SUB R65440, R65441, C284R, R65563, R62732, 11M7083, R56199, 14H732 AND 24H1302)
5A - Стержень AR83973 Tractor Serial No.004244-004794 Примечание:(SUB R65440, R65441, C284R, R65563, R62732, 11M7083, R56199, 14H732 AND 24H1302)
5B - Стержень R65440 Tractor Serial No.004795-______
6 - Пружинный шплинт 34H247 Tractor Serial No.______-001086 Примечание:1/8" X 3/4"
7 - Шайба 24H1302 Tractor Serial No.001087-004794 Примечание:13/32" X 11/16" X 0.035"
8 - Пружинное кольцо R72655 Tractor Serial No.001087-004794 Примечание:(SUB FOR T12808)
9 - Пружина R43684
10 - Пружинный шплинт 34H331 Примечание:5/16" X 1-1/2"
11 - Рукоять R55391 Tractor Serial No.______-004794 Примечание:CLUTCH OPERATING VALVE
11 - Рукоять R65441 Tractor Serial No.004795-______ Примечание:CLUTCH OPERATING VALVE
12 - Вилка C284R Tractor Serial No.004795-______
13 - Крепление со штифтом R65563 Tractor Serial No.004795-______
14 - Гайка 14H732 Tractor Serial No.004795-______ Примечание:3/8 дюйма
15 - Штифт R56199 Tractor Serial No.004795-______
16 - Пружина R66331
17 - Винт с головкой 19H1731 Примечание:3/8" X 1"
17 - Стопорная шайба 12H304 Примечание:3/8 дюйма
18 - Хомут R54396
19 - Шайба 24H1394 Количество:2 Примечание:25/32" X 1-7/16" X 0.036"
20 - Втулка R51192
21 - Педаль AR54596 Примечание:(MARKED R50287)
22 - Шайба 24H1345 Количество:2 Tractor Serial No.______-001086 Примечание:17/32" X 1-3/4" X 0.060"
23 - Втулка R50359 Tractor Serial No.______-001086
24 - Фитинг переходника AR59158 Tractor Serial No.______-001086 Примечание:(SUB R65440, R65441, C284R, R65563, R62732, 11M7083, R56199, 14H732 AND 24H1302)
25 - Уплотнительное кольцо H21957 Примечание:(SUB FOR U17501)
26 - Фитинг переходника R59138 Tractor Serial No.001087-002459 Примечание:(SUB R65440, R65441, C284R, R65563, R62732, 11M7083, R56199, 14H732 AND 24H1302)
26 - Фитинг переходника R62732 Tractor Serial No.002460-______
27 - Шплинт 11M7083 Tractor Serial No.001087-______ Примечание:3.200 X 50 mm
28 - Штифт R51521
Наверх
PTO Clutch Lever And Operating Rods - ST428099 ( Муфты вом рычаг и рабочие штанги - )
![Джон Дир 8430 PTO Clutch Lever And Operating Rods PTO Clutch Lever And Operating Rods]()
1 - Захват R52056
2 - Рычаг R52065
3 - Пружинное кольцо R72655 Примечание:(SUB FOR T12808)
4 - Сердечник AR64563 Tractor Serial No.______-004794
5 - Гайка 14H886 Tractor Serial No.______-004794 Примечание:9/16"
6 - Пружина R58500
7A - Сердечник AR64564 Tractor Serial No.______-001086 Примечание:(SUB R70884, C284R, R56199, R65563 AND 14H732)
7A - Стержень AR73934 Tractor Serial No.001087-004243 Примечание:(SUB R70884, C284R, R56199, R65563 AND 14H732)
7A - Стержень AR83974 Tractor Serial No.004244-004794 Примечание:(SUB R70884, C284R, R56199, R65563 AND 14H732)
7B - Стержень AR83429 Tractor Serial No.004795-______ Примечание:(SUB R70884)
8 - Шайба 24H1302 Tractor Serial No.001087-004794 Примечание:13/32" X 11/16" X 0.035"
9 - Пружинное кольцо R72655 Tractor Serial No.001087-004794 Примечание:(SUB FOR T12808)
10 - Штифт R56199 Tractor Serial No.004795-______
11 - Гайка 14H732 Tractor Serial No.004795-______ Примечание:3/8 дюйма
12 - Вилка C284R Tractor Serial No.004795-______
13 - Крепление со штифтом R65563 Tractor Serial No.004795-______
Наверх
Clutch Oil Transfer Pump Lines - ST428100 ( Сцепления Масляный Насос Линии - )
![Джон Дир 8430 Clutch Oil Transfer Pump Lines Clutch Oil Transfer Pump Lines]()
1 - Уплотнительное кольцо R26286
2 - Коленчатый патрубок AR36552 Примечание:90°
3 - Маслопровод AR71020 Примечание:TRANSMISSION INPUT GEAR LUBRICATION, FRONT
4 - Скоба AR21836 Количество:2
5 - Шланг R58919
6 - Скоба TY22467 Количество:2 Примечание:(SUB FOR AR21839)
7 - Шланг R58921
8 - Маслопровод AR72209 Примечание:CLUTCH OIL TRANSFER PUMP, FRONT
9 - Разъемный хомут R51655 Количество:4
10 - Втулка 28H1526 Примечание:0.493" X 0.675" X 1-5/16"
11 - Винт с головкой 19H1733 Примечание:3/8" X 2-1/2"
11 - Стопорная шайба 12H304 Примечание:3/8 дюйма
12 - Втулка 28H1525 Примечание:0.493" X 0.675" X 1-1/16"
13 - Маслопровод AR71021 Примечание:CLUTCH OIL TRANSFER PUMP, REAR
14 - Винт с головкой 19H2549 Примечание:3/8" X 1-7/8"
14 - Стопорная шайба 12H304 Примечание:3/8 дюйма
Наверх
Oil Transfer Pump Suction Tube And Screen - ST428101 ( Масло Передачи Насос Всасывающая Трубка И Экран - )
![Джон Дир 8430 Oil Transfer Pump Suction Tube And Screen Oil Transfer Pump Suction Tube And Screen]()
1 - Винт с головкой R30165 Количество:2
2 - Пластина R58796
3 - Маслопровод AR75537 Примечание:(SUB FOR R58778)
4 - Сито AR26375 Примечание:(Сталь)
4 - Сито R53169 Примечание:(НЕЙЛОН)
5 - Шайба A4808R
6 - Фитинг R40147
Наверх
Clutch Oil Pressure Regulating Valve Oil Pressure Line - ST428102 ( Масло Муфты Давления Регулирующий Клапан Напорный Маслопровод - )
![Джон Дир 8430 Clutch Oil Pressure Regulating Valve Oil Pressure Line Clutch Oil Pressure Regulating Valve Oil Pressure Line]()
1 - Уплотнительное кольцо F3171R
2 - Коленчатый патрубок AR28251 Примечание:45°, (SUB AT48506)
3 - Маслопровод AR69695
4 - Фитинг R76493 Примечание:(SUB FOR R56258)
5 - Уплотнительное кольцо B2762R
Наверх
Clutch Housing Breather Hose - ST428103 ( Корпус Муфты Шланг Сапуна - )
![Джон Дир 8430 Clutch Housing Breather Hose Clutch Housing Breather Hose]()
1 - Фитинг R41071
2 - Скоба AR21836 Количество:2 Tractor Serial No.______-002442
2 - Шланговый зажим TY22465 Количество:2 Tractor Serial No.002443-______ Примечание:SUB FOR AR21837
3 - Шланг R59565 Tractor Serial No.______-002442 Примечание:SUB TY22328 AND (2) TY22465
3 - Шланг без конц. арматуры TY22328 Tractor Serial No.002443-______ Примечание:SUB FOR R63377
3 - Обвязной хомут R44302 Посмотреть аналогичные детали
4A - Тройник AR86072
4B - Коленчатый патрубок AR48369 Примечание:90°, ORDER AR86072
Наверх
Front Hinge - ST428104 ( Передний Шарнир - )
![Джон Дир 8430 Front Hinge Front Hinge]()
1 - Стопорная шайба AR68955 Количество:2 Примечание:(HINGE UPPER PIVOT) (SUB AR98492)
2 - Втулка R168008 Примечание:(SUB FOR R57400 OR R163186) (UPPER HINGE PIVOT PIN)
3 - Шарнир AR68515 Tractor Serial No.______-002744 Примечание:(MARKED R57189 OR R62774) (SUB AR79564, R62731, (5) 19H1800, (5) 12H304 AND 28H1697) (NLA)
3 - Шарнир AR79564 Tractor Serial No.002745-______ Примечание:(MARKED R62774) (NLA)
4 - Прокладка R57430
5 - Штифт A776R Количество:2
6 - Винт с головкой 19H2827 Количество: 10 Примечание:3/4" X 4-3/4"
7 - Шайба T21397 3
8 - Винт с головкой 19H3210 Количество:3 Примечание:3/4" X 5-1/4"
9 - Кольцо R47565
10 - Крышка R58526 Примечание:(INDEPENDENT PTO FRONT HINGE OPENING) (LESS PTO)
11 - Стопорная шайба 12H304 Количество:4 Примечание:3/8 дюйма
12 - Винт с головкой 19H1732 Количество:4 Примечание:3/8" X 1-1/4"
Наверх
Brake Piston Housing And Clutch Drum - ST428105 ( Тормозной Поршень Корпуса И Муфты Барабана - )
![Джон Дир 8430 Brake Piston Housing And Clutch Drum Brake Piston Housing And Clutch Drum]()
1 - Поршень R57045
2 - Шайба R57046
3 - Шайба R39304
4 - Игольчатый ролик R38295 Количество:3
5 - Втулка R50222
6 - Барабан AR68324 Примечание:MARKED R57044
7 - Шайба R50349
8 - Кольцо R39322 Количество:2
9 - Поршень R79831
10 - Шайба R59137
11 - Упаковка R57558
12 - Винт с головкой R57047 Количество:5
13 - Корпус AR82371 Примечание:BRAKE; MARKED R62831, R65223 OR R65228; SUB FOR AR79580; SUB AR91836, R53050 AND 34H249
13 - Корпус AR91836 Примечание:BRAKE; MARKED R70244
14 - Контрольный клапан R65229 Примечание:SUB FOR R62840
15 - Пружина R62842
16 - Штифт R67315 Примечание:SUB FOR R62843
17 - Труба R55234 Tractor Serial No.______-006394 Примечание:SUB R67307, R60524, R112876 AND 28H1518
17 - Масляная трубка R78265 Tractor Serial No.006395-______ Примечание:SUB FOR R67307
18 - Скоба R42357 Количество:2 Tractor Serial No.______-006394
19 - Шайба 24H1305 Tractor Serial No.______-006394 Примечание:13/32" X 13/16" X 0.065"
20 - Скоба R60524 Tractor Serial No.006395-______
21 - Винт с головкой R41041 Tractor Serial No.______-006394
21 - Винт с головкой R112876 Tractor Serial No.006395-______ Примечание:SUB FOR R40808
22 - Шайба 28H1519 Tractor Serial No.______-006394 Примечание:0.493" X 0.675" X 3/8"
22 - Шайба 28H1518 Tractor Serial No.006395-______ Примечание:0.493" X 0.675" X 5/16"
23 - Пружина R64230 Tractor Serial No.______-004851
24 - Трубная заглушка 15H558 Количество:6 Tractor Serial No.______-004851 Примечание:1/8", SUB FOR R21630
24 - Трубная заглушка 15H558 Количество:4 Tractor Serial No.004852-______ Примечание:1/8", SUB FOR R21630
24 - Трубная заглушка R21629 Количество:6 Tractor Serial No.______-004851 Примечание:SUB 15H560
24 - Трубная заглушка R21629 Количество:5 Tractor Serial No.004852-______ Примечание:SUB 15H560
24 - Трубная заглушка R21629 Количество:4 Примечание:SUB 15H560
24 - Трубная заглушка 15H558 Количество:6 Примечание:1/8", SUB FOR R21630
25 - Шар 400R Примечание:6 MM (1/4")Посмотреть аналогичные детали
26 - Пружина R65230 Tractor Serial No.004852-______
27 - Винт R65231 Tractor Serial No.004852-______
28 - Фитинг R36526 Примечание:USE WITH R62831, R65223 OR R65228; (NLA)
28 - Крепление со штифтом R53050 Примечание:USE WITH R70244
29 - Пластина R35355 Tractor Serial No.001651-______ Примечание:USE WITH R62831, R65223 OR R65228
29 - Пружинный шплинт 34H249 Примечание:1/8" X 7/8", USE WITH R70244
30 - Клапан R62841
31 - Пружинный шплинт 34H188 Количество:6 Примечание:5/16" X 1-3/4"
32 - Тарельчатая пружина R50348 Количество:8
33 - Пружинное кольцо R39299
34 - Диск с канавкой AR71561 Количество:7 Примечание:SUB RE29816
35 - Пластина муфты R39259 Количество:8
36 - Пружина R50604 Количество:6
37 - Пластина R50152 Количество:4
38 - Дисковое орудие RE29815 Количество:4 Примечание:SUB FOR AR71560
39 - Пластина R50153
40 - Винт с головкой R30165 Количество:6
Наверх
Modified Tractor Replacement Parts - ST428106 ( Модифицированные Запасные Части Трактор - )
![Джон Дир 8430 Modified Tractor Replacement Parts Modified Tractor Replacement Parts]()
1 - Винт с головкой R112876 Количество:2 Примечание:(SUB FOR R40808)
2 - Упаковка R60038 Количество:2
3 - Фитинг переходника R65720
4 - Прокладка M4T Примечание:0.051 MM (0.002")
4 - Прокладка M6T Примечание:0.254 MM (0.010")
5 - Коленчатый патрубок AR26674 Количество:2 Примечание:90°
6 - Маслопровод AR84492
Наверх
Planet Pinion Carrier And Clutch Output U-Joint Yoke - ST428107 ( Планеты Шестерня Несущей И Выходной Сцепления Вилка Карданного Шарнира - )
![Джон Дир 8430 Planet Pinion Carrier And Clutch Output U-Joint Yoke Planet Pinion Carrier And Clutch Output U-Joint Yoke]()
1 - Винт с головкой 19H1732 Количество:5 Tractor Serial No.______-002744 Примечание:3/8" X 1-1/4"
1 - Винт с головкой 19H1765 Количество:5 Tractor Serial No.002745-______ Примечание:3/8" X 1-3/4"
2 - Стопорная шайба 12H304 Количество:5 Примечание:3/8 дюйма
3 - Конич. роликов. подшипник AR68323
4 - Сальник AR94262 Примечание:(SUB FOR R37410)
5 - Корп. подшипн. без подш. R57094 Tractor Serial No.______-002744 Примечание:(SUB R62731, 28H1697, (5) 19H1765 AND (5) 12H304)
5 - Корп. подшипн. без подш. R62731 Tractor Serial No.002745-______
6 - Стопорная гайка R57049 Tractor Serial No.______-002025 Примечание:(RH THREAD)
6 - Стопорная гайка R74994 Tractor Serial No.002026-______ Примечание:(LH THREAD) (SUB FOR R62368)
7 - Вилка R57980 Tractor Serial No.______-002025 Примечание:(SUB R62366 AND R74994)
7 - Вилка универсал. шарнира R62366 Tractor Serial No.002026-______
8 - Корп. подшипн. без подш. AR70819
9 - Уплотнительное кольцо R57050
10 - Пружинное кольцо F1373R
11 - Шайба R57048 Примечание:(SUB R78005)
12 - Втулка R57039
13 - Водило сателлитов AR84259 Примечание:(MARKED R57038 OR R65682) (ALSO ORDER (6) AR84260) (SUB FOR AR68322) (SUB RE12772)
13 - Двухпозиционная муфта RE12772 Примечание:(SUB RE12773, F2741R, (5) R57047, R57050, R60038 AND R62842)
13 - Двухпозиционная муфта RE12773 Примечание:(ALSO ORDER F2741R, (5) R57047, R57050, R60038 AND R62842)
14 - Винт с головкой AR84260 Количество:6 Примечание:(SUB FOR AR77435 OR AR82508)
15 - Упорная шайба R42931 Количество:6
16 - Игольчатый подшипник JD9942 Количество:6
17 - Ведущая шестерня R57041 Количество:3
18 - Гильза R57042 Количество:3
19 - Вал сателлита AR70726 Количество:3
20 - Шар H871R Количество:3 Примечание:5 MM (3/16")
21 - Шайба R33083 Количество:2
22 - Ведущая шестерня AR90973 Примечание:LOW RANGE SUN (SUB FOR R57099 OR AR86219)
23 - Ведущая шестерня R57040 Примечание:HIGH RANGE PLANET SUN
Наверх
Hi-Lo Clutch Disks And Low Range Pinion Replacement Kit - ST428108 ( Привет-Ло Диски Сцепления И Низкий Замена Комплекта Серии Шестерней )
![Джон Дир 8430 Hi-Lo Clutch Disks And Low Range Pinion Replacement Kit Hi-Lo Clutch Disks And Low Range Pinion Replacement Kit]()
1 - Упаковка F2741R
2 - Упаковка R60038 Количество:2
3 - Винт с головкой R57047 Количество:5
4 - Упаковка R57558
5 - Шайба R59137
6 - Поршень R79831
7 - Кольцо R39322 Количество:2
8 - Шайба R50349
9 - Втулка R50222
10 - Игольчатый ролик R38295 Количество:3
11 - Барабан AR68324 Примечание:MARKED R57044
12 - Шайба R39304
13 - Шайба R57046
14 - Поршень R57045
15 - Тарельчатая пружина R50348 Количество:8
16 - Пружинное кольцо R39299
17 - Дисковое орудие RE29816 Количество:7 Примечание:SUB FOR AR71561
18 - Пластина муфты R39259 Количество:8
19 - Пружина R50604 Количество:6
20 - Пластина R50152 Количество:4
21 - Дисковое орудие RE29815 Количество:4 Примечание:SUB FOR AR71560
22 - Пластина R50153 Примечание:ORDER R59467
22 - Пластина R59467
23 - Винт с головкой R30165 Количество:6
24 - Шайба R33083 Количество:2
25 - Ведущая шестерня AR90973 Примечание:LOW RANGE SUN; SUB FOR R57099
26 - Уплотнительное кольцо R57050
27 - Дисковое орудие AR92554 Примечание:ЗАКАЖИТЕ КОМПОНЕНТЫ
Наверх
Hi-Lo Planetary Replacement Kit - ST428110 ( Привет-Ло Планетарный Комплект Замены - )
![Джон Дир 8430 Hi-Lo Planetary Replacement Kit Hi-Lo Planetary Replacement Kit]()
1 - Уплотнительное кольцо R57050
2 - Винт с головкой R57047 Количество:5
3 - Упаковка F2741R
4 - Упаковка R60038
5 - Пружина R62842
6 - Двухпозиционная муфта RE12772 Примечание:(SUB FOR AR82370, AR97024 OR RE10769) (SUB RE12773, F2741R, (5) R57047, R57050, R60038 AND R62842)
6 - Двухпозиционная муфта RE12773 Примечание:(ALSO ORDER F2741R, (5) R57047, R57050, R60038 AND R62842)
Наверх
Planet Pinion Carrier And Clutch Output U-Joint Yoke - ST428111 ( Планеты Шестерня Несущей И Выходной Сцепления Вилка Карданного Шарнира - )
![Джон Дир 8430 Planet Pinion Carrier And Clutch Output U-Joint Yoke Planet Pinion Carrier And Clutch Output U-Joint Yoke]()
1 - Упорная шайба R42931 Количество:6
2 - Игольчатый подшипник JD9942 Количество:6
3 - Ведущая шестерня R68617 Количество:3
4 - Гильза R57042 Количество:6
5 - Винт с головкой R47074 Количество:6
6 - Шайба R57115 Количество:6
7 - Вал сателлита AR70726 Количество:3
8 - Шар H871R Количество:3 Примечание:5 MM (3/16")
9 - Втулка R57039
10 - Водило сателлитов AR82940 Примечание:(MARKED R65388)
11 - Обойма упорн. подшипника JD9976 Количество:3
12 - Упорный подшипник JD9886 Количество:2
13 - Ведущая шестерня R65328
14 - Обойма упорн. подшипника JD9920 Примечание:HIGH RANGE
15 - Подшипник JD9918
16 - Ведущая шестерня AR90972 Примечание:LOW RANGE (SUB FOR AR89318)
17 - Круглый стопор R65331
18 - Винт с головкой 19H1800 Количество:5 Примечание:3/8" X 1-1/2"
19 - Стопорная шайба 12H304 Количество:5 Примечание:3/8 дюйма
20 - Вилка универсал. шарнира R62366
21 - Сальник AR94262 Примечание:(SUB FOR R37410)
22 - Конич. роликов. подшипник AR68323
23 - Корп. подшипн. без подш. R62731
24 - Стопорная гайка R74994 Примечание:(SUB FOR R62368)
25 - Корп. подшипн. без подш. AR70819
26 - Уплотнительное кольцо R57050
27 - Пружинное кольцо F1373R
28 - Шайба R57048 Примечание:(SUB R78005)
Наверх
Front Hinge Cap Screw Location - ST428112 ( Передний Шарнир Крышка Винта Место - )
![Джон Дир 8430 Front Hinge Cap Screw Location Front Hinge Cap Screw Location]()
1 - Винт с головкой 19H2682 Количество:8 Примечание:3/4" X 4-3/4"
2 - Винт с головкой 19H1892 Количество:9 Примечание:3/4" X 5-1/4"
3 - Винт с головкой 19H1765 Количество:5 Примечание:3/8" X 1-3/4", SUB FOR 19H1732 APPL
4 - Винт с головкой 19H1733 Примечание:3/8" X 2-1/2"
5 - Винт с головкой 19H1732 Количество:5 Примечание:3/8" X 1-1/4"
6 - Винт с головкой 19H1800 Примечание:3/8" X 1-1/2"
7 - Винт с головкой 19H1944 Примечание:3/8" X 2-3/4"
8 - Винт с головкой R41920 Количество:4
Наверх
Rear Hinge Cap Screw Location - ST428113 ( Задний Шарнир Винт Расположение )
![Джон Дир 8430 Rear Hinge Cap Screw Location Rear Hinge Cap Screw Location]()
1 - Винт с головкой 19H3167 Количество:4 Примечание:(HS=10.9, SAE 8) 3/4" X 3-1/4"
2 - Винт с головкой 19H3415 Количество:2 Примечание:(HS=10.9, SAE 8) 3/4" X 5-1/2", (TRANSMISSION DRIVE GUARD)
3 - Винт с головкой 19H3415 Количество:5 Примечание:(HS=10.9, SAE 8) 3/4" X 5-1/2"
4 - Винт с головкой 19H3412 Примечание:(HS=10.9, SAE 8) 3/4" X 6-3/4", (PTO DRIVE GUARD)
5 - Винт с головкой 19H3415 Количество:2 Примечание:(HS=10.9, SAE 8) 3/4" X 5-1/2", (FRONT AXLE DRIVE GUARD)
6 - Болт R65567 Количество:4 Примечание:(HS=10.9, SAE 8)
7 - Винт с головкой 19H3406 Примечание:(HS=10.9, SAE 8) 3/4" X 7-1/2"
Наверх
Independent PTO Clutch Output U-Joint Yoke - ST428115 ( Независимый выход муфты вом вилка карданного шарнира - )
![Джон Дир 8430 Independent PTO Clutch Output U-Joint Yoke Independent PTO Clutch Output U-Joint Yoke]()
1 - Вилка универсал. шарнира R57982
2 - Сальник AR94262 Примечание:(SUB FOR R37410)
3 - Винт с головкой 19H1721 Количество:4 Примечание:1/2" X 1-1/2"
4 - Стопорная шайба 12H301 Количество:4 Примечание:1/2"
5 - Стопор R57692
6 - Уплотнительное кольцо P46129
7 - Шариковый подшипник JD8520
8 - Пружинное кольцо F267R
9 - Уплотнительное кольцо R30319
10 - Винт с головкой 19H1732 Количество:5 Примечание:3/8" X 1-1/4"
10 - Винт с головкой 19H1800 Количество:5 Примечание:3/8" X 1-1/2"
11 - Стопорная шайба 12H304 Количество:6 Примечание:3/8 дюйма
12 - Трубная заглушка 15H558 Количество:2 Примечание:1/8"
13 - Корп. подшипн. без подш. AR70968 Примечание:(MARKED R57547)
14 - Кольцо R47565
Наверх
Independent PTO Clutch - ST428116 ( Независимое сцепление вом - )
![Джон Дир 8430 Independent PTO Clutch Independent PTO Clutch]()
1 - Кольцо R39322 Количество:3
2 - Шайба R50349
3 - Трубная заглушка 15H560 Количество:3 Примечание:1/16"
4 - Установочный штифт R28671
5 - Шар 400R Примечание:6 MM (1/4")Посмотреть аналогичные детали
6 - Круглый стопор R40426
7 - Барабан AR68538
8 - Шайба R43381
9 - Сальник R120841 Примечание:(SUB FOR R43380)
10 - Поршень R43304
11 - Тарельчатая пружина R70027 1 Примечание:(SUB FOR R43382)
12 - Пружинное кольцо R43383
13 - Шайба R57100
14 - Ступица AR69654 Примечание:(MARKED R57943)
15 - Пластина муфты R46419 Количество:6
16 - Тормозной диск RE234261 Количество:6 Примечание:(SUB FOR AR68945 OR AR94517)
17 - Пластина R43151
18 - Винт с головкой 19H1900 Количество:6 Примечание:5/16" X 3/4"
Наверх
Independent PTO Clutch Input Gear And Support - ST428117 ( Независимый вом, муфты шестерни первичного вала и поддержка )
![Джон Дир 8430 Independent PTO Clutch Input Gear And Support Independent PTO Clutch Input Gear And Support]()
1 - Винт с головкой R83045 Tractor Serial No.001475-______
2 - Шайба T21242 Tractor Serial No.001475-______
3 - Винт с головкой R112876 Количество:4 Tractor Serial No.______-001474 Примечание:SUB FOR R40808
3 - Винт с головкой T31785 Количество:3 Tractor Serial No.001475-______
4 - Шайба R57696 Количество:3 Tractor Serial No.001475-______ Примечание:SUB FOR R1870R
5 - Установочный штифт R48685 Количество:2 Tractor Serial No.______-003594
6 - Опора AR70384 Tractor Serial No.______-001474 Примечание:MARKED R57294 (PTO)
6 - Опора AR70384 Tractor Serial No.______-001474 Примечание:MARKED R57294 (LESS PTO); SUB RE11574, (3) T31785, (3) R57696, R83045 AND T21242
6 - Опора AR76988 Tractor Serial No.001475-003594 Примечание:MARKED R62284; (PTO)
6 - Опора AR76988 Tractor Serial No.001475-003594 Примечание:MARKED R62284; (LESS PTO); (SUB RE11574
6 - Опора AR79510 Tractor Serial No.003595-______ Примечание:MARKED R64015 OR R64016; (PTO)
6 - Опора AR79510 Tractor Serial No.003595-______ Примечание:MARKED R64015 OR R64016 (LESS PTO); SUB RE11574
7 - Прокладка T20516 Tractor Serial No.______-003594 Примечание:0.08 MM (0.003")
7 - Прокладка T20515 Tractor Serial No.______-003594 Примечание:0.25 MM (0.010")
8 - Наружн. кольцо подшипн. JD7416 Tractor Serial No.______-003594
9 - Внутр. кольцо подшипника JD7392 Tractor Serial No.______-003594
10 - Втулка R30829 Tractor Serial No.______-003594
11 - Передача AR69252 Tractor Serial No.______-003594 Примечание:(A) MARKED R57635 OR R77048
12 - Установочный штифт R48685 Количество:2 Tractor Serial No.003595-______
13 - Корп. подшипн. без подш. RE11574 Tractor Serial No.003595-______ Примечание:MARKED R77657
14 - Внутр. кольцо подшипника JD7220
15 - Наружн. кольцо подшипн. JD7270
Наверх
Clutch Oil Pump Drive Gear And Shaft - ST428118 ( Муфта Привода Насоса Масла Шестерни И Вал - )
![Джон Дир 8430 Clutch Oil Pump Drive Gear And Shaft Clutch Oil Pump Drive Gear And Shaft]()
1 - Винт R46567 Количество:5
2 - Корп. подшипн. без подш. R57128
3 - Прокладка R57129 Примечание:0.08 MM (0.003")
3 - Прокладка R57130 Примечание:0.13 MM (0.005")
3 - Прокладка R57131 Примечание:0.25 MM (0.010")
4 - Наружн. кольцо подшипн. JD8206
5 - Внутр. кольцо подшипника JD8992
6 - Передача R58414
7 - Уплотнительное кольцо F1870R
8 - Внутр. кольцо подшипника JD8191
9 - Наружн. кольцо подшипн. JD8290
10 - Кольцо R57315
11 - Ведущий вал R58415
12 - Прокладка T14320 Примечание:0.05 MM (0.002")
12 - Прокладка T14321 Примечание:0.13 MM (0.005")
12 - Прокладка T14322 Примечание:0.25 MM (0.010")
13 - Наружн. кольцо подшипн. JD7444
14 - Внутр. кольцо подшипника JD8140
15 - Передача R57941
16 - Внутр. кольцо подшипника JD8140
17 - Наружн. кольцо подшипн. JD7444
Наверх
PTO Clutch Kit - ST428119 ( Комплект сцепления ПТО - )
![Джон Дир 8430 PTO Clutch Kit PTO Clutch Kit]()
1 - Винт с головкой R45693
2 - Шайба R20135
3 - Уплотнительное кольцо U10289
4 - Вилка универсал. шарнира R47655
5 - Сальник AR94262
6 - Пружинное кольцо F561R
7 - Наружн. кольцо подшипн. JD7442
8 - Трубная заглушка 15H558 Количество:3 Примечание:1/8"
9 - Корп. подшипн. без подш. RE37999 Примечание:(MARKED R99197)
10 - Наружн. кольцо подшипн. JD7444
11 - Внутр. кольцо подшипника JD8140
12 - Прокладка R77093 Примечание:0.076 MM (0.003")
12 - Прокладка R77094 Примечание:0.127 MM (0.005")
12 - Прокладка R77095 Примечание:0.254 MM (0.010")
13 - Внутр. кольцо подшипника JD8123
14 - Ось R77091
15 - Уплотнительное кольцо R56905 Количество:2
16 - Внутр. кольцо подшипника JD7220
17 - Кольцо R39322 Количество:3
18 - Установочный штифт A4681R
19 - Шар 400R Посмотреть аналогичные детали
20 - Круглый стопор R40426
21 - Барабан RE25480 Примечание:(MARKED R77088)
22 - Шайба R43381
23 - Сальник R120841 Примечание:(SUB FOR R43380)
24 - Поршень R63266
25 - Тарельчатая пружина R70027 7
26 - Пружинное кольцо R43383
27 - Пластина муфты R51676 Количество:8
28 - Тормозной диск RE234261 Количество:8 Примечание:(SUB FOR AR94517)
29 - Крышка R77090
30 - Винт с головкой R30165 Количество:6
31 - Пружинное кольцо R79587
32 - Косозубое колесо RE10349
33 - Винт с головкой T31785 Количество:3 Примечание:3/8" X 1-3/4" HS=10.9, SAE 8
34 - Шайба R57696 Количество:3
35 - Винт с головкой R83045
36 - Шайба T21242
37 - Установочный штифт R48685 Количество:2
38 - Корп. подшипн. без подш. RE11574 Примечание:(MARKED R77657)
39 - Прокладка T14320 Примечание:0.05 MM (0.002")
39 - Прокладка T14321 Примечание:0.13 MM (0.005")
39 - Прокладка T14322 Примечание:0.25 MM (0.010")
40 - Комплект муфты RE38000 Примечание:Дополнительные компоненты
Наверх
PTO Shaft, Master Shield And Guard 1000-RPM - ST428120 ( Вал ПТО, мастер Щит и охранно-об / мин - )
![Джон Дир 8430 PTO Shaft, Master Shield And Guard 1000-RPM PTO Shaft, Master Shield And Guard 1000-RPM]()
1 - Ограждение AR26701
2 - Винт R27329 Количество:2
3 - Стопор AR26707
4 - Зажимная скоба R62793 Количество:2 Tractor Serial No.002005-______
5 - Щиток AR77452 Примечание:ALSO ORDER R62793; SUB FOR R58678
6 - Винт R27329 Количество:2
7 - Корп. подшипн. без подш. AR78445 Примечание:MARKED R58659 OR R63529; SUB FOR AR70637
8 - Прокладка R58900
9 - Сальник AR72992
10 - Пружинное кольцо R40712 Количество:2
11 - Шариковый подшипник JD7123
12 - Пружинное кольцо A4609R
13 - Втулка R55489 Tractor Serial No.______-008462
13 - Втулка R55394 Tractor Serial No.008463-______
14 - Ось R57946 Tractor Serial No.______-008462 Примечание:SUB R74443 AND R55394
14 - Ось R65290 Tractor Serial No.008463-______ Примечание:SUB R74443, R55394 AND R55489
15 - Стопорная шайба 12H301 Количество:6 Примечание:1/2"
16 - Винт с головкой 19H1721 Количество:6 Примечание:1/2" X 1-1/2"
17 - Винт с головкой 19H1974 Количество:2 Примечание:1/2" X 2-3/4"
18 - Фитинг переходника R58764 Примечание:SUB AR89543
18 - Фитинг переходника AR89543 Примечание:INCLUDES R68682
18 - Метка R68682 Примечание:Вал МОМ
19 - Стопорная шайба 12H301 Количество:6 Примечание:1/2"
20 - Гайка 14H1040 Количество:2 Примечание:1/2"
21 - Опора AR77229 Tractor Serial No.002005-______ Примечание:SUB FOR AR71035
22 - Винт с головкой 19H1792 Количество:4 Примечание:1/2" X 1"
23 - Фитинг переходника AR72476 Примечание:KIT, ADAPTER TO INSTALL 1-3/8" PTO SHAFT, SUB AR89543
24 - Щиток R62640 Tractor Serial No.______-002004 Примечание:SUB FOR R58677; SUB R79392
24 - Щиток R79392 Tractor Serial No.002005-______ Примечание:SUB FOR R62640
25 - Шайба 28H1517 Количество:2 Примечание:0.493" X 0.675" X 1/4"
26 - Шайба 24H1682 Количество:2 Примечание:13/32" X 7/8" X 0.120"
27 - Винт с головкой 19H1732 Количество:2 Примечание:3/8" X 1-1/4"
Наверх
Independent PTO Clutch Oil Pressure And Lubrication Lines - ST428121 ( Независимый вом сцепления давление масла и смазки линии - )
![Джон Дир 8430 Independent PTO Clutch Oil Pressure And Lubrication Lines Independent PTO Clutch Oil Pressure And Lubrication Lines]()
1 - Тройник AR32665 Tractor Serial No.______-005138
1 - Тройник AR84178 Tractor Serial No.005139-______
2 - Уплотнительное кольцо R26375 Количество:3
3 - Линия AR70969 Примечание:PTO CLUTCH LUBRICATION
4 - Фитинг R27212
5 - Уплотнительное кольцо R26448
6 - Фитинг R27237
7 - Маслопровод AR70970 Примечание:Напорный трубопровод муфты PTO
8 - Коленчатый патрубок AR26745 Примечание:45°
Наверх
PTO Brake Oil Lines - ST428122 ( Маслопроводы тормоза ПТО - )
![Джон Дир 8430 PTO Brake Oil Lines PTO Brake Oil Lines]()
1 - Фитинг R36926
2 - Тройник AT27142
3 - Уплотнительное кольцо R26286 Количество:2
4 - Маслопровод AR70977
5 - Винт с головкой 19H1731 Примечание:3/8" X 1"
6 - Стопорная шайба 12H304 Количество:2 Примечание:3/8 дюйма
7 - Шайба 24M7096 Примечание:10.500 X 18 X 1.600 mm
8 - Скоба R57549 Количество:4
9 - Гайка 14H1076 Примечание:3/8 дюйма
10 - Кронштейн R63638
11 - Шайба T21397 Количество:4
12 - Шайба 24M7096 Примечание:10.500 X 18 X 1.600 mm
13 - Винт с головкой 19H1732 Примечание:3/8" X 1-1/4"
14 - Шланговый зажим TY22465 Примечание:(SUB FOR AR21837)
15 - Маслопровод AR70978
16 - Фитинг R27272
17 - Винт с головкой 19H3210 Количество:2 Примечание:3/4" X 5-1/4"
Наверх
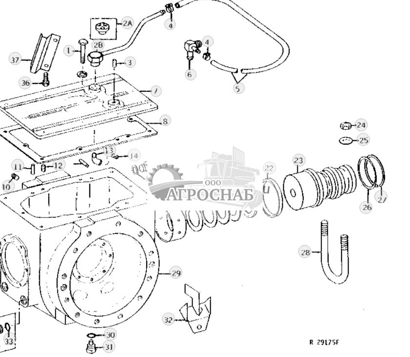
Torque Divider Housing - ST428123 ( Крутящий Момент Делитель Жилищно - )
![Джон Дир 8430 Torque Divider Housing Torque Divider Housing]()
1 - Прокладка R57441 Примечание:(SUB R100302)
2 - Корпус AR71694 Tractor Serial No.______-001474 Примечание:(MARKED R57191) (SUB AR74377, A4808R, R29463, R53169, R40147, R61287, R61334, 12H304, (2) 19H1731, 19H1726, (2) 19H3168, 24M7096 AND 28H1525)
2 - Корпус AR74377 Tractor Serial No.001475-______ Примечание:(MARKED R61333)
3 - Пружинный шплинт 34H254 Примечание:1/8" X 1-1/2"
4 - Шайба T21397 Количество:8
5 - Винт с головкой 19H1707 Количество:4 Примечание:3/4" X 2-3/4"
6 - Подножка R58076
7 - Винт с головкой R43569 Количество:2 Примечание:(SUB R72371)
8 - Уплотнительное кольцо R26286
9 - Пробка сливного отверстия R27094
10 - Винт с головкой 19H1707 Количество:4 Tractor Serial No.______-004243 Примечание:3/4" X 2-3/4"
10 - Болт R65567 Количество:4 Tractor Serial No.004244-______
Наверх
Input Gear Lubrication Line - ST428124 ( Входная Шестерня Линии Смазки - )
![Джон Дир 8430 Input Gear Lubrication Line Input Gear Lubrication Line]()
1 - Маслопровод AR68717
2 - Сальник AR39043
Наверх
Upper Transmission Input Shaft And Gear - ST428125 ( Верхняя Часть Коробки Передач Первичного Вала И Шестерню - )
![Джон Дир 8430 Upper Transmission Input Shaft And Gear Upper Transmission Input Shaft And Gear]()
1 - Винт R57725 Количество:4
2 - Трубная заглушка 15H571 Примечание:3/8 дюйма
3 - Крышка R63067 Примечание:(ALSO ORDER 15H571) (SUB FOR R58057) (SUB R78417 AND 15H690)
4 - Уплотнительное кольцо T20758
5 - Прокладка R59223 Примечание:0.08 MM (0.003")
5 - Прокладка J10537 Примечание:0.13 MM (0.005")
5 - Прокладка J6382H Примечание:0.25 MM (0.010")
5 - Прокладка J10538 Примечание:0.76 MM (0.030")
5 - Шайба J10539 Примечание:1.22 MM (0.048")
6 - Наружн. кольцо подшипн. JD8223
7 - Внутр. кольцо подшипника JD8182
8 - Передача R59530
9 - Шплинт 11M7032 Примечание:5 X 50 mm
10 - Внутр. кольцо подшипника JD8901
11 - Наружн. кольцо подшипн. JD8236
12 - Сальник AR94262 Примечание:(SUB FOR R37410)
13 - Вилка универсал. шарнира R47655
14 - Уплотнительное кольцо U10289
15 - Шайба R48733 Примечание:6.350 MM (.250")
15 - Шайба R48734 Примечание:6.292 MM (.248")
15 - Шайба R48735 Примечание:6.233 MM (.245")
16 - Гайка R48776
Наверх
Upper Transmission Input Idler Shaft And Gear - ST428126 ( Верхняя Передача Входных Натяжной Вал И Шестерни - )
![Джон Дир 8430 Upper Transmission Input Idler Shaft And Gear Upper Transmission Input Idler Shaft And Gear]()
1 - Наружн. кольцо подшипн. JD8283
2 - Внутр. кольцо подшипника JD9006
3 - Передача R59531
4 - Внутр. кольцо подшипника JD8182
5 - Наружн. кольцо подшипн. JD8223
6 - Прокладка R59223 Примечание:0.08 MM (0.003")
6 - Прокладка J10537 Примечание:0.13 MM (0.005")
6 - Прокладка J6382H Примечание:0.25 MM (0.010")
6 - Прокладка J10538 Примечание:0.76 MM (0.030")
6 - Шайба J10539 Примечание:1.22 MM (0.048")
7 - Уплотнительное кольцо U10746 Примечание:(SUB FOR R52404)
8 - Крышка R63067 Примечание:(ALSO ORDER 15H571) (SUB FOR R58057) (SUB R78417 AND 15H690)
9 - Винт R57725 Количество:4
10 - Трубная заглушка 15H571 Примечание:3/8 дюйма
Наверх
Upper PTO Idler Gear And Shaft - ST428127 ( Верхние ПТО шестерню и вал - )
![Джон Дир 8430 Upper PTO Idler Gear And Shaft Upper PTO Idler Gear And Shaft]()
1 - Наружн. кольцо подшипн. JD8223 Количество:2
2 - Внутр. кольцо подшипника JD8182 Количество:2
3 - Передача R58049
4 - Прокладка R59223 Примечание:0.08 MM (0.003")
4 - Прокладка J10537 Примечание:0.13 MM (0.005")
4 - Прокладка J6382H Примечание:0.25 MM (0.010")
4 - Прокладка J10538 Примечание:0.76 MM (0.030")
4 - Шайба J10539 Примечание:1.22 MM (0.048")
5 - Уплотнительное кольцо T20758
6 - Крышка R63067 Примечание:(ALSO ORDER 15H571) (SUB FOR R58057) (SUB R78417 AND 15H690)
7 - Винт R57725 Количество:4
8 - Трубная заглушка 15H571 Примечание:3/8 дюйма
Наверх
Front Axle Drive Shaft - ST428128 ( Передний Мост Приводной Вал - )
![Джон Дир 8430 Front Axle Drive Shaft Front Axle Drive Shaft]()
1 - Гайка R48776
2 - Шайба R48733 Примечание:6.350 MM (.250")
2 - Шайба R48734 Примечание:6.292 MM (.248")
2 - Шайба R48735 Примечание:6.233 MM (.245")
3 - Уплотнительное кольцо A4540R Примечание:(SUB FOR U10289)
4 - Вилка универсал. шарнира R67064 Примечание:(SUB FOR R58536) (SUB R72672 AND A4540R)
5 - Пружинное кольцо A5596R
6 - Сальник AR94262 Примечание:(SUB FOR R37410)
7 - Пружинное кольцо F564R Количество:2
8 - Сферич. ролик. подшипник AR70077
9 - Корп. подшипн. без подш. R58058
10 - Штифт R490R
11 - Сальник AR69776
12 - Уплотнительное кольцо U44083
13 - Уплотнительное кольцо R26621
14 - Шплинт 11M7032 Примечание:5 X 50 mm
15 - Ось R57265
16 - Уплотнительное кольцо F1056R
Наверх
Lower Transmission Input Gear And PTO Drive Pinion - ST428129 ( Нижний входной коробка передач и карданный привод шестерня - )
![Джон Дир 8430 Lower Transmission Input Gear And PTO Drive Pinion Lower Transmission Input Gear And PTO Drive Pinion]()
1 - Ось R57818
2 - Пружинное кольцо R58528 Примечание:1.93 MM (0.076")
2 - Пружинное кольцо R58529 Примечание:2.01 MM (0.079")
2 - Пружинное кольцо R58530 Примечание:2.08 MM (0.082")
2 - Пружинное кольцо R58531 Примечание:2.16 MM (0.085")
2 - Пружинное кольцо R58532 Примечание:2.24 MM (0.088")
2 - Пружинное кольцо R58533 Примечание:2.31 MM (0.091)
3 - Наружн. кольцо подшипн. JD8255
4 - Внутр. кольцо подшипника JD9068
5 - Косозубое колесо R59569
6 - Компенсационное кольцо R58534
7 - Внутр. кольцо подшипника JD8158
8 - Наружн. кольцо подшипн. JD7417
9 - Шплинт 11M7032 Примечание:5 X 50 mm
10 - Вал сателлита R63329 Примечание:(SUB FOR R57295)
11 - Внутр. кольцо подшипника JD9068
12 - Наружн. кольцо подшипн. JD8255
13 - Винт R57725 Количество:4
14 - Корп. подшипн. без подш. R57239
15 - Прокладка R57240 Примечание:0.08 MM (0.003")
15 - Прокладка R57241 Примечание:0.13 MM (0.005")
15 - Прокладка R57242 Примечание:0.25 MM (0.010")
16 - Внутр. кольцо подшипника JD8965
17 - Наружн. кольцо подшипн. JD8255
18 - Прокладка R58902 Примечание:0.08 MM (0.003")
18 - Прокладка R58903 Примечание:0.13 MM (0.005")
18 - Прокладка R58904 Примечание:0.25 MM (0.010")
18 - Прокладка R62713 Примечание:0.64 MM (0.025")
19 - Уплотнительное кольцо P46129
20 - Стопор R57692
21 - Стопорная шайба 12H301 Количество:4 Примечание:1/2"
22 - Винт с головкой 19H1721 Количество:4 Примечание:1/2" X 1-1/2"
23 - Сальник AR94262 Примечание:(SUB FOR R37410)
24 - Вилка универсал. шарнира R47655
25 - Уплотнительное кольцо A4540R Примечание:(SUB FOR U10289)
26 - Шайба R48733 Примечание:6.350 MM (.250")
26 - Шайба R48734 Примечание:6.292 MM (.248")
26 - Шайба R48735 Примечание:6.233 MM (.245")
27 - Гайка R48776
Наверх
PTO Lower Drive Gear And Brake Piston - ST428131 ( ПТО нижнюю шестерню привода и тормозного поршня - )
![Джон Дир 8430 PTO Lower Drive Gear And Brake Piston PTO Lower Drive Gear And Brake Piston]()
1 - Винт R57725 Количество:5
2 - Крышка R62857 Примечание:(SUB FOR R57310)
3 - Прокладка R57311 Примечание:0.13 MM (0.005")
3 - Прокладка R57312 Примечание:0.25 MM (0.010")
3 - Шайба R57313 Примечание:1.22 MM (0.048")
4 - Наружн. кольцо подшипн. JD7446
5 - Внутр. кольцо подшипника JD8130
6 - Передача R58901
7 - Внутр. кольцо подшипника JD7378
8 - Наружн. кольцо подшипн. JD7292
9 - Поршень AR83524 Примечание:(SUB FOR AR68647 OR AR77656) (SUB RE29832)
10 - Уплотнительное кольцо T12275
11 - Кольцо R59532
Наверх
Transmission Front Output U-Joint Yoke And Lower PTO Idler Gear - ST428132 ( Передачи передний выходной вилкой карданного шарнира и нижней ПТО шестерню - )
![Джон Дир 8430 Transmission Front Output U-Joint Yoke And Lower PTO Idler Gear Transmission Front Output U-Joint Yoke And Lower PTO Idler Gear]()
1 - Винт R57725 Количество:5
2 - Крышка R62857 Примечание:(SUB FOR R57310)
3 - Прокладка R57744 Примечание:0.13 MM (0.005")
3 - Прокладка R57745 Примечание:0.25 MM (0.010")
3 - Шайба R57746 Примечание:1.22 MM (0.048")
4 - Наружн. кольцо подшипн. JD7416
5 - Внутр. кольцо подшипника JD8939
6 - Передача R57095
7 - Внутр. кольцо подшипника JD9087
8 - Наружн. кольцо подшипн. JD8246
9 - Пружинное кольцо H441R
10 - Шариковый подшипник JD9279
11 - Уплотнительное кольцо U44083
12 - Пружинный шплинт 34H316 Примечание:1/4" X 1-1/2"
13 - Корп. подшипн. без подш. R58220
14 - Сальник AR94262 Примечание:(SUB FOR R37410)
15 - Пружинное кольцо A5596R
16 - Вилка универсал. шарнира R78792 Примечание:(SUB FOR R57983 OR R64559)
Наверх
Universal Telescoping Joint (Rockwell) (Front Axle Drive) - ST428133 ( Совместные Универсальная Телескопическая (Роквелл) (Передний Мост Привод) - )
![Джон Дир 8430 Universal Telescoping Joint (Rockwell) (Front Axle Drive) Universal Telescoping Joint (Rockwell) (Front Axle Drive)]()
1 - Винт с головкой R58296 Количество:8
2 - Узел крестов. и подшипн. AR90543 Количество:2 Примечание:(SUB FOR AR84046) (SUB RE40111)
3 - Смазочная арматура JD7782 Примечание:1/8", (4 USED WITH AR90543) (8 USED WITH RE40111)
4 - Смазочная арматура JD7759 Количество:2 Примечание:1/8"
5 - Колпачок R66563
6 - Универсальный шарнир AR90542 Примечание:(SUB FOR AR84045) (SUB AR95972)
7 - Винт с головкой R58296 Количество:8
Наверх
Universal Telescoping Joint (Mechanics) (Front Axle Drive) - ST428134 ( Совместные Универсальная Телескопическая (Механика) (Передний Мост Привод) - )
![Джон Дир 8430 Universal Telescoping Joint (Mechanics) (Front Axle Drive) Universal Telescoping Joint (Mechanics) (Front Axle Drive)]()
1 - Винт с головкой R58296 6
2 - Узел крестов. и подшипн. AR90543 Количество:2 Примечание:(SUB FOR AR84046) (SUB RE40111)
3 - Смазочная арматура JD7782 Примечание:1/8", (4 USED WITH AR90543) (8 USED WITH RE40111)
3 - Фитинг R61943 Количество:4 Примечание:1/4", (USE WITH AR84045)
4 - Смазочная арматура JD7797 Количество:2 Примечание:1/4 дюйма
4 - Смазочная арматура JD7759 Количество:2 Примечание:1/8", (USE WITH AR95972)
5 - Комплект AT62180
6 - Универсальный шарнир AR90542 Примечание:(SUB FOR AR84045) (SUB AR95972)
7 - Винт с головкой R58296 Количество:8
Наверх
Universal Telescoping Joint (Rockwell) (PTO Clutch to Torque Divider) - ST428135 ( Совместные универсальная телескопическая (Роквелл) (муфты вом крутящий момент делителем) - )
![Джон Дир 8430 Universal Telescoping Joint (Rockwell) (PTO Clutch to Torque Divider) Universal Telescoping Joint (Rockwell) (PTO Clutch to Torque Divider)]()
1 - Ведущий вал AT59126 Количество:2 Примечание:REPAIR CENTER PARTS (SUB FOR AT23096) (SUB AT74268 AND (4) T76091)
2 - Смазочная арматура JD7797 Количество:2 Примечание:1/4 дюйма
3 - Смазочная арматура JD7759 Примечание:1/8"
4 - Шайба R37419 6 Примечание:(SUB T77706)
5 - Винт T82430 Количество:8 Примечание:(SUB FOR T25247 OR T66881)
6 - Сальник T61641
7 - Универсальный шарнир AR87393
8 - Винт T66730 Количество:8 Примечание:(SUB FOR R37418)
Наверх
Universal Telescoping Joint (Dana) (PTO Clutch to Torque Divider) - ST428136 ( Совместные универсальная телескопическая (Дана) (муфты вом крутящий момент делителем) - )
![Джон Дир 8430 Universal Telescoping Joint (Dana) (PTO Clutch to Torque Divider) Universal Telescoping Joint (Dana) (PTO Clutch to Torque Divider)]()
1 - Подшипниковый комплект AT43767 Количество:2
2 - Пружинное кольцо T29634 Количество:4
3 - Смазочная арматура JD7797 Количество:2 Примечание:1/4 дюйма
4 - Смазочная арматура JD7759 Примечание:1/8"
5 - Комплект уплотнений AT59480 Примечание:Уплотнение
6 - Универсальный шарнир AR87393
7 - Винт T66730 Количество:8 Примечание:(SUB FOR R37418)
Наверх
Universal Telescoping Joint (Rockwell) (Clutch to Torque Divider) - ST428137 ( Совместные универсальная телескопическая (Роквелл) (муфтой крутящего момента делителя) - )
![Джон Дир 8430 Universal Telescoping Joint (Rockwell) (Clutch to Torque Divider) Universal Telescoping Joint (Rockwell) (Clutch to Torque Divider)]()
1 - Ведущий вал AT59126 Количество:2 Примечание:SUB FOR AT23096; SUB AT74268 AND (4) T76091
2 - Смазочная арматура JD7797 Количество:2 Примечание:1/4 дюйма
3 - Смазочная арматура JD7759 Примечание:1/8"
4 - Шайба R37419 Количество:8 Примечание:SUB T77706
5 - Винт T82430 Количество:8 Примечание:SUB FOR T25247 OR T66881
6 - Сальник T61641
7 - Универсальный шарнир AR87395 Примечание:SUB FOR AR70429
8 - Винт T66730 Количество:8 Примечание:SUB FOR R37418
Наверх
Universal Telescoping Joint (Dana) (Clutch to Torque Divider) - ST428138 ( Совместные универсальная телескопическая (Дана) (муфтой крутящего момента делителя) - )
![Джон Дир 8430 Universal Telescoping Joint (Dana) (Clutch to Torque Divider) Universal Telescoping Joint (Dana) (Clutch to Torque Divider)]()
1 - Подшипниковый комплект AT43767 Количество:2
2 - Пружинное кольцо T29634 Количество:4
3 - Смазочная арматура JD7797 Количество:2 Примечание:1/4 дюйма
4 - Смазочная арматура JD7759 Примечание:1/8"
5 - Комплект уплотнений AT59480 Примечание:SEAL; SUB FOR T29636
6 - Универсальный шарнир AR87395 Примечание:SUB FOR AR70429
7 - Винт T66730 Количество:8 Примечание:SUB FOR R37418
Наверх
U-Joint Guards - ST428139 ( U-Соединения Охранники - )
![Джон Дир 8430 U-Joint Guards U-Joint Guards]()
1 - Ограждение AR77733 Примечание:(TOP REAR HINGE) (SUB FOR AR70331) (SUB AR78190)
2 - Винт с головкой 19H3415 Количество:4 Примечание:(A) 3/4" X 5-1/2"
3 - Шайба T21397 4
4 - Винт с головкой 19H3406 Примечание:3/4" X 7-1/2"
5 - Ограждение AR70495 Примечание:(CENTER REAR HINGE) (SUB AR79067)
6 - Винт с головкой 19H3600 Tractor Serial No.______-005341 Примечание:3/4" X 7"
6 - Винт с головкой 19H3412 Tractor Serial No.005342-______ Примечание:3/4" X 6-3/4"
7 - Ограждение AR70478 Примечание:(BOTTOM REAR HINGE) (SUB AR75719)
8 - Винт с головкой 19H3210 Количество:2 Примечание:3/4" X 5-1/4"
9 - Ограждение AR85308 Примечание:(BOTTOM FRONT HINGE) (SUB FOR AR70479) (SUB AR75720)
Наверх
Rear Hinge - ST428140 ( Задний Шарнир - )
![Джон Дир 8430 Rear Hinge Rear Hinge]()
1 - Штифт A776R Количество:2 Примечание:(INPUT GEAR HOUSING TO REAR HINGE)
2 - Прокладка R57601
3 - Шайба T21397 Количество:4
4 - Винт с головкой 19H3167 Количество:4 Примечание:3/4" X 3-1/4"
5 - Шарнир AR79024 Примечание:SUB FOR AR69961; MARKED R57221 OR R63860
6 - Уплотнительное кольцо T20758
7 - Крышка R63067 Примечание:ALSO ORDER 15H571; SUB FOR R58057; SUB R78417 AND 15H690
8 - Трубная заглушка 15H571 Примечание:3/8 дюйма
9 - Винт R57725 Количество:4 Примечание:SUB FOR R40835
10 - Стопор R57309 Примечание:(POWER SHAFT DRIVE PINION) (LESS PTO)
11 - Уплотнительное кольцо P46129
12 - Винт с головкой 19H2038 Примечание:3/8" X 1/2", (POWER SHAFT SHIFTER RETURN PISTON STOP HOLE)
13 - Шайба A5364R
14 - Шайба T21397 Количество:4
15 - Винт с головкой 19H3415 Количество:4 Примечание:(REAR HINGE TO INPUT GEAR HOUSING) 3/4" X 5-1/2"
15 - Винт с головкой 19H3415 Количество:4 Примечание:(REAR HINGE TO INPUT GEAR HOUSING) 3/4" X 5-1/2", LH
15 - Винт с головкой 19H3412 Количество:4 Примечание:(REAR HINGE TO INPUT GEAR HOUSING) 3/4" X 6-3/4", RH
16 - Стопорная шайба 12H301 Количество:4 Примечание:1/2"
17 - Винт с головкой 19H1721 Количество:4 Примечание:1/2" X 1-1/2"
18 - Уплотнительное кольцо R26286
19 - Пробка сливного отверстия R27094 Примечание:(POWER SHAFT SHIFTER PISTON HOLE)
20 - Втулка R168008 Количество:2 Примечание:SUB FOR R57400 OR R163186; (LOWER HINGE PIVOT PIN)
21 - Стопор AR79208 Примечание:SUB AR85485, F1334R AND JD7760
22 - Штифт R66171 Примечание:(TO BE USED WITH OVERSIZE TIRES)
23 - Стопор AR85786 Примечание:(TO BE USED WITH OVERSIZE TIRES) RH
23 - Стопор AR85787 Примечание:(TO BE USED WITH OVERSIZE TIRES) LH
24 - Шайба 24H1211 Примечание:9/16" X 1-3/8" X 0.105"
25 - Стопорная шайба 12H301 Количество:2 Примечание:1/2"
26 - Винт с головкой 19H1815 Количество:2 Примечание:(TO BE USED WITH OVERSIZE TIRES) 1/2" X 1-1/4"
27 - Стопор AR94528 Примечание:(KIT, STEERING STOP, FOR OVERSIZE TIRES)
28 - Установочный штифт R1800R Примечание:(POWER SHAFT BRAKE PISTON RETAINING)
Наверх
Upper And Lower Hinge Pins - ST428141 ( Верхние И Нижние Штифты - )
![Джон Дир 8430 Upper And Lower Hinge Pins Upper And Lower Hinge Pins]()
1 - Винт с головкой 19H3579 Примечание:1/2" X 1-3/8"
2 - Шайба 24H1211 Количество:2 Примечание:9/16" X 1-3/8" X 0.105"
3 - Гильза R58621
4 - Трубная заглушка 15H558 Количество:2 Примечание:1/8"
5 - Штифт AR85485 Количество:2 Примечание:(ALSO ORDER F1334R AND JD7760) (SUB FOR AR68466)
6 - Смазочная арматура JD7781 Количество:2 Tractor Serial No.______-005522 Примечание:90°
6 - Смазочная арматура JD7760 Количество:2 Tractor Serial No.005523-______ Примечание:65°
7 - Гайка 14H1040 Примечание:1/2"
8 - Распорная втулка R58444 Примечание:(LOWER HINGE PIVOT PIN TO FRONT HINGE SCREW)
9 - Винт с головкой 19H3544 Примечание:1/2" X 4-1/2"
10 - Пружинное кольцо F1334R Количество:2 Tractor Serial No.005523-______
Наверх
Hinge Cover - ST428142 ( Петли Крышки - )
![Джон Дир 8430 Hinge Cover Hinge Cover]()
1 - Гайка 14H732 Количество:4 Примечание:3/8 дюйма
2 - Шпилька R63863 Количество:4
3 - Винт с головкой 19H2473 Количество:6 Примечание:1/2" X 1-3/4"
4 - Стопорная шайба R63864 Количество:6
5 - Крышка AR79047 Количество:2
6 - Пружинный стопорный штифт A5067R Количество:4
Наверх
Картер трансмиссии - ST428143
![Джон Дир 8430 Картер трансмиссии Картер трансмиссии]()
1 - Винт R27329 Количество:2
2 - Стопор AR26707
3 - Уплотнительное кольцо F3171R
4 - Заглушка фитинга AR54983
5 - Заглушка R73365 Примечание:PTO SPEED INDICATOR HOLE
6 - Установочный штифт R48685 Количество:2
7 - Установочный штифт R26650 Количество:2
8 - Установочный штифт R26616 Количество:3
9 - Трубная заглушка 15H624 Примечание:1/2"
10 - Штифт A776R Количество:2
11 - Установочный штифт R54380 Количество:4
12 - Заглушка R73365 Примечание:GROUND SPEED INDICATOR HOLE
13 - Заглушка R57895 Количество:2 Примечание:(LESS ROCKSHAFT)
14 - Коробка передач AR76897 Примечание:MARKED R62417, R57150 OR AR76898; ORDER RE36542
14 - Коробка передач AR100434 Примечание:MARKED R68464 OR R70755 (ILLUSTRATED); ORDER RE36542
14 - Коробка передач RE36542 Примечание:SUB FOR AR100434 OR AR89207 OR AR76897 OR AR71691
15 - Винт с головкой 19H1768 Примечание:3/4" X 2"
16 - Шайба T21397
17 - Шайба T21397 Количество: 10
18 - Винт с головкой 19H1707 Количество: 10 Примечание:3/4" X 2-3/4"
19 - Уплотнительное кольцо R26906
20 - Пробка сливного отверстия R27474
21 - Прокладка R58900 Примечание:(SUB FOR R50972)
22 - Крышка R35274 Примечание:(LESS PTO)
23 - Стопорная шайба 12H301 Количество:6 Примечание:1/2"
24 - Винт с головкой 19H2473 Количество:6 Примечание:1/2" X 1-3/4"
25 - Шайба H851R
26 - Заглушка фитинга R27483
Наверх
Картер трансмиссии - ST428144
![Джон Дир 8430 Картер трансмиссии Картер трансмиссии]()
1 - Винт с головкой 19H1768 Примечание:3/4" X 2"
2 - Шайба T21397
3 - Шайба R51494
4 - Маслопровод AR100438
5 - Установочный штифт R26616 Количество:3
6 - Втулка R55489
7 - Винт с головкой R43569 Примечание:(SUB R72371)
8 - Трубная заглушка 15H624 Примечание:1/2"
9 - Шпилька R32042
10 - Штифт A776R Количество:2
11 - Установочный штифт R54380 Количество:4
12 - Заглушка фитинга R27218
13 - Шайба R51494
14 - Трубная заглушка 15H558 Количество:2 Примечание:1/8"
15 - Фитинг AR100437
16 - Заглушка R57895 Количество:2 Примечание:(LESS ROCKSHAFT)
16 - Сальник AR86923 Количество:2 Примечание:(ROCKSHAFT) (NOT INCLUDED IN KIT)
17 - Заглушка R73365 Количество:2
18 - Установочный штифт R26650 Количество:2
19 - Коробка передач RE36542 Примечание:(MARKED R90951 OR R90952)
20 - Шайба T21397 1
21 - Винт с головкой 19H1707 1 Примечание:3/4" X 2-3/4"
22 - Уплотнительное кольцо R26906
23 - Пробка сливного отверстия R27474
24 - Прокладка R58900 Примечание:(SUB FOR R50972)
25 - Крышка R35274 Примечание:(LESS PTO)
26 - Стопорная шайба 12H301 Количество:6 Примечание:1/2"
27 - Винт с головкой 19H2473 Количество:6 Примечание:1/2" X 1-3/4"
28 - Уплотнительное кольцо F3171R
29 - Заглушка фитинга AR54983
30 - Заглушка фитинга R27483
31 - Шайба H851R
Наверх
Transmission Case Front Cover - ST428146 ( Корпус Коробки Передач Передняя Крышка - )
![Джон Дир 8430 Transmission Case Front Cover Transmission Case Front Cover]()
1 - Заглушка фитинга R27218
2 - Уплотнительное кольцо R26448
3 - Винт с головкой 19H1731 2 Примечание:3/8" X 1"
3 - Стопорная шайба 12H304 2 Примечание:3/8 дюйма
4 - Шайба A4624R 2
5 - Крышка AR50872
6 - Прокладка R43260
Наверх
Transmission Case Rear Cover - ST428147 ( Корпус Коробки Передач Задняя Крышка - )
![Джон Дир 8430 Transmission Case Rear Cover Transmission Case Rear Cover]()
1 - Щуп AR89736 Tractor Serial No.001252-______ Примечание:SUB FOR AR74198
2 - Винт с головкой 19H2228 Tractor Serial No.001252-______ Примечание:3/8" X 4"
3 - Шайба 24M7096 Tractor Serial No.001252-______ Примечание:10.500 X 18 X 1.600 mm
4A - Скоба R57549 Количество:2 Tractor Serial No.001252-______ Примечание:SUB T13814, (THIS APPLICATION)
4B - Скоба T13814
5 - Распорная втулка 28H1532 Tractor Serial No.001252-______ Примечание:0.493" X 0.675" X 2"
6 - Линия AR74197 Tractor Serial No.001252-______
7 - Винт с головкой 19H1721 8 Примечание:1/2" X 1-1/2"
8 - Шпилька R55396 Количество:4
9 - Крышка AR70490 Tractor Serial No.______-001251 Примечание:(SUB AR84576, AR30697, AR55304, AR74197, AR74198, A3917R, R1225R, R26375, R39112, (2) R57549, R57550, 19H2228, 24M7096 AND 28H1532)
9 - Крышка AR75944 Tractor Serial No.001252-004798 Примечание:(SUB AR84576 AND AR30697)
9 - Крышка AR84576 Tractor Serial No.004799-______ Примечание:(NLA)
10 - Уплотнительное кольцо R1225R Tractor Serial No.001252-004798
11 - Изолятор R57550 Tractor Serial No.001252-004798
12A - Колпачок AR55304 Tractor Serial No.001252-004798
12B - Колпачок AR30697 Tractor Serial No.004799-______ Примечание:WITH GASKET
13 - Фитинг R39112 Tractor Serial No.001252-______
14 - Уплотнительное кольцо R26375 Tractor Serial No.001252-______
15 - Уплотнительное кольцо A3917R Tractor Serial No.001252-______
16 - Втулка R55214 Tractor Serial No.001252-______
17 - Прокладка R43408 Количество:2
18 - Трубка R47466 Tractor Serial No.______-001251 Примечание:(NLA)
19 - Щуп AR50470 Tractor Serial No.______-001251
20 - Уплотнительное кольцо A4730R Количество:3 Tractor Serial No.______-001251
Наверх
Transmission Drive Shaft Bearing Kit - ST428148 ( Привод Передача Вал Подшипник Набор - )
![Джон Дир 8430 Transmission Drive Shaft Bearing Kit Transmission Drive Shaft Bearing Kit]()
1 - Наружн. кольцо подшипн. JD10005
2 - Внутр. кольцо подшипника JD8113
3 - Внутр. кольцо подшипника JD9015
4 - Наружн. кольцо подшипн. JD8288
5 - Прокладка R43346 Примечание:0.15 MM (0.006")
5 - Прокладка R43347 Примечание:0.25 MM (0.010")
5 - Прокладка R43348 Примечание:0.46 MM (0.018")
6 - Наружн. кольцо подшипн. JD8232
7 - Внутр. кольцо подшипника JD9089
8 - Внутр. кольцо подшипника JD9068
9 - Наружн. кольцо подшипн. JD8255
10 - Прокладка R57977 Примечание:0.15 MM (0.006")
10 - Прокладка R57978 Примечание:0.25 MM (0.010")
10 - Прокладка R57979 Примечание:0.46 MM (0.018")
11 - Внутр. кольцо подшипника JD7242
12 - Наружн. кольцо подшипн. JD7292
13 - Прокладка R35365 Примечание:0.08 MM (0.003")
13 - Прокладка R35366 Примечание:0.13 MM (0.005")
13 - Прокладка R35367 Примечание:0.25 MM (0.010")
14 - Наружн. кольцо подшипн. JD8280 Примечание:(SUB FOR R61921)
15 - Внутр. кольцо подшипника AR75848
16 - Подшипниковый комплект AR90882 Примечание:(SUB FOR AR87343) (SUB RE22931)
Наверх
Transmission Bearing And Shim Kit - ST428149 ( Передача Подшипник И Прокладку Комплект - )
![Джон Дир 8430 Transmission Bearing And Shim Kit Transmission Bearing And Shim Kit]()
1 - Пружинное кольцо R35377
2 - Наружн. кольцо подшипн. JD10005
3 - Внутр. кольцо подшипника JD8113
4 - Внутр. кольцо подшипника JD9015
5 - Наружн. кольцо подшипн. JD8288
6 - Прокладка R43346 Примечание:0.15 MM (0.006")
6 - Прокладка R43347 Примечание:0.25 MM (0.010")
6 - Прокладка R43348 Примечание:0.46 MM (0.018")
7 - Винт R57725 Количество:3
8 - Пружинное кольцо R49430 Примечание:1.93 MM (0.076")
8 - Пружинное кольцо R49431 Примечание:2.01 MM (0.079")
8 - Пружинное кольцо R49432 Примечание:2.08 MM (0.082")
8 - Пружинное кольцо R49433 Примечание:2.16 MM (0.085")
8 - Пружинное кольцо R49434 Примечание:2.24 MM (0.088")
8 - Пружинное кольцо R49435 Примечание:2.31 MM (0.091")
8 - Пружинное кольцо R49436 Примечание:2.39 MM (0.094")
9 - Наружн. кольцо подшипн. JD8232
10 - Внутр. кольцо подшипника JD9089
11 - Внутр. кольцо подшипника JD9068
12 - Наружн. кольцо подшипн. JD8255
13 - Пружинное кольцо R58528 Примечание:1.93 MM (0.076")
13 - Пружинное кольцо R58529 Примечание:2.01 MM (0.079")
13 - Пружинное кольцо R58530 Примечание:2.08 MM (0.082")
13 - Пружинное кольцо R58531 Примечание:2.16 MM (0.085")
13 - Пружинное кольцо R58532 Примечание:2.24 MM (0.088")
13 - Пружинное кольцо R58533 Примечание:2.31 MM (0.091")
14 - Прокладка R57977 Примечание:0.15 MM (0.006")
14 - Прокладка R57978 Примечание:0.25 MM (0.010")
14 - Прокладка R57979 Примечание:0.46 MM (0.018")
15 - Винт R57725 Количество:3
16 - Винт с головкой R42432 Количество:4 Примечание:TRANS. LUBE MANIFOLD
17 - Внутр. кольцо подшипника AR75848 Примечание:SUB FOR JD9066
18 - Наружн. кольцо подшипн. JD8280
19 - Прокладка R35365 Примечание:0.08 MM (0.003")
19 - Прокладка R35366 Примечание:0.13 MM (0.005")
19 - Прокладка R35367 Примечание:0.25 MM (0.010")
20 - Пружинное кольцо R63846
21 - Пружинное кольцо R63848
22 - Упорная шайба R83359 Количество:2 Примечание:(SUB FOR R75766)
23 - Пружинное кольцо R63739
24 - Упорная шайба R63740
25 - Пружинное кольцо R63847
26 - Втулка R49112
27 - Прокладка R49002 Примечание:0.08 MM (0.003")
27 - Прокладка R49003 Примечание:0.13 MM (0.005")
27 - Прокладка R49004 Примечание:0.25 MM (0.010")
28 - Наружн. кольцо подшипн. JD7292
29 - Внутр. кольцо подшипника JD7242
30 - Стопор R57794
31 - Подшипниковый комплект RE22931 Примечание:KIT (SUB FOR AR90882 OR RE10925)
Наверх
Transmission Drive Shaft Assembly - ST428150 ( Коробки Передач В Сборе Вал Привода - )
![Джон Дир 8430 Transmission Drive Shaft Assembly Transmission Drive Shaft Assembly]()
1 - Пружинное кольцо R49430 Примечание:1.93 MM (0.076")
1 - Пружинное кольцо R49431 Примечание:2.01 MM (0.079")
1 - Пружинное кольцо R49432 Примечание:2.08 MM (0.082")
1 - Пружинное кольцо R49433 Примечание:2.16 MM (0.085")
1 - Пружинное кольцо R49434 Примечание:2.24 MM (0.088")
1 - Пружинное кольцо R49435 Примечание:2.31 MM (0.091")
1 - Пружинное кольцо R49436 Примечание:2.39 MM (0.094")
2 - Наружн. кольцо подшипн. JD8232
3 - Внутр. кольцо подшипника JD9089
4 - Ведущая шестерня ....... Примечание:(ORDER AR87664) REVERSE RANGE
5 - Шлицевое соединение R57947 Примечание:Задний ход
6 - Пружинное кольцо R49254
7 - Муфта переключателя ....... Примечание:(ORDER AR87664) REVERSE RANGE DRIVE
8 - Пружинное кольцо R63183 Примечание:(SUB FOR R49008)
9 - Ведущая шестерня ....... Примечание:(ORDER AR87664) LOW RANGE (SUB FOR R57146)
10 - Пружинное кольцо R49253
11 - Контровочное кольцо R59568 Примечание:(ORDER AR87664) LOW AND HIGH RANGE SYNCHRONIZER DRIVE
12 - Шпонка вала 26H78 Количество:2 Примечание:1/4" X 3/4"
13 - Ось ....... Примечание:(ORDER AR87664)
14 - Шпонка вала 26H89 Примечание:1/4" X 1-1/8"
15 - Барабан R59567 Количество:2 Примечание:(ORDER AR87664)
16 - Дисковое орудие RE37120 Количество:3 Примечание:NLA; ORDER RE37105 AND R36677
16 - Дисковое орудие RE37105 Количество:4
17 - Шпилька ....... Количество:2 Примечание:(ORDER AR87664)
18 - Скоба ....... Количество:2 Примечание:(ORDER AR87664)
19 - Синхронизатор AR35403 Примечание:(ORDER AR87664) LOW AND HIGH RANGE SYNCHRONIZER
20 - Пружина ....... Количество:4 Примечание:(ORDER AR87664) (SUB FOR R27730, THIS APPLICATION)
21 - Шар ....... Количество:4 Примечание:(ORDER AR87664) 4 MM (5/32")
22 - Ведущая шестерня R57145 Примечание:HIGH RANGE (NLA)
23 - Внутр. кольцо подшипника JD9068
24 - Наружн. кольцо подшипн. JD8255
25 - Пружинное кольцо R58528 Примечание:1.93 MM (0.076")
25 - Пружинное кольцо R58529 Примечание:2.01 MM (0.079")
25 - Пружинное кольцо R58530 Примечание:2.08 MM (0.082")
25 - Пружинное кольцо R58531 Примечание:2.16 MM (0.085")
25 - Пружинное кольцо R58532 Примечание:2.24 MM (0.088")
25 - Пружинное кольцо R58533 Примечание:2.31 MM (0.091")
26 - Прокладка R57977 Примечание:0.15 MM (0.006")
26 - Прокладка R57978 Примечание:0.25 MM (0.010")
26 - Прокладка R57979 Примечание:0.46 MM (0.018")
27 - Корп. подшипн. без подш. R57290
28 - Винт R57725 Количество:3
29 - Дисковое орудие RE37105 Количество:8
30 - Шайба R36677 Количество:8
.. - Герметик AT35125 Примечание:(10 CC), TUBE, (RETAINER TO BLOCKER)
Наверх
Transmission Drive Shaft Assembly - ST428151 ( Коробки Передач В Сборе Вал Привода - )
![Джон Дир 8430 Transmission Drive Shaft Assembly Transmission Drive Shaft Assembly]()
1 - Пружинное кольцо R49430 Примечание:1.93 MM (0.076")
1 - Пружинное кольцо R49431 Примечание:2.01 MM (0.079")
1 - Пружинное кольцо R49432 Примечание:2.08 MM (0.082")
1 - Пружинное кольцо R49433 Примечание:2.16 MM (0.085")
1 - Пружинное кольцо R49434 Примечание:2.24 MM (0.088")
1 - Пружинное кольцо R49435 Примечание:2.31 MM (0.091")
1 - Пружинное кольцо R49436 Примечание:2.39 MM (0.094")
2 - Наружн. кольцо подшипн. JD8232
3 - Внутр. кольцо подшипника JD9089
4 - Ведущая шестерня R63929 Примечание:REVERSE RANGE
5 - Шлицевое соединение R57947
6 - Пружинное кольцо R49254
7 - Муфта переключателя R63930
8 - Пружинное кольцо R63183
9 - Ведущая шестерня R69427 Примечание:LOW RANGE(SUB FOR R64096)
10 - Пружинное кольцо R49253 Примечание:2.36 MM (0.093"), (USE WITH R64094)
10 - Пружинное кольцо R69426 Примечание:3.18 MM (0.125"), (USE WITH R69428)
11 - Муфта переключателя R76478 Примечание:(SUB FOR R64087 OR R66962)
12 - Шпонка вала 26H78 Количество:2 Примечание:1/4" X 3/4"
13 - Ось ....... Примечание:(SUB R69428, R69427, R69426, R78984, R78985 AND AR87998) (SUB FOR R64094)
14 - Шпонка вала 26H96 Примечание:1/4" X 1-3/8"
15 - Барабан ....... Примечание:LOW RANGE (SUB R78985, R78984 AND AR87998)
16 - Стопор ....... Количество:2 Примечание:(SUB R78985, R78984 AND AR87998)
17 - Дисковое орудие ....... Примечание:(SUB AR87998) (ALSO ORDER R78984 AND R78985) (SET OF (10) DISKS, (10) PLATES AND (2) R64090)
18 - Пластина ....... Примечание:(SUB FOR AR83688) (SUB AR87998, R78984 AND R78985)
19 - Пружина R64091 Количество:6
20 - Шар H871R Количество:6 Примечание:5 MM (3/16")
21 - Барабан ....... Примечание:HIGH RANGE (SUB R78984, R78985 AND AR87998)
22 - Ведущая шестерня R64095 Примечание:HIGH RANGE
23 - Внутр. кольцо подшипника JD9068
24 - Наружн. кольцо подшипн. JD8255
25 - Пружинное кольцо R58528 Примечание:1.93 MM (0.076")
25 - Пружинное кольцо R58529 Примечание:2.01 MM (0.079")
25 - Пружинное кольцо R58530 Примечание:2.08 MM (0.082")
25 - Пружинное кольцо R58531 Примечание:2.16 MM (0.085")
25 - Пружинное кольцо R58532 Примечание:2.24 MM (0.088")
25 - Пружинное кольцо R58533 Примечание:2.31 MM (0.091")
26 - Прокладка R57977 Примечание:0.15 MM (0.006")
26 - Прокладка R57978 Примечание:0.25 MM (0.010")
26 - Прокладка R57979 Примечание:0.046 MM (0.018")
27 - Корп. подшипн. без подш. R57290
28 - Винт R57725 Количество:3
.. - Герметик AT35125 Примечание:(10 CC), TUBE, (RETAINER TO BLOCKER)
Наверх
Transmission Drive Shaft Assembly - ST428152 ( Коробки Передач В Сборе Вал Привода - )
![Джон Дир 8430 Transmission Drive Shaft Assembly Transmission Drive Shaft Assembly]()
1 - Пружинное кольцо R49430 Примечание:1.93 MM (0.076")
1 - Пружинное кольцо R49431 Примечание:2.01 MM (0.079")
1 - Пружинное кольцо R49432 Примечание:2.08 MM (0.082")
1 - Пружинное кольцо R49433 Примечание:2.16 MM (0.085")
1 - Пружинное кольцо R49434 Примечание:2.24 MM (0.088")
1 - Пружинное кольцо R49435 Примечание:2.31 MM (0.091")
1 - Пружинное кольцо R49436 Примечание:2.39 MM (0.094")
2 - Наружн. кольцо подшипн. JD8232
3 - Внутр. кольцо подшипника JD9089
4 - Ведущая шестерня R63929 Примечание:REVERSE RANGE
5 - Шлицевое соединение R57947
6 - Пружинное кольцо R49254
7 - Муфта переключателя R63930
8 - Пружинное кольцо R63183
9 - Ведущая шестерня R69427 Примечание:LOW RANGE (SUB FOR R64096) (ALSO ORDER R69426 AND R69428)
10 - Пружинное кольцо R49253 Примечание:2.36 MM (0.093"), (USE WITH R64094)
10 - Пружинное кольцо R69426 Примечание:3.18 MM (0.125"), (USE WITH R69428)
11 - Муфта переключателя R66962
12 - Шпонка вала 26H78 Количество:2 Примечание:1/4" X 3/4"
13 - Ось R64094 Примечание:(SUB R69428, R69427 AND R69426)
14 - Шпонка вала 26H96 Примечание:1/4" X 1-3/8"
15 - Барабан R67574 Примечание:LOW RANGE (SUB R73647)
16 - Пружина R64091 Количество:6
17 - Шар H871R Количество:6 Примечание:5 MM (3/16")
18 - Стопор R64090 Количество:2
19 - Дисковое орудие RE234257 Количество:2 Примечание:(SUB FOR AR87999) (SET OF (10) DISKS, (10) PLATES AND (2) R64090)
20 - Синхронизатор RE238219 Примечание:(SUB FOR AR87998)
21 - Барабан R67573 Примечание:HIGH RANGE (SUB R78984)
22 - Ведущая шестерня R64095 Примечание:HIGH RANGE
23 - Внутр. кольцо подшипника JD9068
24 - Наружн. кольцо подшипн. JD8255
25 - Пружинное кольцо R58528 Примечание:1.93 MM (0.076")
25 - Пружинное кольцо R58529 Примечание:2.01 MM (0.079")
25 - Пружинное кольцо R58530 Примечание:2.08 MM (0.082")
25 - Пружинное кольцо R58531 Примечание:2.16 MM (0.085")
25 - Пружинное кольцо R58532 Примечание:2.24 MM (0.088")
25 - Пружинное кольцо R58533 Примечание:2.31 MM (0.091")
26 - Прокладка R57977 Примечание:0.15 MM (0.006")
26 - Прокладка R57978 Примечание:0.25 MM (0.010")
26 - Прокладка R57979 Примечание:0.46 MM (0.018")
27 - Корп. подшипн. без подш. R57290
28 - Винт R57725 Количество:3 Примечание:(SUB FOR R61762)
.. - Герметик AT35125 Примечание:(10 CC), TUBE, (RETAINER TO BLOCKER)
Наверх
Rear Differential Drive And Bevel Pinion Assembly - ST428153 ( Задний Дифференциальный Привод И Конические Шестерни Ассамблеи - )
![Джон Дир 8430 Rear Differential Drive And Bevel Pinion Assembly Rear Differential Drive And Bevel Pinion Assembly]()
1 - Передача AR71696 Примечание:(MATCHED SET) (INCLUDES SHIMS) (MARKEDR57148 AND R57149)
2 - Внутр. кольцо подшипника AR75848 Примечание:SUB FOR JD9066
3 - Наружн. кольцо подшипн. JD8280
4 - Прокладка R35365 Примечание:0.08 MM (0.003")
4 - Прокладка R35366 Примечание:0.13 MM (0.005")
4 - Прокладка R35367 Примечание:0.25 MM 0(0.010")
5 - Рулевой механизм AR78536 Tractor Serial No.______-004852 Примечание:(MARKED R62885) (SUB FOR AR77580) (SUB AR102081)
5 - Передача AR102081 Tractor Serial No.004853-______ Примечание:(MARKED R64681, R67218 OR R70880) (SUB FOR AR81166, AR87485 OR AR93137)
6 - Пружинное кольцо R63846
7 - Муфта переключателя R62875 Количество:2
8 - Муфта переключателя R58527
9 - Пружинное кольцо R63848
10 - Передача R63931 Примечание:(D-RANGE) (SUB FOR R57767)
11 - Упорная шайба R83359 Количество:2 Примечание:(SUB FOR R49113 OR R75766)
12 - Пружинное кольцо R63739
13 - Упорная шайба R63740
14 - Пружинное кольцо E1343FN Tractor Serial No.002737-______
15 - Муфта R58538 Tractor Serial No.______-002736 Примечание:(SUB R73461 AND E1343FN)
15 - Шлицевое соединение R73461 Tractor Serial No.002737-______ Примечание:(SUB FOR R62805) (ILLUSTRATED)
16 - Пружинный шплинт 34H282 Количество:2 Примечание:3/16" X 1"
17 - Стопор R57794
18 - Гайка R64677 Примечание:(SUB FOR R57793)
19 - Внутр. кольцо подшипника JD7242
20 - Наружн. кольцо подшипн. JD7292
21 - Прокладка R49002 Примечание:0.08 MM (0.003")
21 - Прокладка R49003 Примечание:0.13 MM (0.005")
21 - Прокладка R49004 Примечание:0.25 MM (0.010")
22 - Втулка R49112
23 - Передача R57768 Примечание:(С-диапазон)
24 - Муфта переключателя R59596
25 - Пружинное кольцо R63847
26 - Передача R57769 Примечание:(B-диапазон)
Наверх
Counter Shaft - ST428154 ( Счетчик Вал )
![Джон Дир 8430 Counter Shaft Counter Shaft]()
1 - Пружинное кольцо R35377
2 - Наружн. кольцо подшипн. JD8262 Примечание:(SUB JD10005 AND JD8113)
3 - Внутр. кольцо подшипника JD7383 Примечание:(SUB JD8113 AND JD10005)
4 - Пружинное кольцо R49791
5 - Передача R57766 Tractor Serial No.______-002435 Примечание:(D-RANGE) (SUB R62884)
5 - Передача R62884 Tractor Serial No.002436-______ Примечание:(D-диапазон)
6 - Шпонка вала 26H99 Примечание:1/4" X 1-1/2"
7 - Промежуточный вал R67220 Примечание:(SUB FOR R57610)
8 - Внутр. кольцо подшипника JD9015
9 - Наружн. кольцо подшипн. JD8288
10 - Прокладка R43346 Примечание:0.15 MM (0.006")
10 - Прокладка R43347 Примечание:0.25 MM (0.010")
10 - Прокладка R43348 Примечание:0.46 MM (0.018")
11 - Стопор R50563
12 - Винт R57725 Количество:3
Наверх
Shifters And Shifter Shafts - ST428155 ( Перевертыши И Валы Переключения - )
![Джон Дир 8430 Shifters And Shifter Shafts Shifters And Shifter Shafts]()
1 - Винт с головкой 19H1974 Примечание:1/2" X 2-3/4"
2 - Гайка 14H1040 Примечание:1/2"
3 - Распорная втулка R43906 Количество:2
4 - Крепление со штифтом R97316 Количество:2 Примечание:(SUB FOR R43907)
5 - Рычаг AR70864 Примечание:REVERSE (MARKED R58850)
6 - Стопорная гайка E17421
7 - Рычаг переключ. передач AR69787 Tractor Serial No.______-005248 Примечание:(MARKED R58066) (4 X 4 DISK SHYCHRONIZER)
7 - Рычаг переключ. передач AR80062 Tractor Serial No.005249-______ Примечание:(MARKED R64365) (5 X 7 DISK SYNCHRONIZER)
8 - Ось R70558 Примечание:(SUB FOR R43461)
9 - Ось R43460
10 - Эксцентрик R58874 Tractor Serial No.______-005248 Примечание:(4 X 4 DISK SYNCHRONIZER) (NLA)
10 - Эксцентрик R64620 Tractor Serial No.005249-______ Примечание:(5 X 7 DISK SYNCHRONIZER)
11 - Прокладка R58798
12 - Опора R64528 Примечание:(SUB FOR R58797)
13 - Игольчатый подшипник JD8806
14 - Сальник AR389R
15 - Кронштейн R58871 Tractor Serial No.______-002754
15 - Кронштейн R62362 Tractor Serial No.002755-______
16 - Пружинный шплинт 34H245 Tractor Serial No.______-002754 Примечание:1/8" X 5/8"
16 - Пружинный шплинт 34H254 Tractor Serial No.002755-______ Примечание:1/8" X 1-1/2"
17 - Ось R58799
18 - Шпонка вала 26H17 Примечание:3/16" X 7/8"
19 - Рукоять R57760
20 - Винт с головкой 19H1800 Примечание:3/8" X 1-1/2"
20 - Стопорная шайба 12H304 Примечание:3/8 дюйма
21 - Винт с головкой 19H1765 Количество:3 Примечание:3/8" X 1-3/4"
21 - Стопорная шайба 12H304 Количество:3 Примечание:3/8 дюйма
22 - Шайба 28H1862 Количество:3 Примечание:0.493" X 0.675" X 7/32"
23 - Фитинг R38181
24 - Шайба A4827R
25 - Пружина R51865
26 - Стопор T19079
27 - Шар M886T Примечание:16MM (5/8")
28 - Штифт R99556 Примечание:(SUB FOR R33731)
29 - Прокладка T16911
30 - Переключатель RE38390 Примечание:NEUTRAL START (SUB FOR R36265, AR85323, AR89691 OR AT85153) (ALSO ORDER R98941)
31 - Винт с головкой R41920 Количество:2 Примечание:9.525 X 44.450 mm (3/8" X 1-3/4")
32 - Вилка R62751
Наверх
Transmission Drive Shaft Kit - ST428158 ( Передача Вал Комплект Привода - )
![Джон Дир 8430 Transmission Drive Shaft Kit Transmission Drive Shaft Kit]()
1 - Винт R57725 Количество:3
2 - Прокладка R57977 Количество:2 Примечание:0.15 MM (0.006")
2 - Прокладка R57978 Примечание:0.25 MM (0.010")
2 - Прокладка R57979 Примечание:0.46 MM (0.018")
3 - Наружн. кольцо подшипн. JD8255
4 - Наружн. кольцо подшипн. JD8232
5 - Эксцентрик R64620
6 - Стопорная гайка E17421
7 - Рычаг переключ. передач AR80062
8 - Коллектор AR88600
9 - Винт с головкой R41007 Количество:2
10 - Винт с головкой R41009 Количество:2
11 - Винт с головкой R51030
12 - Винт с головкой R43252
13 - Ось AR87664
Наверх
Long Shift Cables Conversion Kit - ST428159 ( Длинный Кабель Переключения Набор Преобразования - )
![Джон Дир 8430 Long Shift Cables Conversion Kit Long Shift Cables Conversion Kit]()
1 - Втулка R26182 Примечание:(NLA)
2 - Рукоять AR76745 Примечание:SPEED SELECTOR LEVER (MARKED R62358)
3 - Рукоять AR86998 Примечание:RANGE SELECTOR LEVER (MARKED R66931) (SUB FOR AR76744)
4 - Опора AR78348
5 - Уплотнение R62356 Количество:2
6 - Винт с головкой 19H1732 Примечание:3/8" X 1-1/4"
7 - Стопорная шайба R60670
8 - Фиксатор R65337
9 - Шайба R60671
10 - Стопорная шайба 12H304 Количество:3 Примечание:3/8 дюйма
11 - Гайка 14H812 Количество:3 Примечание:3/8 дюйма
12 - Направляющая AR78349
13 - Толкающе-буксир. кабель AR76747 Примечание:(СЕЛЕКТОР ПЕРЕДАЧ)
13 - Сальник R48718 Примечание:(CONDUIT TO TERMINAL SLEEVE)
13 - Сальник R48720 Примечание:(SLEEVE TO INNER MEMBER INPUT END), (SUB FOR R48719)
13 - Сальник R48720 Примечание:(SLEEVE TO INNER MEMBER OUTPUT END)
14 - Толкающе-буксир. кабель AR76746 Примечание:(СЕЛЕКТОР ПЕРЕДАЧ)
14 - Сальник R48718 Примечание:(CONDUIT TO TERMINAL SLEEVE)
14 - Сальник R48720 Примечание:(SLEEVE TO INNER MEMBER) (SUB FOR R48719)
15 - Рукоять R64003 Примечание:RANGE SELECTOR (SUB FOR R62361)
16 - Кронштейн R62362
17 - Пружинный шплинт 34H254 Количество:4 Примечание:1/8" X 1-1/2"
18 - Пластина AR85299
19 - Кожух AR76743
20 - Комплект AR101970 Примечание:(Предоставьте компоненты)
Наверх
Gear Shifters And Shifter Shafts - ST428160 ( Шестерни И Валы Перевертыши Перевертыш - )
![Джон Дир 8430 Gear Shifters And Shifter Shafts Gear Shifters And Shifter Shafts]()
1 - Каток R26207 Количество:2
2 - Крепление со штифтом R26206 Количество:2
3 - Рычаг переключ. передач AR82838 Примечание:(A AND D RANGE) (MARKED R62881 OR R65352) (SUB FOR AR77578 OR AR81987)
4 - Установочный винт T25614
5 - Штифт R59566
6 - Рычаг переключ. передач AR82839 Примечание:(B AND C RANGE) (MARKED R62883 OR R65353) (SUB FOR AR81988 OR AR77579)
7 - Ось R43460
8 - Кольцо R46205
9 - Стопорная гайка E17421
10 - Пружина R43593 Примечание:(SUB FOR R73444)
11 - Пружинный шплинт 34H365 Примечание:1/2" X 7/8"
12 - Эксцентрик AR77725 Примечание:(MARKED R43391, R61108, R62803 OR R62972) (SUB FOR AR43097, AR74081 OR AR77462)
13 - Шар M886T Примечание:16 MM (5/8")
14 - Стопор T19079
15 - Пружина R59378
16 - Шайба A4827R
17 - Фитинг R38181
18 - Прокладка R58798
19 - Опора R64528 Примечание:(SUB FOR R58797)
20 - Игольчатый подшипник JD8806
21 - Сальник AR389R
22 - Винт с головкой 19H1732 Количество:3 Примечание:3/8" X 1-1/4"
22 - Стопорная шайба 12H304 Количество:3 Примечание:3/8 дюйма
23 - Ось R58872
24 - Шпонка вала 26H17 Примечание:3/16" X 7/8"
25 - Рукоять R57761 Tractor Serial No.______-002754 Примечание:RANGE SELECTOR
25 - Рукоять R64003 Tractor Serial No.002755-______ Примечание:RANGE SELECTOR (SUB FOR R62361)
26 - Смазочная арматура JD7759
27 - Шайба R1870R Количество:2 Примечание:(SUB R57696)
28 - Стопорная гайка T11234
29 - Винт с головкой 19H2228 Примечание:3/8" X 4"
30 - Рукоять R58873 Примечание:PARK RELEASE
31 - Винт с головкой 19H1800 Примечание:3/8" X 1-1/2"
31 - Стопорная шайба 12H304 Примечание:3/8 дюйма
32 - Пружина R26637
33 - Пружина R26638
34 - Пружина R26369
35 - Шайба R1870R Примечание:(SUB R57696)
Наверх
Transmission Shifter Control Cables and Arms ( - 002754) - ST428161 ( Переключения передач тросы управления и оружия ( - ) - )
![Джон Дир 8430 Transmission Shifter Control Cables and Arms ( Transmission Shifter Control Cables and Arms (]()
1 - Гайка 14H1076 Количество:5 Примечание:3/8 дюйма
1 - Стопорная шайба 12H304 Количество:5 Примечание:3/8 дюйма
2 - Скоба R47806 Количество:8
3 - Кронштейн R59354
4 - Винт с головкой 19H3181 Количество:3 Примечание:3/8" X 2"
5 - Пружина R59352
6 - Гайка 14H774 Количество:4 Примечание:3/8 дюйма
7 - Хомут R59353 Примечание:PARK RELEASE (NLA)
8 - Вилка T13606 Количество:4
9 - Шплинт 11M7081 Количество:4 Примечание:2.500 X 20 mm
10 - Крепление со штифтом R65563 Количество:4 Примечание:(SUB FOR C1067R)
11 - Смазочная арматура JD7759
12 - Рукоять R57761 Примечание:RANGE SELECTOR
13 - Шайба R57696 Количество:2 Примечание:(SUB FOR R1870R)
14 - Стопорная гайка T11234
15 - Винт с головкой 19H1800 Примечание:3/8" X 1-1/2"
15 - Стопорная шайба 12H304 Примечание:3/8 дюйма
16 - Рукоять R58873 Примечание:PARK RELEASE
17 - Винт с головкой 19H2228 Примечание:3/8" X 4"
18 - Пружина R26637
19 - Пружина R26638
20 - Пружина R26369
21 - Шайба 24H1219 Примечание:7/16" X 1" X 0.083"
22 - Винт с головкой 19H1800 Примечание:3/8" X 1-1/2"
22 - Стопорная шайба 12H304 Примечание:3/8 дюйма
23 - Рукоять R57760 Примечание:SPEED SELECTOR
24 - Винт с головкой 19H3181 Примечание:3/8" X 2"
24 - Стопорная шайба 12H304 Примечание:3/8 дюйма
25 - Толкающе-буксир. кабель AR81646 Примечание:SPEED SELECTOR (SUB FOR AR70907)
25 - Сальник R48718 Примечание:(CONDUIT TO TERMINAL SLEEVE)
25 - Сальник R48720 Примечание:(SLEEVE TO INNER MEMBER INPUT END) (SUB FOR R48719)
25 - Сальник R48720 Примечание:(SLEEVE TO INNER MEMBER OUTPUT END)
26 - Толкающе-буксир. кабель AR70906 Примечание:RANGE SELECTOR
26 - Сальник R48718 Примечание:(CONDUIT TO TERMINAL SLEEVE)
26 - Сальник R48720 Примечание:(SLEEVE TO INNER MEMBER INPUT END) (SUB FOR R48719)
26 - Сальник R48720 Примечание:(SLEEVE TO INNER MEMBER OUTPUT END)
27 - Кронштейн AR70896 Примечание:(NLA)
28 - Пружинный шплинт 34H254 Количество:2 Примечание:1/8" X 1-1/2"
29 - Винт с головкой 19H1731 Количество:2 Примечание:3/8" X 1"
30 - Шайба 24H1302 Количество:2 Примечание:13/32" X 11/16" X 0.035"
Наверх
Transmission Shifter Control Cables and Arms (002755 - ) - ST428162 ( Переключения передач тросы управления и оружия ( - ) - )
![Джон Дир 8430 Transmission Shifter Control Cables and Arms (002755 Transmission Shifter Control Cables and Arms (002755]()
1 - Гайка 14H1076 Количество:5 Примечание:3/8 дюйма
2 - Стопорная шайба 12H304 Количество:5 Примечание:3/8 дюйма
3 - Скоба R47806 Количество:8
4 - Кронштейн R59354
5 - Винт с головкой 19H3181 Количество:3 Примечание:3/8" X 2"
6 - Пружина R59352
7 - Гайка 14H774 Количество:4 Примечание:3/8 дюйма
8 - Хомут R59353 Примечание:(NLA)
9 - Вилка T13606 Количество:4
10 - Шплинт 11M7081 Количество:4 Примечание:2.500 X 20 mm
11 - Крепление со штифтом R65563 Количество:4 Примечание:(SUB FOR C1067R)
12 - Смазочная арматура JD7759
13 - Рукоять R64003 Примечание:RANGE SELECTOR (SUB FOR R62361)
14 - Шайба R57696 Количество:2 Примечание:(SUB FOR R1870R)
15 - Стопорная гайка T11234
16 - Винт с головкой 19H1800 Примечание:3/8" X 1-1/2"
17 - Стопорная шайба 12H304 Примечание:3/8 дюйма
18 - Рукоять R58873 Примечание:PARK RELEASE
19 - Винт с головкой 19H2228 Примечание:3/8" X 4"
20 - Пружина R26637
21 - Пружина R26638
22 - Пружина R26369
23 - Шайба 24H1219 Примечание:7/16" X 1" X 0.083"
24 - Винт с головкой 19H1800 Примечание:3/8" X 1-1/2"
25 - Стопорная шайба 12H304 Примечание:3/8 дюйма
26 - Рукоять R57760 Примечание:SPEED SELECTOR
27 - Винт с головкой 19H3181 Примечание:3/8" X 2"
28 - Стопорная шайба 12H304 Примечание:3/8 дюйма
29 - Толкающе-буксир. кабель AR76746 Примечание:(СЕЛЕКТОР ПЕРЕДАЧ)
29 - Сальник R48718 Примечание:(CONDUIT TO TERMINAL SLEEVE)
29 - Сальник R48720 Примечание:(SLEEVE TO INNER MEMBER INPUT END) (SUB FOR R48719)
29 - Сальник R48720 Примечание:(SLEEVE TO INNER MEMBER OUTPUT END)
30 - Толкающе-буксир. кабель AR76747 Примечание:(СЕЛЕКТОР ДИАПАЗОНОВ)
30 - Сальник R48718 Примечание:(CONDUIT TO TERMINAL SLEEVE)
30 - Сальник R48720 Примечание:(SLEEVE TO INNER MEMBER INPUT END) (SUB FOR R48719)
30 - Сальник R48720 Примечание:(SLEEVE TO INNER MEMBER OUTPUT END)
31 - Направляющая AR78349
32 - Винт с головкой 19H1731 Количество:2 Примечание:3/8" X 1"
33 - Пружинный шплинт 34H254 Количество:2 Примечание:1/8" X 1-1/2"
34 - Уплотнение R62356 Количество:2
Наверх
РЫЧАГИ УПРАВЛЕНИЯ ПЕРЕКЛЮЧАТЕЛЕМ ПЕРЕДАЧ ТРАНСМИССИИ, РЫЧАЖНЫЙ МЕХАНИЗМ И ОПОРА - ST428163
![Джон Дир 8430 РЫЧАГИ УПРАВЛЕНИЯ ПЕРЕКЛЮЧАТЕЛЕМ ПЕРЕДАЧ ТРАНСМИССИИ, РЫЧАЖНЫЙ МЕХАНИЗМ И ОПОРА РЫЧАГИ УПРАВЛЕНИЯ ПЕРЕКЛЮЧАТЕЛЕМ ПЕРЕДАЧ ТРАНСМИССИИ, РЫЧАЖНЫЙ МЕХАНИЗМ И ОПОРА]()
1 - Крепление со штифтом R57449
2 - Опора AR70900
3 - Распорная втулка R62927 Примечание:(ALSO ORDER 24H1422) (SUB FOR R56236)
4 - Шайба R42127 Количество:3
5 - Рычаг AR82762 Примечание:SPEED SELECTOR (SUB FOR AR69533)
6 - Ручка R50864
7 - Крепление со штифтом R31131
8 - Шплинт 11M7021 Примечание:4 X 25 mm
9 - Пружина R41147
10 - Втулка R26182 Количество:2
11 - Рукоять AR70152 Tractor Serial No.______-002754 Примечание:(MARKED R58387)
11 - Рукоять AR76745 Tractor Serial No.002755-______ Примечание:(MARKED R62358)
12 - Крепление со штифтом R53510
13 - Шплинт 11M7021 Примечание:4 X 25 mm
14 - Рычаг AR69534 Примечание:RANGE SELECTOR
15 - Ручка R53244
16 - Пружина R53692
17 - Шайба 24M7096 Примечание:10.500 X 18 X 1.600 mm
18 - Шайба R56712
19 - Винт с головкой 19H1905 Количество:2 Примечание:5/16" X 1"
20 - Винт с головкой 19H2020 Количество:2 Примечание:5/16" X 1/2"
21 - Стопорная шайба 12M7032 Количество:4 Примечание:8.400 mm
22 - Шайба 24H1292 Количество:4 Примечание:11/32" X 3/4" X 0.120"
23 - Направляющая R59711 Примечание:(SUB FOR R52305)
24 - Гайка 14H785 Количество:2 Примечание:5/16"
25 - Винт с головкой 19H1731 Количество:3 Примечание:3/8" X 1"
25 - Стопорная шайба 12H304 Количество:3 Примечание:3/8 дюйма
26 - Опора AR57115 Tractor Serial No.______-001339 Примечание:(SUB AR73577, THIS APPLICATION, R65337, R60670, R60671, 12H304, 14H1076 AND 19H1732)
26 - Опора AR73577 Tractor Serial No.001340-002754
26 - Опора AR78348 Tractor Serial No.002755-______
27 - Винт с головкой 19H1732 Tractor Serial No.001340-______ Примечание:3/8" X 1-1/4"
28 - Винт с головкой 19H1731 Количество:2 Tractor Serial No.______-002754 Примечание:3/8" X 1"
28 - Винт с головкой 19H2542 Количество:2 Tractor Serial No.002755-______ Примечание:3/8" X 3-1/4"
29 - Шайба 24H1884 Количество:2 Примечание:13/32" X 13/16" X 0.120"
30 - Гайка 14H1076 Количество:2 Примечание:3/8 дюйма
30 - Стопорная шайба 12H304 Количество:2 Примечание:3/8 дюйма
31 - Втулка AR69719 Количество:2 Tractor Serial No.______-002754
32 - Рукоять AR70164 Tractor Serial No.______-002754 Примечание:(MARKED R58446)
32 - Рукоять AR86998 Tractor Serial No.002755-______ Примечание:(MARKED R62357 OR R66931) (SUB FOR AR76744)
33 - Фиксатор R65337 Tractor Serial No.001340-______
34 - Стопорная шайба R60670 Tractor Serial No.001340-______
35 - Шайба R60671 Tractor Serial No.001340-______
36 - Гайка 14H1076 Tractor Serial No.001340-______ Примечание:3/8 дюйма
36 - Стопорная шайба 12H304 Tractor Serial No.001340-______ Примечание:3/8 дюйма
37 - Втулка R36119 Tractor Serial No.______-001339
38 - Фиксатор AR82758 Tractor Serial No.______-001339
39 - Шайба 24H1341 Tractor Serial No.______-001339 Примечание:17/32" X 15/16" X 0.060"
40 - Пружинное кольцо R26871 Tractor Serial No.______-001339
41 - Пружинное кольцо R72653 Количество:2 Примечание:(SUB FOR M2396T)
42 - Г-образный болт R65338
43 - Вилка L299T
44 - Шплинт 11M7059 Примечание:3.200 X 20 mm
45 - Крепление со штифтом P46404
46 - Рукоять R55169
47 - Пружинное кольцо R72655 Количество:2 Примечание:(SUB FOR T12808)
48 - Штифт R53213
49 - Прокладка 24H1422 Tractor Serial No.002755-______ Примечание:0.46 MM (0.018")
Наверх
Transmission Shifter Control Rods And Bell Cranks, Inner - ST428164 ( Переключения Передач Тяг И Кривошипов Колокол, Внутренний - )
![Джон Дир 8430 Transmission Shifter Control Rods And Bell Cranks, Inner Transmission Shifter Control Rods And Bell Cranks, Inner]()
1 - Смазочная арматура JD7760
2 - Гайка 14H732 Примечание:3/8 дюйма
2 - Стопорная шайба 12H304 Примечание:3/8 дюйма
3 - Стопор R58551
4 - Болт R58547
5 - Шайба R42127 Количество:3
6 - Шайба R58447 Количество:4
7 - Коленчатый рычаг R58385 Примечание:RANGE SELECTOR
8 - Игольчатый подшипник JD8806 Количество:2
9 - Коленчатый рычаг R58388 Примечание:SPEED SELECTOR
10 - Втулка AR69719
11 - Винт с головкой 19H2284 Количество:2 Примечание:3/8" X 7/8"
11 - Стопорная шайба 12H304 Количество:2 Примечание:3/8 дюйма
12 - Шайба 24H448 Примечание:25/32" X 1-1/8" X 0.090"
13 - Гайка 14H914 Примечание:5/8"
13 - Стопорная шайба 12H294 Примечание:5/8"
14 - Опора R58448
15 - Крепление со штифтом D1994R Количество:3
16 - Шплинт 11M7015 Количество:3 Примечание:3.200 X 25 mm
17 - Вилка T21158 Количество:3
18 - Гайка 14H856 Количество:4 Примечание:1/2"
19 - Рычаг R58549
20 - Шайба 24H1305 Количество:2 Примечание:13/32" X 13/16" X 0.065"
21 - Рычаг R58548 Примечание:(NLA)
22 - Шаровое соединение AR70165
23 - Гайка 14H865 Примечание:1/2"
23 - Стопорная шайба 12H301 Примечание:1/2"
Наверх
Transmission Shifter Control Rods And Bell Cranks, Outer - ST428165 ( Переключения Передач Тяг И Кривошипов Колокол, Внешний - )
![Джон Дир 8430 Transmission Shifter Control Rods And Bell Cranks, Outer Transmission Shifter Control Rods And Bell Cranks, Outer]()
1 - Гайка 14H732 Примечание:3/8 дюйма
1 - Стопорная шайба 12H304 Примечание:3/8 дюйма
2 - Стопор R58551
3 - Смазочная арматура JD7759
4 - Болт R58547
5 - Пластина AR70350
6 - Винт с головкой 19H1732 Количество:2 Tractor Serial No.______-001540 Примечание:3/8" X 1-1/4"
6 - Винт с головкой 19H1800 Количество:2 Tractor Serial No.001541-______ Примечание:3/8" X 1-1/2"
6 - Стопорная шайба 12H304 Количество:2 Примечание:3/8 дюйма
7 - Шайба R42127 Количество:3
8 - Шайба R58447 Количество:4
9 - Игольчатый подшипник JD8806 Количество:2
10 - Втулка AR69719 Количество:2
11 - Коленчатый рычаг R58389 Примечание:SPEED SELECTOR (ON TRACTORS BUILT PRIOR TO SERIAL NO. 001541, ALSO ORDER R62432, (2) 19H1800 AND (2) 12H304)
12 - Коленчатый рычаг R58386 Примечание:RANGE SELECTOR (ON TRACTORS BUILT PRIOR TO SERIAL NO. 001541, ALSO ORDER R62432, (2) 19H1800 AND (2) 12H304) (NLA)
13 - Угловое соединение R62432 Tractor Serial No.001541-______
14 - Кронштейн R58552
15 - Шайба 24H448 Примечание:25/32" X 1-1/8" X 0.090"
16 - Гайка 14H914 Примечание:5/8"
16 - Стопорная шайба 12H294 Примечание:5/8"
17 - Вилка T21158 Количество:2
18 - Шплинт 11M7015 Количество:2 Примечание:3.200 X 25 mm
19 - Крепление со штифтом D1994R Количество:2
20 - Гайка 14H856 Количество:4 Примечание:1/2"
21 - Стержень R58550
22 - Стержень рычага переключ. R58546
23 - Шаровое соединение AR70165 Количество:2
24 - Гайка 14H865 Количество:2 Примечание:1/2"
24 - Стопорная шайба 12H301 Количество:2 Примечание:1/2"
Наверх
Speed Selector Lever And Stop - ST428166 ( Рычаг Переключателя Скоростей И Остановка )
![Джон Дир 8430 Speed Selector Lever And Stop Speed Selector Lever And Stop]()
1 - Винт с головкой 19H2661 Примечание:5/16" X 1-3/8"
1 - Стопорная шайба 12M7032 Примечание:8.400 mm
2 - Шайба 24H1292 Примечание:11/32" X 3/4" X 0.120"
3 - Рукоять AR98801 Примечание:(SUB FOR AR79049)
4 - Гайка 14H611 Примечание:5/16"
5 - Рычаг AR83654 Примечание:(SUB FOR AR79048)
Наверх
Quad-Range Planetary Lower Bell Crank Shifter - ST428167 ( Квад-Диапазон Планетарных Нижний Рычаг Переключения Передач - )
![Джон Дир 8430 Quad-Range Planetary Lower Bell Crank Shifter Quad-Range Planetary Lower Bell Crank Shifter]()
1 - Рычаг R57822
2 - Шайба R52646 Количество:2
3 - Стержень R57827
4 - Пружинное кольцо R72653 Количество:4 Примечание:(SUB FOR M2396T)
5 - Крепление со штифтом R72660 Примечание:(SUB FOR R662R)
6 - Шплинт 11M7079 Примечание:2.500 X 12 mm
7 - Вилка R42282 Примечание:(SUB T54033 AND R82766)
8 - Гайка 14H882 Примечание:5/16"
9 - Стержень R64099 Примечание:(SUB FOR R57828)
10 - Шайба 24H1290 Количество:2 Примечание:21/64" X 3/4" X 0.035"
11 - Установочный винт T25614 Tractor Serial No.______-003594
12 - Гайка 14H732 Tractor Serial No.______-003594 Примечание:3/8 дюйма
13 - Ось AR77263 Примечание:CONTROL VALVE OPERATING
14 - Сальник AR39043
15 - Рукоять R62690
16 - Пружинный шплинт 34H264 Примечание:5/32" X 7/8"
Наверх
Transmission Oil Pump - ST428168 ( Трансмиссионное Масло Насоса )
![Джон Дир 8430 Transmission Oil Pump Transmission Oil Pump]()
1 - Фитинг R39112
2 - Пружина R64394
3 - Клапан R57561
4 - Корпус R64393
5 - Коллектор AR88600 Примечание:MARKED R67297; SUB FOR R57661
6 - Рулевой механизм RE573182 Примечание:SUB FOR RE565824 OR AR79583
6 - Передача R543225 Примечание:SUB FOR R31973
7 - Установочный штифт R58661
8 - Корпус AR70635 Примечание:MARKED R58660
9 - Уплотнительное кольцо A3606R
10 - Маслопровод R58916 Примечание:Впуск
11 - Уплотнительное кольцо A3917R
12 - Маслопровод AR71016 Примечание:Differential Drive Shaft
13 - Сито AR26375 Tractor Serial No.______-001474 Примечание:Сталь
13 - Сито R53169 Tractor Serial No.______-001474 Примечание:Нейлон
13 - Сито R68836 Tractor Serial No.001475-______
14 - Шайба A4808R
15 - Фитинг R58616 Tractor Serial No.______-001474
15 - Фитинг R40147 Tractor Serial No.001475-______
16 - Заглушка фитинга R27218 Tractor Serial No.003543-______ Примечание:Less Differential Lock
17 - Шайба R51494 Tractor Serial No.______-003542
17 - Шайба R51494 Количество:2 Tractor Serial No.003543-______
18 - Топливный датчик AH76862 Примечание:Transmission Lube Pressure
19 - Коленчатый патрубок 15H197 Tractor Serial No.003543-______ Примечание:1/8"
20 - Фитинг AR72967
20 - Фитинг AR100437 Примечание:USE WITH RE36542
21A - Маслопровод AR72885 Tractor Serial No.______-003542
21B - Маслопровод AR78574 Tractor Serial No.003543-______
21B - Маслопровод AR100438 Примечание:USE WITH RE36542
22 - Фитинг переходника R39832
23 - Винт с головкой R41007 Количество:2
24 - Винт с головкой R41009 Количество:2
25 - Фитинг R51031
26 - Винт с головкой R51030
27 - Винт с головкой R43252
Наверх
Transmission Oil Filter - ST428169 ( Масляный Фильтр Коробка Передач - )
![Джон Дир 8430 Transmission Oil Filter Transmission Oil Filter]()
1 - Винт R54750
2 - Уплотнительное кольцо R394R
3 - Крышка R39796
4 - Шайба R34733
5 - Пружина H819R
6 - Шайба 24H1227 Примечание:17/32" X 13/16" X 0.060"
7 - Уплотнительное кольцо R394R
8 - Стопор R65892 Примечание:(SUB FOR R28593)
9 - Шайба R28594 Tractor Serial No.______-002418
10 - Пружинное кольцо R32507
11 - Фильтрующий элемент AR75603 Примечание:(ALSO ORDER R34733) (SUB FOR AR28271, AT34670 OR AR75601)Посмотреть аналогичные детали
Наверх
Transmission Oil Filter - ST428170 ( Масляный Фильтр Коробка Передач - )
![Джон Дир 8430 Transmission Oil Filter Transmission Oil Filter]()
1 - Винт R65894
2 - Уплотнительное кольцо R394R
3 - Крышка R63093
4 - Шайба R34733
5 - Пружина R66064
6 - Шайба 24H1227 Примечание:17/32" X 13/16" X 0.060"
7 - Упаковка F2741R
8 - Стопор R65892
9 - Пружинное кольцо R32507
10 - Фильтрующий элемент AR94510 Примечание:(SUB FOR AR70636)Посмотреть аналогичные детали
Наверх
Filter Kit 10-Micron - ST428171 ( Комплект Фильтров -Микронный )
![Джон Дир 8430 Filter Kit 10-Micron Filter Kit 10-Micron]()
1 - Винт R65894
2 - Уплотнительное кольцо R394R Количество:2
3 - Шайба R34733 Количество:2
4 - Упаковка F2741R Количество:2
5 - Стопор R65892 Количество:2
6 - Фильтрующий элемент AR98098 Количество:2 Посмотреть аналогичные детали
7 - Крышка R65901
8 - Винт R65904
9 - Ограждение AR85308
10 - Комплект AR85307 Примечание:(Предоставьте компоненты)
Наверх
Oil Filter Heater - ST428172 ( Обогреватель Масляный Фильтр - )
![Джон Дир 8430 Oil Filter Heater Oil Filter Heater]()
1 - Обогреватель AR98518
Наверх
Front Axle Rear Pivot Bushing Grease Bank Adapter Kit - ST428173 ( Передняя Ось Задняя Втулка Оси Смазка Банк Комплект Адаптера - )
![Джон Дир 8430 Front Axle Rear Pivot Bushing Grease Bank Adapter Kit Front Axle Rear Pivot Bushing Grease Bank Adapter Kit]()
1 - Смазочная арматура JD7797
2 - Гайка E12379
3 - Фитинг R36311
4 - Шланг AR70381
5 - Коленчатый патрубок 15H197 Примечание:1/8"
6 - Комплект моста RE11201 Примечание:(Выпуск прекращен)
7 - Уплотнительное кольцо U11017
8 - Уплотнительное кольцо R68543
9 - Уплотнительное кольцо R68544
10 - Сальник AR82993
11 - Уплотнительное кольцо B3690R
12 - Трубная заглушка 15H558 Примечание:1/8"
12 - Трубная заглушка 15H560 Примечание:1/16"
13 - Упаковка R26149
14 - Уплотнительное кольцо R27796
15 - Прокладка R94319 Примечание:(SUB FOR R74305)
16 - Втулка R78266
17 - Передний мост RE238326 Примечание:(SUB FOR RE11210)
Наверх
Front Differential Vent Kit - ST428174 ( Передний Дифференциал Вент Комплект )
![Джон Дир 8430 Front Differential Vent Kit Front Differential Vent Kit]()
1 - Фитинг переходника AR86073
2 - Скоба AR21836 Количество:2
3 - Шланг без конц. арматуры ....... Примечание:10 X 3000 MM (3/8" X 118"), (SUB FOR R66388 OR TY22325) (MAKE FROM TY22561)
4 - Обвязной хомут R44302 Количество:4 Посмотреть аналогичные детали
5 - Тройник AR86072
6 - Комплект RE11211 Примечание:(SUB (2) AR21836, AR86072, AR86073, (4) R44302 AND TY22561)
Наверх
Front Differential Case And Pin - ST428175 ( Передний Дифференциал И Пин - )
![Джон Дир 8430 Front Differential Case And Pin Front Differential Case And Pin]()
1 - Винт с головкой 19H3579 Количество: 10 Примечание:1/2" X 1-3/8"
1 - Стопорная шайба 12H301 Количество: 10 Примечание:1/2"
2A - Сапун AM1074T Примечание:ORDER AR86073
2B - Фитинг переходника AR86073
3 - Трубная заглушка 15H571 Примечание:3/8 дюйма
4 - Скоба AR21836 Количество:2
5 - Шланг без конц. арматуры ....... Примечание:10 X 3000 MM (3/8" X 118"), SUB FOR R66388 OR TY22325; (MAKE FROM TY22561)
5 - Обвязной хомут R44302 Посмотреть аналогичные детали
6 - Тройник AR86072
7 - Крышка AR72959 Примечание:MARKED R52486, R59485, R59432 OR R60125; ALSO ORDER AM1074T, 15H221, 22H994 AND 29H146; SUB R100128
8 - Прокладка R94319 Примечание:SUB FOR R42103 OR R74305
9 - Установочный штифт R54380 Количество:4
10 - Установочный винт 22H994 Примечание:3/8" X 5/8"
11 - Установочный штифт R48685 Количество:2
12 - Трубная заглушка 15H558 Примечание:1/8"
13 - Коленчатый патрубок 15H221 Примечание:3/8 дюйма
14 - Ниппель с резьбой 29H146 Примечание:3/8 дюйма
15 - Шайба A4827R
16 - Пробка сливного отверстия R26727
17 - Втулка R78266 Примечание:SUB FOR R58696
18 - Упорная шайба R65526 Tractor Serial No.______-004812 Примечание:SUB FOR R57836
18 - Упорная шайба R65526 Tractor Serial No.004813-______
19 - Прокладка R65895 Tractor Serial No.004813-______ Примечание:0.381 MM (0.015")
20 - Прокладка R65905 Tractor Serial No.004813-______ Примечание:0.635 MM (0.025")
21 - Шайба R68581 Количество:2 Примечание:SUB FOR R57532
22 - Сальник AR72475 Tractor Serial No.______-004818 Примечание:SUB AR82992
22 - Сальник AR82992 Tractor Serial No.004819-______
23 - Крепление со штифтом R57847
24 - Гайка 14H854 Количество:4 Примечание:1"
25 - Шайба R28575 Количество:4
26 - Шайба R60155
27 - Пружинное кольцо C667R
28 - П-образный болт R62850 Количество:2 Примечание:SUB FOR R57890
29 - Кожух AR71697 Tractor Serial No.______-004770 Примечание:MARKED R57600
29 - Кожух AR80625 Tractor Serial No.004771-______ Примечание:MARKED R64502
30 - Уплотнительное кольцо R26375 Tractor Serial No.______-004770
30 - Уплотнительное кольцо R26375 Количество:2 Tractor Serial No.004771-______
31 - Фитинг R33138 Tractor Serial No.______-004770
31 - Болт R64474 Количество:2 Tractor Serial No.004771-______
32 - Воронка RE27291 Количество:2 Tractor Serial No.004771-______ Примечание:SUB FOR AR71734
33 - Уплотнительное кольцо U13639 Количество:2
34 - Пробка сливного отверстия R39741 Количество:2
35 - Упаковка R26149
36 - Рым-болт R59444 Количество:2 Tractor Serial No.004771-______
37 - Желоб R59443 Tractor Serial No.004771-______
Наверх
Front Differential Drive And Support Assembly - ST428176 ( Дифференциал Переднего Привода И Опора - )
![Джон Дир 8430 Front Differential Drive And Support Assembly Front Differential Drive And Support Assembly]()
1 - Винт с головкой 19H1800 Количество:6 Примечание:3/8" X 1-1/2"
2 - Стопор R62784
3 - Шлицевое соединение R57251
4 - Шайба R62785 Количество:2
5 - Уплотнительное кольцо U11017
6 - Стопор R62783
7 - Стопорная гайка T11234 Количество:6
8 - Гайка R57051
9 - Уплотнительное кольцо R64075 Примечание:USE WITH AR68471
9 - Уплотнительное кольцо R68543 Примечание:USE WITH AR89741
10 - Фитинг .......
11 - Винт с головкой 19H2090 Количество:2 Примечание:7/8" X 3-1/2"
11 - Винт с головкой 19H2693 Количество:2 Примечание:7/8" X 4-1/4"
12 - Винт с головкой 19H2113 Количество:4 Примечание:3/4" X 3-1/4"
13 - Втулка R78266 Примечание:SUB FOR R58696
14 - Опора AR68471 Примечание:MARKED R57156 OR R70308; SUB AR103874 AND (4) 19H1782
14 - Опора AR89741 Примечание:MARKED R68633 OR R70308; SUB AR103874 AND (4) 19H1782
15 - Втулка T30008 Количество:2
16 - Шайба R37439
17 - Уплотнительное кольцо R64074 Примечание:USE WITH AR68471
17 - Уплотнительное кольцо R68544 Примечание:USE WITH AR89741
18 - Сальник AR82993
19 - Уплотнительное кольцо B3690R
20 - Внутр. кольцо подшипника JD9068
21 - Шайба R58479
22 - Наружн. кольцо подшипн. JD8255
23 - Винт R46162 Количество:6
24 - Корп. подшипн. без подш. R57759 Примечание:SUB R72849, R68543 AND R68544
24 - Корп. подшипн. без подш. R72849
25 - Упаковка R26149
26 - Уплотнительное кольцо R27796
27 - Внутр. кольцо подшипника JD9004 Примечание:SUB JD10377
28 - Наружн. кольцо подшипн. JD8280
29 - Прокладка R58255 Примечание:TK = 0.18 mm (0.007")
29 - Прокладка R58256 Примечание:TK = 0.25 mm (0.010")
29 - Прокладка R58257 Примечание:TK = 0.31 mm (0.012")
29 - Прокладка R58258 Примечание:TK = 0.38 mm (0.015")
30 - Прокладка R35365 Примечание:TK = 0.08 mm (0.003")
30 - Прокладка R35366 Примечание:TK = 0.13 mm (0.005")
30 - Прокладка R35367 Примечание:TK = 0.25 mm (0.010")
31 - Передача AR99193 Примечание:MATCHED SET; MARKED R51973 AND R57250SUB FOR AR71695; ORDER COMPONENTS
31 - Передача AR68591 Примечание:INCLUDES R51973 AND R57250
Наверх
Front Differential - ST428178 ( Передний Дифференциал - )
![Джон Дир 8430 Front Differential Front Differential]()
1 - Винт R46162 2
2 - Корп. подшипн. без подш. R31196 Tractor Serial No.______-004770 Примечание:Левый
2 - Корп. подшипн. без подш. R62465 Tractor Serial No.004771-______ Примечание:Левый
3 - Гайка 14H823 Количество:2 Примечание:1/2"
4 - Наружн. кольцо подшипн. JD8210
5 - Внутр. кольцо подшипника JD8159
6 - Прокладка R46323 Примечание:0.08MM (0.003")
6 - Прокладка R46324 Примечание:0.13MM (0.005")
6 - Прокладка R46325 Примечание:0.25MM (0.010")
7 - Винт с головкой R52634 Количество:5
8 - Крышка R31195 Tractor Serial No.______-004770
8 - Крышка R63478 Tractor Serial No.004771-______
9 - Шайба R77145 Количество:2 Примечание:SUB FOR R53202, R65741 OR R72587
10 - Коническая шестерня R63477 Количество:2 Примечание:SUB FOR R54182
11 - Ведущая шестерня R42444 Количество:2
12 - Винт с головкой R70236 Примечание:SUB FOR R41050
13 - Передача AR99193 Примечание:MATCHED SET; MARKED R51973 AND R57250SUB FOR AR71695; ORDER COMPONENTS
13 - Передача AR68591 Примечание:INCLUDES R51973 AND R57250
14 - Корпус R58784 Tractor Serial No.______-004770 Примечание:SUB AR101619, R59419 AND JD9118
14 - Корпус R64475 Tractor Serial No.004771-______ Примечание:SUB AR101619
15 - Шайба R48429 2
16 - Самофиксирующийся винт R58692 2
17 - Ось R58425
18 - Внутр. кольцо подшипника JD8954 Tractor Serial No.______-004770
18 - Внутр. кольцо подшипника JD9055 Tractor Serial No.004771-______
19 - Наружн. кольцо подшипн. JD8259 Tractor Serial No.______-004770
19 - Наружн. кольцо подшипн. JD9118 Tractor Serial No.004771-______
20 - Корп. подшипн. без подш. R31190 Tractor Serial No.______-004770 Примечание:R
20 - Корп. подшипн. без подш. R59419 Tractor Serial No.004771-______ Примечание:R
21 - Прокладка R58255 Примечание:TK = 0.18 mm
21 - Прокладка R58256 Примечание:TK = 0.25 mm
21 - Прокладка R58257 Примечание:TK = 0.31 mm
21 - Прокладка R58258 Примечание:TK = 0.38 mm
22 - Прокладка R35365 Примечание:TK = 0.08 mm
22 - Прокладка R35366 Примечание:TK = 0.13 mm
22 - Прокладка R35367 Примечание:TK = 0.25 mm
Наверх
No Spin Front Differential Kit - ST428179 ( Нет Вращения Переднего Дифференциала Комплект )
![Джон Дир 8430 No Spin Front Differential Kit No Spin Front Differential Kit]()
1 - Стопор R42142
2 - Муфта AR72857 Количество:2 Примечание:(SUB RE32167)
3 - Направляющая R60044 Количество:2
4 - Пружина R60045 Количество:2
5 - Передача R60048 Количество:2
6 - Крестовина AR72856
7 - Дифференциал AR72855
8 - Корпус R56295
9 - Внутр. кольцо подшипника JD9055 Примечание:R
10 - Наружн. кольцо подшипн. JD9118 Примечание:R
11 - Корп. подшипн. без подш. R59419 Примечание:R
12 - Винт с головкой R115439 Количество:8 Примечание:(SUB FOR R44888)
13 - Корп. подшипн. без подш. R62465 Примечание:Левый
14 - Наружн. кольцо подшипн. JD8210 Примечание:Левый
15 - Внутр. кольцо подшипника JD8159 Примечание:Левый
16 - Крышка R62466
17 - Комплект AR92453 Примечание:(Предоставьте компоненты)
Наверх
No Spin Front Differential Kit - ST428180 ( Нет Вращения Переднего Дифференциала Комплект )
![Джон Дир 8430 No Spin Front Differential Kit No Spin Front Differential Kit]()
1 - Стопор R42142
2 - Муфта AR72857 Количество:2
3 - Направляющая R60044 Количество:2
4 - Пружина R60045 Количество:2
5 - Передача R60048 Количество:2
6 - Крестовина AR72856
7 - Дифференциал AR72855
8 - Корпус R56295
9 - Внутр. кольцо подшипника JD9055 Примечание:R
10 - Наружн. кольцо подшипн. JD9118 Примечание:R
11 - Винт с головкой R115439 Количество:8 Примечание:(SUB FOR R44888)
12 - Наружн. кольцо подшипн. JD8210 Примечание:Левый
13 - Внутр. кольцо подшипника JD8159 Примечание:Левый
14 - Крышка R62466
15 - Комплект AR92452
Наверх
Differential Front AXLE Assembly - ST428181 ( Дифференциал переднего моста в сборе - )
![Джон Дир 8430 Differential Front AXLE Assembly Differential Front AXLE Assembly]()
1 - Гайка R57051
2 - Уплотнительное кольцо R68544
3 - Втулка R78266 Примечание:(SUB FOR R58696)
4 - Опора AR103874 Примечание:(MARKED R70838) (ALSO ORDER (4) 19H1782)
5 - Шайба R37439
6 - Уплотнительное кольцо R68543
7 - Сальник AR82993
8 - Уплотнительное кольцо B3690R
9 - Внутр. кольцо подшипника JD8941 Примечание:(SUB FOR JD9068, THIS APPLICATION)
10 - Прокладка R58255 Примечание:0.18 MM (0.007")
10 - Прокладка R58256 Примечание:0.25 MM (0.010")
10 - Прокладка R58257 Примечание:0.30 MM (0.012")
10 - Прокладка R58258 Примечание:0.38 MM (0.015")
11 - Шайба R58479
12 - Наружн. кольцо подшипн. JD8255
13 - Винт R46162 Количество:6
14 - Корп. подшипн. без подш. R72849 Примечание:(SUB FOR R64005)
15 - Упаковка R26149
16 - Шайба R47172 Количество:2 Примечание:(USE WITH AR71734 OR RE27291)
17 - Гайка 14H823 Количество:2 Примечание:1/2"
18 - Уплотнительное кольцо R27796
19 - Винт R46162 2
20 - Корп. подшипн. без подш. R34856 Примечание:Левый
21 - Наружн. кольцо подшипн. JD8210 Примечание:Левый
22 - Внутр. кольцо подшипника JD8159 Примечание:Левый
23 - Прокладка R46323 Примечание:0.08 MM (0.003")
23 - Прокладка R46324 Примечание:0.13 MM (0.005")
23 - Прокладка R46325 Примечание:0.25 MM (0.010")
24 - Установочный штифт R54380 Количество:4
25 - Установочный штифт R48685 Количество:2
26 - Трубная заглушка 15H558 Примечание:1/8"
27 - Пробка сливного отверстия R26727
28 - Втулка R78266 Примечание:(SUB FOR R58696)
29 - Кожух AR80625 Примечание:(MARKED R64502)
30 - Упорная шайба R65526
31 - Прокладка R65895 Количество:2
32 - Прокладка R65905
33 - Шайба R68581 Количество:2
34 - Сальник AR82992
35 - Пружинное кольцо C667R
36 - Шайба R60155
37 - Крепление со штифтом R57847
38 - Воронка AR71734 Количество:2 Примечание:(SUB RE27291)
39 - Уплотнительное кольцо R26375 Количество:2
40 - Болт R64474 Количество:2
41 - Винт с головкой R70236
42 - Игольчатый ролик R68171 Количество:46
43 - Упорная шайба R59460 Количество:2
44 - Шайба R68167 Количество:4
45 - Ведущая шестерня R134726 Количество:2 Примечание:(SUB FOR R68170)
46 - Пружинный шплинт 34H311 Количество:3 Примечание:1/4" X 7/8"
47 - Крышка R94632 Примечание:(MARKED R73267 OR R82274) (SUB FOR AR95425 OR RE21188)
48 - Винт с головкой R40236 2
49 - Внутр. кольцо подшипника JD9055 Примечание:R
50 - Наружн. кольцо подшипн. JD9118 Примечание:R
51 - Корп. подшипн. без подш. R59419 Примечание:R
52 - Шайба R77145 Количество:2
53 - Коническая шестерня R63477
54 - Ось R68173
55 - Стопор R74675
56 - Коническая шестерня R66715
57 - Винт с головкой R48787 2
58 - Шайба R73290 2 Примечание:(SUB FOR T497T)
59 - Корпус R71386
60 - Внутр. кольцо подшипника JD10377 Примечание:(SUB FOR JD9004)
61 - Наружн. кольцо подшипн. JD8280
62 - Прокладка R35365 Примечание:0.08 MM (0.003")
62 - Прокладка R35366 Примечание:0.13 MM (0.005")
62 - Прокладка R35367 Примечание:0.25 MM (0.010")
63 - Комплект AR104625 Примечание:(SUB FOR AR101623) SUB COMPONENTS
Наверх
Anti-Friction Differential Kit - ST428182 ( Анти-Трения Дифференциал Комплект )
![Джон Дир 8430 Anti-Friction Differential Kit Anti-Friction Differential Kit]()
1 - Корп. подшипн. без подш. R34856
2 - Наружн. кольцо подшипн. JD8210
3 - Внутр. кольцо подшипника JD8159
4 - Корпус R71386
4 - Шар 400R Количество:2 Посмотреть аналогичные детали
5 - Шайба R77145 Количество:2
6 - Коническая шестерня R66715
7 - Упорная шайба R59460 Количество:2
8 - Шайба R68167 Количество:4
9 - Ведущая шестерня R134726 Количество:2 Примечание:(SUB FOR R68170)
10 - Игольчатый ролик R68171 Количество:46
11 - Винт с головкой R70236
12 - Стопор R74675
13 - Ось R68173
14 - Коническая шестерня R63477
15 - Пружинный шплинт 34H311 Количество:3 Примечание:1/4" X 7/8"
16 - Крышка R94632 Примечание:(MARKED R73267 OR R82274) (SUB FOR AR95425 OR RE21188)
17 - Винт с головкой R40236 2
18 - Внутр. кольцо подшипника JD9055
19 - Комплект AR101619
Наверх
Anti-Friction Differential Kit - ST428183 ( Анти-Трения Дифференциал Комплект )
![Джон Дир 8430 Anti-Friction Differential Kit Anti-Friction Differential Kit]()
1 - Внутр. кольцо подшипника JD9019
2 - Кольцо R36881 Количество:2
3 - Корпус AR88775 Примечание:(SUB COMPONENTS)
3 - Корпус R68165
3 - Шар 400R Количество:2 Посмотреть аналогичные детали
4 - Упорная шайба R72586 Количество:2
5 - Коническая шестерня R109489
6 - Ступица R93019 Примечание:ORDER R134268; ALSO ORDER (3) R133584 AND (3) R131865
6 - Ступица R134268
7 - Коническая шестерня R112169 Примечание:SUB FOR R90869
8 - Шайба R68167 Количество:6
9 - Ведущая шестерня R67784 Количество:3 Примечание:ORDER R134733
9 - Ведущая шестерня R134733 Количество:3
10 - Упорная шайба R68166 Количество:3
11 - Ось R67782 Количество:3 Примечание:ORDER (3) R133584; ALSO ORDER R134268 AND (3) R131865
11 - Ось R133584 Количество:3
12 - Шайба R57696 Количество:3
13 - Винт с головкой R89837 Количество:3 Примечание:USE WITH R67782; SUB FOR R71309
13 - Винт R131865 Количество:3 Примечание:USE WITH R133584
14 - Игольчатый ролик R55081 Количество:54
15 - Комплект AR101624 Примечание:ORDER AR111163
15 - Дифференциал AR111163 Примечание:ЗАКАЖИТЕ КОМПОНЕНТЫ
16 - Пружинный шплинт 34H311 Количество:3 Примечание:1/4" X 7/8"
17 - Крышка R94631
18 - Самофиксирующийся винт R43369 2
19 - Внутр. кольцо подшипника JD8962
20 - Наружн. кольцо подшипн. JD8298
21 - Корп. подшипн. без подш. R73274
.. - Корп. подшипн. без подш. AR95440 Примечание:INCLUDES R73274 AND JD8298
Наверх
Differential Front AXLE Assembly - ST428184 ( Дифференциал переднего моста в сборе - )
![Джон Дир 8430 Differential Front AXLE Assembly Differential Front AXLE Assembly]()
1 - Смазочная арматура JD7797
2 - Гайка E12379
3 - Фитинг R36311
4 - Шланг AR70381
5 - Коленчатый патрубок 15H197 Примечание:1/8"
6 - Комплект моста RE11201 Примечание:(NLA)
7 - Гайка R57051
8 - Уплотнительное кольцо R68544
9 - Втулка R78266 Примечание:(SUB FOR R58696)
10 - Опора AR103874 Примечание:(MARKED R70838) (ALSO ORDER (4) 19H1782)
11 - Шайба R37439
12 - Уплотнительное кольцо R68543
13 - Сальник AR82993
14 - Уплотнительное кольцо B3690R
15 - Внутр. кольцо подшипника JD8941 Примечание:(SUB FOR JD9068, THIS APPLICATION)
16 - Прокладка R58255 Примечание:0.18 MM (0.007")
16 - Прокладка R58256 Примечание:0.25 MM (0.010")
16 - Прокладка R58257 Примечание:0.30 MM (0.012")
16 - Прокладка R58258 Примечание:0.38 MM (0.015")
17 - Шайба R58479
18 - Наружн. кольцо подшипн. JD8255
19 - Винт R46162 Количество:6
20 - Корп. подшипн. без подш. R72849 Примечание:(SUB FOR R64005)
21 - Упаковка R26149
22 - Шайба R47172 Количество:2 Примечание:(USE WITH AR71734 OR RE27291)
23 - Гайка 14H823 Количество:2 Примечание:1/2"
24 - Уплотнительное кольцо R27796
25 - Фитинг переходника AR86073
26 - Скоба AR21836 Количество:2
27 - Тройник AR86072
28 - Шланг без конц. арматуры ....... Примечание:10 X 3000 MM (3/8 X 118"), (SUB FOR R66388 OR TY22325) (MAKE FROM TY22561)
28 - Обвязной хомут R44302 Количество:4 Посмотреть аналогичные детали
29 - Комплект RE11211 Примечание:(SUB (2) AR21836, AR86072, AR86073, (4) R44302 AND TY22561)
30 - Крепление со штифтом R57847
31 - Шайба R60155
32 - Пружинное кольцо C667R
33 - Сальник AR82992
34 - Шайба R68581 Количество:2
35 - Прокладка R65905
36 - Прокладка R65895 Количество:2
37 - Упорная шайба R65526
38 - Пробка сливного отверстия R26727
39 - Втулка R78266 Примечание:(SUB FOR R58696)
40 - Кожух AR80625 Примечание:(MARKED R64502)
Наверх
Differential Front AXLE Assembly - Continued - ST428185 ( Дифференциал переднего моста в сборе - продолжение - )
![Джон Дир 8430 Differential Front AXLE Assembly Differential Front AXLE Assembly]()
41 - Воронка AR71734 Количество:2 Примечание:(SUB RE27291)
42 - Прокладка R46323 Примечание:0.08 MM (0.003")
42 - Прокладка R46324 Примечание:0.13 MM (0.005")
42 - Прокладка R46325 Примечание:0.25 MM (0.010")
43 - Внутр. кольцо подшипника JD9055 Примечание:R
44 - Наружн. кольцо подшипн. JD9118 Примечание:R
45 - Корп. подшипн. без подш. R59419 Примечание:R
46 - Винт R46162 2
47 - Винт с головкой R40236 2
48 - Пружинный шплинт 34H311 Количество:3 Примечание:1/4" X 7/8"
49 - Крышка R94632 Примечание:(MARKED R73267 OR R82274) (SUB FOR AR95425 OR RE21188)
50 - Шайба R77145 Количество:2
51 - Коническая шестерня R63477
52 - Упорная шайба R59460 Количество:2
53 - Шайба R68167 Количество:4
54 - Ведущая шестерня R134726 Количество:2 Примечание:(SUB FOR R68170)
55 - Стопор R74675
56 - Ось R68173
57 - Игольчатый ролик R68171 Количество:46
58 - Коническая шестерня R66715
59 - Винт с головкой R70236
60 - Болт R64474 Количество:2
61 - Уплотнительное кольцо R26375 Количество:2
62 - Винт с головкой R48787 2
63 - Шайба R73290 2 Примечание:(SUB FOR T497T)
64 - Корпус R71386
65 - Внутр. кольцо подшипника JD10377 Примечание:(SUB FOR JD9004)
66 - Наружн. кольцо подшипн. JD8280
67 - Прокладка R35365 Примечание:0.08 MM (0.003")
67 - Прокладка R35366 Примечание:0.13 MM (0.005")
67 - Прокладка R35367 Примечание:0.25 MM (0.010")
68 - Внутр. кольцо подшипника JD8159 Примечание:Левый
69 - Наружн. кольцо подшипн. JD8210 Примечание:Левый
70 - Корп. подшипн. без подш. R34856 Примечание:Левый
71 - Установочный штифт R54380 Количество:4
72 - Установочный штифт R48685 Количество:2
73 - Трубная заглушка 15H558 Примечание:1/8"
74 - Комплект AR104625 Примечание:(SUB COMPONENTS)
Наверх
Rear Differential - ST428186 ( Задний Дифференциал - )
![Джон Дир 8430 Rear Differential Rear Differential]()
1 - Винт с головкой R52634 2 Примечание:(SUB FOR R41049)
2 - Корп. подшипн. без подш. R43186 Примечание:(SUB JD8298, JD8962, R73274, R94631, (12) R43369 AND (3) 34H311) LH
3 - Наружн. кольцо подшипн. JD8214 Примечание:(SUB JD8298, JD8962, R73274, R94631, (12) R43369 AND (3) 34H311) LH
3 - Наружн. кольцо подшипн. JD8214 Примечание:R
4 - Внутр. кольцо подшипника JD9019 Примечание:(SUB JD8298, JD8962, R73274, R94631, (12) R43369 AND (3) 34H311) LH
4 - Внутр. кольцо подшипника JD9019 Примечание:R
5 - Прокладка R35501 Примечание:0.08 MM (0.003")
5 - Прокладка R35502 Примечание:0.13 MM (0.005")
5 - Прокладка R35503 Примечание:0.25 MM (0.010")
6 - Самофиксирующийся винт R43369 2 Примечание:(SUB FOR R42407)
7 - Крышка AR88242 Примечание:(SUB JD8298, JD8962, R73274, R94631, (12) R43369 AND (3) 34H311) (MARKED R43184, R46636 OR R56105) (SUB FOR AR43243)
7 - Пружинный шплинт 34H311 Количество:3 Примечание:1/4" X 7/8"
8 - Шайба R66788 Количество:2 Примечание:(SUB FOR R52157)
9 - Коническая шестерня R64257 Количество:2 Примечание:(SUB FOR R52155) (SUB R109489 AND R113733)
10 - Ведущая шестерня R48253 Количество:2
11 - Винт с головкой R43368 2
12 - Корпус AR43114 Примечание:(MARKED R43002, R43003, R60971 OR R68165) (SUB FOR AR91055) (SUB AR101624) (ALSO ORDER JD8298, JD8962, R73274, R94631, (12) R43369 AND (3) 34H311)
13 - Вал сателлита R58424
14 - Винт с головкой R70236 Примечание:(SUB FOR R41050)
15 - Передача AR71696 Примечание:(MATCHED SET) (INCLUDES SHIMS) (MARKED R57148 AND R57149)
16 - Корп. подшипн. без подш. R35500 Примечание:R
.. - Корп. подшипн. без подш. AR95440 Примечание:(INCLUDES R73274 AND JD8298)
Наверх
Rear Differential - ST428187 ( Задний Дифференциал - )
![Джон Дир 8430 Rear Differential Rear Differential]()
1 - Винт с головкой R52634 2 Примечание:(SUB FOR R41049)
2 - Корп. подшипн. без подш. R43186 Примечание:(SUB JD8298, JD8962, R73274, R94631, (12) R43369 AND (3) 34H311) LH
3 - Наружн. кольцо подшипн. JD8214 Примечание:(SUB JD8298, JD8962, R73274, R94631, (12) R43369 AND (3) 34H311) LH
3 - Наружн. кольцо подшипн. JD8214 Примечание:R
4 - Внутр. кольцо подшипника JD9019 Примечание:(SUB JD8298, JD8962, R73274, R94631, (12) R43369 AND (3) 34H311) LH
4 - Внутр. кольцо подшипника JD9019 Примечание:R
5 - Прокладка R35501 Примечание:0.08 MM (0.003")
5 - Прокладка R35502 Примечание:0.13 MM (0.005")
5 - Прокладка R35503 Примечание:0.25 MM (0.010")
6 - Самофиксирующийся винт R43369 2 Примечание:(SUB FOR R42407)
7 - Пружинный шплинт 34H311 Количество:3 Примечание:1/4" X 7/8"
8 - Пружина R34863 Количество:3
9 - Крышка AR88242 Примечание:(SUB JD8298, JD8962, R73274, R94631, (12) R43369 AND (3) 34H311) (MARKED R43184 OR R56104) (SUB FOR AR43243)
10 - Дисковое орудие AR88550 Количество:3 Примечание:(SUB (3) RE29429, R43340 AND (2) R43343)
11 - Пластина муфты R43343 Количество:2
12 - Пластина R43340
13 - Поршень R43337
14 - Шайба R43339
15 - Упаковка R46004
16 - Шайба R66788 Количество:2 Примечание:(SUB FOR R52157)
17 - Коническая шестерня R66317 Примечание:(SUB FOR R52156) (SUB R112169 AND R113733)
18 - Ведущая шестерня R48253 Количество:2
19 - Коническая шестерня R64257 Примечание:(SUB FOR R52155) (SUB R109489 AND R113733)
20 - Винт с головкой R43368 2
21 - Корпус AR43114 Примечание:(MARKED R43002, R43003, R60971 OR R68165) (SUB FOR AR91055) (SUB AR101624) (ALSO ORDER JD8298, JD8962, R73274, R94631, (12) R43369 AND (3) 34H311)
22 - Вал сателлита R58424 Примечание:(SUB FOR R52154)
23 - Винт с головкой R70236 Примечание:(SUB FOR R41050)
24 - Кольцо R36881 Количество:2
25 - Передача AR71696 Примечание:(MATCHED SET) (INCLUDES SHIMS) (MARKED R57148 AND R57149)
26 - Корп. подшипн. без подш. R43345 Примечание:R
Наверх
Differential Lock Valve - ST428188 ( Дифференциальный Клапан Блокировки )
![Джон Дир 8430 Differential Lock Valve Differential Lock Valve]()
1 - Педаль R63632
2 - Уплотнение R40445
3 - Шайба R63641
4 - Шайба 24H1345 Примечание:17/32" X 1-3/4" X 0.060"
5 - Пружина R447R
6 - Шайба 24H1227 Примечание:17/32" X 13/16" X 0.060"
7 - Стержень R63631
8 - Шплинт 11M7015 Примечание:3.200 X 25 mm
9 - Пружинный шплинт 34H247 Примечание:1/8" X 3/4"
10 - Шплинт 11M7059 Примечание:3.200 X 20 mm
11 - Винт R52240
12 - Винт с головкой 19H3342 Примечание:3/8" X 1-3/8"
13 - Гайка 14H732 Примечание:3/8 дюйма
14 - Рукоять AR78557
15 - Стопорная шайба 12H304 Примечание:3/8 дюйма
16 - Гайка 14H342 Примечание:3/8 дюйма
17 - Шайба 24H1289 Примечание:21/64" X 5/8" X 0.049"
18 - Хомут R46902 Количество:2 Примечание:SUB R79135
19 - Крепление со штифтом R26385 Количество:2
20 - Сердечник R68648 Примечание:SUB FOR R46863; SUB R86162
21 - Пружинное кольцо R26386 Количество:2
22 - Уплотнительное кольцо F3353R Примечание:USE WITH R52275
22 - Сальник AT14620 Примечание:USE WITH R68647
23 - Пружина R46862
24 - Прокладка R46901 Примечание:0.51 MM (0.020")
25 - Корпус R86768 Примечание:SUB FOR R52275
26 - Винт с головкой 19H1820 Примечание:1/2" X 3"
27 - Винт с головкой 19H2473 Примечание:1/2" X 1-3/4"
28 - Клапан R74417 Примечание:ALSO ORDER R74418; SUB FOR R46855; SUB R79134
29 - Пружина R31698 Примечание:SUB R74418 AND R79134
30 - Уплотнительное кольцо R26448
31 - Коленчатый патрубок AR58184 Примечание:90°
32 - Кронштейн R63633
33 - Игольчатый ролик R33058
34 - Шар 400R Примечание:6 MM (1/4")Посмотреть аналогичные детали
35 - Пружина R26373
36 - Уплотнительное кольцо R26287
37 - Муфта R36742
38 - Винт с головкой 19H1831 Примечание:1/2" X 2"
39 - Стопорная шайба 12H301 Примечание:1/2"
Наверх
Differential Lock Valve Lines - ST428189 ( Дифференциальный Клапан Линии Блокировки )
![Джон Дир 8430 Differential Lock Valve Lines Differential Lock Valve Lines]()
1 - Гидрошланг AR78560
2 - Муфта R36742
3 - Уплотнительное кольцо R26287
4 - Пружина R26373
5 - Шар 400R Примечание:6 MM (1/4")Посмотреть аналогичные детали
6 - Игольчатый ролик R33058
7 - Маслопровод AR78561 Примечание:Возвратный
8 - Уплотнительное кольцо R26286
9 - Тройник AR49789
10 - Тройник AT36921
11 - Уплотнительное кольцо R26448
12 - Коленчатый патрубок AR58184 Примечание:90°
13 - Винт с головкой 19H2284 Примечание:3/8" X 7/8"
14 - Скоба R42009 Количество:2
15 - Стопорная шайба 12H304 Количество:2 Примечание:3/8 дюйма
16 - Гайка 14H1076 Примечание:3/8 дюйма
17 - Маслопровод AR78562
18 - Гайка R27296 Количество:2
19 - Кронштейн R63638
20 - Коленчатый патрубок AR35981 Количество:2 Примечание:90°
21 - Скоба R42357 Количество:2
22 - Шайба 28H1517 Примечание:0.493" X 0.675" X 1/4"
23 - Скоба R57549 Количество:2
24 - Маслопровод AR88044 Примечание:(HINGE BRACKET TO DIFFERENTIAL) (SUB FOR AR78558)
25 - Винт с головкой 19H246 Примечание:3/8" X 1-3/4"
26 - Винт с головкой 19H3210 Tractor Serial No.______-005341 Примечание:3/4" X 5-1/4"
26 - Винт с головкой 19H3415 Tractor Serial No.005342-______ Примечание:3/4" X 5-1/2"
27 - Шайба T21397
28 - Шланг AR78559
29 - Кронштейн R63637
30 - Фитинг AR34569
31 - Шайба R51494
32 - Маслопровод AR43134
33 - Фитинг переходника R39597
34 - Уплотнительное кольцо R30903
Наверх
Planetary And Front Axle - ST428190 ( Планетарные И Передний Мост - )
![Джон Дир 8430 Planetary And Front Axle Planetary And Front Axle]()
1 - Пружинное кольцо R53659
2 - Ось R57949 Примечание:LGTH = 919 mm (36.21")
2 - Ось R57404 Примечание:LGTH = 1206 mm (47.51")
3 - Сальник RE31702 Примечание:ALSO ORDER R59074; SUB FOR R35634, AR68721 OR AH93852
4 - Маслосборник R59074 Примечание:SUB FOR R57268
5 - Распорная втулка R63106 Примечание:SUB FOR R53635
6 - Внутр. кольцо подшипника JD8962
6 - Внутр. кольцо подшипника JD10003 Примечание:Уменьшенного размера
7 - Наружн. кольцо подшипн. JD8248
8 - Трубная заглушка 15H559 Примечание:1/4 дюйма
9 - Смазочная арматура JD7781 Примечание:90°
10 - Винт с головкой R48438 2
11 - Шайба R48429
12 - Установочный штифт R54380 Количество:3 Примечание:LOCATING
13 - Прокладка R94311 Примечание:SUB FOR R42289 OR R74155
14 - Сальник AR51561 Примечание:SUB AR98650
15 - Наружн. кольцо подшипн. JD8214
16 - Внутр. кольцо подшипника JD8191
17 - Установочный штифт R65499 Количество:3 Примечание:SUB FOR R37401
18 - Передача R57412 Примечание:SUB FOR RE13483
19 - Корпус AR89895 Примечание:MARKED R57405 OR R58484; SUB FOR AR68958 OR AR70229
20 - Упорная шайба R33022 Количество:6
21 - Игольчатый ролик R57254 Количество:72
22 - Ведущая шестерня R65635 Количество:3 Примечание:SUB FOR R57402
23 - Ось R57403 Количество:3 Tractor Serial No.______-001194 Примечание:SUB R61127
23 - Ось R61127 Количество:3 Tractor Serial No.001195-______
24 - Шайба R48437
25 - Пружинное кольцо R61428 Примечание:SUB FOR R57952
26 - Уплотнительное кольцо F3171R
27 - Прокладка R61461 Примечание:TK = 0.08 mm (0.003")
27 - Прокладка R59439 Примечание:TK = 0.13 mm (0.005")
27 - Прокладка R59440 Примечание:TK = 0.51 mm (0.020")
28 - Шайба F2380R
29 - Водило сателлитов R57953
30 - Распорная втулка R61770 Примечание:SUB FOR R58293
31 - Болт R81162 Примечание:HS = 10.9, SAE 8, SUB FOR R52388 OR R60034
32 - Пластина R69549 Примечание:SUB FOR R59124
33 - Ось R67199 Примечание:SUB FOR R57401
Наверх
Planetary And Rear AXLE - ST428191 ( Планетарные и задний мост - )
![Джон Дир 8430 Planetary And Rear AXLE Planetary And Rear AXLE]()
1 - Пружинное кольцо R53659
2 - Ось R53651 Примечание:(908 MM (35.75")), LENGTH
2 - Ось R53653 Примечание:(LENGTH 195 MM (47.06"))
3 - Сальник RE31702 Примечание:(ALSO ORDER R59074) (SUB FOR R35634, AR68721 OR AH93852)
4 - Маслосборник R59074 Примечание:(SUB FOR R57268)
5 - Распорная втулка R63106 Примечание:(SUB FOR R53635)
6 - Внутр. кольцо подшипника JD8962
6 - Внутр. кольцо подшипника JD10003 Примечание:Уменьшенного размера
7 - Наружн. кольцо подшипн. JD8248
8 - Трубная заглушка 15H559 Примечание:1/4 дюйма
9 - Смазочная арматура JD7781 Примечание:90°
10 - Винт с головкой 19H3168 4 Примечание:5/8" X 3-3/4"
11 - Передача R57616 Примечание:(SUB FOR RE13479)
12 - Корпус AR70480 Примечание:(MARKED R58294 OR R58602) (SUB RE171038 USED PART)
13 - Прокладка R58295 Tractor Serial No.______-004430
13 - Прокладка R99394 Tractor Serial No.004431-______ Примечание:(SUB FOR R58295 OR R65308)
14 - Сальник AR85311 Примечание:(SUB FOR R35735)
14 - Сальник AR98649 Примечание:UNDERSIZE (SUB FOR AR87199)
15 - Наружн. кольцо подшипн. JD8248
16 - Внутр. кольцо подшипника JD8962
16 - Внутр. кольцо подшипника JD10003 Примечание:Уменьшенного размера
17 - Установочный штифт R44961 Количество:3
18 - Упорная шайба R43245 Количество:6 Примечание:(SUB R83096)
19 - Игольчатый ролик R43244 26
20 - Сателлит планет. передачи R57615 Количество:3
21 - Ось R43015 Количество:3
22 - Прокладка R42529
23 - Пружинное кольцо R33029
24 - Уплотнительное кольцо F3171R Tractor Serial No.002586-______ Примечание:(NO LONGER USED)
25 - Прокладка R61461 Tractor Serial No.002586-______ Примечание:0.08 MM (0.003")
25 - Прокладка R59439 Примечание:0.13 MM (0.005")
25 - Прокладка R59440 Примечание:0.51 MM (0.020")
26 - Шайба F2380R
27 - Водило сателлитов R43001
28 - Стопор R61771 Примечание:(SUB FOR R46806)
29 - Винт с головкой R82175 Примечание:HS=10.9, SAE 8, (SUB FOR R26011 OR R60032)
30 - Стопорная пластина R26012
31 - Ось R57614 Tractor Serial No.______-002585 Примечание:(SUB R113733 AND R91826)
31 - Ось R113733 Tractor Serial No.002586-______ Примечание:(SUB R113733)
Наверх
Front Axle Bearing And Seal Kit - ST428193 ( Передний Мост Подшипник И Печать Комплект )
![Джон Дир 8430 Front Axle Bearing And Seal Kit Front Axle Bearing And Seal Kit]()
1 - Сальник RE31702 Примечание:SUB FOR AH93852
2 - Маслосборник R59074
3 - Распорная втулка R63106
4 - Наружн. кольцо подшипн. JD8248
5 - Сальник AR98650
6 - Наружн. кольцо подшипн. JD8214
7 - Внутр. кольцо подшипника JD8191
8 - Прокладка R61461 Количество:3 Примечание:TK = 0.08 mm (0.003")
8 - Прокладка R59439 Количество:4 Примечание:TK = 0.13 mm (0.005")
8 - Прокладка R59440 Количество:2 Примечание:TK = 0.51 mm (0.020")
9 - Шайба F2380R
10 - Болт R81162 Примечание:HS=10.9, SAE 8, SUB FOR R60034
11 - Пластина R69549
12 - Комплект моста RE11209 Примечание:ЗАКАЖИТЕ КОМПОНЕНТЫ
13 - Внутр. кольцо подшипника JD8962
14 - Прокладка R94311 Примечание:SUB FOR R74155
15 - Шайба R48437
.. - Шар R72232 Примечание:AXLE SHIM GAUGE
Наверх
Front Axle Bearing And Seal Kit - ST428194 ( Передний Мост Подшипник И Печать Комплект )
![Джон Дир 8430 Front Axle Bearing And Seal Kit Front Axle Bearing And Seal Kit]()
1 - Сальник RE31702 Примечание:SUB FOR AH93852
2 - Маслосборник R59074
3 - Распорная втулка R63106
4 - Наружн. кольцо подшипн. JD8248
5 - Сальник AR98650
6 - Наружн. кольцо подшипн. JD8214
7 - Внутр. кольцо подшипника JD8191
8 - Прокладка R61461 Количество:3 Примечание:TK = 0.08 mm (0.003")
8 - Прокладка R59439 Количество:4 Примечание:TK = 0.13 mm (0.005")
8 - Прокладка R59440 Количество:2 Примечание:TK = 0.51 mm (0.020")
9 - Шайба F2380R
10 - Болт R81162 Примечание:HS=10.9, SAE 8, SUB FOR R60034
11 - Пластина R69549
12 - Комплект моста RE11209 Примечание:ЗАКАЖИТЕ КОМПОНЕНТЫ
13 - Внутр. кольцо подшипника JD10003
14 - Прокладка R94311 Примечание:SUB FOR R74155
15 - Шайба R48437
.. - Шар R72232 Примечание:AXLE SHIM GAUGE
Наверх
Rear Axle Bearing and Seal Kit - ST428195 ( Задний мост подшипник и печать комплект )
![Джон Дир 8430 Rear Axle Bearing and Seal Kit Rear Axle Bearing and Seal Kit]()
1 - Сальник RE31702 Примечание:SUB FOR AH93852
2 - Маслосборник R59074
3 - Распорная втулка R63106
4 - Наружн. кольцо подшипн. JD8248 Количество:2
5 - Прокладка R61461 Количество:3 Примечание:0.08 MM (0.003")
5 - Прокладка R59439 Количество:4 Примечание:0.13 MM (0.005")
5 - Прокладка R59440 Количество:2 Примечание:0.51 MM (0.020")
6 - Шайба F2380R
7 - Стопор R61771
8 - Винт с головкой R82175 Примечание:HS=10.9, SAE 8, SUB FOR R60032
9 - Стопорная пластина R26012
10 - Комплект моста RE11208 Примечание:ЗАКАЖИТЕ КОМПОНЕНТЫ
11 - Внутр. кольцо подшипника JD8962 Количество:2
12 - Прокладка R99394 Примечание:SUB FOR R65308
13 - Прокладка R42529
14 - Сальник AR85311
.. - Шар R72232 Примечание:AXLE SHIM GAUGE
Наверх
Rear Axle Bearing and Seal Kit - ST428196 ( Задний мост подшипник и печать комплект )
![Джон Дир 8430 Rear Axle Bearing and Seal Kit Rear Axle Bearing and Seal Kit]()
1 - Сальник RE31702 Примечание:SUB FOR AH93852
2 - Маслосборник R59074
3 - Распорная втулка R63106
4 - Наружн. кольцо подшипн. JD8248 Количество:2
5 - Прокладка R61461 Количество:3 Примечание:0.08 MM (0.003")
5 - Прокладка R59439 Количество:4 Примечание:0.13 MM (0.005")
5 - Прокладка R59440 Количество:2 Примечание:0.51 MM (0.020")
6 - Шайба F2380R
7 - Стопор R61771
8 - Винт с головкой R82175 Примечание:HS=10.9, SAE 8, SUB FOR R60032
9 - Стопорная пластина R26012
10 - Комплект моста RE11208 Примечание:ЗАКАЖИТЕ КОМПОНЕНТЫ
11 - Внутр. кольцо подшипника JD10003 Количество:2
12 - Прокладка R99394 Примечание:SUB FOR R65308
13 - Прокладка R42529
14 - Сальник AR98649 Примечание:SUB FOR AR87199
.. - Шар R72232 Примечание:AXLE SHIM GAUGE
Наверх
Remote AXLE Bearing Grease Bank Kit - ST428198 ( Удаленный мост смазка для подшипников банк КИТ - )
![Джон Дир 8430 Remote AXLE Bearing Grease Bank Kit Remote AXLE Bearing Grease Bank Kit]()
1 - Коленчатый патрубок AR100388 Количество:4 Примечание:90°
2 - Трубная втулка 15H681 Количество:4 Примечание:1/8", (IF REQUIRED)
3 - Смазочная арматура JD7781 Количество:4 Примечание:90°
4 - Муфта 15H73 Количество:4 Примечание:1/8"
5 - Скоба T13814 Количество:4
6 - Распорная втулка 28H1527 Примечание:0.493" X 0.675" X 1-3/8"
7 - Винт с головкой 19H1726 Примечание:3/8" X 2-1/4"
8 - Гидрошланг AR88832 Количество:2
9 - Обвязной хомут R76477 Количество:8 Примечание:(SUB FOR R45440)Посмотреть аналогичные детали
10 - Гидрошланг AR88831 Количество:2
11 - Комплект RE22250 Примечание:(Предоставьте компоненты)
Наверх