Содержимое: Каталог Запчастей John Deere :9550 and 9550SH Self-Propelled Combines - PC2801 25 Engine 6068HH054-RE505782
7421 Air Conditioner Mounting - ST72064 ( Кондиционер Монтаж )
4712 Коленчатый вал и подшипники - ST816629
2001 Шкив водяного насоса - ST351481
1408 Корпус маховика - ST141458
1511 Маховик - ST569252
3612 Передняя пластина - ST35333
4433 Timing Gear Cover and Water Pump - ST625657 ( Крышка газораспределительного механизма и водяного насоса - )
4611 Блок цилиндров - ST72046
5116 Cylinder Head and Valves - ST351486 ( Головка блока цилиндров и клапаны - )
4903 Клапанный исполнительный механизм - ST72104
2941 Ventilating System - ST351488 ( Система Вентиляции - )
1130 Rocker Arm Cover - ST351489 ( Крышка Коромысла Рукоятки - )
5001 Масляный насос двигателя - ST73533
5903 Engine Oil Cooler - ST628287 ( Охладитель Моторного Масла - )
6355 Low Pressure Fuel Lines - ST351493 ( Топливопроводы Низкого Давления )
1980 Oil Pan - ST351494 ( Масляный Поддон - )
4002 Масломерный щуп двигателя - ST351495
2143 Thermostat Cover - ST72030 ( Крышку Термостата - )
3910 Thermostat Housing - ST72042 ( Корпус Термостата - )
2202 Термостат - ST438262
8719 Устройство натяжения ремня - ST351500
2344 Fan Drive - ST258863 ( Привод Вентилятора - )
2496 Fan Idler Pulley - ST133808 ( Вентилятор Направляющего Шкива )
1322 Шкив коленчатого вала - ST706544
9801 Подъемные ремни - ST351504
4817 Connecting Rods and Pistons - ST72048 ( Шатуны и поршни - )
35CD Final Fuel Filter - ST439006 ( Окончательный Топливный Фильтр - )
1758 Air Intake - ST351508 ( Потребление Воздуха - )
65GF Turbocharger - ST379984 ( Турбонагнетатель - )
5702 Впуск водяного насоса - ST166238
2867 Exhaust Manifold - ST351511 ( Выпускной Коллектор - )
8843 Фильтр моторного масла - ST85621
2698 Фитинги нагревателя охлаждающей жидкости двигателя - ST348491
3035 Starter Motor - ST351514 ( Стартер - )
1299 Oil Filler Neck Cover - ST73498 ( Заливной Горловины Масла Крышка Шеи )
3799 Крышка перекач. топл. насоса - ST151775
4320 Starting Aid - ST439186 ( Начиная Помощи - )
6251 Alternator Brackets - ST152020 ( Генератор Кронштейны - )
6698 Заглушка термодатчика - ST628077
16PM Fuel Injection System - ST351521 ( Система Впрыска Топлива - )
9901 Укороченный блок в сборе - ST351479
9901 Запасной двигатель - ST351523
7421 Air Conditioner Mounting - ST72064 ( Кондиционер Монтаж )
![Джон Дир 9550 7421 Air Conditioner Mounting 7421 Air Conditioner Mounting]()
1 - Кронштейн RE516518
2 - Фланцевая гайка 14M7298 Количество:2 Примечание:M8
3 - Винт 19M7785 Количество:2 Примечание:M10 X 25
4 - Винт 19M7868 Количество:2 Примечание:M8 X 30
5 - Распорная втулка 28H3450 Примечание:0.364" X 0.540" X 1/2"
6 - Кронштейн T204204
7 - Винт 19M7816 Примечание:M12 X 65
8 - Втулка 28H3478 Примечание:0.546" X 0.840" X 1-3/4"
9 - Комплект кронштейна RE523658 Примечание:Опорный кронштейн
Наверх
4712 Коленчатый вал и подшипники - ST816629
![Джон Дир 9550 4712 Коленчатый вал и подшипники 4712 Коленчатый вал и подшипники]()
1 - Коленвал RE505921 Примечание:MARKED R503470; ALSO ORDER RE537070 AND RE537071
1 - Коленчатый вал восст. SE501655 Примечание:With Bearings, REMAN FOR RE505921
2 - Шпонка вала R505609 Примечание:LGTH = 18.5 mm
3 - Передача R120631 Примечание:Z = 30
4 - Установочный штифт R48685 Примечание:SUB FOR A120R
5 - Болт R135918 Количество:6
6 - Подшипниковый комплект RE65165 Количество:6 Примечание:STD, Комплект R123561 AND R123562 Посмотреть аналогичные детали
6 - Подшипник RE65911 Примечание:US = 0.254 mm, Комплект R130576 AND R130577 Посмотреть аналогичные детали
7 - Подшипниковый комплект RE65168 Примечание:STD, Комплект R123564 AND R123563 Посмотреть аналогичные детали
7 - Упорный подшипник RE65912 Примечание:US = 0.254 mm, Комплект R130574 AND R130575 Посмотреть аналогичные детали
Наверх
2001 Шкив водяного насоса - ST351481
![Джон Дир 9550 2001 Шкив водяного насоса 2001 Шкив водяного насоса]()
1 - Шкив R115250
2 - Винт 19M7774 Количество:3 Примечание:M6 X 12
Наверх
1408 Корпус маховика - ST141458
![Джон Дир 9550 1408 Корпус маховика 1408 Корпус маховика]()
1 - Корпус R503456 Примечание:MARKED R128582
2 - Уплотнительное кольцо R61467
3 - Сальник DZ111672 Примечание:ЗаднийКоленчатый вал SUB FOR APPL RE524227, RE35885 OR RE537070
4 - Заглушка R131769
5 - Винт 19M7813 Количество:4 Примечание:M12 X 45
6 - Трубная заглушка RE71255
7 - Болт R135918 Количество:8
Наверх
1511 Маховик - ST569252
![Джон Дир 9550 1511 Маховик 1511 Маховик]()
1 - Маховик RE59315 Примечание:MARKED R90838
2 - Зубчатый венец R28811 Примечание:Z = 129 Посмотреть аналогичные детали
3 - Шайба T77258 Количество:6
4 - Винт с головкой 19M7363 Количество:6 Примечание:M12 X 60
Наверх
3612 Передняя пластина - ST35333
![Джон Дир 9550 3612 Передняя пластина 3612 Передняя пластина]()
1 - Винт 19M8966 Примечание:M10 X 50, SUB FOR APPL 19M7807
2 - Упорная шайба R131283
3 - Передача RE56369 Примечание:Z = 43
4 - Втулка R114193
5 - Винт R136475 Количество:5
6 - Шпилька R520139 Количество:7 Примечание:SUB FOR APPL R123584
7 - Упорная шайба R101225
8 - Ось R114194
9 - Винт 19M10876 Количество:2 Примечание:M10 X 55, SUB FOR APPL 19M8844
10 - Установочный штифт R515408
11 - Упорная шайба R534219 Количество:2
12 - Ось R534218 Примечание:SUB FOR APPL R504843
13 - Передача RE508489 Примечание:Z = 60
14 - Пластина DZ112420 Примечание:SUB FOR R537771 OR R504576
15 - Шпилька R134518 Количество:2
16 - Упорная шайба R515494 Количество:2 Примечание:ORDER R534219
Наверх
4433 Timing Gear Cover and Water Pump - ST625657 ( Крышка газораспределительного механизма и водяного насоса - )
![Джон Дир 9550 4433 Timing Gear Cover and Water Pump 4433 Timing Gear Cover and Water Pump]()
1 - Опора R516557
2 - Шайба 24M7096 Количество:4 Примечание:10.500 X 18 X 1.600 mm
3 - Винт с головкой 19M8488 Количество:4 Примечание:M10 X 45
4 - Прокладка R545884 Примечание:SUB FOR R526945 OR R523185 OR R519656 OR R502954
5 - Крышка DZ10385 Примечание:MARKED DZ104972; SUB FOR RE505840 OR RE546905
6 - Вкладыш RE508566
7 - Прокладка R123417 Посмотреть аналогичные детали
8 - Уплотнительное кольцо R504734
9 - Водяной насос RE546906 Примечание:MARKED R532562; ALSO ORDER R123417; SUB FOR RE505980 Посмотреть аналогичные детали
9 - Водяной насос восст. SE501609 Примечание:REMAN FOR RE505980 OR RE546906 Посмотреть аналогичные детали
10 - Сальник R123226
11 - Заглушка фитинга RE46685
12 - Уплотнительное кольцо 51M7043 Примечание:15.300 X 2.200 mm
13 - Кольцо R71228
14 - Пружинное кольцо A364R
15 - Винт 19M7796 Количество:8 Примечание:M6 X 30
16 - Сальник DZ111671 Примечание:Пер. масл. упл.Коленчатый вал SUB FOR RE538097 AND RE537071
17 - Фитинг RE517370
18 - Уплотнительное кольцо 51M7044 Примечание:17.300 X 2.200 mm
19 - Пробка сливного отверстия RE46687
20 - Уплотнительное кольцо 51M7045 Примечание:19.300 X 2.200 mm
21 - Фланцевая гайка 14M7296 Количество:9 Примечание:M10
22 - Винт 19M7800 Количество:5 Примечание:M8 X 50
23 - Винт 19M7801 Количество:3 Примечание:M8 X 60
24 - Винт 19M7867 Примечание:M8 X 25
Наверх
4611 Блок цилиндров - ST72046
![Джон Дир 9550 4611 Блок цилиндров 4611 Блок цилиндров]()
1 - Распредвал RE515611 Примечание:MARKED RE522319
2 - Шпонка вала R133303
3 - Жиклер R131182 Количество:6
4 - Трубная заглушка 15H584 Примечание:1/2"
5 - Трубная заглушка RE507807
6 - Установочный штифт A120R Количество:4
7 - Трубная заглушка RE71255 Количество:7
8 - Пластина R132518
9 - Винт 19M8999 Количество:2 Примечание:M8 X 25
10 - Установочный штифт B153R Количество:2
11 - Заглушка R116466
12 - Заглушка T18891 Количество:2
13 - Выпускной клапан RE505501
14 - Пружина сжатия R131425
15 - Втулка R119874
16 - Клапан R121043
17 - Пружина R111137
18 - Уплотнительное кольцо R97185
19 - Крышка подшипника R536082 Количество:6 Примечание:MARKED R536083; USE WITH R535005
19 - Крышка подшипника R515365 Количество:6 Примечание:SUB FOR APPL R114241; USE WITH R528387
20 - Шар D2361R
21 - Трубная заглушка 15H695 Примечание:3/8 дюйма
22 - Винт с головкой R535005 4 Примечание:USE WITH R536082 AND R535004
22 - Винт с головкой R528387 4 Примечание:SUB FOR APPL T23474 AND T20168; USE WITH R515365 AND R515366
23 - Крышка подшипника R535004 Примечание:MARKED R536083; USE WITH R535005
23 - Крышка подшипника R515366 Примечание:SUB FOR APPL R114240; USE WITH R528387
24 - Фитинг RE508185 Количество:2
25 - Уплотнительное кольцо U13639
26 - Блок цилиндра ....... Примечание:MARKED R504850; ORDER RE571652
26 - Узел короткого блока RE571652 Примечание:SUB FOR RE522680
27 - Втулка R115390 Примечание:Не показано
Наверх
5116 Cylinder Head and Valves - ST351486 ( Головка блока цилиндров и клапаны - )
![Джон Дир 9550 5116 Cylinder Head and Valves 5116 Cylinder Head and Valves]()
1 - Сальник RE519115 Количество:24
2 - Пружина сжатия ....... Количество:24 Примечание:ORDER RE518080
2 - Комплект пружин RE516486 2 Примечание:INCLUDES R503906
3 - Колпачок R502367 Количество:24
4 - Стопор R502371 Количество:24
5 - Уплотнительное кольцо ....... Количество:6 Примечание:ORDER RE543935
6 - Уплотнительное кольцо ...... Количество:6 Примечание:ORDER RE543935
7 - Гильза RE543935 Количество:6 Примечание:SUB FOR RE517435
8 - Трубная заглушка R104592
9 - Винт с головкой R502511 Количество:26
10 - Заглушка CD16284 Количество:5
11 - Гильза R502512 Количество:6
12 - Вставка седла клапана ....... 2
12 - Вставка седла клапана RE518083 Количество:6
13 - Вставка седла клапана ....... 2
13 - Вставка седла клапана RE518082 Количество:6
14 - Головка блока цилиндров RE507778 Примечание:MARKED R502547
15 - Прокл. гол. цил. двигат. R116516 Посмотреть аналогичные детали
16 - Выхлопной клапан ....... 2
16 - Комплект клапанов RE518081 Количество:6 Примечание:ORDER RE557891; INCLUDES R502370 Посмотреть аналогичные детали
16 - Комплект клапанов RE557891 Количество:6 Примечание:SUB FOR RE518081 Посмотреть аналогичные детали
17 - Впускной клапан ....... 2
17 - Впускной клапан RE518080 Количество:6 Примечание:ORDER RE557890; INCLUDES R502369 Посмотреть аналогичные детали
17 - Комплект клапанов RE557890 Количество:6 Примечание:SUB FOR RE518080 Посмотреть аналогичные детали
18 - Головка блока цилиндров RE507777 Примечание:MARKED R502547; ORDER RE553419
18 - Головка блока цилиндров RE553419 Примечание:SUB FOR RE507777
18 - Голов. блока цил. восст. SE501584 Примечание:REMAN FOR RE507777
Наверх
4903 Клапанный исполнительный механизм - ST72104
![Джон Дир 9550 4903 Клапанный исполнительный механизм 4903 Клапанный исполнительный механизм]()
1 - Ось клапанного коромысла ....... Примечание:УзелЗаказывайте отдельные детали SUB FOR RE506329
2 - Ось клапанного коромысла RE516491
3 - Заглушка 30M7004 Количество:2
4 - Скоба R504631 Количество:2
5 - Винт RE539912 Количество:2
6 - Коромысло DZ102746 Количество:6 Примечание:Выхлопной клапан SUB FOR RE504210
7 - Гайка 14M7148 2 Примечание:M10
8 - Пружина R505543 Количество:6
9 - Коромысло DZ102744 Количество:6 Примечание:Впускной клапан SUB FOR RE523023
10 - Клапанная перемычка R541677 2 Примечание:SUB FOR R502341
11 - Следящий элемент кулачка DZ101670 2
12 - Толкатель DZ111102 2 Примечание:SUB FOR R504209 OR RE547909 OR RE556544 OR RE566623
13 - Прокладка R524496 Примечание:SUB FOR R504882
14 - Уплотнительное кольцо R47154 Примечание:USE WITH RE506329
14 - Уплотнительное кольцо R72328 Примечание:USE WITH RE519895
15 - Шайба 24M7096 Количество:2 Примечание:10.500 X 18 X 1.600 mm
16 - Винт R521458 Количество:7
17 - Хомут R516140 Количество:5
Наверх
2941 Ventilating System - ST351488 ( Система Вентиляции - )
![Джон Дир 9550 2941 Ventilating System 2941 Ventilating System]()
1 - Коленчатый патрубок R120467
2 - Шланг TY22505
3 - Скоба R72659
4 - Винт 19M7784 Примечание:M10 X 20
Наверх
1130 Rocker Arm Cover - ST351489 ( Крышка Коромысла Рукоятки - )
![Джон Дир 9550 1130 Rocker Arm Cover 1130 Rocker Arm Cover]()
1 - Крышка заливной горловины RE535560 Примечание:(SUB FOR RE500005 ) (ALSO ORDER R502902) Посмотреть аналогичные детали
2 - Упаковка R502902
3 - Эмблема R521401
4 - Крышка клапана R522199 Примечание:(SUB FOR R504630, THIS APPLICATION)
5 - Заглушка H23125 Количество:7
6 - Винт с головкой R516181 Количество:7 Engine Serial No.______-543629
6 - Винт R521390 Количество:7 Engine Serial No.799741-______
7 - Уплотнительное кольцо R520867 Количество:7 Engine Serial No.______-543629
7 - Уплотнительное кольцо R123575 Engine Serial No.799741-______
8 - Прокладка R524497 Посмотреть аналогичные детали
9 - Отражательная пластина R515555
10 - Винт 19M7775 Количество:2 Примечание:M6 X 16
Наверх
5001 Масляный насос двигателя - ST73533
![Джон Дир 9550 5001 Масляный насос двигателя 5001 Масляный насос двигателя]()
1 - Винт 19M8987 Количество:2 Примечание:M8 X 65
2 - Передача R120638 Примечание:Z = 30, Привод масляного насоса
3 - Гайка 14M7066 Примечание:M12
4 - Масляный насос DZ100057 Примечание:SUB FOR RE504914
5 - Уплотнительное кольцо R97185
6 - Труба R121376 Примечание:Выпуск масляного насоса
Наверх
5903 Engine Oil Cooler - ST628287 ( Охладитель Моторного Масла - )
![Джон Дир 9550 5903 Engine Oil Cooler 5903 Engine Oil Cooler]()
1 - Винт RE67231 Количество:6 Примечание:Резьба с предварительно нанесенным герметиком
2 - Маслоохладитель RE560754 Примечание:9 пластин SUB FOR RE59298
3 - Уплотнительное кольцо T122075 Количество:2
4 - Прокладка R123501
5 - Корпус R521037 Примечание:SUB FOR R123471
6 - Фитинг переходника RE508599
7 - Прокладка R501428 Посмотреть аналогичные детали
8 - Уплотнительное кольцо R504734 Примечание:SUB FOR APPL R61105
9 - Адаптер DZ105608 Примечание:MARKED DZ105607; SUB FOR R502811 OR R135177
10 - Винт RE67238 Примечание:Резьба с предварительно нанесенным герметиком
11 - Винт 19M7970 Количество:2 Примечание:M8 X 100
12 - Винт 19M7802 Количество:2 Примечание:M8 X 65
13 - Фитинг RE46686
14 - Уплотнительное кольцо 51M7040 Примечание:9.300 X 2.200 mm
15 - Заглушка фитинга RE46685
16 - Уплотнительное кольцо 51M7043 Примечание:15.300 X 2.200 mm
Наверх
6355 Low Pressure Fuel Lines - ST351493 ( Топливопроводы Низкого Давления )
![Джон Дир 9550 6355 Low Pressure Fuel Lines 6355 Low Pressure Fuel Lines]()
1 - Тройник R97061
2 - Коленчатый патрубок RE502174
3 - Топливопровод RE507542 Примечание:INCLUDES (2) R67092
4 - Уплотнительная шайба R67092 Количество:2
5 - Топливопровод RE508892 Примечание:INCLUDES (3) R51936
6 - Уплотнительная шайба R51936 Количество:8 Посмотреть аналогичные детали
7 - Топливопровод RE538933 Примечание:INCLUDES (2) R51936
8 - Фитинг RE502173
9 - Уплотнительное кольцо 51M7094 Примечание:8.100 X 1.600 mm
10 - Фитинг RE502175
11 - Уплотнительное кольцо 51M7039 Примечание:8.100 X 1.600 mm
12 - Топливопровод RE508893 Примечание:INCLUDES (2) R51936
13 - Фитинг RE60030
14 - Уплотнительное кольцо 51M7040 Количество:4 Примечание:9.300 X 2.200 mm
15 - Фитинг RE46686 Количество:3
16 - Заглушка AR85519 Количество:2
17 - Топливопровод RE516192
18 - Трубная гайка R123593 Количество:2
19 - Кронштейн R504859
20 - Скоба T13814
21 - Винт 19M7784 Примечание:M10 X 20
22 - Фланцевая гайка 14M7334 Примечание:M10
23 - Шайба R62107 Количество:2
24 - Полый винт 38M7009
Наверх
1980 Oil Pan - ST351494 ( Масляный Поддон - )
![Джон Дир 9550 1980 Oil Pan 1980 Oil Pan]()
1 - Винт 19M10075 Количество:2 Примечание:M8 X 110
2 - Впуск масляного насоса RE71143
3 - Уплотнительное кольцо R61871
4 - Прокладка R521498 Примечание:SUB FOR R500349
5 - Сальник DZ107007 Количество:5 Примечание:SUB FOR APPL R519742
6 - Заглушка фитинга RE523251 Количество:2
7 - Масляный поддон RE523409 Примечание:SUB FOR RE523256 OR RE537487
7 - Масляный поддон RE509666 Примечание:ORDER RE523409
8 - Винт 19M8062 Количество:6 Примечание:M8 X 20
9 - Сливной клапан DZ107000 Примечание:SUB FOR RE523317
10 - Фитинг переходника RE523253 Количество:2
11 - Уплотнительное кольцо 51M7045 Примечание:19.300 X 2.200 mm
12 - Пробка сливного отверстия RE46687 Количество:2
13 - Болт 19M8163 Количество:30 Примечание:M8 X 16
Наверх
4002 Масломерный щуп двигателя - ST351495
![Джон Дир 9550 4002 Масломерный щуп двигателя 4002 Масломерный щуп двигателя]()
1 - Щуп RE69243
2 - Трубка щупа R502604
3 - Заглушка R502725
Наверх
2143 Thermostat Cover - ST72030 ( Крышку Термостата - )
![Джон Дир 9550 2143 Thermostat Cover 2143 Thermostat Cover]()
1 - Крышка R515581
2 - Винт 19M7785 Количество:3 Примечание:M10 X 25
3 - Прокладка R124607
4 - Заглушка фитинга RE46684
5 - Уплотнительное кольцо 51M7041 Примечание:11.300 X 2.200 mm
Наверх
3910 Thermostat Housing - ST72042 ( Корпус Термостата - )
![Джон Дир 9550 3910 Thermostat Housing 3910 Thermostat Housing]()
1 - Винт 19M7785 Количество:3 Примечание:M10 X 25
2 - Коллектор R504754
3 - Уплотнительное кольцо R63185 Количество:2
4 - Труба RE516027
5 - Прокладка R505480
6 - Уплотнительное кольцо 51M7041 Количество:5 Примечание:11.300 X 2.200 mm
7 - Заглушка фитинга RE46684 Количество:5
8 - Винт 19M7810 Количество:2 Примечание:M10 X 80
9 - Корпус RE517057 Примечание:MARKED R515580
10 - Заглушка CD16284
11 - Сальник R123226
12 - Труба R504854
13 - Скоба R128415
14 - Прокладка R505479
Наверх
2202 Термостат - ST438262
![Джон Дир 9550 2202 Термостат 2202 Термостат]()
1 - Термостат DZ100555 Примечание:SUB FOR APPL RE33705 OR RE522076
2 - Термостат RE524562 Примечание:SUB FOR APPL AR48675
Наверх
8719 Устройство натяжения ремня - ST351500
![Джон Дир 9550 8719 Устройство натяжения ремня 8719 Устройство натяжения ремня]()
1 - Опора R516579
2 - Винт 19M7801 Количество:2 Примечание:M8 X 60
3 - Шкив RE505264
4 - Болт R503813
5 - Винт 19M8131 Примечание:M10 X 70
5 - Винт с головкой 19M8183 Примечание:M10 X 90, USE WITH RE548027
6 - Натяжное устр. для ремня RE70536 Примечание:ORDER RE548027, 24M7106, 19M8183 AND R518210
6 - Натяжное устр. для ремня RE548027 Примечание:SUB FOR RE518097
7 - Распорная втулка R516623 Примечание:(SUB FOR R500321)
7 - Распорная втулка R518210 Примечание:USE WITH RE548027
8 - Пружинный шплинт 34M7061 Примечание:8 X 20 mm
9 - Шайба 24M7106 Примечание:10 X 18 X 2.500 mm, Not Illustrated USE WITH RE548027
Наверх
2344 Fan Drive - ST258863 ( Привод Вентилятора - )
![Джон Дир 9550 2344 Fan Drive 2344 Fan Drive]()
1 - Привод вент. на двигат. RE500539 Примечание:MARKED R542034
2 - Пружинное кольцо H80753
3 - Ступица ...... Примечание:ORDER RE500539
4 - Винт 19M7786 Количество:4 Примечание:M10 X 30
Наверх
2496 Fan Idler Pulley - ST133808 ( Вентилятор Направляющего Шкива )
![Джон Дир 9550 2496 Fan Idler Pulley 2496 Fan Idler Pulley]()
1 - Распорная втулка R536737 Примечание:USE WITH R529790
1 - Распорная втулка R500320 Примечание:Не показано USE WITH R502079
2 - Шкив RE505264
3 - Гильза R529790 Примечание:USE WITH R536737
3 - Гильза R502079 Примечание:Не показано USE WITH R500320
4 - Винт 19M7808 Примечание:M10 X 65
Наверх
1322 Шкив коленчатого вала - ST706544
![Джон Дир 9550 1322 Шкив коленчатого вала 1322 Шкив коленчатого вала]()
1 - Демпфер крут. колебаний RE505941 Примечание:OD = 188 mm
2 - Втулка R517237 Примечание:OD = 63.5 mm, SUB FOR R503717
3 - Винт с головкой R516648 Примечание:Одноразовый SUB FOR AT154757
Наверх
9801 Подъемные ремни - ST351504
![Джон Дир 9550 9801 Подъемные ремни 9801 Подъемные ремни]()
1 - Хомут R502175 Примечание:(Передний)
2 - Хомут R502329 Примечание:(Задний)
3 - Винт 19M7788 Количество:2 Примечание:M12 X 25
Наверх
4817 Connecting Rods and Pistons - ST72048 ( Шатуны и поршни - )
![Джон Дир 9550 4817 Connecting Rods and Pistons 4817 Connecting Rods and Pistons]()
1 - Комплект поршня-гильзы RE516228 Количество:6 Примечание:PISTON MARKED RE507758
2 - Кольцо поршня R518867 Количество:6
3 - Комплект уплотнений RE539558 Количество:6
4 - TERM MISSING IN CACHE ....... Количество:6
5 - Уплотнительное кольцо R26121 Количество:6
6 - Уплотнительное кольцо R55453 Количество:6
7 - Соединительная тяга RE500608 Количество:6 Примечание:INCLUDES (2) R501124 AND R114082 Посмотреть аналогичные детали
7 - Соединит. тяга восст. SE501094 Примечание:REMAN FOR RE500608
8 - Втулка R114082 Количество:6 Посмотреть аналогичные детали
9 - Винт R501124 2 Посмотреть аналогичные детали
10 - Подшипник RE65908 2 Примечание:Стандартный KIT, MARKED (2) R113698 Посмотреть аналогичные детали
10 - Подшипник RE65909 Примечание:Уменьшенного размера KIT, MARKED (2) R130578 Посмотреть аналогичные детали
11 - Пружинное кольцо R54114 2
12 - Штифт поршня R502755 Количество:6
Наверх
35CD Final Fuel Filter - ST439006 ( Окончательный Топливный Фильтр - )
![Джон Дир 9550 35CD Final Fuel Filter 35CD Final Fuel Filter]()
1 - Топливопровод RE507542
2 - Корпус фильтра ....... Примечание:FURNISH RE516179
3 - Уплотнительное кольцо 51M7040 Количество:4 Примечание:9.300 X 2.200 mm
4 - Фитинг RE46686 Количество:2
5 - Винт 19M7785 Количество:2 Примечание:M10 X 25
6 - Топливный фильтр RE509032 Примечание:6.0" (152.4 mm) Посмотреть аналогичные детали
7 - Комплект клапанов RE60854
8 - Комплект уплотнений RE516553 Примечание:CONTAINS 10 O-RINGS
9 - Комплект уплотнений RE51649
10 - Корпус фильтра RE516179
11 - Уплотнительная шайба R67092 Количество:2
12 - Фитинг RE60030
Наверх
1758 Air Intake - ST351508 ( Потребление Воздуха - )
![Джон Дир 9550 1758 Air Intake 1758 Air Intake]()
1 - Винт с головкой 19M7550 Количество:2 Примечание:M10 X 35
2 - Шайба 24M7096 Количество:2 Примечание:10.500 X 18 X 1.600 mm
3 - Воздуховод RE518393
4 - Прокладка R516953
5 - Прокладка R515030
6 - Заглушка фитинга RE46684 Количество:2
7 - Уплотнительное кольцо 51M7041 Примечание:11.300 X 2.200 mm
8 - Крышка R515029
9 - Винт 19M7785 Количество: 10 Примечание:M10 X 25
10 - Трубная заглушка RE42713
11 - Винт 19M7812 Количество:2 Примечание:M10 X 100
Наверх
65GF Turbocharger - ST379984 ( Турбонагнетатель - )
![Джон Дир 9550 65GF Turbocharger 65GF Turbocharger]()
1 - Уплотнительное кольцо R63548
2 - Фитинг переходника M87733 Примечание:ALSO ORDER R63548; SUB FOR T79788
3 - Турбонагнетатель RE509910
3 - Турбонагнетатель восст. SE502359 Примечание:REMAN FOR RE509910
4 - Винт 19M8162 Количество:4 Примечание:M10 X 40
5 - Прокладка R123572
6 - Фланцевая гайка 14M7296 Количество:4 Примечание:M10
7 - Прокладка R123570
8 - Винт 19M8062 Количество:2 Примечание:M8 X 20
9 - Маслопровод RE515896
10 - Скоба RE65978 Количество:2
11 - Шланг R523372 Примечание:LGTH = 95 mm, SUB FOR APPL R120013
12 - Фитинг шланга RE54885
13 - Уплотнительное кольцо T77613
14 - Фитинг переходника 38H5037 Примечание:ALSO ORDER T77613 and 51M7042
15 - Уплотнительное кольцо 51M7042 Примечание:13.300 X 2.200 mm
16 - Скоба R46414
17 - Гидрошланг RE503212
Наверх
5702 Впуск водяного насоса - ST166238
![Джон Дир 9550 5702 Впуск водяного насоса 5702 Впуск водяного насоса]()
1 - Уплотнительное кольцо R89944
2 - Коленчатый патрубок R121635
3 - Винт 19M7867 Примечание:M8 X 25
4 - Винт 19M7802 Примечание:M8 X 65
Наверх
2867 Exhaust Manifold - ST351511 ( Выпускной Коллектор - )
![Джон Дир 9550 2867 Exhaust Manifold 2867 Exhaust Manifold]()
1 - Винт 19M7810 2 Примечание:M10 X 80
2 - Выпускной коллектор R132203
3 - Прокладка R521439 Количество:6 Посмотреть аналогичные детали
Наверх
8843 Фильтр моторного масла - ST85621
![Джон Дир 9550 8843 Фильтр моторного масла 8843 Фильтр моторного масла]()
1 - Корпус фильтра RE508987
2 - Корпус фильтра RE504564 Примечание:MARKED R502505
3 - Фитинг RE505232 Количество:2
4 - Уплотнительное кольцо 51M7045 Количество:2 Примечание:19.300 X 2.200 mm
5 - Сальник R502513 Примечание:Пыль Посмотреть аналогичные детали
6 - Клапан RE504543 Примечание:Байпас
7 - Пробка сливного отверстия RE52242
8 - Уплотнительное кольцо 51M7042 Примечание:13.300 X 2.200 mm
9 - Прокладка R500374
10 - Винт RE67238 Примечание:Резьба с предварительно нанесенным герметиком
11 - Винт 19M7802 Количество:5 Примечание:M8 X 65
12 - Масляный фильтр RE504836 Примечание:SUB FOR RE541420; ALSO ORDER R502513 Посмотреть аналогичные детали
Наверх
2698 Фитинги нагревателя охлаждающей жидкости двигателя - ST348491
![Джон Дир 9550 2698 Фитинги нагревателя охлаждающей жидкости двигателя 2698 Фитинги нагревателя охлаждающей жидкости двигателя]()
1 - Заглушка RE565310
2 - Заглушка R123616
3 - Уплотнительное кольцо U13639
4 - Заглушка фитинга RE46685
5 - Уплотнительное кольцо 51M7043 Примечание:15.300 X 2.200 mm
Наверх
3035 Starter Motor - ST351514 ( Стартер - )
![Джон Дир 9550 3035 Starter Motor 3035 Starter Motor]()
1 - Мотор RE70957
1 - Мотор стартера восст. SE501403 Примечание:(REMAN FOR RE70957)
2 - Метка T146102
3 - Крышка RE70756
4 - Уплотнительное кольцо R135509
5 - Переключатель RE70486
6 - Уплотнительное кольцо R135510
7 - Винт с шайбой RE71256
8 - Винт 19M7786 Количество:3 Примечание:M10 X 30
9 - Проволочный вывод AH155483
Наверх
1299 Oil Filler Neck Cover - ST73498 ( Заливной Горловины Масла Крышка Шеи )
![Джон Дир 9550 1299 Oil Filler Neck Cover 1299 Oil Filler Neck Cover]()
1 - Крышка R116296 Количество:2 Примечание:Маслоналивная горловина
2 - Винт RE67238 Количество:4
3 - Прокладка R136495 Количество:2
Наверх
3799 Крышка перекач. топл. насоса - ST151775
![Джон Дир 9550 3799 Крышка перекач. топл. насоса 3799 Крышка перекач. топл. насоса]()
1 - Винт с головкой RE66334 Количество:2 Примечание:(Резьба с предварительно нанесенным герметиком)
2 - Крышка R123396
Наверх
4320 Starting Aid - ST439186 ( Начиная Помощи - )
![Джон Дир 9550 4320 Starting Aid 4320 Starting Aid]()
1 - Запальная свеча RE504580 Количество:6
2 - Жгут проводов RE515772
3 - Шайба 24M7088 Количество:3 Примечание:6.600 X 12 X 1.600 mm
4 - Винт 19M8618 Количество:3 Примечание:M6 X 12
Наверх
6251 Alternator Brackets - ST152020 ( Генератор Кронштейны - )
![Джон Дир 9550 6251 Alternator Brackets 6251 Alternator Brackets]()
1 - Кронштейн R529946
2 - Винт 19M7786 Количество:2 Примечание:M10 X 30
3 - Винт 19M7785 Количество:2 Примечание:M10 X 25
Наверх
6698 Заглушка термодатчика - ST628077
![Джон Дир 9550 6698 Заглушка термодатчика 6698 Заглушка термодатчика]()
1 - Трубная заглушка 15H584 Примечание:1/2"
Наверх
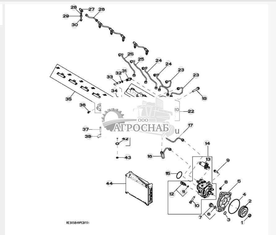
16PM Fuel Injection System - ST351521 ( Система Впрыска Топлива - )
![Джон Дир 9550 16PM Fuel Injection System 16PM Fuel Injection System]()
1 - Гайка R91360
2 - Передача R502541
3 - Уплотнительное кольцо R116031
4 - Комплект уплотн. колец AR65507 Посмотреть аналогичные детали
5 - Фитинг переходника R504577
6 - Уплотнительное кольцо 51M7044 Примечание:17.300 X 2.200 mm
7 - Фитинг RE517370
8 - Фланцевая гайка 14M7298 Количество:3 Примечание:M8
9 - Винт 19M7868 Количество:2 Примечание:M8 X 30
10 - Сито RE516999
11 - Уплотнительное кольцо R524234
12 - Датчик температ. топлива RE516336
13 - Контрольный клапан DZ111135 Примечание:Suction SUB FOR RE530337 OR RE531864
14 - Нагнетат. топливный насос RE507959
14 - Нагн. топл. насос восст. SE501915 Примечание:REMAN FOR RE507959
15 - Уплотнительное кольцо R516125
16 - Топливопровод DZ104988 Примечание:SUB FOR RE527054 OR RE544262
17 - Топливопровод DZ104989 Примечание:SUB FOR RE527055 OR RE544263
18 - Винт 19M8528 Количество:3 Примечание:M10 X 55
19 - Датчик RE520930
20 - Ограничитель RE515636 Количество:6
21 - Редукционный клапан RE516335
22 - Магистраль RE520928 Примечание:ORDER RE522596
22 - Магистраль RE522596
23 - Топливопровод RE507539 Количество:2 Примечание:ORDER DZ104958
23 - Топливопровод DZ104958 Примечание:Цилиндры 1 и 2
24 - Топливопровод RE507540 Количество:2 Примечание:ORDER DZ104957
24 - Топливопровод DZ104957 Примечание:Цилиндры 3 и 4
25 - Топливопровод RE523249 Количество:2 Примечание:ORDER DZ104959
25 - Топливопровод DZ104959 Примечание:Цилиндры 5 и 6
26 - Линия R503307 Количество:4
27 - Тройник R97061 Количество:6
28 - Уплотнительная шайба R51936 4 Посмотреть аналогичные детали
29 - Трубная гайка R123593 4
30 - Фитинг R503308 Количество:6
31 - Фитинг R515044 Количество:6 Примечание:ALSO ORDER R65397
32 - Уплотнительное кольцо R65397 Количество:6
33 - Труба RE522594 Количество:6
34 - Гайка R134920 2
35 - Жгут проводов RE509093
36 - Винт 19M7775 Количество:2 Примечание:M6 X 16
37 - Винт с головкой R504781 Количество:6
38 - Скоба R518345 Количество:6
39 - Винт 19M7784 Количество:2 Примечание:M10 X 20
40 - Кронштейн R504239
41 - Впрыскивающие форсунки RE516540 Количество:6 Примечание:INCLUDES RE522594, R65397, (2) R134920, R515535 AND (2) R505452
41 - Впрыск. форсунка восст. SE501924 Количество:6
42 - Уплотнительное кольцо R505452
43 - Шайба R515535 Количество:6
44 - Контроллер двигателя RE522510
44 - Контроллер двигат. восст. SE502849 Примечание:REMAN FOR RE522510
Наверх
9901 Укороченный блок в сборе - ST351479
![Джон Дир 9550 9901 Укороченный блок в сборе 9901 Укороченный блок в сборе]()
1 - Узел короткого блока RE571652 Примечание:DOES NOT INCLUDE FRONT PLATE, MARKED R504850; SUB FOR RE522680
.. - Узел полн. блока восст. SE501153 Примечание:(FOR ENGINES EQUIPPED WITH DENSO HPCR FUEL INJECTION)
Наверх
9901 Запасной двигатель - ST351523
![Джон Дир 9550 9901 Запасной двигатель 9901 Запасной двигатель]()
1 - Дизельный двигатель PE11105 Примечание:(Может отличаться от рисунка)
Наверх